欢迎来到第壹文秘! | 帮助中心 分享价值,成长自我!
第壹文秘
全部分类
  • 幼儿/小学教育>
  • 中学教育>
  • 高等教育>
  • 研究生考试>
  • 外语学习>
  • 资格/认证考试>
  • 论文>
  • IT计算机>
  • 法律/法学>
  • 建筑/环境>
  • 通信/电子>
  • 医学/心理学>
  • ImageVerifierCode 换一换
    首页 第壹文秘 > 资源分类 > DOCX文档下载
    分享到微信 分享到微博 分享到QQ空间

    (工程部)岗位说明书参考.docx

    • 资源ID:998172       资源大小:57.26KB        全文页数:15页
    • 资源格式: DOCX        下载积分:5金币
    快捷下载 游客一键下载
    账号登录下载
    三方登录下载: 微信开放平台登录 QQ登录
    下载资源需要5金币
    邮箱/手机:
    温馨提示:
    快捷下载时,如果您不填写信息,系统将为您自动创建临时账号,适用于临时下载。
    如果您填写信息,用户名和密码都是您填写的【邮箱或者手机号】(系统自动生成),方便查询和重复下载。
    如填写123,账号就是123,密码也是123。
    支付方式: 支付宝    微信支付   
    验证码:   换一换

    加入VIP,免费下载
     
    账号:
    密码:
    验证码:   换一换
      忘记密码?
        
    友情提示
    2、PDF文件下载后,可能会被浏览器默认打开,此种情况可以点击浏览器菜单,保存网页到桌面,就可以正常下载了。
    3、本站不支持迅雷下载,请使用电脑自带的IE浏览器,或者360浏览器、谷歌浏览器下载即可。
    4、本站资源下载后的文档和图纸-无水印,预览文档经过压缩,下载后原文更清晰。
    5、试题试卷类文档,如果标题没有明确说明有答案则都视为没有答案,请知晓。

    (工程部)岗位说明书参考.docx

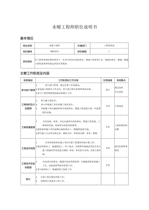
    水暧工程师职位说明书基本情况职位名称水暧工程师所属部门工程管理部职位编号DXDCO12职位编制1职位使命在工程管理部经理的领导下,负责开发项目的给排水、暧通工程管理工作,确保给排水、暧通、暧通工程的进度和质量达到设计的要求。主要工作职责及内容职责概述工作职责和工作内容负责程度考核要点参与部门管理1 .参与部门管理,提出改善工作的建议:2 .参加部门的相关工作会议,参与部门相关重要事项的决策;3 .参与工程管理制度的制定和修订工作:部分建议的科学合理性工程组织及计划管理1. 参与施工图会审;2. 参与审核施工单位的施工组织设计;3. 审核施工单位编制的项目的给排水、暧通工程进度计划,并监督组织实施;全责工程进度工程质量管理1 .负责巡视、检查、评定在建项目的给排水、暧通工程质量、工程材料质量、监理单位的监理质量等:2 .督促指导施工单位按期完成给排水工、暧通程进度计划:3 .填写施工日志等过程记录,确保文件、资料的完整、真实、准确;全责工程质量资料完整工程成本控制1 .负责审核给排水施工单位月报工程量的审验计量工作:2 .提议给排水工、暧通程返工、停工签证,对预算外现场必须发生的土建工程临时性变更进行跟踪、核实,如实签字证明,并报上级审批:全责成本控制管理规范工程技术及验收管理1 .负责项目给排水、暖通专业技术的管理,并根据需要承担施工工艺、设备选型等技术管理工作:2 .参与给排水工、暧通程竣工验收工作:全责其它1. 完成上级安排的其他工作;2. 协助部门其他员工的工作。主要工作关系职业发展可直接晋升的职位工程管理部经理可相互轮换的职位项目公司水暧工程师可晋升至此的职位基本任职资格最低学历大学本科专业城市给排水、暧通等相关专业工作经验四年以上水暖施工管理工程经验,其中两年以上房地产企业相关专业施工管理经验:专业知识掌握房地产开发项目运作流程:熟悉房地产开发业务中的给排水、暧通专业知识;了解国内外给排水、暖通技术现状和发展趋势:能力素质良好的组织协调能力、问题解决能力、成本意识和质量意识:资格证书初级或中级职称工程师:其他要求2545岁;能够适应工地现场工作;编制,审核,审批,时间X时间,时间:土建工程师职位说明书基本情况职位名称土建工程师所属部门工程管理部职位编号DXDCO1O职位编制1职位使命在工程管理部经理的领导下,负责项目的土建工程管理工作,以确保相关工程的进度和质量达到设计的要求。主要工作职责及内容职责概述工作职责和工作内容负费程度考核要点参与部门管理123参与部门管理,提出改善工作的建议:参加部门的相关工作会议,参与部门相关重要事项的决策;参与工程管理制度的制定和修订工作:部分建议的科学合理性土建工程管理123456789参与施工图会审;负责土建工程项目招投标的技术支持工作,参与审查投标队伍的资质等;参与审查承建方的施工方案,监理公司的监理大纲及实施细则;审查分包商的资质和相关情况;编制的土建工程各项计划,并监督按期完成土建工程进度计戈J;定期巡视、检查、评定在建项目的土建工程质量、工程材料质量、监理单位的监理质量等;根据项目管理有关规定及时填写施工日志等过程记录,确保文件、资料的完整、真实、准确;复审土建施工单位月报工程量的审验计量工作;提供土建专业技术支持和指导,并根据需要承担施工工艺、设备选型等技术管理工作;参与所有土建工程竣工验收管理工作;全责工程进度达成流程工程质量验收合格率成本控制文明施工其它1成上级安排的其他工作。主要工作关系职业发展可直接晋升的职位工程管理部经理可相互轮换的职位项目土建工程师可晋升至此的职位基本任职资格最低学历大学本科专业工民建等相关专业工作经验四年以上土建施工管理工程经验;专业知识掌握房地产开发项目运作流程:熟悉房地产开发业务中的土建专业知识:了解国内外建筑技术现状和发展趋势;能力素质良好的组织协调能力、问题解决能力、成本意识和质量意识:熟练使用办公软件及CAD工程绘图软件:资格证书中级职称工程师;其他要求年龄在45岁以下。编制,审核:审批:时间:时间:时间:电气工程师职位说明书基本情况职位名称电气工程师所属部门工程管理部职位编号DXDCO11职位编制1职位使命在工程管理部经理的领导下,负责开发项目的电气工程管理工作,确保电气工程的进度和质量达到设计的要求。主要工作职责及内容职责概述工作职责和工作内容负责程度考核要点参与部门管理1 .参与部门管理,提出改善工作的建议;2 .参加部门的相关工作会议,参与部门相关重要事项的决策;3 .参与项目工程管理制度的制定和修订工作;部分建议的科学合理性施工组织与计划管理1. 参与施工图会审;2. 参与审核施工单位的施工组织设计;3. 负责组织强弱电专业施工队伍完成前期“三通一平”中的临电工作;4. 审核施工单位编制的项目电气工程进度计划,并监督组织实施;全责工程进度工程质量管理1 .负责巡视、检查、评定在建项目的电气工程质量、工程材料质量、监理单位的监理质量等;2 .督促指导施工单位按期完成电气工程进度计划:3 .协助组织工程现场各方有关例会、协调会:4 .根据项目管理有关规定及时填写施工日志等过程记录,确保文件、资料的完整、真实、准确:全责工程质量资料完整工程成本控制1. 负责审核电气施工单位月报工程量的审验计量工作;2. 提议电气工程返工、停工签证,对预算外现场必须发生的临时性签证变更进行跟踪、核实,如实签字证明,并报上级审批;3. 负责电气工程甲供材料的领用及保管工作;全责工程成本控制情况工程技术及验收管理1 .负责项目电气专业技术的管理,并根据需要承担施工工艺、设备选型等技术管理工作:2 .参与电气工程竣工验收工作;全责其它1 .完成上级安排的其他工作;2 .协助部门其他员工的工作。主要工作关系外部工作关系单位行政管理关系内部工作关系部门及职位设计院施工单位监理单位工程管理部经理本职位合同预算部招标采购部设计技术部营销策划中心无职业发展可直接晋升的职位工程技术部经理可相互轮换的职位项目电气工程师可晋升至此的职位基本任职资格最低学历大学本科专业电气、电气工程等相关专业工作经验四年以上电气施工管理工程经验,其中两年以上房地产企业相关专业施工管理经验:专业知识掌握房地产开发项目运作流程:熟悉房地产开发业务中的电气专业知识:了解国内外电气技术现状和发展趋势;能力素质良好的组织协调能力、问题解决能力、成本意识和质量意识:资格证书初级或中级职称工程师:其他要求2545岁:能够适应工地现场工作:编制,审核:审批:时间:时间:时间:景观工程师职位说明书基本情况职位名称景观工程师所属部门工程管理部职位编号DXDCO13职位编制1职位使命在工程管理部经理的领导下,负责开发项目的景观工程管理工作,保障项目景观施工的效果和质量达到设计的要求。主要工作职责及内容职责概述工作职费和工作内容负责程度考核要点参与部门管理1. 参与部门管理,提出改善工作的建议;2. 参加部门的相关工作会议,参与部门相关重要事项的决策;3. 参与工程管理制度的制定和修订工作;部分建议的科学合理性景观工程管理1. 参与施工图会审;2. 负责景观工程项目的招投标技术管理,审核投标队伍的资质等;3. 定期巡视、检查、评定在建项目的景观工程质量;1.负责复审景观施工单位月报工程量的审验计量工作;5. 审核景观工程返工、停工签证及预算外现场必须发生的景观工程临时性变更等;6. 提供景观专业技术支持,并根据需要承担施工工艺、设备选型等技术管理工作;7. 参与景观专业的竣工验收,并对相关问题提出整改意见;8. 调研景观建设材料的价格和质量情况,参与项目园林景观成本控制,根据项目开发需求,配合相应的调研工作,完成景观专业相应的技术报告:9. 参与重大设计变更中景观专业的工作;10. 对建成项目的景观设计进行综合评价,编写评价报告全责园林效果工程进度工程质量成本控制文明施工其它1.完成上级安排的其他工作。主要工作关系外部工作关系单位行政管理关系内部工作关系部门及职位规划设计院(机构)专业房地产咨询公司物业公司工程管理部经理本职位合同预算部招标采购部设计技术部营销策划中心无职业发展可直接晋升的职位可相互轮换的职位项目公司景观工程师可晋升至此的职位基本任职资格最低学历大学专科专业景观设计、园林学等景观相关设计专业工作经验四年以上景观工程现场管理经验:专业知识熟悉景观设计理论知识:熟悉相关的景观设计规范和国家地方对建设项目的景观设计规定;具有较强的现场施工配合经验。能力素质良好的成本意识、质量意识,工作严谨细致,条理性强;沟通和协调能力,人际交往能力;资格证书其他要求具有一定的艺术修养和较高的审美能力,年龄在45岁以下。编制,审核:审批:时间:时间:时间:工程总监职位说明书基本情况职位名称工程总监所属部门工程技术中心职位编号DXDC003职位编制1职位使命在总经理的领导下,负责公司设计管理、工程管理、工程成本控制和招投标采购等工作,确保开发项目的工程进度、质量、成本和生产安全都在可控的范围之内,使工程进度和工程质量满足销售的要求,顺利实现公司战略规划和年度经营计划。主要工作职责及内容职责概述工作职责和工作内容负责三E考核要点参与战略规划和经营管理决策1、参与公司战略规划,提出建议并参与决策:2、参加公司总经理办公会,对相关重大经营管理活动提出建议并参与决策;3、按照经营管理决策权力划分,行使工程总监各项经营决策权力:部分建议的科学合理性部门管理1. 根据公司年度经营管理计划,编制本部门整体工作计划和年度费用预算,并负责落实和监督;2. 建立和完善设计规划管理制度、工程管理制度,预决算管理制度并监督实施;3. 提出下属人员的任免、岗位设置调整建议,经分管领导审批后执行;1.负责对直接下级进行绩效考核、考核面谈,支持并指导下属开展工作;5. 负责本部门的年度费用控制和预算管理,审核授权外的管理费用支出,审核授权内的管理费用支出;6. 协助组织下属人员的招聘、培训和职业发展等工作,提升下属人员素质和能力;全责计划适宜性可量化可达到计划完成情况及时提报制度完善流程简洁顺畅机构简洁高效预算控制到位部门沟通顺畅部门预算执行偏差率设计管理

    注意事项

    本文((工程部)岗位说明书参考.docx)为本站会员(p**)主动上传,第壹文秘仅提供信息存储空间,仅对用户上传内容的表现方式做保护处理,对上载内容本身不做任何修改或编辑。 若此文所含内容侵犯了您的版权或隐私,请立即通知第壹文秘(点击联系客服),我们立即给予删除!

    温馨提示:如果因为网速或其他原因下载失败请重新下载,重复下载不扣分。




    关于我们 - 网站声明 - 网站地图 - 资源地图 - 友情链接 - 网站客服 - 联系我们

    copyright@ 2008-2023 1wenmi网站版权所有

    经营许可证编号:宁ICP备2022001189号-1

    本站为文档C2C交易模式,即用户上传的文档直接被用户下载,本站只是中间服务平台,本站所有文档下载所得的收益归上传人(含作者)所有。第壹文秘仅提供信息存储空间,仅对用户上传内容的表现方式做保护处理,对上载内容本身不做任何修改或编辑。若文档所含内容侵犯了您的版权或隐私,请立即通知第壹文秘网,我们立即给予删除!

    收起
    展开