欢迎来到第壹文秘! | 帮助中心 分享价值,成长自我!
第壹文秘
全部分类
  • 幼儿/小学教育>
  • 中学教育>
  • 高等教育>
  • 研究生考试>
  • 外语学习>
  • 资格/认证考试>
  • 论文>
  • IT计算机>
  • 法律/法学>
  • 建筑/环境>
  • 通信/电子>
  • 医学/心理学>
  • ImageVerifierCode 换一换
    首页 第壹文秘 > 资源分类 > DOC文档下载
    分享到微信 分享到微博 分享到QQ空间

    外墙涂料工程施工工艺.doc

    • 资源ID:994307       资源大小:51.50KB        全文页数:3页
    • 资源格式: DOC        下载积分:10金币
    快捷下载 游客一键下载
    账号登录下载
    三方登录下载: 微信开放平台登录 QQ登录
    下载资源需要10金币
    邮箱/手机:
    温馨提示:
    快捷下载时,如果您不填写信息,系统将为您自动创建临时账号,适用于临时下载。
    如果您填写信息,用户名和密码都是您填写的【邮箱或者手机号】(系统自动生成),方便查询和重复下载。
    如填写123,账号就是123,密码也是123。
    支付方式: 支付宝    微信支付   
    验证码:   换一换

    加入VIP,免费下载
     
    账号:
    密码:
    验证码:   换一换
      忘记密码?
        
    友情提示
    2、PDF文件下载后,可能会被浏览器默认打开,此种情况可以点击浏览器菜单,保存网页到桌面,就可以正常下载了。
    3、本站不支持迅雷下载,请使用电脑自带的IE浏览器,或者360浏览器、谷歌浏览器下载即可。
    4、本站资源下载后的文档和图纸-无水印,预览文档经过压缩,下载后原文更清晰。
    5、试题试卷类文档,如果标题没有明确说明有答案则都视为没有答案,请知晓。

    外墙涂料工程施工工艺.doc

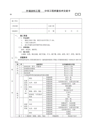
    外墙涂料工程 分项工程质量技术交底卡GD施工单位工程名称分部工程交底部位日 期 年 月 日交底内容交底内容一、 施工准备(一) 作业条件1、 墙面已基本干燥,基层含水率不得大于10%。2、 门窗已安装完毕。3、 进行外墙作业的外脚手架已搭设完成。(二) 材料准备涂料、填充料、颜料等。(三) 施工机具小漆桶、高凳,橡皮刮板、腻子托板、开刀、腻子槽、砂纸、滚筒、刷子、排笔、棉丝等。二、 质量要求溶剂型涂料涂饰工程质量要求符合建筑装饰装修工程施工质量验收规范(GB50210-2001)的规定。项序检查项目允许偏差或允许值主控项目1涂料品种、型号、性能等第10.3.2条2涂饰颜色和图案第10.3.3条3涂饰综合质量第10.3.4条4基层处理第10.3.5条一般项目1与其他材料和设备衔接处界面应清晰第10.3.8条2色漆涂饰质量及允许偏差(mm)颜色普通涂饰均匀一致高级涂饰均匀一致光泽、光滑普通涂饰光泽基本均匀 光滑无挡手感高级涂饰光泽基本均匀 光滑刷纹普通涂饰刷纹通顺高级涂饰无刷纹裹棱、流坠、皱皮普通涂饰明显处不允许高级涂饰不允许装饰线、分色线直线度普通涂饰2mm高级涂饰1mm3清漆涂饰质量颜色普通涂饰基本一致高级涂饰均匀一致木纹普通涂饰棕眼刮平、木纹清楚高级涂饰棕眼刮平、木纹清楚光泽、光滑普通涂饰光泽基本均匀 光滑无挡手感高级涂饰光泽基本均匀 光滑刷纹普通涂饰无刷纹高级涂饰无刷纹一般项目3清漆涂饰质量裹棱、流坠、皱皮普通涂饰明显处不允许高级涂饰不允许三、 工艺流程基层处理打底找平打磨封底漆第一遍涂料施工修补第二遍涂料第三遍涂料施工检查验收四、 施工工艺1、 基层清理对基层表面进行作业前的验收,表面须洁净坚固,对混凝土表面地浮浆等进行清理,对砂浆基层,要仔细检查是否存在空鼓及裂缝现象;基层要求含水率在10%以下,如无条件测试可用手感进行估测。潮气太大不能施工,必须待干后方可施工;对墙面的阴阳角、窗洞口的收口部位特别是阴阳角检查完成后要进行交接验收;将进行作业的所有门窗等采用塑料布以及其他方式进行防护,避免污染。2、 嵌缝对混凝土墙面出现裂缝,应先在裂缝部位刷一遍掺胶水泥浆,然后使用粘按石膏刮抹。3、 刮防水腻子找平。对混凝土墙面刮防水腻子找平,要求与基层粘结牢固,无分层空鼓现象,待干燥后用砂纸打磨,手感无杂质进行下一道工序。4、 封底漆。在干净的基层上,先喷涂(或滚涂)一遍封底漆,增加与基层的结合力,防止浮碱。5、 涂刷第一遍涂料。将桶内涂料用筛网进行过滤后喷涂第一遍,从上至下均匀地进行。 6、 防水腻子修补打磨。第一遍涂料完成后,再对墙面进行一次细致的防水腻子修补工作,主要是针对阴阳角和局部的坑凹部位。然后再用300400目砂纸上下左右均匀打磨,手感效果良好即可。7、 第二遍涂抹。喷涂同第一遍。8、 第三遍涂抹。检查第二遍喷涂对墙面所出现的缺陷及时修改和处理,进行第三遍喷涂。9、 检查验收。对完成后的墙面涂料进行彻底的检查,重点检查阴阳角及门窗洞口无误后报验收。10、 涂料清理。将楼层内所有的涂料及防护采用的材料及时清理出现场,并将遗漏的涂料进行清理做好现场文明施工。五、 成品保护1、 施涂时首先清理好周围环境,防止尘土飞扬而影响涂饰质量。2、 不得污染窗台、门窗玻璃等已完成的分项工程。3、 涂饰墙面完工后,要妥善保护,不得磕碰污染墙面。六、 安全措施1、 所有工人应严格执行并遵守安全操作规程,加强职业健康安全意识,上架施工时佩戴个人防护用品。尤其注意要系好安全带。2、 外架使用前应对整个架体进行检查和检修,验收合格后方可使用。3、 在脚手架上施工,面砖及小型工具等应放在不易掉落的地方,以免高空落物伤人。4、 施工时不得出现立体交叉作业。专业技术负责人:交底人:接受人:

    注意事项

    本文(外墙涂料工程施工工艺.doc)为本站会员(p**)主动上传,第壹文秘仅提供信息存储空间,仅对用户上传内容的表现方式做保护处理,对上载内容本身不做任何修改或编辑。 若此文所含内容侵犯了您的版权或隐私,请立即通知第壹文秘(点击联系客服),我们立即给予删除!

    温馨提示:如果因为网速或其他原因下载失败请重新下载,重复下载不扣分。




    关于我们 - 网站声明 - 网站地图 - 资源地图 - 友情链接 - 网站客服 - 联系我们

    copyright@ 2008-2023 1wenmi网站版权所有

    经营许可证编号:宁ICP备2022001189号-1

    本站为文档C2C交易模式,即用户上传的文档直接被用户下载,本站只是中间服务平台,本站所有文档下载所得的收益归上传人(含作者)所有。第壹文秘仅提供信息存储空间,仅对用户上传内容的表现方式做保护处理,对上载内容本身不做任何修改或编辑。若文档所含内容侵犯了您的版权或隐私,请立即通知第壹文秘网,我们立即给予删除!

    收起
    展开