欢迎来到第壹文秘! | 帮助中心 分享价值,成长自我!
第壹文秘
全部分类
  • 幼儿/小学教育>
  • 中学教育>
  • 高等教育>
  • 研究生考试>
  • 外语学习>
  • 资格/认证考试>
  • 论文>
  • IT计算机>
  • 法律/法学>
  • 建筑/环境>
  • 通信/电子>
  • 医学/心理学>
  • ImageVerifierCode 换一换
    首页 第壹文秘 > 资源分类 > DOCX文档下载
    分享到微信 分享到微博 分享到QQ空间

    水处理生产工技能考核要素细目表(征求意见稿).docx

    • 资源ID:987991       资源大小:20.19KB        全文页数:6页
    • 资源格式: DOCX        下载积分:5金币
    快捷下载 游客一键下载
    账号登录下载
    三方登录下载: 微信开放平台登录 QQ登录
    下载资源需要5金币
    邮箱/手机:
    温馨提示:
    快捷下载时,如果您不填写信息,系统将为您自动创建临时账号,适用于临时下载。
    如果您填写信息,用户名和密码都是您填写的【邮箱或者手机号】(系统自动生成),方便查询和重复下载。
    如填写123,账号就是123,密码也是123。
    支付方式: 支付宝    微信支付   
    验证码:   换一换

    加入VIP,免费下载
     
    账号:
    密码:
    验证码:   换一换
      忘记密码?
        
    友情提示
    2、PDF文件下载后,可能会被浏览器默认打开,此种情况可以点击浏览器菜单,保存网页到桌面,就可以正常下载了。
    3、本站不支持迅雷下载,请使用电脑自带的IE浏览器,或者360浏览器、谷歌浏览器下载即可。
    4、本站资源下载后的文档和图纸-无水印,预览文档经过压缩,下载后原文更清晰。
    5、试题试卷类文档,如果标题没有明确说明有答案则都视为没有答案,请知晓。

    水处理生产工技能考核要素细目表(征求意见稿).docx

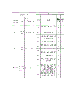
    鉴定范围一级鉴定点代码名称'R要程度试题量代码重要程度比例名称鉴定比重选考方式A(1:0:0)作业前准备15%任选一项001作业环境了解和安全检查X4002岗位操作要点X4003便携式检测仪器使用和水处理药剂配制X4B(4:0:0)技能操作70%必考001水处理系统运行操作X5002水处理系统巡检和运行监控X5003水处理工艺设备运行操作X5004水质检测操作X5C(1:0:0)作业后判别和异常处理15%必考001发现水处理工艺设备运行操作故障X4002水处理工艺设备故障的应对、救援设备的应用、触电等事故的紧急救护X4003处理水处理工艺设备运行操作故障对环境的影响、掌握危化品使用方法X4水处理生产工(四级)技能考核要素细目表(征求意见稿)鉴定范围一级鉴定点代码名称试题量代码重要程度比例名称鉴定比重选考方式A(1:0:0)作业前准备15%任选一项001辨识作业环境和进行安全检查X4002熟悉岗位操作要点X4003熟悉检测仪器和验电作业X4B(4:0:0)技能操作65%必考001熟悉水处理系统运行操作X5002水处理系统运行判断和报表审核X5003水处理系统运行方式调整,包括深度水处理系统X5004水质分析和化验X5C(1:0:0)作业后判别和异常处理20%必考001发现水处理工艺设备运行操作故障,包括深度水处理系统X5002水处理工艺设备运行操作故障的措施、高危作业的监护X5003处理水处理工艺设备运行操作故障对环境的影响X5水处理生产工(三级)技能考核要素细目表(征求意见稿)鉴定范围一级鉴定点代码名称中要程度试题量代码重要程度比例名称鉴定比重选考方式A(1:0:0)作业前准备15%任选一项001辨识作业环境和进行安全检查设备验收X4002绘图和加药量计算X4003熟练使用检测仪器X4B(4:0:0)技能操作55%必考001熟悉深度水处理工艺运行操作X5002判断深度水处理工艺运行异常和数据审核X5003完成深度水处理工艺运行方式调整X5004水质分析和药剂配制X5C(2:0:0)作业后判别和异常处理2¾必考001深度水处理工艺运行操作故障诊断X4002熟悉各类事故现场处理X4003熟悉环境保护的规定及废水排放标准和管理办法X4D(2:0:0)培训叮管理10%任选一项001生产技术管理总结分析X3002质量管理措施X3003安全管理措施X3004技能培训X3水处理生产工(三级)技能考核要素细目表(征求意见稿)鉴定氾围一级鉴定点代码名称重要程度试题ft代码重要程度比例名称鉴定比重选考方式A(1:0:0)作业前准备10%任选一项001隐患排除和应急处理X3002绘图和控制系统操作X3003熟练药剂种类和使用方法X3B(4:0:0)作业项目50%必考001熟悉深度水处理工艺运行操作X4002进行药剂消耗的计算和制订降耗方案X4003完成深度水处理工艺改造方案和优化工艺参数X4004熟悉各类水质分析仪器使用X4C(2:0:0)作业后判别和异常处理25%必考001水处理工艺运行异常原因分析和现场处理X5002应急预案编制X5003超标排放的的处理处置X5D(3:0:0)培训与管理15%f.ii一项001编写操作规程和技术论文X3002质量管理和分析X3003生产管理和生产分析X3004制定培训方案指导高级工X3水处理生产工技能考核要素细目表一级(征求意见稿)水处理生产工(一级)技能考核要素细目表(征求意见稿)鉴定范围一级鉴定点代码名称重要程度试题量代码重要程度比例名称鉴定比重选考方式A(1:0:0)作业前准备10%任选一项001评定风险点和调整安全措施X3002绘图和系统设计X3003调试水分析仪器和熟练药剂性能X3B(4:0:0)作业项目实施45%必考001制订深度水处理工艺清洗操作方案X4002制订巡检方案和分析经济技术指标X4003指导深度水处理工艺系统运行调试和优化运行方式X4004熟悉化验分析方法编写水质全分析报告X4C(3:0:0)作业后判别和异常处理25%必考001深度水处理工艺运行事故原因分析和现场异常排查处理X4002事故救援和应急演练知识X4003应急方案制定和评价、环境污染应急处理X4D(3:0:0)培训20%任选001异常生产处理系统教程编写X4与管理一项002质量管理措施X4003生产管理技术攻关和隐患排查X4004编写教案培训指导技师X4

    注意事项

    本文(水处理生产工技能考核要素细目表(征求意见稿).docx)为本站会员(p**)主动上传,第壹文秘仅提供信息存储空间,仅对用户上传内容的表现方式做保护处理,对上载内容本身不做任何修改或编辑。 若此文所含内容侵犯了您的版权或隐私,请立即通知第壹文秘(点击联系客服),我们立即给予删除!

    温馨提示:如果因为网速或其他原因下载失败请重新下载,重复下载不扣分。




    关于我们 - 网站声明 - 网站地图 - 资源地图 - 友情链接 - 网站客服 - 联系我们

    copyright@ 2008-2023 1wenmi网站版权所有

    经营许可证编号:宁ICP备2022001189号-1

    本站为文档C2C交易模式,即用户上传的文档直接被用户下载,本站只是中间服务平台,本站所有文档下载所得的收益归上传人(含作者)所有。第壹文秘仅提供信息存储空间,仅对用户上传内容的表现方式做保护处理,对上载内容本身不做任何修改或编辑。若文档所含内容侵犯了您的版权或隐私,请立即通知第壹文秘网,我们立即给予删除!

    收起
    展开