欢迎来到第壹文秘! | 帮助中心 分享价值,成长自我!
第壹文秘
全部分类
  • 幼儿/小学教育>
  • 中学教育>
  • 高等教育>
  • 研究生考试>
  • 外语学习>
  • 资格/认证考试>
  • 论文>
  • IT计算机>
  • 法律/法学>
  • 建筑/环境>
  • 通信/电子>
  • 医学/心理学>
  • ImageVerifierCode 换一换
    首页 第壹文秘 > 资源分类 > DOCX文档下载
    分享到微信 分享到微博 分享到QQ空间

    安徽电气职院300MW火电机组运行仿真实训指导03机组主要运行参数.docx

    • 资源ID:986343       资源大小:15.38KB        全文页数:3页
    • 资源格式: DOCX        下载积分:5金币
    快捷下载 游客一键下载
    账号登录下载
    三方登录下载: 微信开放平台登录 QQ登录
    下载资源需要5金币
    邮箱/手机:
    温馨提示:
    快捷下载时,如果您不填写信息,系统将为您自动创建临时账号,适用于临时下载。
    如果您填写信息,用户名和密码都是您填写的【邮箱或者手机号】(系统自动生成),方便查询和重复下载。
    如填写123,账号就是123,密码也是123。
    支付方式: 支付宝    微信支付   
    验证码:   换一换

    加入VIP,免费下载
     
    账号:
    密码:
    验证码:   换一换
      忘记密码?
        
    友情提示
    2、PDF文件下载后,可能会被浏览器默认打开,此种情况可以点击浏览器菜单,保存网页到桌面,就可以正常下载了。
    3、本站不支持迅雷下载,请使用电脑自带的IE浏览器,或者360浏览器、谷歌浏览器下载即可。
    4、本站资源下载后的文档和图纸-无水印,预览文档经过压缩,下载后原文更清晰。
    5、试题试卷类文档,如果标题没有明确说明有答案则都视为没有答案,请知晓。

    安徽电气职院300MW火电机组运行仿真实训指导03机组主要运行参数.docx

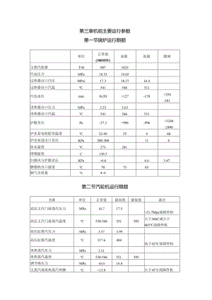
    第三章机组主要运行参数第一节锅炉运行限额单位正常值(300MW)高限低限跳闸主蒸汽流量T/H9071025汽包压力MPa18.5319.65过热器出口汽压MPei17.318.2716.4过热器出口汽温0C541546531汽包水位mm0±50+127-178+254-381再热器出口压力MPa3.233.63再热器出口汽温541546531炉膛负压Pa-37.3+996-996+3240-2490炉水泵电机腔室温度32-4955460炉水泵进出口差压KPa200-300116给水温度273281排烟温度C130.5扫描风与炉膛差压KPa>6.66.65.47磨煤机出口温度707565烟气含氧量%46第二节汽轮机运行限额名称单位正常值最高值最低值备注高压主汽门前蒸汽压力MPa16.717.5>21.7Mpa故障停机高压主汽门前蒸汽温度530-546551505大于566C或小于465故障停机高压缸排汽压力MPa3.573.99高压缸排汽温度317.6404高于427C故障停机再热蒸汽压力MPa3.21再热蒸汽温度530-546551505调节级压力MPa16.016.8主蒸汽或再热蒸汽两侧<13.9大于42°C故障停机名称单位正常值最高值最低值备注温差主蒸汽与再热蒸汽温差<27.84.7当负荷趋于空载时,允许温差达83.3低缸排汽温度<79.479.4空负荷时,不超过121.1;超过该值15分钟紧急停机凝汽器真空MPa0.09320.09320.0844凝汽器真空降至0.08IMPa故障停机轴向位移nun-0.9+0.9+1.0-1.0当轴向位移超过土1.2时紧急停机差胀nun1.7618.2218.981发电机端差胀伸长至18.98或缩短至1mm,紧急停机偏心nun<0.076轴承振动nun<0.1250.254当轴承振动0.254mm时,(其中#6轴承座轴振0.32mm)紧急停机轴封进汽压力MPa0.017-0.0380.0380.017低压缸轴封汽温度0C121177177121润滑油冷油器出油温度38-424535EH油母管压力MPa12.4-14.615.8611.5EH油压低于9.31Mpa紧急停机汽机润滑油压MPa0.094-0.122低于0.04Mpa紧急停机除氧器水位(水箱中心线以上1140mm为零位)nun±100300-1298高I值100lnnI高11值20Omm高III值300mm低I值-200mm低II值-500mm低In值7298mm定子进水流量T/h5136定子进水温度c30-404525转子进水流量T/h3021转子进水温度c30-404525名称单位正常值最高值最低值备注凝汽器水位(以热井底部为零位)nun724-876980680高11值980mm高I值876mm低I值680mm低II值300mm高压加热器nun±38+188-38高I值+38mm高11值+138mm高In值+188低1值-38mrn第三节发电机系统运行温度监督1、发电机各部分允许温升或允许最高温度。部位允许温升C允许最高温度C定子铁心辄部120定子铁心齿部120定子线圈90定子线圈出水45转子线圈出水45定子端部冷却元件出水45轴瓦温度902、100周/秒主励磁机定子线圈温升限度为80,转子线圈温升限度为90oC3、发电机进风温度一般运行在2040°C之间,其最低允许值,以发电机内部无结露现象为限,一般不低于5c。4、发电机定、转子线圈冷却水的进水温度应在3040°C之间,空气冷却器和水冷器的进水温度应不大于33。5、发电机和主励磁机两侧进风温差应不大于3,发电机进出风温差不大于40,主励磁机进出风温差不大于25o6、正常运行时,发电机定子线圈层间的温度读数最高值不会比平均值大于5o如果此数值大于IO0C,则应及时分析原因,作出处理,必要时减负荷运行。如果温度继续上升,最高值比平均值大14C,或此测温元件温升达到45K,则应解列停机检查,以防止此线圈因局部水路堵塞被烧坏。

    注意事项

    本文(安徽电气职院300MW火电机组运行仿真实训指导03机组主要运行参数.docx)为本站会员(p**)主动上传,第壹文秘仅提供信息存储空间,仅对用户上传内容的表现方式做保护处理,对上载内容本身不做任何修改或编辑。 若此文所含内容侵犯了您的版权或隐私,请立即通知第壹文秘(点击联系客服),我们立即给予删除!

    温馨提示:如果因为网速或其他原因下载失败请重新下载,重复下载不扣分。




    关于我们 - 网站声明 - 网站地图 - 资源地图 - 友情链接 - 网站客服 - 联系我们

    copyright@ 2008-2023 1wenmi网站版权所有

    经营许可证编号:宁ICP备2022001189号-1

    本站为文档C2C交易模式,即用户上传的文档直接被用户下载,本站只是中间服务平台,本站所有文档下载所得的收益归上传人(含作者)所有。第壹文秘仅提供信息存储空间,仅对用户上传内容的表现方式做保护处理,对上载内容本身不做任何修改或编辑。若文档所含内容侵犯了您的版权或隐私,请立即通知第壹文秘网,我们立即给予删除!

    收起
    展开