欢迎来到第壹文秘! | 帮助中心 分享价值,成长自我!
第壹文秘
全部分类
  • 幼儿/小学教育>
  • 中学教育>
  • 高等教育>
  • 研究生考试>
  • 外语学习>
  • 资格/认证考试>
  • 论文>
  • IT计算机>
  • 法律/法学>
  • 建筑/环境>
  • 通信/电子>
  • 医学/心理学>
  • ImageVerifierCode 换一换
    首页 第壹文秘 > 资源分类 > DOCX文档下载
    分享到微信 分享到微博 分享到QQ空间

    安徽电气职院300MW火电机组运行仿真实训指导02机组主要控制和保护系统.docx

    • 资源ID:986338       资源大小:16.44KB        全文页数:6页
    • 资源格式: DOCX        下载积分:5金币
    快捷下载 游客一键下载
    账号登录下载
    三方登录下载: 微信开放平台登录 QQ登录
    下载资源需要5金币
    邮箱/手机:
    温馨提示:
    快捷下载时,如果您不填写信息,系统将为您自动创建临时账号,适用于临时下载。
    如果您填写信息,用户名和密码都是您填写的【邮箱或者手机号】(系统自动生成),方便查询和重复下载。
    如填写123,账号就是123,密码也是123。
    支付方式: 支付宝    微信支付   
    验证码:   换一换

    加入VIP,免费下载
     
    账号:
    密码:
    验证码:   换一换
      忘记密码?
        
    友情提示
    2、PDF文件下载后,可能会被浏览器默认打开,此种情况可以点击浏览器菜单,保存网页到桌面,就可以正常下载了。
    3、本站不支持迅雷下载,请使用电脑自带的IE浏览器,或者360浏览器、谷歌浏览器下载即可。
    4、本站资源下载后的文档和图纸-无水印,预览文档经过压缩,下载后原文更清晰。
    5、试题试卷类文档,如果标题没有明确说明有答案则都视为没有答案,请知晓。

    安徽电气职院300MW火电机组运行仿真实训指导02机组主要控制和保护系统.docx

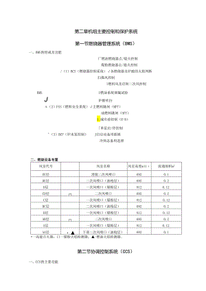
    第二章机组主要控制和保护系统第一节燃烧器管理系统(BMS)一、BMS的组成及功能厂燃油燃烧器点/熄火控制煤粉燃烧器点/熄火控制/(I)BCS(燃烧器控制系统)各燃烧器及炉膛的火焰判断扫描风控制I燃料风及启转二次风控制BMS1燃油系统泄漏试验J炉膛吹扫(2)FSS(燃料安全系统)主燃料跳闸(MFT)油燃料跳闸(OFT)1.减负荷控制(R-B)单泵启/停控制'(3)BCP(炉水泵控制)J自启动备用联锁冷热态备用选择二、燃烧设备布置风室代号风室名称风室高度m11流通面积m2EE层消旋二次风喷口6920.1DE层二次风喷口(油枪层)6920.2D层一次风喷口(煤粉层)8120.12CD层二次风喷口6920.2C层一次风喷口(煤粉层)8120.12BC层二次风喷口(油枪层)6920.2B层一次风喷口(煤粉层)8120.12AB层二次风喷口6920.2A层一次风喷口(煤粉层)8120.12AA层下部二次风喷口(油枪层)6920.1一高能点火器;口一煤粉火焰检测器;-燃油火焰检测器。第二节协调控制系统(CCS)一、CCS的主要功能1协调机、炉负荷,改善机组的调节特性,增加机组对负荷变化的适应能力;2控制锅炉的汽温、汽压及燃烧率;3主要辅机故障时,配合BMS进行RB处理;4机组运行参数越限或偏差超限时进行闭增/闭减(BI/BD)及负荷迫升/迫降(RU/RD)以及跟踪等处理;5与BMS配合,保证燃烧设备的安全运行;6对机组运行方式进行选择或自动切换;7在其它系统的配合下,完成制粉系统的启停及正常运行。二、机组协调控制系统的基本运行方式1汽机跟随TF方式,此种方式适合在锅炉主控手动、汽机主控自动条件下运行。在这种方式下,操作员通过改变燃烧率来调节机组负荷,而主汽压力则通过自动调节汽机高压调节门开度来控制。2锅炉跟随BF方式,此种方式适合在汽机主控手动、锅炉主控自动条件下运行。在这种方式下,操作员通过改变汽机高压调门开度来调节机组负荷,而主汽压力则由自动改变锅炉燃烧率来控制。3CCS方式,它是机炉完全协调控制方式,只有在锅炉主控、汽机主控都正常并在自动状态时运行。在这种方式下机炉作为一个整体来联合控制机组的负荷及主汽压力。4手动方式,当汽机侧和锅炉侧都出现故障时或控制回路存在问题时,协调主控系统处于手动方式。在手动方式下,汽机侧DEH“本机”手操或汽机主控手动,且锅炉主控或锅炉各子回路也为手动。三、协调控制系统子系统系统名称被调量调节量主控系统机组负荷、主汽压力汽机高压调门开度、锅炉燃烧率燃烧控制系统锅炉燃料量给粉机转速风量控制系统锅炉总风量送风机入口动叶开度炉膛负压控制系统炉膛负压引风机入口动叶开度给水控制系统汽包水位给水旁路阀开度、给水泵转速过热汽温控制系统过热汽温过热器减温水调门开度再热汽温控制系统再热汽温喷咀摆动角度,再热器减温水调门开度辅助风控制系统风箱/炉膛差压辅助风挡板开度燃料风控制系统燃料风量燃料风挡板开度凝汽器热井水位控制系统凝汽器热井水位凝汽器补水阀开度系统名称被调量调节量除氧器压力控制系统除氧器压力辅汽进汽阀开度除氧器水位控制系统除氧器水位除氧器水位调节阀开度汽机润滑油温控制系统汽机润滑油温度润滑油冷却水阀门开度制粉系统控制系统磨煤机料位控制系统磨煤机料位给煤机转速磨煤机入口负压控制磨煤机入口负压磨煤机再循环挡板磨煤机出口温度控制磨煤机出口温度磨煤机入口热风挡板排粉机出口风压控制排粉机出口风压磨煤机入口冷风门,排粉机进口导向挡板,排粉机入口冷风门挡板开度排粉机出口温度控制排粉机出口温度排粉机入口热风挡板开度过燃风控制系统烟气中NOx量过燃风挡板开度第三节顺序控制系统(SCS)本仿真机组辅助设备控制系统包括下列功能组:1、风烟系统功能组2、锅炉排污、疏水、放气系统顺序控制功能组3、高压加热器顺序控制4、低压加热器顺序控制5、除氧器系统顺序控制6、给水系统顺序控制7、凝结水系统顺序控制8、开式循环冷却水系统顺控功能组9、发电机空气冷却升压泵顺序控制10、闭式循环冷却水系统顺序控制第四节数字电液调节系统(DEH)一、DEH的主要功能1远方挂闸2自动转速调节,能达到自动升速、自动通过临界转速并保持在3000rmin时土lr/min的调节精度;3具有OPC功能,在转速达到额定转速103%或负荷大于30%且油开关跳闸时OPC电磁阀动作,迅速关闭调门,延时2秒后转速小于3000rmin,再自动维持3000rmin,而不关主汽门;4能自动调节功率为定值,并有参加一次调频的功能:5具有自同期功能,在自动同期时,按照自动同期装置调节汽轮机转速;6在处于CCS控制时,具有汽机跟踪调压和锅炉跟踪调压协调的功能;7具有调门和主汽门严密性试验等试验功能;8通过ETS动作AST电磁阀实现安全停机。二、DEH基本运行方式1操作员自动操作(自动QA)这是运行人员控制汽轮发电机组的主要运行方式。在该方式下,操作员可以进行如下控制:(1)汽机升速期间,可以确定或修改汽轮发电机组的升速率和转速目标值。(2)可进行从主汽门控制到高压调门控制的阀切换。(3)可进行从中压缸启动到主汽门控制的阀切换。(4)当机组到达同步转速时,可投入“自动同步”.(5)在机组并网运行后,可随时修改机组的负荷目标值及变负荷率。(6)可根据实际运行情况决定是否投入功率反馈回路和调节级压力回路。(7)在并网后,可投入转速回路(一次调频)。(8)可投运遥控操作。(9)可进行单阀/顺序阀的切换。2汽轮机自启动(ATe)汽轮机自启动的目的在于保证汽轮发电机组安全正确地启动和加负荷,ATC程序能自动完成下列功能:(1)从冲转到达到同步转速自动进行。(2)根据汽机应力及临界转速等设定升速率、确定暖机时间、自动进行阀切换。(3)条件允许时可自动投入自动同步和并网。(4)并网后由热应力及机组的其他状况,确定升负荷率或进行负荷保持,报警等。3遥控操作一般情况下,都在操作员自动方式下投入遥控操作,一旦投入了遥控,DEH的目标值就由遥控源来决定,由DEH根据遥控指令进行负荷控制。但运行人员能在任何时刻再按相应的“遥控”键退出遥控。(1)自动同步“自动同步”是一种特殊的遥控操作,在这种方式中,依靠“自动同步增”和“自动同步减”的触点输入来调整目标值和给定值,直至汽轮发电机达到同步转速,为机组并网做准备。(2)遥控(协调)方式协调控制是DEH装置最主要的一种遥控方式,如要采用这种方式,必须满足下列条件:aDEH必须运行在“自动”或“ATC控制”方式b油开关必须闭合c遥控允许触点必须闭合上述条件均满足后,按下“遥控”键,键灯亮,表示控制装置已投入协调控制方式,同时送出“遥控投入”触点至CCS控制装置,表明DEH已可接收CCS来的负荷增、减脉冲。此时,运行人员已无法改变负荷的目标值和变负荷率。运行人员也可再按“遥控”键退出“遥控”方式,进入“自动”方式运行。4汽轮机手动操作当基本控制冗余DPU均发生故障,或VCC站控制板发生故障后,则DEH会切到手动,硬操盘上“手动”灯点亮。此时运行人员应立即把“自动/手动”钥匙开关切向“手动”位置。手动操作共有六个按钮,分别为“主汽门增”、“主汽门减”、“高压调门增”、“高压调门减”、“中压调门增”和“中压调门减”。按住任一键,键灯亮,可在硬操盘条形表或“阀门指令与反馈”画面上观察相应阀门位置的变化。按下“阀门增速”键,键灯亮后,阀门的增减速率快7倍。第五节锅炉给泵汽轮机数字式电液控制系统(MEH)一、MEH主要功能1手动控制功能手动控制为MEHTHA的后备操作方式,在DPU双机故障情况下,或在低转速(V600rmin)时运行人员可通过操作盘上的手动操作按钮直接控制给水泵汽轮机的调节阀,调整转速。2转速自动功能通过运行人员在操作员站CRT(或操作盘)上改变转速定值来调节实际转速,达到控制锅炉给水的要求。转速自动控制的范围为600r/min-6600rmi11o3锅炉自动控制功能(CCS遥控)在'IEHTHA转速自动的基础上,由CCS来遥控其转速定值,调节实际转速达到锅炉给水的闭环控制。4超速保护及试验功能MEH-IIIA可实现锅炉给水泵汽轮机的电超速保护功能、机械超速保护试验。二、运行方式手动控制方式手动控制方式下,操作人员操作阀门增/减按钮直接控制阀门,以调整转速。手动控制方式为开环控制方式。转速自动运行方式转速自动运行方式为转速闭环控制方式。运行人员操作转速增/减按钮,改变转速定值,定值与实际值的差值经Pl调节后,送至VCC卡,输出±40mA电流信号,调整调节阀门开度,以改变实际转速。锅炉自动运行方式锅炉自动运行方式为MEH-IIIA最终运行方式。MEH-IIIA接受CCS来的420mA转速定值信号(4mA对应3400rmin,20mA对应5700rmin)调节实际转速,从而自动调节锅炉给水。第六节旁路控制系统(BPe)本机组采用高低压两级串联旁路系统,为瑞士苏尔寿公司的产品。旁路系统的功能为;(1)冷态启动时,用于主、再蒸汽管道的暖管和调温调压,缩短起动时间。(2)热态启动时,可实现中压缸起动,缩短冲转时间。(3)在启动过程中,保证有一定量的蒸汽通过再热器,以保护再热器不致干烧损坏。(4)正常运行时,起超压保护作用(SBE功能),并回收汽、水。(5)机组甩负荷时的快开、快关功能(SSB功能)。

    注意事项

    本文(安徽电气职院300MW火电机组运行仿真实训指导02机组主要控制和保护系统.docx)为本站会员(p**)主动上传,第壹文秘仅提供信息存储空间,仅对用户上传内容的表现方式做保护处理,对上载内容本身不做任何修改或编辑。 若此文所含内容侵犯了您的版权或隐私,请立即通知第壹文秘(点击联系客服),我们立即给予删除!

    温馨提示:如果因为网速或其他原因下载失败请重新下载,重复下载不扣分。




    关于我们 - 网站声明 - 网站地图 - 资源地图 - 友情链接 - 网站客服 - 联系我们

    copyright@ 2008-2023 1wenmi网站版权所有

    经营许可证编号:宁ICP备2022001189号-1

    本站为文档C2C交易模式,即用户上传的文档直接被用户下载,本站只是中间服务平台,本站所有文档下载所得的收益归上传人(含作者)所有。第壹文秘仅提供信息存储空间,仅对用户上传内容的表现方式做保护处理,对上载内容本身不做任何修改或编辑。若文档所含内容侵犯了您的版权或隐私,请立即通知第壹文秘网,我们立即给予删除!

    收起
    展开