欢迎来到第壹文秘! | 帮助中心 分享价值,成长自我!
第壹文秘
全部分类
  • 幼儿/小学教育>
  • 中学教育>
  • 高等教育>
  • 研究生考试>
  • 外语学习>
  • 资格/认证考试>
  • 论文>
  • IT计算机>
  • 法律/法学>
  • 建筑/环境>
  • 通信/电子>
  • 医学/心理学>
  • ImageVerifierCode 换一换
    首页 第壹文秘 > 资源分类 > DOCX文档下载
    分享到微信 分享到微博 分享到QQ空间

    作业现场危险废物环保检查清单.docx

    • 资源ID:984709       资源大小:9.43KB        全文页数:2页
    • 资源格式: DOCX        下载积分:5金币
    快捷下载 游客一键下载
    账号登录下载
    三方登录下载: 微信开放平台登录 QQ登录
    下载资源需要5金币
    邮箱/手机:
    温馨提示:
    快捷下载时,如果您不填写信息,系统将为您自动创建临时账号,适用于临时下载。
    如果您填写信息,用户名和密码都是您填写的【邮箱或者手机号】(系统自动生成),方便查询和重复下载。
    如填写123,账号就是123,密码也是123。
    支付方式: 支付宝    微信支付   
    验证码:   换一换

    加入VIP,免费下载
     
    账号:
    密码:
    验证码:   换一换
      忘记密码?
        
    友情提示
    2、PDF文件下载后,可能会被浏览器默认打开,此种情况可以点击浏览器菜单,保存网页到桌面,就可以正常下载了。
    3、本站不支持迅雷下载,请使用电脑自带的IE浏览器,或者360浏览器、谷歌浏览器下载即可。
    4、本站资源下载后的文档和图纸-无水印,预览文档经过压缩,下载后原文更清晰。
    5、试题试卷类文档,如果标题没有明确说明有答案则都视为没有答案,请知晓。

    作业现场危险废物环保检查清单.docx

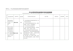
    附件1:作业现场危险废物环保检查清单作业现场危险废物环保检查清单序号危险废物名称废物代码危险特性管控要求及检交要点存在问题整改要求整改期限责任人1清洗金属零部件过程产生的废弃柴油900-201-08T,I1、危险废物制定危险废物管理计划(环保专项治理方案)2、钻井作业现场设置危废贮存点,落实防场撒、防流失、防渗漏措施。3、贮存点进行危险废物标识。4、建立危险废物管理制度,危险废物虺存、转运、处置专人管理。5、不同危险废物应有明显的过道划分,张贴危废名称,液态危废需将盛装容器放至防泄漏托盘内(爬犁),在容器上张贴危险废物标签,并按要求填写。6、建立台账,转入与转出(处置、自利用)需要填写危废种类、数量、时间及负责人姓名。2使用工业齿轮油进行机械设备润滑过程中产生的废润清油;液压设备维护、更换和拆解过程中产生的废液压油900-214-08T,I3石油开采产生的油泥和油脚071-001-08T,I7、禁止存放除危废及应急设施以外的其他物品。8、危险废物贮存不可超过一年。9、严格执行危险废弃物转移联单管理办法(国家环境保护总局令第5号),产生单位、运输单位、处置单位做好转运台账登记。10、从事危险废物处置的单位必须取得国家许可的相应费质。4成品油使用完后的废油桶900-041-49T/In检查人:受检单位:受检单位负责人:

    注意事项

    本文(作业现场危险废物环保检查清单.docx)为本站会员(p**)主动上传,第壹文秘仅提供信息存储空间,仅对用户上传内容的表现方式做保护处理,对上载内容本身不做任何修改或编辑。 若此文所含内容侵犯了您的版权或隐私,请立即通知第壹文秘(点击联系客服),我们立即给予删除!

    温馨提示:如果因为网速或其他原因下载失败请重新下载,重复下载不扣分。




    关于我们 - 网站声明 - 网站地图 - 资源地图 - 友情链接 - 网站客服 - 联系我们

    copyright@ 2008-2023 1wenmi网站版权所有

    经营许可证编号:宁ICP备2022001189号-1

    本站为文档C2C交易模式,即用户上传的文档直接被用户下载,本站只是中间服务平台,本站所有文档下载所得的收益归上传人(含作者)所有。第壹文秘仅提供信息存储空间,仅对用户上传内容的表现方式做保护处理,对上载内容本身不做任何修改或编辑。若文档所含内容侵犯了您的版权或隐私,请立即通知第壹文秘网,我们立即给予删除!

    收起
    展开