欢迎来到第壹文秘! | 帮助中心 分享价值,成长自我!
第壹文秘
全部分类
  • 幼儿/小学教育>
  • 中学教育>
  • 高等教育>
  • 研究生考试>
  • 外语学习>
  • 资格/认证考试>
  • 论文>
  • IT计算机>
  • 法律/法学>
  • 建筑/环境>
  • 通信/电子>
  • 医学/心理学>
  • ImageVerifierCode 换一换
    首页 第壹文秘 > 资源分类 > DOCX文档下载
    分享到微信 分享到微博 分享到QQ空间

    软硬件技术要求.docx

    • 资源ID:97338       资源大小:19.16KB        全文页数:2页
    • 资源格式: DOCX        下载积分:5金币
    快捷下载 游客一键下载
    账号登录下载
    三方登录下载: 微信开放平台登录 QQ登录
    下载资源需要5金币
    邮箱/手机:
    温馨提示:
    快捷下载时,如果您不填写信息,系统将为您自动创建临时账号,适用于临时下载。
    如果您填写信息,用户名和密码都是您填写的【邮箱或者手机号】(系统自动生成),方便查询和重复下载。
    如填写123,账号就是123,密码也是123。
    支付方式: 支付宝    微信支付   
    验证码:   换一换

    加入VIP,免费下载
     
    账号:
    密码:
    验证码:   换一换
      忘记密码?
        
    友情提示
    2、PDF文件下载后,可能会被浏览器默认打开,此种情况可以点击浏览器菜单,保存网页到桌面,就可以正常下载了。
    3、本站不支持迅雷下载,请使用电脑自带的IE浏览器,或者360浏览器、谷歌浏览器下载即可。
    4、本站资源下载后的文档和图纸-无水印,预览文档经过压缩,下载后原文更清晰。
    5、试题试卷类文档,如果标题没有明确说明有答案则都视为没有答案,请知晓。

    软硬件技术要求.docx

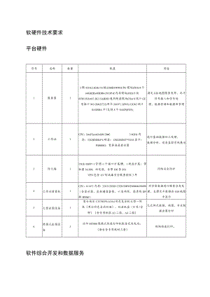
    软硬件技术要求平台硬件序号名称数量配置用途1服务器12颗4216(2.lGHz/16核22MB100W)CPU模块(FIO)/4个64GB2Rx4DDR4-2933P-R内存模块(FIO)/5块8TB12GSAS7.2K3.5inHDD通用硬盘模块(FIo)/4端口GE电接口M1.OM(X722)网卡-36OT1.3(FIO)/12Gb2端口SASHBA卡(支持8个SASP)(FIO);满足GlS地图服务发布、北斗信号接入和信号处理、数据存储和数据库管理2工作站1CPU:IntelXeonGold612823.4GHz内存:32GBDDR4*4硬盘:128GSSD4T*3SS显卡:P40008G;宽屏液晶显示器进行基础数据加工处理、数据分析、设备监控系统展示3防火墙115GE+8SFP+1管理+1个接口扩展槽,1硬盘扩展:带机量N1200;双电源,自带100条SS1.VPN包含AV防病毒安全服务授权3年网络安全防护4工作站前置机1CPU:4114*1内存:32G512SSD+2TDVDRWP40008G900W(含显示器、鼠标键盘套装、六类网线、高清线DP转HDMI)对涉密数据进行服务分发处理、支撑北斗数据在GIS地图中显示5大型出图设备1富士施乐C3570CPS,A3A4彩色复合机大型一体机(黑白彩色自动双面),双层纸盒(35页/分钟)(含专用纸张A3二箱、A4二箱)大比例尺数据、地图、专业数据出图打印6便携式出图设备3汉印MT800便携式快速打印机配备充电电池。(每台含专用耗材三套)现场快速打印。软件综合开发和数据服务序号功能内容备注1系统首页索引登录、相关系统展示2实时监控定位监控基于地图对北斗车辆进行位置监控监控视图历史轨迹3北斗短报文发送消息通过北斗系统指挥中心与北斗车载终端、手持终端进行北斗短报文互动信息显示区波束状态区4报表统计消息记录对北斗短报文、位置信息、告警信息的统计位置记录告警记录5系统管理系统功能对系统使用用户及注册的北斗车载终端、手持终端进行管理角色管理用户管理指挥机设置6数据库建设北斗短报文库存储北斗监控系统的各类数据设备费源库定位信息实时库位置资源库历史轨迹数据库7系统对接与指挥机、智能机对接通过与指挥机对接实现北斗短报文收发功能、北斗车载终端、北斗车载终端实时位置数据。8影像数据处理影像数据坐标转换、数据处理等9矢量数据处理矢量数据坐标转换、数据处理等10影像地图配图,矢量地图配图11地理信息系统技术服务配合北斗监控系统上线提供基于地理信息系统的开发、调试、测试12北斗共享服务管理平台现场技术服务及部署北斗共享服务管理平台安装、调试、培训等。

    注意事项

    本文(软硬件技术要求.docx)为本站会员(p**)主动上传,第壹文秘仅提供信息存储空间,仅对用户上传内容的表现方式做保护处理,对上载内容本身不做任何修改或编辑。 若此文所含内容侵犯了您的版权或隐私,请立即通知第壹文秘(点击联系客服),我们立即给予删除!

    温馨提示:如果因为网速或其他原因下载失败请重新下载,重复下载不扣分。




    关于我们 - 网站声明 - 网站地图 - 资源地图 - 友情链接 - 网站客服 - 联系我们

    copyright@ 2008-2023 1wenmi网站版权所有

    经营许可证编号:宁ICP备2022001189号-1

    本站为文档C2C交易模式,即用户上传的文档直接被用户下载,本站只是中间服务平台,本站所有文档下载所得的收益归上传人(含作者)所有。第壹文秘仅提供信息存储空间,仅对用户上传内容的表现方式做保护处理,对上载内容本身不做任何修改或编辑。若文档所含内容侵犯了您的版权或隐私,请立即通知第壹文秘网,我们立即给予删除!

    收起
    展开