欢迎来到第壹文秘! | 帮助中心 分享价值,成长自我!
第壹文秘
全部分类
  • 幼儿/小学教育>
  • 中学教育>
  • 高等教育>
  • 研究生考试>
  • 外语学习>
  • 资格/认证考试>
  • 论文>
  • IT计算机>
  • 法律/法学>
  • 建筑/环境>
  • 通信/电子>
  • 医学/心理学>
  • ImageVerifierCode 换一换
    首页 第壹文秘 > 资源分类 > DOC文档下载
    分享到微信 分享到微博 分享到QQ空间

    公司办公楼水暖设施施工组织设计方案.doc

    • 资源ID:955294       资源大小:104.19KB        全文页数:12页
    • 资源格式: DOC        下载积分:10金币
    快捷下载 游客一键下载
    账号登录下载
    三方登录下载: 微信开放平台登录 QQ登录
    下载资源需要10金币
    邮箱/手机:
    温馨提示:
    快捷下载时,如果您不填写信息,系统将为您自动创建临时账号,适用于临时下载。
    如果您填写信息,用户名和密码都是您填写的【邮箱或者手机号】(系统自动生成),方便查询和重复下载。
    如填写123,账号就是123,密码也是123。
    支付方式: 支付宝    微信支付   
    验证码:   换一换

    加入VIP,免费下载
     
    账号:
    密码:
    验证码:   换一换
      忘记密码?
        
    友情提示
    2、PDF文件下载后,可能会被浏览器默认打开,此种情况可以点击浏览器菜单,保存网页到桌面,就可以正常下载了。
    3、本站不支持迅雷下载,请使用电脑自带的IE浏览器,或者360浏览器、谷歌浏览器下载即可。
    4、本站资源下载后的文档和图纸-无水印,预览文档经过压缩,下载后原文更清晰。
    5、试题试卷类文档,如果标题没有明确说明有答案则都视为没有答案,请知晓。

    公司办公楼水暖设施施工组织设计方案.doc

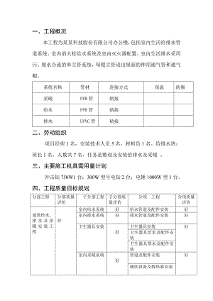
    一、工程概况本工程为某某科技股份有限公司办公楼,包括室内生活给排水管道系统、室内消火栓给水系统及室内灭火器配置。室内生活排水采用污、废水合流的单立管系统,每根立管设出屋面的伸顶通气管和通气帽。系统名称管材连接方式保温防腐采暖PPR管熔接给水PPR管熔接排水UPVC管粘接二、劳动组织项目经理1名,安装技术人员5名,材料员1名。给排水班:班长1名,人数共7名,任务是敷设及安装给排水及采暖 。三、主要施工机具需用量计划冲击钻750W1台;300W型号电钻2台;电锤1000W型1台。四、工程质量目标规划分部工程分部质量评价子分部工程子分部质量评价分项 工程分项质量 评价建筑给水、排水及采暖安装工程好室内给水系统好给水管道及配件安装好室内排水系统好排水管道及配件安装好卫生器具安装好卫生器具安装好卫生器具给水及配件安装卫生器具排水及配件安装室内采暖系统好管道及配件安装好辅助设备及散热器安装五、施工方案及施工布置(一) 施工方案(1) 给水系统:给水系统的供水方式 由 下而上供水 主管道由给水市政管网直埋地敷设至各进入点然后用DN50 PP-R管引至各立管,通过各给水立管由下而上分配到一至五层各用水点及五顶水箱,给水管采用给水PP-R管。(2) 排水系统:采用重力流汇合排放,污水由各排水点分别汇集于排水主干管后,提水室外污水检查井内,沿排水主管排至化粪池,经处理后排水市政管网。排水管除出屋面部分采用铸铁管外,埋地部分及室内部分采用PVC-U管,卫生器具主要有座便器,洗手盆、洗涤盆、托布池等。(3) 采暖系统形式:为上供上回双管机械循环,采暖管道采用PP-R管,热熔连接。散热器采用铜铝复合型暖气片,每片散热面积为0.6,进出散热器的支管管径为DN20,水平支管严禁反坡,在每组散热器上安装手动跑风一个。(二)、施工布置原则1、 集中力量,保重点,保工期,在人力,物力,机具上给 该工程以充分保证,各专业管理工作协助指导,施工班子组织好施工工作,搞好各方面协调配合。2、 组织配合施工,穿插作业,重点部位抢工。该工程施工配合量大而广,暗设在楼地面,墙体内的管道必须配合土建主体施工作业而进行,在抹灰施工作业期间配合组织安装抢工,组织穿插相关安装项目作业,组织内部各工种流水作业以达到土建、安装及内部各工种之间互创施工条件3、 推行先进施工方法和施工机具,提高机械化作业水平和提高工效。(三) 安装与土建的施工配合1、预留预埋配合,预留人员按施工图进行预留预埋,预留中不得随意损伤建筑物钢筋,与土建有矛盾处,各工种与土建协商处理,在楼地坪变更增加的埋管,必须在未做地坪前补埋,墙体上留进主管进入孔,由设计确定或安装有关工种在现场与土建施工单位商定由土建留孔。2、卫生间施工配合,在土建施工主体时配合进行安装留孔,安装时由土建给定楼地坪标高基准,装好卫生器具及地漏后,土建在做地坪(土建施工不得损坏安装管口)的防水措施。3、施工用电及场地使用配合,因施工工种多,穿插作业多,对施工用电、现场交通及场地使用应在土建统一安排下协调解决,以达到互创条件的目的。4、成品保护的配合。安装施工不得随意在土建墙体上打洞,因特殊原因必须打洞,应与土建协商确定位置与孔洞大小,安装施工中应注意对墙面的保护,避免污染,通过工程项目部与各施工单位协商共同搞好安装成品保护,土建施工人员不得随意搬动已安装好的管道、阀门,未交工的厕所不得用,作业时不得利用已安装好的下水管的排泥浆,不得随意取走预埋管道管口的管堵。检验批的划分分部工程子分部工程分项工程检验批划分 建筑给水排水及采暖室内给水系统给水管道及配件安装每层一个室内排水系统排水管道及配件安装每层一个卫生器具安装卫生器具排水配件安装每层一个卫生器具安装每层一个卫生器具给水配件安装每层一个室内采暖系统管道及配件安装每层一个辅助设备及散热器安装每层一个六、施工技术质量安全措施(一) 技术措施1、预留预埋措施(1) 为落实预留预埋工作,保证预留预埋质量,现场由管道班级及项目工程师组成综合预留预埋组,负责工程全部预留预埋工作。(2) 预留预埋必须弄清工作做到不渗不漏,同时做好预埋件加工准备和预留预埋技术交底及质量进度检查。(3) 为防止预留埋管堵塞,应确定专人巡视。(二)质量保证措施1、 层层落实各级(特别是项目管理班子)的质量责任制,建立在项目工程师指导下,以项目工程师为首的具有实效的项目工程师质量保证体系。2、 项目工程师组织各专业工长做好工前技术准备,各专业工长按本组织设计及施工图纸,规范要求和工程具体情况,编制分部工程施工方案,向班组作业人员进行方案交底。3、 严格按图纸施工,严守工艺操作工程,施工中的合理化建议,按技术管理程序上报,未经设计部门审核同意,不得擅自变更和修改设计,严禁违章作业。4、 与工程施工进度同步,各专业工长应按公司下发的有关工程竣工资料收集整理文件,搞好工程竣工资料收集整理。5、 加强预留预埋工作管理,指定专人组织和管理预埋工作,保证管理、预埋件和预留洞口的准确性,严禁在墙、柱、板上随意开孔打洞,若设计变更增加等原因必须打洞,要征得设计单位和甲方的同意且要落实补强措施,隐蔽工程完工,及时会同甲方和监理方验收。6、 项目工程师定期组织工程质量检查,分公司检查技术管理部门组织有关人员不定期对工程施工质量进行监督检查。7、 班组应做好工序质量以保证工程整体质量,各专业工长应按分项工程向班组交待施工要求,项目质检员对工序质量实施监督检查。8、 工程材料必须达到质量合格,且具有合格证或材料证书,不合格的材料不得进入施工现场,施工现场的材料人员负责对进场材料检查验收。9、 施工所使用的计量器必须是周检有效期内的合格器具,安装工程中所设置的仪表,安装前应送检合格。10、 现场施工及作业人员必须虚心接受甲方及各级质监人员的监督及时整改质量问题。11、 加强质量安全意识教育,组织现场施工班组开展以“工期、质量、安全”为课题的QC小组活动,开展质量竞赛活动。(二) 安装成品保护措施1、 分水器安装后包扎塑料薄膜保护,箱钥匙交专人保管。2、 对安装施工中的给排水、卫生器具应采取临时封堵措施,对安装好的管道,采取必要的防表面污染措施,现场应组织成品保护小组对安装成品、半成品等进行巡护。3、 安装期间,建筑墙面、天棚、梁柱,严禁油漆污染,并由质检员进行监督。(三)安全文明施工重点1、 目标:创文明施工现场,杜绝重伤死亡事故,轻伤事故小于5。2、 建立以项目经理为组长组成的现场专职质安员及各专业工长施工班组长安全领导小组,负责施工现场安全及文明生产的管理、监督和协调工作。3、 由项目施工班子抓好项目人员安全教育,搞好现场文明生产宣传,增强职工安全意识。4、 由各专业工长搞好施工安全措施的指定落实交底施工组织结合施工,现场情况及施工工作的内容,有针对性的组织职工学习建筑安装工人安装技术操作规程。5、 现场安全领导小组定期(每周一次)组织现场安全文明生产检查,协助项目班子抓好现场安全文明生产管理。6、 针对该工程配合交叉作业面广,时间长,现场必须抓好物体打击及防高空坠落措施。7、 该工程抢工期间,夜间作业多、施工机具使用量大,现场必须采取有效措施。8、 该工程参战单位多、人员杂,将建立安装现场保卫小组落实防盗措施,并由公司保卫部门协助项目班子搞好治安、消防及保卫工作。9、 现场应做好材料,设备进场计划,配合土建做好平面布置,保证施工道路畅通,管道、设备试压有排水措施。(七)明确岗位责任制,组织学习安图纸,施工组织设计,作好技术交底工作,建立技术考核制度。实行“三检制” 项目质量保证体系网络图公司经理技术经理质量科安全 科材料科项目经理技术员土建安装技术员施工员、工长班组兼职质检员八、施工准备(1) 由项目经理组织施工人员熟悉、审查图纸,学习施工组织设计,做好技术交底和安全交底,编制技术措施,依据公司质量管理文件来指导施工。(2) 学习各分项工程的施工工艺和安全操作规程,培训施工人员,掌握新技术、新工艺,培训合格后方可上岗。九、主要项目施工方法在土建施工阶段,安装配合交如下:主体施工预留预埋 ,装修工程安装就位 ,试压 , 竣工清理 。 (1) 给水工程:埋地部分的水压试验压力采用1 .25Mpa,在10分钟内降不大于0.05Mpa,然后降至工作压力,进行外观检查,不渗不漏为合格,最后进行系统清洗,以流出的水颜色与介质相同为合格,按系统清洗做好记录。(2) 排水工程:排水管采用PVC-U,其横管与立管有连接应采用45度三通加胶粘结牢固,出户管严禁铺设在冻土以上和未经处理的松土上,其埋地部分在埋设以前要做灌水试验,灌水高度必须高于一层器具存水地面,堵好化粪池上的管口以后,灌满水,15分钟后,再满水5分钟,其底层地面高度排水管上口液面无下降,各接口无渗漏为合格,然后隐藏,同时做好记录。 排水管安装完毕后,要做通水、通球试验。球径要适宜,当管径为50-70mm时,球径是其管径的70%,管径为100mm时,其球径为管径的75%,球质为本球或橡胶球,并做好记录。 通水试验,按立管系统进行,每个系统做一次,仅做一次记录;试验时,同时开启不小于给水系统的3/I的配水点,当各部件工作正常,排水畅通,无渗漏时为合格,并做好记录。 卫生器具要做好盛水试验,并注明管线名称,试验部件、数量、卫生器具深度,注水深度,凡带有逆水口的,在其下部盛水时间为24小时不出现渗漏为合格,并做好试验记录。(3) 采暖工程:1. 室内埋地部分管道安装时,敷设垫层预留槽内并做现场标记,用不大于1米间距的管卡固定,拐弯处不大于0.7米,埋设在垫层内的管道可采取在暗管道小于10厘米内加软塑料套管等。保温措施,以防地面开列,埋设在垫层内的管道,用细纱材料进行填充。隐蔽和搅拌养护过程中应采取充压隐蔽。沟槽管顶覆盖层的厚度不应小于80mm。2. 散热器支管长度超过1.5米时应在支管上安装管卡。3. 管道金属支架和设备的防腐和涂漆应附着良好,无脱皮气泡流淌和漏涂缺陷。4. 辅助设备及散热器安装:散热器支托架安装位置准确埋设牢固,散热器的支架、托架数量符合设计或产品说明书要求。5. 散热器背面与装饰后的墙面安装距离:散热器背面与墙表面距离允许偏差3mm;与窗中心线或设计定位允许偏差20mm;散热器垂直度允许偏差3mm6. 系统安装完后应在隔断过锅炉和膨胀定压装置对系统排气后进行试验:试验压力为0.6Mpa为合格,并做好试验记录。十、主要材料计划表名称规格数量单位使用部位备注PVC塑料排水管DN16080米排水工程DN110390米排水工程DN75710米排水工程45°弯头DN16033个排水工程DN10160个排水工程DN7531

    注意事项

    本文(公司办公楼水暖设施施工组织设计方案.doc)为本站会员(p**)主动上传,第壹文秘仅提供信息存储空间,仅对用户上传内容的表现方式做保护处理,对上载内容本身不做任何修改或编辑。 若此文所含内容侵犯了您的版权或隐私,请立即通知第壹文秘(点击联系客服),我们立即给予删除!

    温馨提示:如果因为网速或其他原因下载失败请重新下载,重复下载不扣分。




    关于我们 - 网站声明 - 网站地图 - 资源地图 - 友情链接 - 网站客服 - 联系我们

    copyright@ 2008-2023 1wenmi网站版权所有

    经营许可证编号:宁ICP备2022001189号-1

    本站为文档C2C交易模式,即用户上传的文档直接被用户下载,本站只是中间服务平台,本站所有文档下载所得的收益归上传人(含作者)所有。第壹文秘仅提供信息存储空间,仅对用户上传内容的表现方式做保护处理,对上载内容本身不做任何修改或编辑。若文档所含内容侵犯了您的版权或隐私,请立即通知第壹文秘网,我们立即给予删除!

    收起
    展开