欢迎来到第壹文秘! | 帮助中心 分享价值,成长自我!
第壹文秘
全部分类
  • 幼儿/小学教育>
  • 中学教育>
  • 高等教育>
  • 研究生考试>
  • 外语学习>
  • 资格/认证考试>
  • 论文>
  • IT计算机>
  • 法律/法学>
  • 建筑/环境>
  • 通信/电子>
  • 医学/心理学>
  • ImageVerifierCode 换一换
    首页 第壹文秘 > 资源分类 > DOC文档下载
    分享到微信 分享到微博 分享到QQ空间

    住宅楼建筑节能施工方案9.doc

    • 资源ID:954624       资源大小:1.79MB        全文页数:46页
    • 资源格式: DOC        下载积分:10金币
    快捷下载 游客一键下载
    账号登录下载
    三方登录下载: 微信开放平台登录 QQ登录
    下载资源需要10金币
    邮箱/手机:
    温馨提示:
    快捷下载时,如果您不填写信息,系统将为您自动创建临时账号,适用于临时下载。
    如果您填写信息,用户名和密码都是您填写的【邮箱或者手机号】(系统自动生成),方便查询和重复下载。
    如填写123,账号就是123,密码也是123。
    支付方式: 支付宝    微信支付   
    验证码:   换一换

    加入VIP,免费下载
     
    账号:
    密码:
    验证码:   换一换
      忘记密码?
        
    友情提示
    2、PDF文件下载后,可能会被浏览器默认打开,此种情况可以点击浏览器菜单,保存网页到桌面,就可以正常下载了。
    3、本站不支持迅雷下载,请使用电脑自带的IE浏览器,或者360浏览器、谷歌浏览器下载即可。
    4、本站资源下载后的文档和图纸-无水印,预览文档经过压缩,下载后原文更清晰。
    5、试题试卷类文档,如果标题没有明确说明有答案则都视为没有答案,请知晓。

    住宅楼建筑节能施工方案9.doc

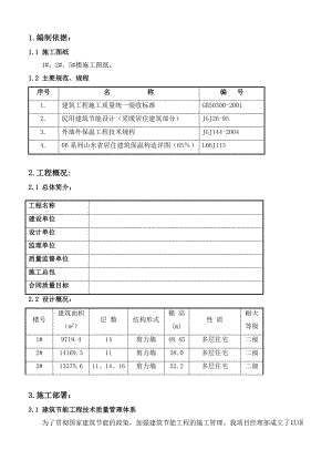
    1.编制依据:1.1 施工图纸1#、2#、5#楼施工图纸。1.2 主要规范、规程序号名 称编 号1.建筑工程施工质量统一验收标准GB50300-20012.民用建筑节能设计(采暖居住建筑部分)JGJ26-953.外墙外保温工程技术规程JGJ144-20044.06系列山东省居住建筑保温构造详图(65)L06J1132.工程概况:2.1 总体简介:工程名称建设单位设计单位监理单位质量监督单位施工总包合同质量目标2.2 设计概况:楼号建筑面积(m2)层 数结构形式檐 高(m)性 质耐火等级1#9719.414剪力墙48.45多层住宅二级 2#14169.311剪力墙38.0多层住宅二级5#13375.611、14、16剪力墙52.2多层住宅二级3.施工部署:3.1 建筑节能工程技术质量管理体系为了贯彻国家建筑节能的政策,加强建筑节能工程的施工管理。我项目经理部成立了以项目经理为组长;项目执行经理、项目技术负责人为副组长的建筑节能工程施工领导小组,其机构组成、人员编制及责任分工如下:组 长:xxx(项目经理)负责组织协调工作副组长:xxx(执行经理)负责现场施工指挥、质量监督工作xxx(技术负责)技术总部署、方案编制及交底组 员:xxx、xxx、xxx、xxx、xxx现场施工管理、协调3.2 质量保证体系以质量生存、求发展是我公司的质量方针。我项目经理部通过认真学习建筑节能工程相关规程、规范、标准,强化质量意识,建立了行之有效的规范化质量管理体系,能够使建筑节能工程的各项工作均处于良好的受控状态。在施工过程中,我项目经理部将严格按照相关规程、规范、标准等执行。为完成好本工程的建筑节能工程,根据本工程的特点,我项目经理部将对以下环节作为建筑节能工程的质量控制点:(1)分包单位的选择:建筑节能工程的分包单位,应选择有类视工程施工经验的队伍,并对其在施工程(或已完工的工程)进行考察。(2)建筑节能材料的检验A. 建筑节能材料须有本市材料准用证、检验报告及出厂合格证,主要材料必须有材料交易证。B.材料使用前必须经复试合格后方能使用。对特殊材料须进行放射性物质及有害气体的环保检验。(3)制定相应技术措施,作好工序过程控制。A.施工前应做好图纸审查工作,将技术关口前移。施工前认真编好作业指导书,做好技术交底。B.施工过程中严格执行三检制和样板引路制度,做好预测预控及全方位的过程控制。C.做好技术复测及资料整理工作,主要材料及施工过程操作要留有痕迹,具有可追溯性。D.对关键部位及特殊工序要责任到人,从“人、机、料、法、环”五个方面进行控制。E.做好各专业接口及预留预埋的专业检查。3.3 本工程采用的建筑节能措施主要有:外剪力墙110mm厚聚苯板与砼同时浇筑外砖墙采用150mm、120mm厚煤矸石空心砖墙外贴110mm、60mm厚聚苯板(XPS)保温层;地下室负一层顶板粘贴66mm厚EPS机制复合保温板屋面采用倒置式坡屋面,挤塑聚苯板(XPS)保温层厚100;门窗:采用铝合金窗单框(断桥)中空玻璃窗、分户门采用成品防火防盗保温隔声等性能的金属门板;楼梯间隔墙(含前室)走道、电梯井道内壁及楼层分户隔墙抹20厚ZL胶聚苯颗粒保温砂浆;本工程空调系统采用砼顶板辐射供冷(暖)置换通风系统4.施工计划 4.1劳动力计划本工程的建筑节能工程。其中,外墙挤塑型聚苯板(XPS)保温、屋面挤塑型聚苯板(XPS)保温、楼梯间ZL胶聚苯颗粒保温砂浆各组织两个施工队伍分别进行1#、2#施工,外门窗组织一个施工队伍进行施工。分项工程名称1#楼施工人数(人)2#楼施工人数(人)外墙挤塑型聚苯板(XPS)保温4050屋面、地下室顶板聚苯板(XPS)保温2030楼梯间、电梯井及分户墙保温砂浆3050门窗40聚丁烯PB管354.2材料计划材料名称单位工程110(100)厚挤塑型聚苯板(XPS)60(66)厚挤塑型聚苯板(XPS)ZL胶聚苯颗粒保温砂浆门窗1#楼4185.59m2768.32m21096.07m21445.92m22#楼6821.61m2961.56m21375.52m21890.78m25.主要施工方法5.1聚苯板(厚110mm)外保温墙面-现浇式施工方法:采用110厚带燕尾槽的聚苯板与砼墙体一次浇筑成型的方式固定保温板,即在浇灌混凝土墙体前,将保温板置于外模内侧,浇灌混凝土完毕后,保温层与墙体有机的结合在一起。原材料及制品主要性能指标:(一)、聚苯板采用阻燃型聚苯板,其材料性能应符合隔热用聚苯乙烯泡沫塑料(GB10801-89)的各项性能指标。 1、聚苯板主要性能指标表表观密度 ( /m3) W/m.k(W/m.k) 吸水率%(v/v) 氧指数% 拉伸强度MPa 养护时间 (d) 自然养护 6 0 °蒸汽养护 20 0.041 6 30 0.1 42 5 2、 规格尺寸允许偏差 保温板规格尺寸允许偏差表 项次 项目 允许偏差 1 长 ± 10 2 宽 ± 5 3 厚± 3 4 两对角线差 10 说明:1)、聚苯板凹槽线应采用模具成型,尺寸准确,间距均匀;2)、两长边设高低槽,长25,深1/2板厚,要求尺寸准确(二)、无网系统保温板1、 规格尺寸 规格尺寸表 项次长()宽()厚()13025- 3050 (按层高 3000 )1220根据保温要求其它其它规格可根据实际层高协商确定说明:1)、在板的一面有直口凹槽,间距100,深10,要求尺寸准确、均匀。2)、两长边设高低槽,长25,深1/2板厚,要求尺寸准确。2、 规格尺寸允许偏差 规格尺寸允许偏差表 厚度()偏差()长度、宽度()偏差() 75-100± 4 2000- 4000± 83、 构造示意图一: 构造示意图二:铝单板预埋设计单位另出图12345基层墙体保温层防护层干挂构件干挂饰面现浇混凝土墙体燕尾槽聚苯板局部锚固件固定1:2.5防裂砂浆包括预埋件、连接板、连接螺栓、梢钉铝单板一、 施工要点无网系统1、基本做法 本系统是采用阻燃型,一面带有凹凸型齿槽的聚苯板作为现浇混凝土外墙的外保温材料,为加强与表面防裂砂浆层结合牢固和提高聚苯板的阻燃性能,在保温板表面喷涂界面剂。保温板用尼龙锚栓与墙体锚固,它的安装方式是:当外墙钢筋绑扎完毕后,即在墙体钢筋外侧安装保温板,保温板垂直边高低槽之间用苯板胶粘结,按图所示位置放入尼龙锚栓,它既是保温板与墙体钢筋的临时固定措施,又是保温板与墙体的连接措施。然后安装墙体内外竹胶板,浇灌混凝土完毕后,保温层与墙体有机的结合在一起,拆模后在保温板表面抹防裂砂浆外做装饰饰面层。2、 施工工艺聚苯板现浇外墙的安装是在墙体钢筋绑扎完毕、合模前,与其他预埋设施的安装同时进行的。与外贴外保温形式相比可节约工期,同时不影响结构施工。(1)、施工工艺流程:墙基弹线用木方找平保温底面标高线在聚苯板上弹出插接栓位置线按设计位置用电烙铁在板上插孔固定胶结聚苯板(垫水泥垫块形成钢筋保护层)插入尼龙胀栓聚苯板安装质量验收固定模板烫汤穿墙螺栓孔合模在模板上口或门窗洞口处将聚苯板支顶到模板上浇筑混凝土拆模聚苯板面层初步清理对漏装或不易安装部位进行加跑龙套补强边角及门窗洞口处聚苯板进行裁切修补处理抹防水水泥砂浆膨胀缝塞填发泡聚乙烯圆棒填嵌缝膏养护验收。(2)、施工准备:A、技术准备 a、 熟悉各方提供的有关图纸资料。参阅有关施工工艺。做好内业。 b、 了解材料性能,掌握施工要领,明确施工顺序。 c、 在现场对工人进行培训和做技术指导。 B、材料准备 a、 保温材料:厚度按设计、表观密度20/m3自熄型聚苯板。b、 保温板与墙体连接材料:10尼龙锚栓,长度为保温板设计厚度加80。C、机具准备 切割聚苯板操作平台、电热丝、接触式调压器、电烙铁、盒尺、墨斗、砂浆搅拌机、抹灰工具、检测工具。(3)、施工顺序 A 预埋件安装钢筋绑扎经验收合格后,剪力墙外侧安装外墙干挂饰面(铝单板)的预埋件。外墙铝单板由甲方单独分包,预埋件材质、型号及放置位置、间距由甲方所分包专业队伍提供,总包施工。(预埋件必须提前进场加工,与保温板同时安装)B保温板现场拼装、弹线:按设计要求弹出保温层边角位置线及保温底面标高线,并用木方找平外侧保温层底面标高。、锚栓布置:在聚苯板上弹出尼龙锚栓位置线,具体位置见右附图:长度为保温板设计厚度加50。、聚苯板上插孔:在设计插入尼龙锚栓的位置用电烙铁在保温板上插孔。C 保温板安装 a、 绑扎墙体钢筋时,靠保温板一侧的横向分布筋宜弯成L形,以免直筋戳破保温板。绑扎水泥垫块(不得使用塑料卡)。每平方米保温板内不少于3块,用以保证保护层厚度并确保保护层厚度均匀一致。然后在墙体钢筋外侧安装保温板。b、 安装顺序:先安装阴阳角保温构件,再安装角板之间保温板。 c、 安装前先在保温板高低槽口处均匀涂刷聚苯胶,将保温板竖缝之间的相互粘结在一起。 d、 在安装好的保温板面上弹线,标出锚栓的位置。 e、 用110宽、10厚聚苯板片满涂聚苯胶填补门窗洞口两边齿槽形缝隙的凹槽处,以免在浇灌混凝土时的在该处跑浆。(冬施时保温板上可不开洞口,待全部保温板安装完毕后再锯出洞口)。 D 模板安装 本工程采用竹胶板模板 a、 在楼地面弹出外墙线控制线安装模板:当下一层混凝土强度不低于7.5Mpa时,开始安装上一层模板。b、 在安装外墙外侧模板前,挤塑板安装完毕须对钢筋墙处的杂物或挤塑板散落碎屑进行吹仓清理,安装墙体模板时,外模必须固定牢固,且不得严重挤压塑板。外模需擦拭干净,不得涂抹任何脱模剂或溶剂性产品。注:模板安装或下落时不得紧贴挤塑板,防止模板下边缘将插接栓刮掉,造成聚苯板破损。、在聚苯板上穿墙螺栓孔时,可将电烙铁或钢筋头烧热后对准模板上的穿墙螺栓孔烫穿聚苯板。聚苯板上的开孔宜略小于穿墙螺栓直径,以避免漏浆。、将模板就位,穿螺栓紧固较正,连接必须严密、牢固,以防止出现错台和漏浆现象。不得在墙体钢筋底部置定位筋。宜采用模板上部定位。(4)、混凝土浇灌 a、 现浇混凝土的塌落度应180。 b、 为保护保温板上部的企口,应在浇灌混凝土前在保温板槽口处扣上保护帽。保护帽形状如“”型,高度视实际情况而定、宽(保温板厚+模板厚),材质为镀锌铁皮。c、 新、旧混凝土接搓处应均匀浇筑30-50同强度等级的减石混凝土。混凝土应分层浇筑,高度控制在500,混凝土下料点应分散布置,连续进行,间隔时间不超过2小时。 d、 振捣棒振动间距一般应为500,每一振动点的延续时间,以表面呈现浮浆和不再沉落为度。严禁将振捣紧靠保温板。 e、 洞口处浇灌混凝土时,应沿洞口两边同

    注意事项

    本文(住宅楼建筑节能施工方案9.doc)为本站会员(p**)主动上传,第壹文秘仅提供信息存储空间,仅对用户上传内容的表现方式做保护处理,对上载内容本身不做任何修改或编辑。 若此文所含内容侵犯了您的版权或隐私,请立即通知第壹文秘(点击联系客服),我们立即给予删除!

    温馨提示:如果因为网速或其他原因下载失败请重新下载,重复下载不扣分。




    关于我们 - 网站声明 - 网站地图 - 资源地图 - 友情链接 - 网站客服 - 联系我们

    copyright@ 2008-2023 1wenmi网站版权所有

    经营许可证编号:宁ICP备2022001189号-1

    本站为文档C2C交易模式,即用户上传的文档直接被用户下载,本站只是中间服务平台,本站所有文档下载所得的收益归上传人(含作者)所有。第壹文秘仅提供信息存储空间,仅对用户上传内容的表现方式做保护处理,对上载内容本身不做任何修改或编辑。若文档所含内容侵犯了您的版权或隐私,请立即通知第壹文秘网,我们立即给予删除!

    收起
    展开