欢迎来到第壹文秘! | 帮助中心 分享价值,成长自我!
第壹文秘
全部分类
  • 幼儿/小学教育>
  • 中学教育>
  • 高等教育>
  • 研究生考试>
  • 外语学习>
  • 资格/认证考试>
  • 论文>
  • IT计算机>
  • 法律/法学>
  • 建筑/环境>
  • 通信/电子>
  • 医学/心理学>
  • ImageVerifierCode 换一换
    首页 第壹文秘 > 资源分类 > DOC文档下载
    分享到微信 分享到微博 分享到QQ空间

    人工挖孔灌注桩单桩施工记录.doc

    • 资源ID:953928       资源大小:2.42MB        全文页数:46页
    • 资源格式: DOC        下载积分:10金币
    快捷下载 游客一键下载
    账号登录下载
    三方登录下载: 微信开放平台登录 QQ登录
    下载资源需要10金币
    邮箱/手机:
    温馨提示:
    快捷下载时,如果您不填写信息,系统将为您自动创建临时账号,适用于临时下载。
    如果您填写信息,用户名和密码都是您填写的【邮箱或者手机号】(系统自动生成),方便查询和重复下载。
    如填写123,账号就是123,密码也是123。
    支付方式: 支付宝    微信支付   
    验证码:   换一换

    加入VIP,免费下载
     
    账号:
    密码:
    验证码:   换一换
      忘记密码?
        
    友情提示
    2、PDF文件下载后,可能会被浏览器默认打开,此种情况可以点击浏览器菜单,保存网页到桌面,就可以正常下载了。
    3、本站不支持迅雷下载,请使用电脑自带的IE浏览器,或者360浏览器、谷歌浏览器下载即可。
    4、本站资源下载后的文档和图纸-无水印,预览文档经过压缩,下载后原文更清晰。
    5、试题试卷类文档,如果标题没有明确说明有答案则都视为没有答案,请知晓。

    人工挖孔灌注桩单桩施工记录.doc

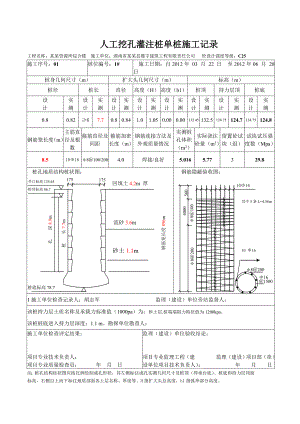
    人工挖孔灌注桩单桩施工记录工程名称:某某资源所综合楼 施工单位:湖南省某某县雄宇建筑工程有限责任公司 砼设计强度等级:C25施工序号:01桩位编号:1#施工日期:自2012年 03 月 22 日 至2012年06 月 20 日 桩身几何尺寸(m)扩大头几何尺寸(m)标高(m)桩径桩长直径高度(H)高度(h1)桩顶持力层顶桩底设计实测设计实测设计实测设计实测设计实测设计实测设计实测设计实测0.80.8267.70.8 0.841.01.050.000.00132.45132.5 124.75124.7124.75124.8钢筋笼长度(m)主筋直径及根数箍筋直径及间距箍筋加密长度(m)钢筋连接方法及外观质量情况实测桩孔体积(m3)实际浇注砼量(m3)留置砼试块(组)试块试压强度数(Mpa)8.510168100/2004.0焊接/良好 5.0165.77 329.8回填土4.2m 厚桩孔地质结构桩状图:井口标高133.65175175桩顶标高86.7钢筋笼长度896m孔深8.9m桩长7.7m流砂3.6m 砂土1.1m桩底标高78.710 16其中5条L=4.56m40001016161500820082008100560钢筋隐蔽验收图:1施工单位检查记录人:胡志军 监理(建设)单位旁站监督人:该桩持力层土质名称及承载力标准值(1000pa)为:砂土层,桩端端阻力特征值为1200kpa。该桩桩底进入持力层深度:1.1 m。勘探单位勘查人:施工单位检查评定结果: 项目专业技术负责人:项目专业质量检查员:年月日监理(建设)单位验收结论:项目专业监理工程(建监理(建设)项目部(章)设单位项目技术负责人):年月日注:桩孔结构柱状图应按比例绘制成孔形状,其左侧标注成孔实测几何尺寸及桩顶(即承台底)、桩底和持力层顶面标高,右侧自上而下标注地质部面各土层名称、厚度等。H指扩大头总高度,h1指弧形部分高度。人工挖孔灌注桩单桩施工记录工程名称:某某县朝阳煤矿棚户区一标段建设工程 施工单位:某某县方圆建筑工程有限公司 砼设计强度等级:C25施工序号:01桩位编号:2#施工日期:自2012年 +月 日 至2012年 月 日 桩身几何尺寸(m)扩大头几何尺寸(m)标高(m)桩径桩长直径高度(H)高度(h1)桩顶持力层顶桩底设计实测设计实测设计实测设计实测设计实测设计实测设计实测设计实测0.90.9 67.5 1.3 1.30.750.750.20.2 钢筋笼长度(m)主筋直径及根数箍筋直径及间距箍筋加密长度(m)钢筋连接方法及外观质量情况实测桩孔体积(m3)实际浇注砼量(m3)留置砼试块(组)试块试压强度数(Mpa)814148100/2004.5焊接/良好 1素填土 5m 厚桩孔地质结构桩状图:桩顶标高88.3175175灌注标高86.8钢筋笼长度8m孔深9m桩长7.5m流泥岩石层 3.5m厚微风化层0.5m 厚桩底标高79.3450014141414142000820082008100560钢筋隐蔽验收图:142000施工单位检查记录人:胡志军 监理(建设)单位旁站监督人:该桩持力层土质名称及承载力标准值(Mpa)为:强风化层,桩端端阻力特征值为10000kpa。该桩桩底进入持力层深度:0.5 m。勘探单位勘查人:施工单位检查评定结果: 项目专业技术负责人:项目专业质量检查员:年月日监理(建设)单位验收结论:项目专业监理工程(建监理(建设)项目部(章)设单位项目技术负责人):年月日注:桩孔结构柱状图应按比例绘制成孔形状,其左侧标注成孔实测几何尺寸及桩顶(即承台底)、桩底和持力层顶面标高,右侧自上而下标注地质部面各土层名称、厚度等。H指扩大头总高度,h1指弧形部分高度。人工挖孔灌注桩单桩施工记录工程名称:某某县朝阳煤矿棚户区一标段建设工程 施工单位:某某县方圆建筑工程有限公司 砼设计强度等级:C25施工序号:01桩位编号:3#施工日期:自2012年 +月 日 至2012年 月 日 桩身几何尺寸(m)扩大头几何尺寸(m)标高(m)桩径桩长直径高度(H)高度(h1)桩顶持力层顶桩底设计实测设计实测设计实测设计实测设计实测设计实测设计实测设计实测0.90.9 67.45 1.3 1.30.750.750.20.2 钢筋笼长度(m)主筋直径及根数箍筋直径及间距箍筋加密长度(m)钢筋连接方法及外观质量情况实测桩孔体积(m3)实际浇注砼量(m3)留置砼试块(组)试块试压强度数(Mpa)814148100/2004.5焊接/良好 1素填土 4.7m 厚桩孔地质结构桩状图:桩顶标高88.25175175灌注标高86.7钢筋笼长度8m孔深9m桩长7.45m流泥岩石层3.8m厚微风化层0.5m 厚桩底标高79.25450014141414142000820082008100560钢筋隐蔽验收图:142000施工单位检查记录人:胡志军 监理(建设)单位旁站监督人:该桩持力层土质名称及承载力标准值(Mpa)为:强风化层,桩端端阻力特征值为10000kpa。该桩桩底进入持力层深度:0.5 m。勘探单位勘查人:施工单位检查评定结果: 项目专业技术负责人:项目专业质量检查员:年月日监理(建设)单位验收结论:项目专业监理工程(建监理(建设)项目部(章)设单位项目技术负责人):年月日注:桩孔结构柱状图应按比例绘制成孔形状,其左侧标注成孔实测几何尺寸及桩顶(即承台底)、桩底和持力层顶面标高,右侧自上而下标注地质部面各土层名称、厚度等。H指扩大头总高度,h1指弧形部分高度。人工挖孔灌注桩单桩施工记录工程名称:某某县朝阳煤矿棚户区一标段建设工程 施工单位:某某县方圆建筑工程有限公司 砼设计强度等级:C25施工序号:01桩位编号:4#施工日期:自2012年 +月 日 至2012年 月 日 桩身几何尺寸(m)扩大头几何尺寸(m)标高(m)桩径桩长直径高度(H)高度(h1)桩顶持力层顶桩底设计实测设计实测设计实测设计实测设计实测设计实测设计实测设计实测0.90.9 67.95 1.3 1.30.750.750.20.2 钢筋笼长度(m)主筋直径及根数箍筋直径及间距箍筋加密长度(m)钢筋连接方法及外观质量情况实测桩孔体积(m3)实际浇注砼量(m3)留置砼试块(组)试块试压强度数(Mpa)8.514148100/2004.5焊接/良好 1桩孔地质结构桩状图:素填土 5.8m 厚桩顶标高88.3175175灌注标高86.85钢筋笼长度8.5m孔深9.4m桩长7.95m流泥岩石层 3.1m厚微风化层0.5m 厚桩底标高 78.3450014141414142000820082008100560钢筋隐蔽验收图:142000施工单位检查记录人:胡志军 监理(建设)单位旁站监督人:该桩持力层土质名称及承载力标准值(Mpa)为:强风化层,桩端端阻力特征值为10000kpa。该桩桩底进入持力层深度:0.5 m。勘探单位勘查人:施工单位检查评定结果: 项目专业技术负责人:项目专业质量检查员:年月日监理(建设)单位验收结论:项目专业监理工程(建监理(建设)项目部(章)设单位项目技术负责人):年月日注:桩孔结构柱状图应按比例绘制成孔形状,其左侧标注成孔实测几何尺寸及桩顶(即承台底)、桩底和持力层顶面标高,右侧自上而下标注地质部面各土层名称、厚度等。H指扩大头总高度,h1指弧形部分高度。人工挖孔灌注桩单桩施工记录工程名称:某某县朝阳煤矿棚户区一标段建设工程 施工单位:某某县方圆建筑工程有限公司 砼设计强度等级:C25施工序号:01桩位编号:5#施工日期:自2012年 +月 日 至2012年 月 日 桩身几何尺寸(m)扩大头几何尺寸(m)标高(m)桩径桩长直径高度(H)高度(h1)桩顶持力层顶桩底设计实测设计实测设计实测设计实测设计实测设计实测设计实测设计实测0.90.9 66.95 1.3 1.30.750.750.20.2 钢筋笼长度(m)主筋直径及根数箍筋直径及间距箍筋加密长度(m)钢筋连接方法及外观质量情况实测桩孔体积(m3)实际浇注砼量(m3)留置砼试块(组)试块试压强度数(Mpa)7.614148100/2004.5焊接/良好 1

    注意事项

    本文(人工挖孔灌注桩单桩施工记录.doc)为本站会员(p**)主动上传,第壹文秘仅提供信息存储空间,仅对用户上传内容的表现方式做保护处理,对上载内容本身不做任何修改或编辑。 若此文所含内容侵犯了您的版权或隐私,请立即通知第壹文秘(点击联系客服),我们立即给予删除!

    温馨提示:如果因为网速或其他原因下载失败请重新下载,重复下载不扣分。




    关于我们 - 网站声明 - 网站地图 - 资源地图 - 友情链接 - 网站客服 - 联系我们

    copyright@ 2008-2023 1wenmi网站版权所有

    经营许可证编号:宁ICP备2022001189号-1

    本站为文档C2C交易模式,即用户上传的文档直接被用户下载,本站只是中间服务平台,本站所有文档下载所得的收益归上传人(含作者)所有。第壹文秘仅提供信息存储空间,仅对用户上传内容的表现方式做保护处理,对上载内容本身不做任何修改或编辑。若文档所含内容侵犯了您的版权或隐私,请立即通知第壹文秘网,我们立即给予删除!

    收起
    展开