欢迎来到第壹文秘! | 帮助中心 分享价值,成长自我!
第壹文秘
全部分类
  • 幼儿/小学教育>
  • 中学教育>
  • 高等教育>
  • 研究生考试>
  • 外语学习>
  • 资格/认证考试>
  • 论文>
  • IT计算机>
  • 法律/法学>
  • 建筑/环境>
  • 通信/电子>
  • 医学/心理学>
  • ImageVerifierCode 换一换
    首页 第壹文秘 > 资源分类 > DOC文档下载
    分享到微信 分享到微博 分享到QQ空间

    中学迁扩建工程围墙、临时设施施工方案.doc

    • 资源ID:953317       资源大小:1.39MB        全文页数:8页
    • 资源格式: DOC        下载积分:10金币
    快捷下载 游客一键下载
    账号登录下载
    三方登录下载: 微信开放平台登录 QQ登录
    下载资源需要10金币
    邮箱/手机:
    温馨提示:
    快捷下载时,如果您不填写信息,系统将为您自动创建临时账号,适用于临时下载。
    如果您填写信息,用户名和密码都是您填写的【邮箱或者手机号】(系统自动生成),方便查询和重复下载。
    如填写123,账号就是123,密码也是123。
    支付方式: 支付宝    微信支付   
    验证码:   换一换

    加入VIP,免费下载
     
    账号:
    密码:
    验证码:   换一换
      忘记密码?
        
    友情提示
    2、PDF文件下载后,可能会被浏览器默认打开,此种情况可以点击浏览器菜单,保存网页到桌面,就可以正常下载了。
    3、本站不支持迅雷下载,请使用电脑自带的IE浏览器,或者360浏览器、谷歌浏览器下载即可。
    4、本站资源下载后的文档和图纸-无水印,预览文档经过压缩,下载后原文更清晰。
    5、试题试卷类文档,如果标题没有明确说明有答案则都视为没有答案,请知晓。

    中学迁扩建工程围墙、临时设施施工方案.doc

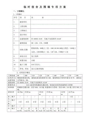
    临 时 宿 舍 及 围 墙 专 项 方 案一、工程概况:1、工程概况序号项 目内 容1建设单位2工程名称3工程地点4设计单位5总建筑面积约30680.91,另地下室面积约1616建筑组成9#15#、17#、19#楼7结构/层数框架结构,9#地上三层,10#11#13#14#地上四层,12#地上五层,15#19#地上一层,11#14#、17#地下1层8承包方式包工包料9质量目标合格10施工工期510日历天。11供电、供水业主已接至现场2、结构设计概况工程组成9#10#11#12#13#14#15#17#19#结构形式抗震等级钢筋砼框架结构,建筑抗震设防裂度为六级。建筑物设计使用年限为50年。建筑安全等级为二级。建筑面积约30680.91,另地下室面积约161桩基形式11#14#采用机械钻孔灌注桩,9#10#15#采用高强预应力管桩桩基规格机械钻孔灌注桩,直径600,345根;高强预应力管桩,直径600,544根,直径500,24根。建筑高度14.72m15.92 m19.52 m15.92 m12.92 m14.72 m建筑层数地下/1层/地上3层4层4层5层4层4层2层/1层层高地下/地上一层4.8米,二层4.5米三层5.13米。一层4.22米,二三层3.6米四层3.58米。一层4.2米二三层3.6米四层3.65米。一层4.23米二四层3.6米五层3.65米。一层4.22米,二三层3.6米四层3.58米。一层4.2米二三层3.6米四层3.65米。一层5.2米,二层6.53米混凝土强度梁板柱采用C30混凝土±0.00相当于黄海高程±0.00相当于黄海高程5.85米,二、施工总平面布置原则 施工总平面布置合理与否,将直接关系到施工进度并能反映现场安全文明管理水平,为保证现场施工顺利进行,确定平面布置原则为:(1)、在满足施工的条件下,尽量节约施工用地。(2)、在满足施工需要和文明施工的前提下,尽可能节约临时设施的建设投资。(3)、在保证场内交通运输畅通和满足施工对材料要求的前提下,最大限度地减少场内运输,特别是减少场内二次搬运。(4)、在平面交通上,要尽量避免土建、安装及其它生产单位相互干扰。(5)、符合施工现场卫生及安全技术要求和防火规范。 根据以上原则结合本工程在结构工程、装修工程三个阶段施工中的具体情况,我们对整个施工过程中各阶段的施工平面总布置有以下设想:三、临时设施1. 临时办公、生活设施布置1)、施工现场要树立以人为本,确保现场人员生命财产安全、临时设施的安全性不能掉以轻心。为保证人身安全及消防安全,临时用房一律采用能满足防火要求的彩钢板搭设。2)、生活区及办公区设置门卫室,来访人员一律登记才能进入。3)、生活区及办公区做好防火措施,在板房上10至20米悬挂一个干粉灭火器。4)、工地临时办公室和临时生活设施是工程的重要组成部分,其具体组成请详参“临时用房一鉴表”。临时用房一览表编号临时设施名称平面尺寸(m)面 积(m2)结 构1二层办公室3 *6*20360彩钢板活动房2二层职工宿舍3 *6*40720彩钢板活动房3浴厕3 * 6 *472彩钢板活动房4钢筋加工棚12*6*2144钢管架简易房5木工车间12*6*2144钢管架简易房6门卫4 *4 *132彩钢板活动房 合计:14722、临时办公室 1)、布置原则: 依据临时办公室设置要尽量靠近临时交通线路,方便工作联系,我们考虑将临时办公室安排在紧靠次大门口,场地北侧的空地上,此位置可满足上述要求。 2)、面积: 根据 工地管理人数及项目部各科室、会议室等的安排 共设20个房间,底层东面两间开通设置会议室,其余18间安排各科室。3)、临时办公室结构形式:临时办公楼采用二层彩钢板结构,临时办公室的开间3m,进深 6m,共20间 S = 3 *6 *20=360 m23、临时生活设施布置1)、布置原则: 在考虑到施工的需要及道路的情况下,我们将职工临时安排在场地北侧并配备了厕所,浴室。2)、面积:临时宿舍人均面积 S = 1.875 * nn: 职工平均人数(按175人计) 所以 S =1.875 * 175 =328m23)、临时生活设施结构:采用二层彩钢板结构,开间3m ,进深 6m,共计40间。S =3 * 6 * 40 = 720 m24、临时生产设施布置 1)、面积:S = 1472 m2其中不包括钢筋模板堆场以及钢筋加工棚。2)、临时生产设施结构:除钢筋、木工加工棚采用开间3m ,进深 6m的钢管架简易彩钢工棚外,其它堆场均为露天堆放。钢:S =6*12*2 =144m2木:S =6*12*2 =144m24、防台措施:1)、临时用房采用钢管压顶与8钢丝绳相连的方法加固,具体操作是:屋顶两根钢管用扣件想扣连,在屋檐处用钢丝绳绑在钢管上,并在钢丝绳外侧扣上扣件,防止钢丝滑出钢管,钢丝绳与地面锚固采用14膨胀螺丝嵌入地面相连,按每个柱龙骨布置一道加固的数量布置每栋临时用房。2)、对施工现场的活动房进行定期检查,发现有安全隐患的地方,立即组织人员进行修整,确保活动房牢固可靠,安全度过汛期。3)、临时用房施工图四、围墙设计与施工本工地四周均设240厚空斗砖砌体,高为2.50m,每隔6m设一砖柱240×360,砌体采用MU10水泥砖,M5水泥石灰砂浆砌筑,砌筑方式为五斗一眠。基础做在原种植土上,承载力标准值为125KN/mm2。基础采用刚性基础(砖砌大放脚),150厚块石和100厚C15砼垫层。1、围墙极限高度H0验算=2*2500/240=20.841·2·=1.2×1×24=28.8所以·,即围墙高度为2.5m,安全。:围墙高厚比H0:围墙计算高度h:围墙厚度1:非承重墙允许高厚比的修正系数2、围墙受压承载力验算围墙自重Ns=18×0.24×1×2.5×1.2=12.96KN围墙高厚比 =H0/h=10.42查表得=0.95fA=0.95×1.58×103×1×0.24=360.24KN所以NsfA,围墙受压承载力满足要求。3、地基承载力计算N/A=12.96/1×0.24=54KN/m2=地基承载力=125 KN/m2所以地基承载力满足要求。4、墙体的自由高度计算考虑风荷载的影响,按温州市的地区、气候特点,风荷载考虑为0.3KN/ m2,则由H极限=20*0.242/(1.41*0.3)=2.72m2.5m综上相关计算,围墙按上述施工能满足安全要求。注意围墙只作防护用,不做任何堆载物的支体。五、施工要求1、本工程采用三斗一眼的砌筑方法,用MU10标准砖,M5混合砂浆砌筑,砌筑时墙面不应有竖向通缝。2、砌筑整砖砌,砌前试摆,不够整砖处加砌丁砖,不得砍凿斗砖。3、砌体灰缝控制在7-13mm,一般为10mm.4、转角处砌成实砌体,砖柱与片墙间互相咬合,接槎严密,保证砖柱和片墙的垂直度。六、安全注意事项1、严防围墙基础遭受雨水强烈冲刷。2、围墙内外各50cm以内严禁堆放材料,以防材料压塌墙体。3、围墙边应有良好的排水措施。4、围墙内外应书写、张贴有关安全、质量宣传标语,字迹醒目美观。七、围墙剖面图八、围墙搭设目的:1、 实行封闭式施工,防止外来无关人员进入施工现场而带来安全隐患。2、 配合门卫实行出入登记制度,加强进出人员登记管理,实行现场内人员的动态管理。3、 防止施工现场材料、设备等失窃事件发生。4、 满足标化施工需要,可以减少噪音、扬尘污染。5、 满足工程需要,有效地将施工现场划定“单元格”,使市容市貌保持整洁、协调。6、 满足公司VIS形象、业主企业形象需要。九、 围墙装饰:1、 墙内外侧粉水泥砂,围墙内外侧粉刷后涂料刷白。2、 围墙布置工程效果图牌、标语及图幅及企业形象牌,图牌内反映本工程概况。大门设门头,标识“公司名称”。3、墙顶每隔3m预埋10,h=150的PVC管,以便今后挂业主、监理、施工单位公司小旗。

    注意事项

    本文(中学迁扩建工程围墙、临时设施施工方案.doc)为本站会员(p**)主动上传,第壹文秘仅提供信息存储空间,仅对用户上传内容的表现方式做保护处理,对上载内容本身不做任何修改或编辑。 若此文所含内容侵犯了您的版权或隐私,请立即通知第壹文秘(点击联系客服),我们立即给予删除!

    温馨提示:如果因为网速或其他原因下载失败请重新下载,重复下载不扣分。




    关于我们 - 网站声明 - 网站地图 - 资源地图 - 友情链接 - 网站客服 - 联系我们

    copyright@ 2008-2023 1wenmi网站版权所有

    经营许可证编号:宁ICP备2022001189号-1

    本站为文档C2C交易模式,即用户上传的文档直接被用户下载,本站只是中间服务平台,本站所有文档下载所得的收益归上传人(含作者)所有。第壹文秘仅提供信息存储空间,仅对用户上传内容的表现方式做保护处理,对上载内容本身不做任何修改或编辑。若文档所含内容侵犯了您的版权或隐私,请立即通知第壹文秘网,我们立即给予删除!

    收起
    展开