欢迎来到第壹文秘! | 帮助中心 分享价值,成长自我!
第壹文秘
全部分类
  • 幼儿/小学教育>
  • 中学教育>
  • 高等教育>
  • 研究生考试>
  • 外语学习>
  • 资格/认证考试>
  • 论文>
  • IT计算机>
  • 法律/法学>
  • 建筑/环境>
  • 通信/电子>
  • 医学/心理学>
  • ImageVerifierCode 换一换
    首页 第壹文秘 > 资源分类 > DOC文档下载
    分享到微信 分享到微博 分享到QQ空间

    路基工程路堑开挖施工技术交底.doc

    • 资源ID:950569       资源大小:88.88KB        全文页数:12页
    • 资源格式: DOC        下载积分:10金币
    快捷下载 游客一键下载
    账号登录下载
    三方登录下载: 微信开放平台登录 QQ登录
    下载资源需要10金币
    邮箱/手机:
    温馨提示:
    快捷下载时,如果您不填写信息,系统将为您自动创建临时账号,适用于临时下载。
    如果您填写信息,用户名和密码都是您填写的【邮箱或者手机号】(系统自动生成),方便查询和重复下载。
    如填写123,账号就是123,密码也是123。
    支付方式: 支付宝    微信支付   
    验证码:   换一换

    加入VIP,免费下载
     
    账号:
    密码:
    验证码:   换一换
      忘记密码?
        
    友情提示
    2、PDF文件下载后,可能会被浏览器默认打开,此种情况可以点击浏览器菜单,保存网页到桌面,就可以正常下载了。
    3、本站不支持迅雷下载,请使用电脑自带的IE浏览器,或者360浏览器、谷歌浏览器下载即可。
    4、本站资源下载后的文档和图纸-无水印,预览文档经过压缩,下载后原文更清晰。
    5、试题试卷类文档,如果标题没有明确说明有答案则都视为没有答案,请知晓。

    路基工程路堑开挖施工技术交底.doc

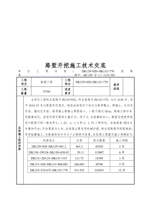
    路堑开挖施工技术交底单位工程名称:DK129+020DK132+770段路基,编号:QRCJ-LJ-JSJD-001工程项目路基工程工程部位DK129+020DK132+770接受班组工程数量2548m进度要求总体施工组织安排本单位工程起点里程为DK129+020,终点里程为DK132+770,全长2548米,其中1819.67米以路堑形式通过。地层由表层向下依次为粉质黏土、根植土、全风化页岩、强风化页岩,粉质黏土根植土厚度较小,一般不超过50cm,路基大部分采用换填形式,岩层开挖可提供大量石方,用于A、B组填料加工。路堑边坡坡率因设计断面不同一般采用1:1.25、1:1.5和1:1.75三种形式,边坡高度+超过8米增加平台,平台宽度为2米。全段落主要采用机械开挖,部分深路堑开挖困难的,采用钻爆施工。本路基段共分为5个主要挖方段落,各段落工程量及施工周期如下:段落起止长度挖方数量施工周期DK129+020DK129+481.2461.2419202周DK130+199.54DK130+638.6529.111156076周DK131+203.25DK131+315111.75147491周DK131+620DK131+886.085266.085307882周DK132+218.475DK132+770551.52523265312周作业方法、操作规程及施工技术要求一、作业方法开挖方式分为一般土质路堑及全风化岩层的机械开挖和石质路堑的爆破开挖两种。二、操作规程1、一般土质路堑及全风化岩层机械开挖土方路堑开挖中,根据路堑开挖深度和纵向长度,采取下列方式进行:机械开挖路堑且弃土运距较远时,采用横挖法,用挖掘机配合自卸汽车进行,设置单独的运土通道及临时排水沟,每开挖层台阶保持在3-4米左右。开挖明槽地段,采用分层纵挖法进行。先沿路堑纵向挖掘一通道,然后将通道两侧拓宽。土层通道拓宽至路堑边坡后,再开挖下层通道。对半侧开挖路堑,沿路堑纵向选择一个或几个适宜处,将较薄一侧堑壁横向挖穿,再纵向开挖时,对傍山卸土的运行通道设向内稍低的横坡,同时留有向外排水的通道。土方路堑开挖到距设计高程差值不大时,在开挖段及时依照设计图进行路堑边坡防护,对坡脚进行加固处理。施工时根据测设边桩位置,采用机械开挖,并留0.30.5m(冬季施工时预留0.8m)的保护层以利于人工修坡。施工时边坡逐层控制,每10m插杆挂线人工修刷。边坡上若有坑穴,采用挖台阶浆砌片石嵌补。路堑开挖至基床表层时,表面做成4%人字排水坡,表面以下地层不得扰动和泥化,可预先保留3050cm(冬季施工时预留0.8m)厚暂不开挖,待基床施工时,将其挖除。3、石质路堑开挖石方爆破施工工艺流程如下图。调,查初步方案试爆、确定参数作业指导书上报审批施工准备:机具、防护、警戒区、财产调查登记覆盖防护布,孔钻,孔调整装药量警,戒检查孔位、孔深、方向装药堵塞网络连接结,束清理、清方、修坡、嵌补起,爆检,查石方爆破施工工艺流程2、石方路堑爆破开挖施工,(1)控制爆破技术要求,严格控制飞石范围、冲击波、地震强度效应等,确保施工现场周围建筑物、人、畜、高压输电线路的安全;维护边坡的稳定,减少爆破对边坡的破坏;控制爆破块度,尽量减少二次破碎工作量;控制爆破噪音和次数。(2)石方爆破施工技术措施,采用预裂爆破法爆破边坡,保证路堑边坡稳定、平整、光滑。深孔爆破及预裂爆破选用钻机钻孔,浅孔爆破风枪钻孔。为减小爆破对边坡的振动破坏,控制爆破大块率,便于装碴施工。路堑石方爆破主要采用硝铵炸药及乳化防水炸药,毫秒雷管进行毫秒微差爆破,同时适当调小炮孔孔距。爆破后大石块用手持风钻钻眼、爆破改小,对满足规范要求的可利用石方,采用挖掘机挖装、自卸车运输至加工厂,不可利用的弃方采用运渣车运至弃土场。路堑边坡应平顺光滑,无明显的凹凸差,边坡突出的个别欠挖部分,人工浅孔爆破凿除清理。边坡上出现的坑洼凹槽人工清除松动岩石,将基座凿平一定宽度的基座面后砌筑嵌补,做到嵌体稳定、表面平顺、周边封严。,路基底面用手持风钻钻眼,浅孔爆破开挖、清理至设计标高,对个别凹凸不平处用级配碎石填平。路堑侧沟用小炮爆破开挖成型。(3)石方路基爆破施工方法,施工准备:,施工前,与具有民爆资质的民爆公司签订相关合同,达成合作协议,采用民爆公司的管理办法和管理流程进行火工品管理和爆破施工。,爆破设计:,施工现场工期要求和人员、设备、开挖高度、钻眼和挖装机械的情况确定梯段分层厚度,钻孔直径和钻孔倾斜角;由岩石性质、临空面等情况,确定爆破参数、起爆顺序和网路设计,报监理工程师批准。,布孔与钻孔:,首先按设计的孔距、排距布孔。对台阶面边沿的孔,要特别注意最小抵抗线不要过小,以防最小抵抗线方向出现飞石。,钻孔要根据设计要求,确保孔位、方向、倾斜角和孔深。每孔钻完后,将岩石粉吹干净,保持孔内洁净。,装药与堵塞:,测量孔深,调整装药量。装药时,要定量定位,要防止卡孔。堵塞的材料选取有一定湿度的粘土,并注意保护好孔中的导爆管。,网路联接:为确保网路准爆,采用双雷管双导爆管网路。起爆雷管待网络联结检查合格后、撤出人员后再联结。,爆破安全警戒与检查:起爆之前,人员及机械撤离到安全区,设置安全警戒哨。爆破之后,暂时不要解除警戒,15分钟后由安全员到现场查看情况,发现哑炮应及时处理,处理完毕后方可解除警戒。,5)、控制爆破施工工艺和方法,施工工艺:边坡爆破时拟采用控制爆破,控制爆破施工工艺流程如下图爆破控制施工工艺图。测量放样起,爆装药、堵塞连接网路炮孔覆盖施工准备钻,眼炮眼布置检查、清理现场爆破警戒进入下一循环爆破控制施工工艺图布眼、钻眼:,先沿设计边坡线按设计坡度布一排预裂炮孔,再沿垂直于线路的方向布置,12排主炮眼,炮眼布置遵循如下原则并根据现场情况进行调整。在作业面位置,用挖掘机挖除土层,用推土机清除浮土,露出岩层。,预裂炮孔参数:孔距0.40.6,孔深L2.22.4(台阶高度按计);主炮孔排距(或最小抵抗线)0.81.0,孔距1.01.2,孔深2.02.2米。,预裂炮孔:线装药密度140150gm,装药结构为:每孔装23卷,2号岩石炸药,堵塞长度0.81.0m(大于,L3及最小抵抗线)。,主炮孔:堵塞长度大于最小抵抗线。钻眼方向为垂直眼,底部为水平眼。,爆破网路联结:,为确保网路准爆,采用双雷管双导爆管网路。起爆雷管待网络联结检查合格、撤出人员后联结。,防护:采用炮被对炮眼进行覆盖防护,炮被用废旧的轮胎剪成条状,编织后用铁丝绑扎。炮被覆盖的方法是:在起爆山体的炮眼表面覆盖炮被,每块炮被四角用粗铁丝拽拉固定在稳定的固定物体上;在炮被上覆盖草垫并放置大块石块压住炮被。起爆:,现场爆破指挥员与驻站联络员联络,确认天窗点,现场工作人员对安全警戒进行检查,以上工作无误后,方可实施爆破。,爆破检查:,爆破之后,暂不要解除警戒,到现场查看,发现哑炮及时处理,处理完毕方能解除警戒。工程质量安全环保措施及标准一、施工质量措施1、施工前应对路基工点的地形地貌及地质情况进行核查、补勘,重点是软土、松软土土石界面等特殊地段,与设计地质情况不符时,应及时上报建设、设计和监理单位。2、施工前应对本段线路范围内的地下管线进行探测核对并采取拆迁或可靠的保护措施。3、施工前应及时完善排水系统,临时排水设施应与原排水系统及永久排水设施相结合,保证施工场地排水通畅。4、路基填料及路基防护所用材料的指标、材料性能应满足设计及有关标准要求。5、路堑施工做好堑顶截、排水,完善排水系统,防止表水冲刷开挖面或局部积水,恶化边界条件,影响边坡稳定,临时排水设施应与原排水系统及永久性排水设施相结合。天沟应及时铺砌或采取其他防护措施。6、路堑应自上而下分级、分段、分层开挖并及时进行防护,严禁掏底开挖。各种防护应在稳定的坡脚和坡体上施工。对防护的坡体表面应先进行处理,保证防护设施与土石坡面密贴结合。路堑开挖应做好土石方开挖与加固防护工程的结合,堑坡形成后应及时进行挡护工程施工,严禁长时间曝露。掩体破碎、土质松散或有水地段宜在旱季施工,并应分段施工,不应长段拉槽挖基、严禁雨天施工土质路堑并同时做好开挖堑坡的临时防护工作。7、路堑开挖应按设计要求的边坡坡率开挖,并应保持坡面平顺,当路堑边坡设有平台时应按设计要求设4的外向排水横坡。8、路堑开挖至基床换填底面高程时,开挖面应平顺整齐,并按照设计做成两侧的横向排水坡,换填底面以下不得扰动和泥化。9、路堑基床换填填料、压实标准应按照路基相应部位填料要求执行。10、软质岩,强风化的硬质岩及土质路堑开挖至基床底层换填底面时,必须加强监测,确保动应力范围内的地基土质均匀,并具有足够的强度与抗变形能力。对土质地基、全风化岩除进行原位测试检测外,还应进行Evd、Ev2、Ev2/,Ev1等检测。对不满足基床相应部位强度要求的,及时通知有关单位并采取加大换填深度或进行加固处理。对有在纵横向土石组合或土质不均地段,应按纵横向过渡段要求进行处理。二、施工质量标准1、认真按照设计及规范要求的质量检测项目、频率进行检验和控制。2、路堑开挖过程中始终保持排水系统畅通。路堑按设计标高排水,临时排水沟与永久排水沟相结合,按现场施工情况,临时排水沟暂时开挖在离边坡坡脚3.1m范围内。3、边坡坡面要平整且稳定无隐患,局部凹凸差不大于15cm,边坡上若有坑穴,采用挖台阶浆砌片石嵌补。边坡防护封闭无变形、开裂。4、石质路堑采用爆破法开挖,严格控制用药量,爆破不得造成边坡隐患和对相邻建筑物的损伤或隐患。5、路堑开挖边坡坡率不应陡于设计值。6、路堑边坡变坡里程应符合设计。7、路堑基床底层范围内不得含有比贯入阻力ps1.8MPa或地基承载力0,小于0.2MPa的土层,否则采用换填、改良或加固处理。8、路堑边坡变坡点位置、边坡及侧沟平台施工的允许偏差、检验数量及检验方法如下表。路堑边坡变坡点位置、边坡及侧沟平台的允许偏差序号检验项目允许偏差检验数量检验方法1变坡点位置±100mm沿线路纵向每100m单侧边坡各抽样检验6点测量仪器测量或

    注意事项

    本文(路基工程路堑开挖施工技术交底.doc)为本站会员(p**)主动上传,第壹文秘仅提供信息存储空间,仅对用户上传内容的表现方式做保护处理,对上载内容本身不做任何修改或编辑。 若此文所含内容侵犯了您的版权或隐私,请立即通知第壹文秘(点击联系客服),我们立即给予删除!

    温馨提示:如果因为网速或其他原因下载失败请重新下载,重复下载不扣分。




    关于我们 - 网站声明 - 网站地图 - 资源地图 - 友情链接 - 网站客服 - 联系我们

    copyright@ 2008-2023 1wenmi网站版权所有

    经营许可证编号:宁ICP备2022001189号-1

    本站为文档C2C交易模式,即用户上传的文档直接被用户下载,本站只是中间服务平台,本站所有文档下载所得的收益归上传人(含作者)所有。第壹文秘仅提供信息存储空间,仅对用户上传内容的表现方式做保护处理,对上载内容本身不做任何修改或编辑。若文档所含内容侵犯了您的版权或隐私,请立即通知第壹文秘网,我们立即给予删除!

    收起
    展开