欢迎来到第壹文秘! | 帮助中心 分享价值,成长自我!
第壹文秘
全部分类
  • 幼儿/小学教育>
  • 中学教育>
  • 高等教育>
  • 研究生考试>
  • 外语学习>
  • 资格/认证考试>
  • 论文>
  • IT计算机>
  • 法律/法学>
  • 建筑/环境>
  • 通信/电子>
  • 医学/心理学>
  • ImageVerifierCode 换一换
    首页 第壹文秘 > 资源分类 > DOC文档下载
    分享到微信 分享到微博 分享到QQ空间

    农二师培训中心综合大楼混凝土施工方案.doc

    • 资源ID:947006       资源大小:77.50KB        全文页数:12页
    • 资源格式: DOC        下载积分:10金币
    快捷下载 游客一键下载
    账号登录下载
    三方登录下载: 微信开放平台登录 QQ登录
    下载资源需要10金币
    邮箱/手机:
    温馨提示:
    快捷下载时,如果您不填写信息,系统将为您自动创建临时账号,适用于临时下载。
    如果您填写信息,用户名和密码都是您填写的【邮箱或者手机号】(系统自动生成),方便查询和重复下载。
    如填写123,账号就是123,密码也是123。
    支付方式: 支付宝    微信支付   
    验证码:   换一换

    加入VIP,免费下载
     
    账号:
    密码:
    验证码:   换一换
      忘记密码?
        
    友情提示
    2、PDF文件下载后,可能会被浏览器默认打开,此种情况可以点击浏览器菜单,保存网页到桌面,就可以正常下载了。
    3、本站不支持迅雷下载,请使用电脑自带的IE浏览器,或者360浏览器、谷歌浏览器下载即可。
    4、本站资源下载后的文档和图纸-无水印,预览文档经过压缩,下载后原文更清晰。
    5、试题试卷类文档,如果标题没有明确说明有答案则都视为没有答案,请知晓。

    农二师培训中心综合大楼混凝土施工方案.doc

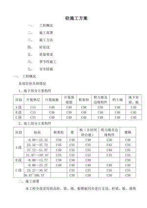
    砼施工方案一、 工程概况二、 施工部署三、 施工方法四、 砼泵送五、 质量要求六、 季节性施工七、 安全措施一、 工程概况各部位砼具体情况1、地下部分主要构件区段片筏垫层片筏底板片筏基础梁框架柱剪力墙及边缘构件档土墙地下室梁、板A段C15C40C40C50C50C40C40B段C15C40C40C40C40C40C40C段C15C40C40C40C40C40C402、地上部分主要构件区段标高框架柱梁板(含封闭阳台板)剪力墙及边缘构件楼梯A段-0.0823.32C50C40C40C50C4023.3237.72C45C35C35C45C3537.7251.97C40C35C35C40C3551.97107.87C35C35C35C35C35B段-0.0813.77C30C30C30C30C段-0.0825.27C40C40C40C40C4025.2736.87C35C35C35C3536.87106.57C30C30C30C30二、施工部署 本工程全部采用商品砼,梁、墙、板模板同步进行支设,柱梁、板、墙体采用泵送。地下室及首层采用汽车泵浇筑,三层以上结构砼采用HB60地泵,垂直输送管分别置于主楼楼梯管道井,泵管随结构施工同步提升,与顶板用架子管顶牢并加固。 根据施工工序及工期安排,砼浇筑尽量安排在白天进行,若砼浇筑量较大,白天不能浇筑完,需要夜间继续浇筑 ,现场管理人员分成两班,每班要有各专业有关领导及施工人员跟班作业,负责检查,同时做好各项协调工作。三、施工方法1、准备工作(1)钢筋的隐检工作已经完成,并已核实预埋件,线管、孔洞的位置,数量及固定情况无误。(2)模板的预检工作已经完成,模板标高,位置、尺寸准确符合设计要求,支架稳定,支撑和模板固有定可靠,模板接缝严密,符合规范要求。(3)由商品砼搅拌站试验完确定配合比及外加剂用量。(4)砼浇筑前组织施工人员进行方案的学习,由技术部门讲述施工方案,对重点部位单独交底,做到人人心中有数。(5)浇筑砼用的架子,走道工作平台,安全稳固,能够满足浇筑要求。(6)砼浇筑前,仔细清理泵管内残留物,确保泵管畅通,仔细检查井字架加固情况。(7)各流水段结合部位施工缝均采用多层钢丝网封堵。(8)提前签订商品砼供货合同签订时由技术部门提供具体供应时间、标号、所需车辆数量及其间隔时间,特殊要求如抗渗、防冻剂、入模温度、水泥及预防砼碱集料仅应所需提供的资料等。2、主要措施(1)商品砼供应商编制预防砼碱集料反应的技术措施,必须确保砼不发生碱集料反应损害,浇筑每部位砼前预先上报配合比及所选用各种材料的产地、碱活性等级,各项指标检测及砼碱含量的评估结果,砼要用低活性集料配制,其砼含碱量不得超过5kg/m3。(2)为增强砼可泵性,在砼中掺入适量的粉煤灰和减水剂,掺量必须过产验确定。为保证砼的缓凝时间达到46h,能够满足砼出机运至现场具有可泵送料条件,在砼中掺入适量的缓凝剂,严禁在砼中加水,砼入泵坍落度控制在160180mm。(3)施工流水段划分详见施工总方案。(4)流水段施工缝处理措施所有施工缝均采用钢丝网,根据钢筋保护层厚度及钢筋间距切口分隔,在下一流水段砼浇筑前,进行施工缝处理,处理前先在砼边缘弹通线,用无齿锯切以保证施工缝顺直。切割时严格控制切割深度,以防触动钢筋。施工缝浮浆层剔除后砼浇水湿润,施工缝处理必须待砼强度达到1.2mpa后进行。(5)施工缝留置位置地下室筏板尽可能一次性全面浇筑或按后浇带划分浇筑,不留施工缝。柱施工缝留在梁下皮以上1cm,墙施工缝留在板(梁)下皮以上1cm。楼梯施工缝留在楼梯所在楼层休息平台,上跑(去上一层)1/3楼梯踏步处。地下室底板与墙体交接处,施工缝留在底板上表面以上300500mm处,且放遇水膨胀止水条,墙与顶板相交处施工缝留在顶板底口往下200mm处,且放遇水膨胀止水条。(6)砼浇筑垫层砼分区段浇筑,采用平板振捣器振捣表面抹平压光。底板砼连续浇筑,在浇筑砼前,对模板内的杂物和钢筋上的油污清理干净,对模板的缝隙和孔洞予以堵严。混凝土墙采用循环浇筑,每次浇筑高度根据现场使用振捣捧(50棒或30棒)而定,为其有效长度的1.25倍,(50棒应为43.75cm,取40cm,30棒应为33.75cm取30cm),下灰厚度严格控制。梁板砼浇筑采用泵送方式,现浇板面应搓平。3、施工顺序(1)清在砼浇筑前先将模板内杂物清扫干净。(2)砼浇筑和振捣一般要求。 本工程分段、分区流水施工,每一流水段内砼连续浇筑,如必须间歇,间歇时间尽量缩短,并在下层砼初凝前将上层砼浇筑完毕。浇筑砼时为防止砼分层离析,砼由料斗、泵管内卸出时,其自由倾浇高度不得超过2m,超过时采用串筒或斜槽下落,砼浇筑时不得直接冲击模板。浇筑竖向砼结构前,底部应先填以3050mm厚的同配合比去石子砂浆。浇筑砼时放专人看模,经常观察模板、支架、钢筋、预埋件和预留孔洞的情况,当发生变形移位时立即停止浇筑,并在已浇筑的砼初凝前修整完好。使用30棒或50棒插入式振捣棒要快插慢拔,插点呈梅花型布置,按顺序进行,不得遗漏,移动间距不大于振动棒作用半径的1.5倍(50棒应为52.5cm取50cm,30棒应为40.5cm取40cm)振动上一层时插入下一层砼5cm以消除两层间的接缝。平板振动器的移动间距,保证振动器的平板能够覆盖已振实部分的边缘,振捣时间以砼表面出现浮浆及不出现汽泡,下沉为宜。(3)垫层砼浇筑基槽验收合格后,钉控制桩(8×8m)用泵车进行砼浇筑,砼振捣采用平板振捣器振捣,砼振捣密实后,以钢筋棍上标高及水平标高小棉线为工程检查平整度,高的铲掉,凹的补平,用水平刮杆刮平,表面再用木抹子搓平,最后用铁抹子压光。()底板砼浇筑筏板砼采用商品砼,罐车运输,汽车泵交换输送砼的泵管采用100的无缝直管,为保证板的整体性,砼一次连续浇筑完毕,不留垂直施工缝。底板商品砼强度等级为C40,坍落度为160180mm,要求使用水化热较低的矿渣水泥,并掺入膨胀剂,缓凝剂,减水剂以保证底板砼的各性能指标。尽量降低砼配合比的水量和水泥用量。(5)柱、墙砼的浇筑 柱、墙砼浇筑前要先填35cm,与砼同配比减石子砂浆,柱墙砼分层浇筑。分层振捣,每次浇筑厚度根据现场使用振捣棒而定,为其有效长度的1.25倍,浇筑厚度采用尺杆配手把灯加以控制。墙洞口两侧砼高度保持一致,必须同时下灰,同时振捣,以防止洞口变形,大洞口下部模板开口补充振捣,后封闭洞口留设透气孔,振捣棒不得触动钢筋和预埋件,除上面振捣外下面要有人随时敲打模板柱,查是否漏振。墙体浇筑时振捣棒每隔6米放一台,不得来回搬动,柱、墙分两层浇筑时,在浇筑上一层砼前必须将施工缝边缘松散混凝土敲掉,以保证施工缝处混凝土质量。(6)梁、板砼浇筑梁板按框架格顺序浇筑,每框架格先将梁根据高度分层浇筑成阶梯形,当达到板底位置时即与板的砼一起浇筑,随着阶梯形的不断延展,则可连续向前推进。梁帮及梁底部位要用30或50插入式振捣棒振捣密实,振捣时不得触动钢筋和预埋件。梁、柱节点钢筋较密时要用小直径振捣棒振捣,并加密棒点。浇筑板的砼虚铺厚度要略大于板厚,振捣完毕后用1.54m刮杠刮平,用木抹子抹平,并拉线检查板面平标高,严格控制平整度,尤其墙柱根部。(7)楼梯砼浇筑楼梯砼自下而上浇筑,先振实底板砼,达到踏步位置后再与踏步砼一起浇筑,不断连续向上推进,并随时隔不久用木抹子将踏步上表面抹平。(8)砼浇筑完毕及浇筑过程中放专人清理落地灰及玷污成品上的砼颗粒(配水管及消防水管)。(9)砼养护A、打完垫层、底板后立即铺放塑料薄膜对砼进行养护,柱子拆模后立即用塑料薄膜将柱子包裹好,进行保养。B、养护时间不少于7天,其中有抗渗要求的(1.2mpa)的砼养护不少于14天,大体积砼养护不少于15天。(10)试块制作常温制28天标养试块及备用试块,同条件试块(顶板三组一组用于1.2mpa,一组用于拆模,一组结构实体检验用,墙体二组,一组用1.2mpa,一组用于结构实件检验)同条件试块置于现场 加锁铁笼中做好标识同条件养护,有抗渗要求的按规定留置试块。(11)泵送砼要求泵送砼时,砼泵的支腿完全伸出,并插好安全锁。砼泵启动后,先泵送适量水以湿润砼泵的料斗,网片及输送管的内壁等直接与砼接触部位。砼的供应,必须保证输送砼的泵能连续工作。输送管线直、转弯缓、接头严密。泵送砼前,先泵送砼内除粗骨料外的其他成分相同配合比的砂浆。开始泵送时,砼泵处于慢速,匀速并随时可反泵的状态。泵送速度先慢后快,逐步加速。同时,观察砼的压力和各系统的工作情况,待各系统运输顺利后,方可以正常速度进行泵送。砼泵送连续进行,如必须中断时其中断时间超过2小时,必须留置施工缝。泵送砼时,活塞保持最大行程运转,砼泵送过程中,不得把拆下的输送管内的砼堵塞时,采取下列方法排除。 a)重复进行反泵和正泵,逐步收出砼至料斗中,重新搅拌后泵送。b)用木棍敲击等方法,查明堵塞部位,将砼击碎后,重复进行反泵和正泵,排出堵塞。c)当上述两种方法无效时,在砼卸压后,拆除堵塞部位的输送管排出砼堵塞物后,方可接管,重新泵送前先排出管内空气后方可拧紧接头。 向下泵送砼时,先把输送管上气阀打开,待输送管下段砼有了一定压力时,方可关闭气阀。砼泵送即将结束前,正确计算尚需用砼数量,并及时告知砼搅拌站。泵送过程中,废弃的各泵送终止时多余的砼,按预先确定的处理方法和场所,及时进行妥善处理。泵送完毕时,将砼泵和输送管清洗干净。排除堵塞,重新泵送或清洗砼泵时,布料设备出口朝安全方向,以防堵塞物或废浆高速飞出伤人。在泵送过程中, 料斗内具有足够的砼,以防止吸入空气产生阻塞。四、砼泵送商品混凝土由库尔勒神州混凝土有限责任公司提供,厂家负责从混凝土生产地运到施工现场。汽车泵、拖式泵由厂家负责由厂家负责安装调试,电源由施工现场负责解决。五、质量要求1、商品砼要有出厂合格证,砼所用的水泥、骨料、外加剂等必须符合规范及有关规定,使用前检查出厂合格证及有关试验报告。2、砼的养护和施工缝处理必须按施工质量验收规范规定与本方案的要求执行。3、砼强度的试块取样,养护和试验符合规定。4、砼振捣密实,不得有蜂窝、孔洞、露筋、缝隙、夹渣等缺陷。5、在预留洞口大于1m的洞底,在洞底平模处开振捣口和观察口,避免出现缺灰或漏振现象。6、钢筋模板工长限班作业,发现问题及时解决,同时设专人看钢筋、模板。7、浇筑前由生产部门注意天气变化,如有大雨、缓时开盘,并及时通知搅拌站,如正在施工中天气突然变化,原则是小雨不停,大雨采取防护措施,其措施是:已浇筑完的砼面用塑料薄膜覆盖,正在浇筑的部位采用搭设防水棚。8、浇筑时要有专门的铺灰人员指挥浇筑,切忘“天女散花”分配好清理人员和抹面人员,楼板必须用1.54m刮杠刮平。9、做好砼浇筑记录。10、每次开盘前必须做好开盘鉴定,经理部技术人员与搅拌技术人员同时签认后方可开盘,并且随机抽查砼配合比情况。11、现浇结构时允许偏差及检验方法项 目允许偏差检验方法轴线位置基础15钢尺检查独立基础10钢尺检查墙、柱、

    注意事项

    本文(农二师培训中心综合大楼混凝土施工方案.doc)为本站会员(p**)主动上传,第壹文秘仅提供信息存储空间,仅对用户上传内容的表现方式做保护处理,对上载内容本身不做任何修改或编辑。 若此文所含内容侵犯了您的版权或隐私,请立即通知第壹文秘(点击联系客服),我们立即给予删除!

    温馨提示:如果因为网速或其他原因下载失败请重新下载,重复下载不扣分。




    关于我们 - 网站声明 - 网站地图 - 资源地图 - 友情链接 - 网站客服 - 联系我们

    copyright@ 2008-2023 1wenmi网站版权所有

    经营许可证编号:宁ICP备2022001189号-1

    本站为文档C2C交易模式,即用户上传的文档直接被用户下载,本站只是中间服务平台,本站所有文档下载所得的收益归上传人(含作者)所有。第壹文秘仅提供信息存储空间,仅对用户上传内容的表现方式做保护处理,对上载内容本身不做任何修改或编辑。若文档所含内容侵犯了您的版权或隐私,请立即通知第壹文秘网,我们立即给予删除!

    收起
    展开