欢迎来到第壹文秘! | 帮助中心 分享价值,成长自我!
第壹文秘
全部分类
  • 幼儿/小学教育>
  • 中学教育>
  • 高等教育>
  • 研究生考试>
  • 外语学习>
  • 资格/认证考试>
  • 论文>
  • IT计算机>
  • 法律/法学>
  • 建筑/环境>
  • 通信/电子>
  • 医学/心理学>
  • ImageVerifierCode 换一换
    首页 第壹文秘 > 资源分类 > DOCX文档下载
    分享到微信 分享到微博 分享到QQ空间

    浆水平衡计算.docx

    • 资源ID:937975       资源大小:283.30KB        全文页数:15页
    • 资源格式: DOCX        下载积分:5金币
    快捷下载 游客一键下载
    账号登录下载
    三方登录下载: 微信开放平台登录 QQ登录
    下载资源需要5金币
    邮箱/手机:
    温馨提示:
    快捷下载时,如果您不填写信息,系统将为您自动创建临时账号,适用于临时下载。
    如果您填写信息,用户名和密码都是您填写的【邮箱或者手机号】(系统自动生成),方便查询和重复下载。
    如填写123,账号就是123,密码也是123。
    支付方式: 支付宝    微信支付   
    验证码:   换一换

    加入VIP,免费下载
     
    账号:
    密码:
    验证码:   换一换
      忘记密码?
        
    友情提示
    2、PDF文件下载后,可能会被浏览器默认打开,此种情况可以点击浏览器菜单,保存网页到桌面,就可以正常下载了。
    3、本站不支持迅雷下载,请使用电脑自带的IE浏览器,或者360浏览器、谷歌浏览器下载即可。
    4、本站资源下载后的文档和图纸-无水印,预览文档经过压缩,下载后原文更清晰。
    5、试题试卷类文档,如果标题没有明确说明有答案则都视为没有答案,请知晓。

    浆水平衡计算.docx

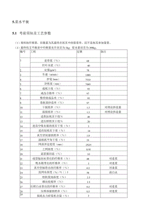
    5.浆水平衡5.1 考前须知及工艺参数(1)填料按纤维算,但数量为其最终在纸页中的留着率,而不是按其参加量算。(2)最终收支平衡表中纤维量允许误差为2kg;浆水量误差为200kg。编号工程定额备注1麦草浆()60针叶木浆()402定量(gm2)703车速(mmin)14004抄宽Imm)75105净纸宽(mm)74606成纸干度()937成品合格率()978整理部成品率()959卷取部抄造率()9710干损纸率()1.5对理论抄造量11湿损纸率()1.5对理论抄造量12进烘缸纸页干度4813进压榨纸页干度2014进真空吸水箱的纸页干度()315进伏短纸页干度()1416真空伏短湿损纸率()1.017湿损纸平均干度()3518网部冲边宽度(mm)2X2519上网浓度()0.9520流浆箱回流()1021成型辐刮水带出的纤维率()40对进浆22吸水箱带出的纤维率()3对进浆23真空伏辐带出的纤维率()0.2对进浆24洗网水浓度(%)*1()350清白水25纸机浆池浓度()3.526横向收缩率()3.527压榨白水带出的纤维率()0.2对进浆28压榨部湿损纸率()0.5对进浆29损纸水力碎浆机含量()230浆板碎浆机含量()431圆网浓缩机喷水(kgt成品)3000新鲜水32吸水箱水封水(kgt成品)35033冲湿纸边喷水(kgt成品)2000进伏损池34真空伏辐水封水(kgt成品)200035断纸喷水(kgl成品)3000白水36旋翼筛的排渣率(连续)()8对进浆37旋翼筛的排渣浓度()1.238尾浆筛排渣率()0.1对成品39尾浆筛排渣浓度()340尾浆筛良浆浓度()0.841除渣器一段尾渣率()25对本段进浆42二段尾渣率()10对本段进浆43三段排渣率()18对本段进浆44一段尾渣浓度()1.045二段尾渣浓度()1.246三段尾渣浓度()1.547二段进浆浓度()0.848三段进浆浓度()0.649出圆网浓缩机白水浓度()0.0550圆网浓缩机出浆浓度()3.551垫层浆浓度()3.552多盘回收机进浆浓度()0.653多盘过滤机滤层含量()1054清白水含量*10心5055浓白水含量*10"8056胶体二氧化硅浓度()957胶体二氧化硅用量()0.458GCC用量(%)20对成品59GCC浓度()1060GCC留着率(%)8061AKD用量()0.8相对于原液62AKD原液浓度(%)1863OBA用量(%)0.15相对于原液64OBA原液浓度(%)565阳离子淀粉用量()0.9相对于原液66阳离子淀粉原液浓度()267消泡剂用量()0.05乳液型68防腐剂用量*10心105.2浆水平衡计算1、成品库平衡:成品出库纹V0说明以1吨成品纸为计算基准,单位为kg.在计算过程中将填料视为纤维,而将AKD、胶体硅、染料液视为清水.从成品按流程顺序逆向推算。:成纸水分7%Vo=100O.0000Qo=930.0000Co=C,=C,=93%合格率K=97%计算:由于合格率Kl二合格产品全部产品量× 100%完成整理所以合格产品量V,=VoK=97O.OOOO卷取部水力碎浆机完成整理a 3rL卷质部I>c 凯V5 G匕水力碎浆机V"=Vo-V,=30.0000Qi'=V,C,=970.0000×93%=902.1000Q,=V,C,=30×93%=27.90002、完成复卷部平衡:Q,=902.1000Q,=27.9000V,=970.0000V,=30.0000C3=cr=cin=c2=93%成品率K2=95%×l()0%计算:Ta口合全部产品(VO)由于成口率K2=抄造量(V)所以,抄造量V3=V0K2=1052.6316Q3=V3C3=1052.6316×93%=978.9474V2=V3-Vi,-V,=52.6316Q2=Q3-Q1'0'=48.94743、卷取部平衡::Q3=978.9474V3=1052.6316C3=C4=C5=93%抄造率K3=97%干损纸率d=1.5%枯燥部计算:设G=抄造量+抄造损纸量,所以:G=V3ZK3=1085.1872设G中绝干纤维为H=Q3ZK3=1009.2241那么压榨部Q6 W 枯燥部 假设干损纸全部出在压光卷取部,Q4=Hd=15.1384V4=Q4ZC4=16.2778Q5=Q3+Q4=994.0858V5=V3+V4=1068.90944枯燥部平衡:进枯燥部的纸页干度Ce=48%Q5=994.0858,V5=I068.9094计算:Q6=Q5=994.0858V6=Q6C6=2071.0121W1=V6-V5=1002.1027真空伏辑Q2.c5压榨部平衡:伏损IVg:进压榨部干度Cg=20%,L1进枯燥部的纸页干度C6=48%压榨部匚压榨部湿损纸率d2=0.5%(对理论抄造小)混合压榨部带出纤维率d3=02%(对进浆)白水池”Q6=994.0858,V6=2071.0121计算:湿损纸进入伏损池,那么Q8=Hd2=1009.2241×0.5%=5.0461设湿损纸平均干度为35%,即Cg=35%,因此V8=Q8C8=14.4175Q9=(Q6+Qs)(1-d3)=1001.1342V9=Q9ZC9=5005.6708Q7=Q9-Q6-Qs=2.0023V7=V9-V6-Vj=2920.24126、真空伏相平衡:真空箱:Q()= 1001.1342 V9=5005.6708进真空伏辑纸页干度Ci2=14%水针W2伏损池伏馄带出纤维率d4=0.2% (对进浆)冲边水W3C io伏辎湿损纸率d5=1.0% (对理论抄造量)混合I水池横向收缩率=3.5%伏辑水封水W4C7冲边水 W3=2000.0000CCQ9伏辑水封水W4=2000.0000西 C9冲边宽度b=2×25mm抄宽Bm=7510mm压榨”理CV12 12真空*伏A轮QlOVlO > Qll VlT计算:纸页在压榨和枯燥过程中,随着纸页中水分的除去而不断收缩,因此,网上纸页的宽度比实际抄宽要宽.而为了获得在伏辑上的冲边量,必须求出时纸页在网上的宽度。根据纸页收缩率得:湿纸页宽度Bn=BmZ(1)=7782mm湿纸边占整个湿纸幅宽比率X=50(50+7782)×100%=0.6384%即进入付损池的湿纸边量占进入伏辐的纸页量的06384%由于伏短处湿损纸率是对抄造量和全部损纸量而言,因此进入损纸池的湿损纸为:Qo,=Hd5=lO.O922冲边量Qo,=XQ所以,Qio=Qo,+Qion=I0.0922+XQ2另外,伏辑在脱水过程中白水要带走一局部纤维,这局部纤维随同白水进入真空室,从而进入水封池,所以,Q1=d4Q12对伏掘进行纤维平衡:Q12=Q9÷Q10÷QllQ12=Q9÷Q10,+XQ12÷QllQ12=(Q9+Q10')/(l-d4-X)=1019.7833Qi1=d4Q12=2.0396Q10=10.0922+XQ12=16.6025V12=Q12C12=7284.1664湿纸切边及引纸水针使用7kgcm2以上高压水,水针孔径Imm,喷水量W=1/4*d2*60u2gh=0.25*0.0012*60*0.6*2g*70=0.00105m3min纸机日产G=0.06UBmQKK2K31000=915Td,那么生产吨纸时间为T=22.5*60915=1.5min,那么生产吨纸水针(3支)用水量为W2=1.5*0.00105*3=0.004725m3t=4.725kgt水针切下的湿纸边用冲边水冲入伏损池内。而伏辐内需喷水作水封并起润,随同白水进入真空室,从而进入混合白水池。所以:Vio,=QioC9=83.O125Vo=Vio,+W2+W3=2O87.7375VlI=Vl2+W4-V9一QioC9=4195.4831Co=QoVo=O.7952%C=Qi)V=O.O4861%7、真空吸水箱平衡:Qi2=1019.7833V12=7284.1664进真空吸水箱干度Ci4=3%真空吸水箱白水带出纤维率ck=3%真空箱水封水W5=350.0000计算:Q13=Ql4(16QI4=Q12+Q13Qi4=Qi2l-d6=1051.3230Qi3=d6Qi4=31.5397Vi4=Qi4Ci4=35044.1为了防止真空箱两边漏气,需喷水作水封,并随白水进入水封池。故,Vi3=Vi4+W5-V12=28109.9336C13=Q3Vi3=0.1122%8、成形相、脱水板平衡:真空吸水箱成形辑.4r4Cm t匕6 流浆箱:Qi4=1051.3230V14=35044.1Ci6=0.95%成型短刮水板辑带出纤维率d7=40%Aum白水槽计算:Q15=Q16C17Q16=Q14÷Q15Qi6=Qi4l-d7=1752.2050Vi6=Q1Ci6=l84442.6316Vi5=Vi6-Vi4=149398.5316Qi5=Qi6d7=700.8820Ci5=Qi5Vi5=0.4691%:Qi6=1752.2050V I6= 184442.6316流浆箱稀释W7=10%V8 流浆箱回流量d8=10%(对进浆) 上网浆浓Ci6=Ci7=0.95%白水筛胶体SQ用量0.4%,浓度9% 计算:Q7=d9Qi8=10%Qi8 胶体 SiO2 Ql 8=Q1 6+Qi 7=Q16+10%Q18Q18=Q16/ (1-10%) =1946.8944Q17= 10%Q)8= 194.6894成形辐Ql 6W7流浆箱W8 V18

    注意事项

    本文(浆水平衡计算.docx)为本站会员(p**)主动上传,第壹文秘仅提供信息存储空间,仅对用户上传内容的表现方式做保护处理,对上载内容本身不做任何修改或编辑。 若此文所含内容侵犯了您的版权或隐私,请立即通知第壹文秘(点击联系客服),我们立即给予删除!

    温馨提示:如果因为网速或其他原因下载失败请重新下载,重复下载不扣分。




    关于我们 - 网站声明 - 网站地图 - 资源地图 - 友情链接 - 网站客服 - 联系我们

    copyright@ 2008-2023 1wenmi网站版权所有

    经营许可证编号:宁ICP备2022001189号-1

    本站为文档C2C交易模式,即用户上传的文档直接被用户下载,本站只是中间服务平台,本站所有文档下载所得的收益归上传人(含作者)所有。第壹文秘仅提供信息存储空间,仅对用户上传内容的表现方式做保护处理,对上载内容本身不做任何修改或编辑。若文档所含内容侵犯了您的版权或隐私,请立即通知第壹文秘网,我们立即给予删除!

    收起
    展开