欢迎来到第壹文秘! | 帮助中心 分享价值,成长自我!
第壹文秘
全部分类
  • 幼儿/小学教育>
  • 中学教育>
  • 高等教育>
  • 研究生考试>
  • 外语学习>
  • 资格/认证考试>
  • 论文>
  • IT计算机>
  • 法律/法学>
  • 建筑/环境>
  • 通信/电子>
  • 医学/心理学>
  • ImageVerifierCode 换一换
    首页 第壹文秘 > 资源分类 > DOCX文档下载
    分享到微信 分享到微博 分享到QQ空间

    月饼专项监督抽检信息.docx

    • 资源ID:93718       资源大小:234.45KB        全文页数:75页
    • 资源格式: DOCX        下载积分:5金币
    快捷下载 游客一键下载
    账号登录下载
    三方登录下载: 微信开放平台登录 QQ登录
    下载资源需要5金币
    邮箱/手机:
    温馨提示:
    快捷下载时,如果您不填写信息,系统将为您自动创建临时账号,适用于临时下载。
    如果您填写信息,用户名和密码都是您填写的【邮箱或者手机号】(系统自动生成),方便查询和重复下载。
    如填写123,账号就是123,密码也是123。
    支付方式: 支付宝    微信支付   
    验证码:   换一换

    加入VIP,免费下载
     
    账号:
    密码:
    验证码:   换一换
      忘记密码?
        
    友情提示
    2、PDF文件下载后,可能会被浏览器默认打开,此种情况可以点击浏览器菜单,保存网页到桌面,就可以正常下载了。
    3、本站不支持迅雷下载,请使用电脑自带的IE浏览器,或者360浏览器、谷歌浏览器下载即可。
    4、本站资源下载后的文档和图纸-无水印,预览文档经过压缩,下载后原文更清晰。
    5、试题试卷类文档,如果标题没有明确说明有答案则都视为没有答案,请知晓。

    月饼专项监督抽检信息.docx

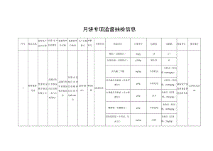
    月饼专项监督抽检信息序号样品名称标称生产企业名称标称生产企业地址被抽样单位名称被抽样单位地址生产日期批号规格型号采样时间检验项目计量单位标准值实测值检验单位报告编号1蛋黄莲蓉月饼常德市金萝莎食品有限公司武陵区东江乡新安社区五组(东江工业园内)武陵区青年东路金萝莎食品店常德市武陵区永安街道楠沙社区青年北路698号2018-08-22/-IOOg/袋2018/8/28酸价(以脂肪计)mg/g52.7湖南省产商品质量监督检验研究院2018-J12826过氧化值(以脂肪计)g100gWO.250富马酸二甲酯mg/kg不得检出未检出(检出限:0.05mgkg)苯甲酸及其钠盐(以苯甲酸计)g/kg不得使用未检出(检出限:0.005gkg)山梨酸及其钾盐(以山梨酸计)g/kg1.0未检出(定量限:0.01gkg)糖精钠(以糖精计)g/kg不得使用未检出(检出限:0.005gkg)铝的残留量(干样品,以Al计)mg/kg100未检出(定量限:2mgkg)丙酸及其钠盐、钙盐(以丙酸计)g/kg2.5未检出(定量限:0.10gkg)脱氯乙酸及其钠盐(以脱氢乙酸计)g/kg0.50.0722纳他霉素(饼皮)mg/kg<10未检出(检出限:0.5mgkg)菌落总数TCFU/gn=5c-2m=IOOOOM=IOOOOO<10菌落总数-210菌落总数-320菌落总数Y<10菌落总数-5<10大肠菌群TCFU/gn=5c=2m=10M=IOO<10大肠菌群-2<10大肠菌群-3<10大肠菌群-4<10大肠菌群-5<10霉菌CFU/g150<102纯正莲蓉月饼常德市金萝莎食品有限公司武陵区东江乡新安社区五组(东江工业园内)武陵区青年东路金萝莎食品店常德市武陵区永安街道楠沙社区青年北路698号2018-08-22/-IOOg/袋2018/8/28酸价(以脂肪计)mg/g50.94湖南省产商品质量监督检验研究院A2018-J12827过氧化值(以脂肪计)g100g0.250.023富马酸二甲酯mg/kg不得检出未检出(检出限:0.05mgkg)苯甲酸及其钠盐(以苯甲酸计)g/kg不得使用未检出(检出限:0.005gkg)山梨酸及其钾盐(以山梨酸计)g/kg1.0未检出(定量限:0.01gkg)糖精钠(以糖精计)g/kg不得使用未检出(检出限:0.005gkg)铝的残留量(干样品,以Al计)mg/kg100未检出(定量限:2mgkg)丙酸及其钠盐、钙盐(以丙酸计)g/kg2.5未检出(定量限:0.10gkg)脱氢乙酸及其钠盐(以脱氢乙酸计)g/kg0.50.0848纳他霉素(饼皮)mg/kg<10未检出(检出限:0.5mgkg)菌落总数TCFU/gn=5c=2m=IOOOOM=IOOOOO10菌落总数-2<10菌落总数-3<10菌落总数-410菌落总数-5<10大肠菌群TCFU/gn=5c=2m=10M=IOO<10大肠菌群-2<10大肠菌群-3<10大肠菌群-4<10大肠菌群-5<10霉菌CFU/g150<103豆沙蛋黄月饼(广式月饼蓉沙类)湖南万利隆食品有限公司湖南省湘潭市湘潭九华经开区立志路19号武陵区刘静西饼屋常德市武陵区府坪街道府坪巷社区人民中路高山商厦08、09号门面2018-08-16/-100克/袋2018/8/28酸价(以脂肪计)mg/g54湖南省产商品质量监督检验研究院2018-J12833过氧化值(以脂肪计)g100g0.250富马酸二甲酯mg/kg不得检出未检出(检出限:0.05mgkg)苯甲酸及其钠盐(以苯甲酸计)g/kg不得使用未检出(检出限:0.005gkg)山梨酸及其钾盐(以山梨酸计)g/kg1.0未检出(定量限:0.01gkg)糖精钠(以糖精计)g/kg不得使用未检出(检出限:0.005gkg)铝的残留量(干样品,以Al计)mg/kg1005.43丙酸及其钠盐、钙盐(以丙酸计)g/kg2.5未检出(定量限:0.10gkg)脱氢乙酸及其钠盐(以脱氢乙酸计)g/kg0.50.0592纳他霉素(饼皮)mg/kg<10未检出(检出限:0.5mgkg)菌落总数T<10菌落总数-2n=525菌落总数-3CFU/gc-2m=IOOOO<10菌落总数-4M=IOOOOO10菌落总数-5<10大肠菌群T=5<10大肠菌群-2CFU/gc=2<10大肠菌群-3m=10M=IOO<10大肠菌群-4<10大肠菌群-5<10霉菌CFU/g150<104蛋皮伍仁月饼(其他类月饼果仁类)湖南万利隆食品有限公司湖南省湘潭市九华经开区立志路19号武陵区刘静西饼屋常德市武陵区府坪街道府坪巷社区人民中路高山商厘08、09号门面2018-08-17/-80克/袋2018/8/28酸价(以脂肪计)mg/g50.74湖南省产商品质量监督检验研究院A2018-J12834过氧化值(以脂肪计)g100g0.250.012富马酸二甲酯mg/kg不得检出未检出(检出限:0.05mgkg)苯甲酸及其钠盐(以苯甲酸计)g/kg不得使用未检出(检出限:0.005gkg)山梨酸及其钾盐(以山梨酸计)g/kg1.0未检出(定量限:0.01gkg)糖精钠(以糖精计)g/kg不得使用未检出(检出限:0.005gkg)铝的残留量(干样品,以Al计)mg/kg1002.96丙酸及其钠盐、钙盐(以g/kg2.5未检出(定量丙酸计)限:0.10gkg)脱氯乙酸及其钠盐(以脱氢乙酸计)g/kg0.50.172纳他霉素(饼皮)mg/kg<10未检出(检出限:0.5mgkg)菌落总数TCFU/gn=5c-2m=IOOOOM=IOOOOO<10菌落总数-2<10菌落总数-3<10菌落总数-4<10菌落总数-5<10大肠菌群TCFU/gn=5c=2m=10M=IOO<10大肠菌群-2<10大肠菌群-3<10大肠菌群-4<10大肠菌群-5<10霉菌CFU/g150<105苏式净素果仁月饼张家港市房锦记食品有限公司江苏省苏州市张家港市乐余镇妙丰公路(2公里处)湖南华润万家生活超市有限公司常德武陵大道店常德市武陵区芷兰街道办事处沙河社区武陵大道998号(欢乐城国际购物中心负一层)2018-08-02/-260克/袋2018/8/28酸价(以脂肪计)mg/g51.1湖南省产商品质量监督检验研究院A2018-J12836过氧化值(以脂肪计)g100g0.250.015富马酸二甲酯mg/kg不得检出未检出(检出限:0.05mgkg)苯甲酸及其钠盐(以苯甲酸计)g/kg不得使用未检出(检出限:0.005gkg)山梨酸及其钾盐(以山梨酸计)g/kg1.00.035糖精钠(以糖精计)g/kg不得使用未检出(检出限:0.005gkg)铝的残留量(干样品,以Al计)mg/kg10025.5丙酸及其钠盐、钙盐(以丙酸计)g/kg2.5未检出(定量限:0.10gkg)脱氢乙酸及其钠盐(以脱氢乙酸计)g/kg0.50.0454纳他霉素(饼皮)mg/kg<10未检出(检出限:0.5mgkg)菌落总数TCFU/gn=5c=2m=IOOOOM=IOOOOO10菌落总数-2<10菌落总数-3<10菌落总数-4<10菌落总数-5<10大肠菌群TCFU/gn=5c=2m=10M=IOO<10大肠菌群-2<10大肠菌群-3<10大肠菌群-4<10大肠菌群-5<10霉菌CFU/g150<106蛋黄莲蓉月饼江门市达达食品工贸有限公司江门市蓬江区篁庄大道西16号1幢D座三层、2幢C座厂房湖南华润万家生活超市有限公司常德武陵大道店常德市武陵区芷兰街道办事处沙河社区武陵大道998号(欢乐城国际购物中心负一层)2018-08-02/-150克/袋2018/8/28酸价(以脂肪计)mg/g52.4湖南省产商品质量监督检验研究院A2018-J12837过氧化值(以脂肪计)g100g0.250.011富马酸二甲酯mg/kg不得检出未检出(检出限:0.05mgkg)苯甲酸及其钠盐(以苯甲酸计)g/kg不得使用未检出(检出限:0.005gkg)

    注意事项

    本文(月饼专项监督抽检信息.docx)为本站会员(p**)主动上传,第壹文秘仅提供信息存储空间,仅对用户上传内容的表现方式做保护处理,对上载内容本身不做任何修改或编辑。 若此文所含内容侵犯了您的版权或隐私,请立即通知第壹文秘(点击联系客服),我们立即给予删除!

    温馨提示:如果因为网速或其他原因下载失败请重新下载,重复下载不扣分。




    关于我们 - 网站声明 - 网站地图 - 资源地图 - 友情链接 - 网站客服 - 联系我们

    copyright@ 2008-2023 1wenmi网站版权所有

    经营许可证编号:宁ICP备2022001189号-1

    本站为文档C2C交易模式,即用户上传的文档直接被用户下载,本站只是中间服务平台,本站所有文档下载所得的收益归上传人(含作者)所有。第壹文秘仅提供信息存储空间,仅对用户上传内容的表现方式做保护处理,对上载内容本身不做任何修改或编辑。若文档所含内容侵犯了您的版权或隐私,请立即通知第壹文秘网,我们立即给予删除!

    收起
    展开