欢迎来到第壹文秘! | 帮助中心 分享价值,成长自我!
第壹文秘
全部分类
  • 幼儿/小学教育>
  • 中学教育>
  • 高等教育>
  • 研究生考试>
  • 外语学习>
  • 资格/认证考试>
  • 论文>
  • IT计算机>
  • 法律/法学>
  • 建筑/环境>
  • 通信/电子>
  • 医学/心理学>
  • ImageVerifierCode 换一换
    首页 第壹文秘 > 资源分类 > DOCX文档下载
    分享到微信 分享到微博 分享到QQ空间

    公用(燃气)管道巡线记录表.docx

    • 资源ID:920425       资源大小:14.94KB       
    • 资源格式: DOCX        下载积分:5金币
    快捷下载 游客一键下载
    账号登录下载
    三方登录下载: 微信开放平台登录 QQ登录
    下载资源需要5金币
    邮箱/手机:
    温馨提示:
    快捷下载时,如果您不填写信息,系统将为您自动创建临时账号,适用于临时下载。
    如果您填写信息,用户名和密码都是您填写的【邮箱或者手机号】(系统自动生成),方便查询和重复下载。
    如填写123,账号就是123,密码也是123。
    支付方式: 支付宝    微信支付   
    验证码:   换一换

    加入VIP,免费下载
     
    账号:
    密码:
    验证码:   换一换
      忘记密码?
        
    友情提示
    2、PDF文件下载后,可能会被浏览器默认打开,此种情况可以点击浏览器菜单,保存网页到桌面,就可以正常下载了。
    3、本站不支持迅雷下载,请使用电脑自带的IE浏览器,或者360浏览器、谷歌浏览器下载即可。
    4、本站资源下载后的文档和图纸-无水印,预览文档经过压缩,下载后原文更清晰。
    5、试题试卷类文档,如果标题没有明确说明有答案则都视为没有答案,请知晓。

    公用(燃气)管道巡线记录表.docx

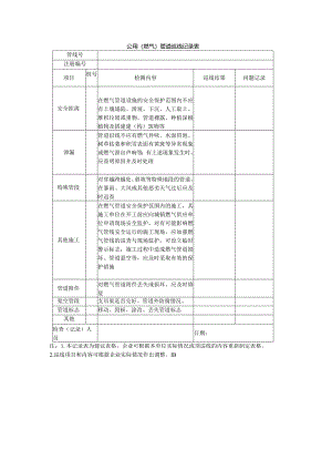
    公用(燃气)管道巡线记录表管线号注册编号项目桩号检测内容巡线结果问题记录安全距离在燃气管道设施的安全保护范围内不应有土壤塌陷、滑坡、下沉、人工取土、堆积垃圾或重物、管道裸露、种植深根植物及搭建建(构)筑物等泄漏管道沿线不应有燃气异味、水面冒泡、树草枯菱和积雪表面有黄斑等异常现象或燃气泄出声响等;有上述现象发生时,应查明原因并及时处理特殊管段对穿越跨越处、斜坡等特殊地段的管道,在暴雨、大风或其他恶劣天气过后应及时巡查其他施工在燃气管道安全保护范围内的施工,其施工单位在开工前应向城镇燃气供应单位申请现场安全监护。对有可能影响燃气管线安全运行的施工现场,应加强燃气管线的巡查与现场监护,可设立临时警示标志;施工过程中造成燃气管道损坏、管道悬空等,应及时采取有效的保护措施管道附件对燃气管道附件丢失或损坏,应及时修复架空管段支吊架是否完好、管道外防腐情况。管道标志移动、毁损、涂改、丢失管道标志其他检查(记录)人员日期:注:1.本记录表为建议表格,企业可根据本单位实际情况或须巡线的内容重新制定表格。2.巡线项目和内容可根据企业实际情况作出调整。IB

    注意事项

    本文(公用(燃气)管道巡线记录表.docx)为本站会员(p**)主动上传,第壹文秘仅提供信息存储空间,仅对用户上传内容的表现方式做保护处理,对上载内容本身不做任何修改或编辑。 若此文所含内容侵犯了您的版权或隐私,请立即通知第壹文秘(点击联系客服),我们立即给予删除!

    温馨提示:如果因为网速或其他原因下载失败请重新下载,重复下载不扣分。




    关于我们 - 网站声明 - 网站地图 - 资源地图 - 友情链接 - 网站客服 - 联系我们

    copyright@ 2008-2023 1wenmi网站版权所有

    经营许可证编号:宁ICP备2022001189号-1

    本站为文档C2C交易模式,即用户上传的文档直接被用户下载,本站只是中间服务平台,本站所有文档下载所得的收益归上传人(含作者)所有。第壹文秘仅提供信息存储空间,仅对用户上传内容的表现方式做保护处理,对上载内容本身不做任何修改或编辑。若文档所含内容侵犯了您的版权或隐私,请立即通知第壹文秘网,我们立即给予删除!

    收起
    展开