欢迎来到第壹文秘! | 帮助中心 分享价值,成长自我!
第壹文秘
全部分类
  • 幼儿/小学教育>
  • 中学教育>
  • 高等教育>
  • 研究生考试>
  • 外语学习>
  • 资格/认证考试>
  • 论文>
  • IT计算机>
  • 法律/法学>
  • 建筑/环境>
  • 通信/电子>
  • 医学/心理学>
  • ImageVerifierCode 换一换
    首页 第壹文秘 > 资源分类 > DOCX文档下载
    分享到微信 分享到微博 分享到QQ空间

    一次性使用无菌刀头产品技术要求.docx

    • 资源ID:911197       资源大小:96.99KB        全文页数:9页
    • 资源格式: DOCX        下载积分:5金币
    快捷下载 游客一键下载
    账号登录下载
    三方登录下载: 微信开放平台登录 QQ登录
    下载资源需要5金币
    邮箱/手机:
    温馨提示:
    快捷下载时,如果您不填写信息,系统将为您自动创建临时账号,适用于临时下载。
    如果您填写信息,用户名和密码都是您填写的【邮箱或者手机号】(系统自动生成),方便查询和重复下载。
    如填写123,账号就是123,密码也是123。
    支付方式: 支付宝    微信支付   
    验证码:   换一换

    加入VIP,免费下载
     
    账号:
    密码:
    验证码:   换一换
      忘记密码?
        
    友情提示
    2、PDF文件下载后,可能会被浏览器默认打开,此种情况可以点击浏览器菜单,保存网页到桌面,就可以正常下载了。
    3、本站不支持迅雷下载,请使用电脑自带的IE浏览器,或者360浏览器、谷歌浏览器下载即可。
    4、本站资源下载后的文档和图纸-无水印,预览文档经过压缩,下载后原文更清晰。
    5、试题试卷类文档,如果标题没有明确说明有答案则都视为没有答案,请知晓。

    一次性使用无菌刀头产品技术要求.docx

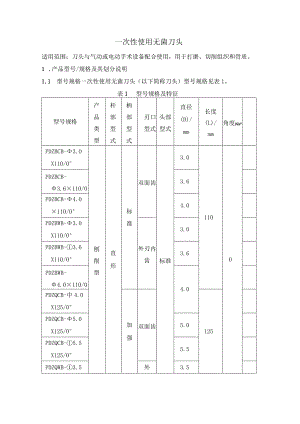
    一次性使用无菌刀头适用范围:刀头与气动或电动手术设备配合使用,用于打磨、切削组织和骨质。1 .产品型号/规格及其划分说明1.1 型号规格一次性使用无菌刀头(以下简称刀头)型号规格见表1。表1型号规格及特征型号规格产品类型杆部型式柄部型式刃口型式头部型式直径(D)/mm长度(L)/mm角度(Q)/°PDZBCB-3.OX110/0°刨削型直形标准双面齿标准3.01100PDZBCB-3.6×110/0°3.6PDZBCB-4.0×110/0°4.0PDZBWB-3.0X110/0°外刃内齿3.0PDZBWB-3.6X110/0°3.6PDZBWB-4.0×110/0°4.0PDZQCB-中4.0X125/0°加强双面齿125PDZQCB-5.0X125/0°5.0PDZQCB-5.5X125/0°5.5PDZQWB-3.5外3.5×125/0°刃内齿PDZQWB-4.0X125/0°4.0PDZQWB-5.0X125/0°5.0PDZQWB-5.5×125/0°5.5PDZQRB-3.5×125/0°双面刃3.5PDZQRB-4.0X125/0°4.0PDZQRB-5.0X125/0°5.0PDZQRB-5.5×125/0°5.5PDZQSB-4.0×125/0°外刃内双齿4.0PDZQSB-5.5X125/0°5.5PDZYWB-3.0×290/0°异形外刃内齿3.0290PDZYWB-3.0×350/0°350PDJBCB-3.6Xl10/90°角度标准双面齿3.611090PDJBCB-3.6X110/120°120PDJBCB-4.04.012×11012oPDJBCB-4.OXl10/40°40PDJBCB-4.OXl10/60°60PDJBKB-4.O×110/12°侧双面齿12PDJBKB-4.O×110/40040表1型号规格及特征(续)型号规格产品类型杆部型式柄部型式刃口型式头部型式直径(D)/mm长度(L)/mm角度(Q)/°PDJQCB-4.0X125/10°刨削型角度加强双面齿标准4.012510PDJQCB-4.5X125/10°4.5PDJQCB-5.0×125/15°5.015PDJQSB-4.5X125/15°外刃内双齿4.5PDJQWB-4.0X125/10°外刃内齿4.010PDJQWB-5.0X125/10°5.0PDJQWB-4.5X125/15°4.515PDJQRB-4.5X125/15°双面刃PDJQRB-5.0X125/10°5.010PDSBCB-4.0X225/18°双角度标准双面齿4.022518PDSBCB-4.0X275/18°275PDSBRB-4.0X270/18°双面刃270PDSBWB-4.0X370/18°外刃内齿370MDZBQT-3.0X115/0°磨削型直形球形带护套3.01150MDZBQT-4.0×ll5/0°4.0MDZQZB-4.0X128/0°加强柱形标准128MDZQZB-5.5X128/0°5.5MDZQQB-4.0X128/0°球形4.0MDZQQB-5.5X128/0°5.5MDZQZH-4.0X128/0°柱形带护鞘4.0MDZQZH-5.0X125.08/0°MDZQZH-5.5X128/0°5.5MDZQQH-4.0X128/0°球形4.0MDZQQH-5.0X128/0°5.0MDZQQH-5.5X128/0°5.5MDZYQB-3.0X350/0°异形标准3.0350MDZYQB-3.0X290/0°290MDZYZH-3.0X350/0°柱形带护鞘350MDZYZH-3.0X290/0°290MDZYQH-3.0X350/0°球形350MDZYQH-3.0X290/0°290MDJBQT-4.0X110/15°角度标准带护套4.0110151.2型号规格划分说明规格(中直径X长度/角度。)头部型式(B-标准,H-带护鞘,带护套)刃口型式(C-双面齿,K-侧口双面齿,W-外刃内齿,S-外刃内双齿,R-双面刃;Q-球形,Z-柱形)柄部型式(B-标准,Q-加强,Y-异形)杆部型式(Z-直形,尸角度,S-双角度)产品类型(PD-刨削型,MD-磨削型)1.3组成结构1.3.1组成刀头由头部、杆部和柄部组成,其中头部由内刀和外刀组成。1. 3.2结构1 .3.2.1杆部和柄部a) (异b)角度形(加强形柄部)刀头杆部和柄部结构型式:见图1。L-杆部展开长度,、 1-角度,D-直径图1杆部和柄部结构示意图1. 3. 2. 2 刃口和头部刀头刃口和头部结构型式:见图2。b)例口双面齿标准头e)双面刃标准头金h)套用Dg)球形带护鞘头耕j)柱形带护鞘头手图2刃口和头部结构示意图1.4材料刀头刃口采用符合YY/T0294.1-2016外科器械金属材料第1部分:不锈钢的05Crl7Ni4Cu4Nb或ASTM440C不锈钢材料制造。2 .性能指标2.1 材料刀头刃口不锈钢材料的化学成分应符合YY/T0294.12016外科器械金属材料第1部分:不锈钢或GB/T20878-2007不锈钢和耐热钢牌号及化学成分中相应牌号的要求。2.2 设计刀头刃口应设计成右螺旋槽和右切削,刃口沟槽应制成等前角和等螺旋角。2.3 外观刀头外观应符合:a)刀头应平整,不应有锈迹、锋梭、毛刺和明显麻点;b)刀头刃口应无缺口、白口、卷口、裂纹等现象。2.4 尺寸刀头对应尺寸及允差应符合附录A表AI的规定。2. 5配合性能刀头手柄与配合使用手机的连接后应符合:a)配合良好,插入轻松自如,拆卸方便;b)连接后应能锁止,锁止应可靠;c)旋转时,内刀和外刀应配合良好,运转顺畅,不应有卡滞和异响。2.6 畅通性具有液体通道的刀头液体通道应畅通。2.7 硬度刀头刃口硬度应不小于350HV10o2. 8表面粗糙度刀头表面粗糙度应符合:a)刃口部位(Ra)0.8um;b)其余金属部位(Ra)0.4Um02. 9耐腐蚀性不锈钢材料刀头的耐腐蚀性应不低于YY/T0149-2006医用不锈钢耐腐蚀性能试验方法5.4章中b级要求。2.10 环氧乙烷残留量经环氧乙烷灭菌后的刀头,环氧乙烷残留量应不大于IoUg/g。2.11 无菌刀头应无菌。

    注意事项

    本文(一次性使用无菌刀头产品技术要求.docx)为本站会员(p**)主动上传,第壹文秘仅提供信息存储空间,仅对用户上传内容的表现方式做保护处理,对上载内容本身不做任何修改或编辑。 若此文所含内容侵犯了您的版权或隐私,请立即通知第壹文秘(点击联系客服),我们立即给予删除!

    温馨提示:如果因为网速或其他原因下载失败请重新下载,重复下载不扣分。




    关于我们 - 网站声明 - 网站地图 - 资源地图 - 友情链接 - 网站客服 - 联系我们

    copyright@ 2008-2023 1wenmi网站版权所有

    经营许可证编号:宁ICP备2022001189号-1

    本站为文档C2C交易模式,即用户上传的文档直接被用户下载,本站只是中间服务平台,本站所有文档下载所得的收益归上传人(含作者)所有。第壹文秘仅提供信息存储空间,仅对用户上传内容的表现方式做保护处理,对上载内容本身不做任何修改或编辑。若文档所含内容侵犯了您的版权或隐私,请立即通知第壹文秘网,我们立即给予删除!

    收起
    展开