欢迎来到第壹文秘! | 帮助中心 分享价值,成长自我!
第壹文秘
全部分类
  • 幼儿/小学教育>
  • 中学教育>
  • 高等教育>
  • 研究生考试>
  • 外语学习>
  • 资格/认证考试>
  • 论文>
  • IT计算机>
  • 法律/法学>
  • 建筑/环境>
  • 通信/电子>
  • 医学/心理学>
  • ImageVerifierCode 换一换
    首页 第壹文秘 > 资源分类 > DOCX文档下载
    分享到微信 分享到微博 分享到QQ空间

    水泥稳定碎石施工方案(详细).docx

    • 资源ID:906123       资源大小:45.76KB        全文页数:7页
    • 资源格式: DOCX        下载积分:5金币
    快捷下载 游客一键下载
    账号登录下载
    三方登录下载: 微信开放平台登录 QQ登录
    下载资源需要5金币
    邮箱/手机:
    温馨提示:
    快捷下载时,如果您不填写信息,系统将为您自动创建临时账号,适用于临时下载。
    如果您填写信息,用户名和密码都是您填写的【邮箱或者手机号】(系统自动生成),方便查询和重复下载。
    如填写123,账号就是123,密码也是123。
    支付方式: 支付宝    微信支付   
    验证码:   换一换

    加入VIP,免费下载
     
    账号:
    密码:
    验证码:   换一换
      忘记密码?
        
    友情提示
    2、PDF文件下载后,可能会被浏览器默认打开,此种情况可以点击浏览器菜单,保存网页到桌面,就可以正常下载了。
    3、本站不支持迅雷下载,请使用电脑自带的IE浏览器,或者360浏览器、谷歌浏览器下载即可。
    4、本站资源下载后的文档和图纸-无水印,预览文档经过压缩,下载后原文更清晰。
    5、试题试卷类文档,如果标题没有明确说明有答案则都视为没有答案,请知晓。

    水泥稳定碎石施工方案(详细).docx

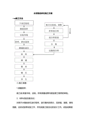
    水泥稳定碎石施工方案一施工方法不合格二.施工准备:1.测量放样:施工前,恢复中桩、边桩。所有测量成果均报监理工程师的审批。2、材料试验及配合比:对用于水稳的碎石进行取样,进行集料的筛分、压碎值、液限、塑性指数、击实试验等试验工作,并完成施工配合比的设计工作。试验成果报监理工程师的审批。3、施工场地准备:对下承层顶面用人工对其表面进行清理修整。=.水稳铺筑:1.混合料的拌和在拌和楼进行集中拌和,装载机供料,严格按施工配合比进行拌料。出料后,后场试验员随机抽检混合料的含水量,控制混合料含水量比最佳含水量略大051%控制混合料拌和时的水泥剂量应比试验确定的剂量增加030.5%。严格控制拌和楼的出料质量,不合格的混合料严禁运至施工前场铺筑。2、混合料采用15t自卸汽车运输至施工现场,汽车性能良好。运输时,开车速度适宜、匀速,以免混合料离析、泌水。运输汽车数量根据拌和楼出料速度、摊铺机施工速度和运距综合计算而定,保证施工连续正常。汽车运至现场后有专人指挥卸料。3、混合料的摊铺采用摊铺机呈摊铺施工。摊铺机的标高控制采用在前进过程中根据感应两侧导线高度来控制熨平板高度,从而控制基层顶面标高。摊铺机施工时,派专人跟在摊铺机后随时按导线高度拉线检测摊铺后的基层顶面标高,及时铲低或补料,消除离析现象,并及时向摊铺机操作员反映,及时调整摊铺机。摊铺过程中,保证摊铺机连续、匀速作业,供料与摊铺机的行走速度密切协调,尽可能减少摊铺机停机次数。摊铺机的螺旋布料器要布料均匀,以免影响基层顶面平整度。4、水稳摊铺整幅长度达到3050m后,开始对水稳进行碾压施工。碾压遵循由(静压一小振一大振一静压收面)的原则进行,碾压方向与路中心线平行,由边到中依次连续均匀碾压。水稳的碾压施工采用两台振动压路机完成。先由振动压路机进行静压一遍,再进行小振一遍,然后进行大振碾压,然后再进行静压一遍。碾压时后轮重叠1/2轮宽,压实后的水稳表面应平整、无轮迹或隆起。在碾压过程中,试验人员及时进行跟踪检测,振动压路机每压一遍,检测一次压实度,直到压实度达到98%,得出压实度峰值,并记录压实度数据,取得最佳压实遍数。从混合料的开始拌和到碾压完成时间应控制不超过2.5小时。整段水稳碾压完成后,及时进行水稳接缝封端处理,接缝与路中心线垂直。5、混合料从搅拌至碾压完成要保证在混合料初凝前完成。碾压完成后,由质检部门组织进行平整度、宽度、压实度、标高、横坡度等各项指标的检验。封闭交通,混合料表面洒水覆盖透水土工布进行保湿养生,保养期为7天。6、接缝处理使用摊铺机作业施工终止后应设横向接缝,将摊铺机驶离混合料末端。人工将末端混合料弄整齐,紧靠混合料放枕木,枕木高度与水稳层厚度等高,整平紧靠混合料。枕木的另一侧用方木铺垫3米长,高度与枕木同高便于压路机碾压通行。用压路机将端头混合料碾压至要求的压实度。在进行下一个作业段施工时,将端头的枕木和方木清理干净。7、养生采用土工布覆盖洒水车洒水进行养生,水稳层碾压完成,检验合格后即可进行保养,在养生7天期间始终保持水泥稳定碎石表面潮湿。四、现场施工管理1.施工现场由现场主管负责协调管理,使施工现场施工机械、运输车辆、施工人员紧密配合协调。2、施工前,对施工技术员、现场管理员及机械操作手进行技术交底,确保试验路的各施工环节有条不紊地进行。3、施工前,对施工机械、车辆进行全面的检查,并调试准确,确保施工过程中运转正常。4、前后场有专人负责管理,确保前后场各工序施工的协调配合无间。5、前场有试验、质检、测量人员现场跟踪检测,确保施工质量,后场有试验人员控制混合料质量,不合格的混合料严禁拉到前场施工。6、现场设有专职安全员进行安全管理,设立明显施工安全标志,运输车辆的装、卸料有专人指挥,确保施工安全。7、运输车辆经过的道路用水车洒水灭尘,避免尘烟污染环境,文明施工。8、雨季施工,随时关注天气变化,施工过程中遇到下雨时采取覆盖等措施进行保护已摊铺的混合料。五.工程质量保证措施1.施工前有针对性地对各工种进行技术培训I,制定各工序标准化作业细则,提高施工人员的整体技术水平。2、加强技术管理,严格执行工序交接检查制度,加大技术投入和管理力度,严格遵守操作规程及施工工艺流程。3、按要求配置施工设备和试验检测设备、以提高施工水平。4、在施工中充分发挥质量检查人员的作用,对各工序进行全面检查,使工程每一环节质量均有保证。5、加强对施工人员的技术教育和培训,提高技术素质,确保施工质量。6、所有材料进场时,材料员、质量员等根据有关技术指标对进场材料进行严格验收,以保证材料满足施工需求。7、按规定进行材料的抽样复检,检验合格后方可用于工程。8、坚决杜绝不合要求的材料进入现场。六、安全保证措施1.加强安全教育,规范施工作业。提前对工人进行安全培训,提高施工人员对安全生产重要性的认识,树立安全第一的思想,工人统一上意外伤害保险。一方面要让上路的施工人员必需穿带标志安全服,另一方面要加强施工车辆管理,保证上路车辆车况良好,各种手续齐全,避免事故发生。2、加强安全监督巡查。要求施工队在施工时,合理安排,加强工序衔接。3、建立长期的安全教育制度,定期对作业人员进行安全教育,使作业人员充分认识到安全作业的重要性,提高安全防范意识。4、合理摆放施工标志等安全设施。5、所有机械设备严禁非操作人员进行操作、酒后操作、疲劳操作。6、现场施工人员与机械车辆必须服从管理,统一调度,安排专人进行指挥。7、施工完毕后,施工现场杂物、材料清理干净。8、杜绝工程质量重大、一般一级事故的发生。杜绝施工机械设备重大及以上责任事故、交通安全责任事故。9、施工作业人员不得到施工区域以外活动,严格遵守各项规定。安全责任重于泰山,施工现场的安全管理十分重要,安全工作贯穿工程始终。七、文明施工措施1.各种施工标识齐全、完好并设置在明显位置。2、施工场地整齐有序,无杂物乱丢乱放。3、在现场施工过程中,符合施工技术规范和施工程序要求,不违章指挥、不蛮干。4、合理布置场地。各项临时设施必须符合规定标准,做到场地整洁、标志醒目、生产环境达到标准作业要求。八.环保保护措施项目部成立扬尘防治工作小组,负责施工现场扬尘污染控制的组织和落实,并从财力、物力、人力上实施战略部署,将本工程的施工扬尘控制融入到整个管理中。1.治理范围扬尘治理范围:施工现场2、保障措施施工过程中,严格按照道路扬尘污染防治工作导则、公路工程施工标准化技术指南及相关扬尘污染防治标准,严格落实扬尘控制六个百分之百的工作要求。3、出现5级以上大风天气时,禁止进行容易产生扬尘污染的施工作业。4、施工现场作业必须采用雾炮降尘,防止造成扬尘污染。5、施工现场的弃料必须及时清运,防止起尘。6、施工垃圾及时清运,适量洒水,减少扬尘。7、项目部成立防尘污染工作小组,定期对施工现场进行检查,发现问题,及时整改。8、施工区域内必须清洁、整齐,做到工完场清。

    注意事项

    本文(水泥稳定碎石施工方案(详细).docx)为本站会员(p**)主动上传,第壹文秘仅提供信息存储空间,仅对用户上传内容的表现方式做保护处理,对上载内容本身不做任何修改或编辑。 若此文所含内容侵犯了您的版权或隐私,请立即通知第壹文秘(点击联系客服),我们立即给予删除!

    温馨提示:如果因为网速或其他原因下载失败请重新下载,重复下载不扣分。




    关于我们 - 网站声明 - 网站地图 - 资源地图 - 友情链接 - 网站客服 - 联系我们

    copyright@ 2008-2023 1wenmi网站版权所有

    经营许可证编号:宁ICP备2022001189号-1

    本站为文档C2C交易模式,即用户上传的文档直接被用户下载,本站只是中间服务平台,本站所有文档下载所得的收益归上传人(含作者)所有。第壹文秘仅提供信息存储空间,仅对用户上传内容的表现方式做保护处理,对上载内容本身不做任何修改或编辑。若文档所含内容侵犯了您的版权或隐私,请立即通知第壹文秘网,我们立即给予删除!

    收起
    展开