欢迎来到第壹文秘! | 帮助中心 分享价值,成长自我!
第壹文秘
全部分类
  • 幼儿/小学教育>
  • 中学教育>
  • 高等教育>
  • 研究生考试>
  • 外语学习>
  • 资格/认证考试>
  • 论文>
  • IT计算机>
  • 法律/法学>
  • 建筑/环境>
  • 通信/电子>
  • 医学/心理学>
  • ImageVerifierCode 换一换
    首页 第壹文秘 > 资源分类 > DOCX文档下载
    分享到微信 分享到微博 分享到QQ空间

    XX工程竣工范本范本.docx

    • 资源ID:902959       资源大小:217.20KB        全文页数:58页
    • 资源格式: DOCX        下载积分:5金币
    快捷下载 游客一键下载
    账号登录下载
    三方登录下载: 微信开放平台登录 QQ登录
    下载资源需要5金币
    邮箱/手机:
    温馨提示:
    快捷下载时,如果您不填写信息,系统将为您自动创建临时账号,适用于临时下载。
    如果您填写信息,用户名和密码都是您填写的【邮箱或者手机号】(系统自动生成),方便查询和重复下载。
    如填写123,账号就是123,密码也是123。
    支付方式: 支付宝    微信支付   
    验证码:   换一换

    加入VIP,免费下载
     
    账号:
    密码:
    验证码:   换一换
      忘记密码?
        
    友情提示
    2、PDF文件下载后,可能会被浏览器默认打开,此种情况可以点击浏览器菜单,保存网页到桌面,就可以正常下载了。
    3、本站不支持迅雷下载,请使用电脑自带的IE浏览器,或者360浏览器、谷歌浏览器下载即可。
    4、本站资源下载后的文档和图纸-无水印,预览文档经过压缩,下载后原文更清晰。
    5、试题试卷类文档,如果标题没有明确说明有答案则都视为没有答案,请知晓。

    XX工程竣工范本范本.docx

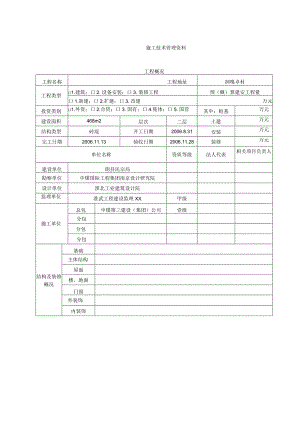
    施工技术管理资料工程概况工程名称工程地址洞嘎卓村工程类型1.建筑;口2.设备安装;口3.装修工程预(概)算建安工程量口1.新建;口2.扩建;口3.改建万元投资类别1.外资;口2.合资;口3.国有;口4.集体;口5.国营其中:桩基万元建设面积468m2层次二层土建万元结构类型砖混开工日期2006.8.31安装万元完工日期2006.11.13验收日期2006.11.28装修万元单位名称资质等级法人代表相关项目负责人建设单位朗县民宗局勘察单位中煤国际工程集团南京设计研究院设计单位淮北工业建筑设计院监理单位淮武工程建设监理XX甲级施工单位总包中煤第三建设(集团)公司壹级分包分包分包结构及装修概况基础主体结构屋面楼、地面门窗外装饰内装饰水、暖、卫电气附注:复核人:填表人:施工现场质量管理管控检查记录开工日期:2015年11月11日工程名称施工许可证(开工证)建设单位朗县民宗局相关项目负责人王合作设计单位淮北工业建筑设计院相关项目负责人监理单位淮武工程建设监理XX建设单位丁进民施工单位中煤第三建设(集团)公司封关项目经理牛刚相关项目技术负责人崔怀胜序号项目内容1现场质量管理管控制度质量例会制度;三检及交接检制度;月评比与奖罚制度;质量与经济挂钩制度2质量责任制岗位责任制;设计交底会制度;技术交底制度;挂牌制度3主要专业工种操作上岗证书测量工、钢筋工、电焊工、架子工4施工图纸审查情况己审查5地质勘察资料6施工组织设计、施工合适的方案及审批施工组织设计编制、审核、批准齐全7施工技术标准各技术标准齐全8工程质量检验制度原材料及施工制度;抽测相关项目自检测相关计戈I9搅拌站及计量设置有管理管控制度和计量设施,精确度及控制措施10现场材料、设备存放与管理管控钢材、砂、石、水泥及材料管理管控方法检查结论:建设单位:(签字并盖章)年月日开工报告建设单位:朗县民宗局工程名称工程地点施工单位中煤第三建设(集团)公司监理单位淮武工程建设监理XX中标价格万元承包方式合同合约编号合同合约工期天相关计划开工日期1关计划竣工日以说明上述准备工作已就绪,定于核,特此报告。施工单位:中煤第三建设(集团正式开工,)公司希望建设(监理)单位于前进行审相关项目经理:(公章)年月日审核意见:建设单位:(公章)年月日工程竣工报告00007工程名称结构类型工程地址洞嘎卓村建筑面积建设单位淮北矿业集团涡北煤矿开工日期设计单位淮北工业建筑设计院完工日期监理单位淮武监理公司合同合约工期施工单位中煤第三建设(集团)公司工程造价竣工条件具备相关项目合适的内容施工单位自检情况完成工程设计和合同合约的约定情况按合同合约约定及设计要求完成技术档案和施工管理管控资料齐全主要建筑材料、建筑构配件和设备的进场试验报告(含监督抽检)资料齐全情况工程款支付情况按合同合约支付工程质量保修书按合同合约有关条约条款执行监督站责令整改问题的执行情况按监理程序执行己完成设计和合同合约约定的各项合适的内容,工程质量符合有关法律、法规和工程建设强制性标准,特申请办理工程竣工验收手续。相关项目经理:企业技术负责人:法定代表人:(施工单位公章)年月日原材料出厂合格证及进场检(试验)报告施工日志日期:年月日星期OoOo25天气状况风力最高/最低温度备注白天夜间生产情况记录:(部位相关项目、机械作业、班组工作、生产存在问题)技术质量安全工作记录:(技术质量安全活动、技术质量安全问题、检查评定验收等)材料、构配件进场记录记录人工程负责人地基基础、主体、结构检验及抽样检测资料屋面泼水、淋水、蓄水试验记录000029工程名称:验收日期:工程检S验屋面蓄水试验:针对本工程的特点,对该工程的屋面进行蓄水试验,收部蓄水最浅水位为20mm,蓄水时间为24h位及情况试验经检查,屋面蓄水试验,蓄水最浅水位高出屋面最高点20mm,经结果24h,无渗漏现象,检查合格,符合标准。施监理工建单设位专职质检员:试验员:年月日1V-位监理工程师(签字并盖章)年月日侧所、厨房、阳台等有防水要求的地面泼水、蓄水试验记录000030工程名称:工程检查验收部位及情况厕浴间蓄水试验:在门口处用水泥砂浆做挡水墙,地漏周围高5cm,用球塞(或棉丝)把地漏堵严密且不影响试水,然后进行放水,蓄水最浅水位为20mm,蓄水时间为24h试验结果经检查厕浴蓄水试验,蓄水最浅水位高出地面最高点20mm,经24h,无渗漏现象,检查合格,符合标准。施工单位专职质检员:试验员:年月日监理(建设)单位监理工程师:(建设单位相关项目技术负责人)年月日工程质量验收记录单位(子单位)工程质量控制资料核查记录序号颜目资料名称磁核查意见核查人1图纸会审、设计变更、洽商记录齐全有效符合要求2工程定位测量、放线记录齐全有效符合要求3原材料出厂合格证书及进场检(试)验报告齐全有效符合要求4建筑施工试验报告及见证检测报告齐全有效符合要求5隐蔽工程验收记录齐全有效符合要求6与施工记录完整齐全有效符合要求7结构预制构件、预拌混凝土合格证8地基基础、主体结构检验及抽样检测资料齐全有效符合要求9分项、分部工程质量验收记录齐全有效符合要求10工程质量事故及事故调查处理资料11新材料、新工艺施工记录1图纸会审、设计变更、洽商记录齐全有效符合要求2给材料、配件出厂合格证书及进场检(试)验报告齐全有效符合要求3排水与管道、设备强度试验、严密性试验记录4隐蔽工程验收记录齐全有效符合要求5采系统清洗、灌水、通水、通球试验记录6暖施工记录7分项、分部工程质量验收记录1图纸会审、设计变更、洽商记录2材料、设备出厂合格证书及进场检(试)验报告3建筑电气设备调试记录4接地、绝缘电阻测试记录5隐蔽工程验收记录6施工记录7分项、分部工程质量验收记录结论:结论:施工单位相关项目经理(签字):日期:年月日建设单位(签字并盖章):日期:年月日施工单位施工单位一序号踪项目资料名彳沐份数核查意见核查人1图纸会审、设计变更、洽商记录2材料、设备出厂合格证书及进场检(试)验报告3通制冷、空调、水管道强度试验、严密性试验记录4风与空调隐蔽工程验收表5制冷设备运行调试记录6通风、空调系统调试记录7施工记录8分项、分部工程质量验收记录1图纸会审、设计变更、洽商记录2设备出厂合格证书及开箱检验记录3电隐蔽工程验收表4施工记录5梯接地、绝缘电阻测试记录6负荷试验、安全装置检查记录7分项、分部工程质量验收记录1图纸会审、设计变更、洽商记录、竣工图及设计说明2建筑智材料、设备出厂合格证及技术文件及进场检(试)验报告齐全有效符合要求3隐蔽工程验收记录4系统功能测定及设备调试记录5能系统技术、操作和维护手册6化系统管理管控、操作人员培训记录7系统检测报告8分项、分部工程质量验收报告齐全有效符合要求结论结论:施工单位建设单位相关项目经理(签字):(签字并盖章):年月日年月日单位(子单位)工程安全和功能检验费料核查及主要功能抽查记录000037工程名称施工单位序号相关项目安全和功能检查项目份数核查意见抽查结果核查(Mfi)人1建筑与结构屋面淋水试验记录齐全有效符合要求2地下室防水效果检查记录3有防水要求的地面蓄水试验记录齐全有效符合要求4建筑物垂直度、标高、全高测量记录齐全有效符合要求5烟气(风)道工程检查验收记录6幕墙及外窗气密性、水密性、耐风压检测报告7建筑物沉降观测测量记录8节能、保温测试记录9室内环境检测报告1给排水与采暖给水管道通水试验记录齐全有效符合要求2暖气管道、散热器压力试验记录齐全有效符合要求3卫生器具满水试验记录齐全有效符合要求4消防管道、燃气管道压力试验记录5排水干管通球试验记录齐全有效符合要求1电气照明全负荷试验记录齐全有效符合要求2大型灯具牢固性试验记录3避雷接地电阻测试记录4线路、插座、开关接地检验记录齐全有效符合要求1通风与空调通风、空调系统试运行记录2风量、温度测

    注意事项

    本文(XX工程竣工范本范本.docx)为本站会员(p**)主动上传,第壹文秘仅提供信息存储空间,仅对用户上传内容的表现方式做保护处理,对上载内容本身不做任何修改或编辑。 若此文所含内容侵犯了您的版权或隐私,请立即通知第壹文秘(点击联系客服),我们立即给予删除!

    温馨提示:如果因为网速或其他原因下载失败请重新下载,重复下载不扣分。




    关于我们 - 网站声明 - 网站地图 - 资源地图 - 友情链接 - 网站客服 - 联系我们

    copyright@ 2008-2023 1wenmi网站版权所有

    经营许可证编号:宁ICP备2022001189号-1

    本站为文档C2C交易模式,即用户上传的文档直接被用户下载,本站只是中间服务平台,本站所有文档下载所得的收益归上传人(含作者)所有。第壹文秘仅提供信息存储空间,仅对用户上传内容的表现方式做保护处理,对上载内容本身不做任何修改或编辑。若文档所含内容侵犯了您的版权或隐私,请立即通知第壹文秘网,我们立即给予删除!

    收起
    展开