欢迎来到第壹文秘! | 帮助中心 分享价值,成长自我!
第壹文秘
全部分类
  • 幼儿/小学教育>
  • 中学教育>
  • 高等教育>
  • 研究生考试>
  • 外语学习>
  • 资格/认证考试>
  • 论文>
  • IT计算机>
  • 法律/法学>
  • 建筑/环境>
  • 通信/电子>
  • 医学/心理学>
  • ImageVerifierCode 换一换
    首页 第壹文秘 > 资源分类 > DOCX文档下载
    分享到微信 分享到微博 分享到QQ空间

    铜冶炼工艺流程产污环节.docx

    • 资源ID:898393       资源大小:88.68KB        全文页数:3页
    • 资源格式: DOCX        下载积分:5金币
    快捷下载 游客一键下载
    账号登录下载
    三方登录下载: 微信开放平台登录 QQ登录
    下载资源需要5金币
    邮箱/手机:
    温馨提示:
    快捷下载时,如果您不填写信息,系统将为您自动创建临时账号,适用于临时下载。
    如果您填写信息,用户名和密码都是您填写的【邮箱或者手机号】(系统自动生成),方便查询和重复下载。
    如填写123,账号就是123,密码也是123。
    支付方式: 支付宝    微信支付   
    验证码:   换一换

    加入VIP,免费下载
     
    账号:
    密码:
    验证码:   换一换
      忘记密码?
        
    友情提示
    2、PDF文件下载后,可能会被浏览器默认打开,此种情况可以点击浏览器菜单,保存网页到桌面,就可以正常下载了。
    3、本站不支持迅雷下载,请使用电脑自带的IE浏览器,或者360浏览器、谷歌浏览器下载即可。
    4、本站资源下载后的文档和图纸-无水印,预览文档经过压缩,下载后原文更清晰。
    5、试题试卷类文档,如果标题没有明确说明有答案则都视为没有答案,请知晓。

    铜冶炼工艺流程产污环节.docx

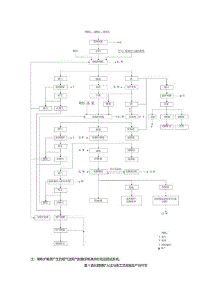
    钢精犷、速精矿、烧剂等噪声N注:精炼炉氟侧产生的烟气送烟气制酸系辄其余时段送脱硫系统。图1硫化铜精矿火法冶炼工艺流程及产污环节阴极铜G废气»,废水S固体废物N噪声图2湿法炼铜工艺流程及产污环节固废,I袭式收尘I原料制备卜卫生通风空气_H旋风收尘+I卜,II给雪收小1精矿蒸汽干爆技术II三-JI污染源密闭技术卫生通风烟气-:毓还L_卫生通风烟气.羲I-p-工艺烟气I富氧强化熔炼技术I余热回收利用技术II污染源密闭技术I收收尘电电收 式 I Iv I尘加Ilrl卫生通风烟气饯式收尘烟气制酸绝热蒸发稀酸冷却烟气净化技术I低位高效二氧化瓶干燥和三氧化旅I吸收技术1双接触技术I预转化技术I南化硫再循环技术I中温位、低温位余热回收技术时气脱硫混气.石灰/石灰石-石膏法IM活性焦吸附法I有机溶液循环吸收法理股压切置废一加危处吹炼I连续吹炼技术I余热回收利用技术I污染源密闭技术工艺烟气rA;电收尘ITIIJ酸污酸处理破化法+石灰石/石灰中I石灰+铁盐法污酸处理I技术精炼余热回收利用技术I回转阳极炉天然气还原技术污染源密闭技术铜阳极泥湿法处理工艺I污染源密闭技术I卫生通风空气蔽q还T裹讪还_卜_-塔冲 -收湍一收吸波一吸料力塔一气填动收一废吸恒由冢技水丽石灰中和法-;石灰铁盐(铝盐)法I净化+膜法废水深度处I理技术I"本1图例:-可脱_-M气 _硫烟1 -脱炼并气熔合 Lli说明:所有电收尘器、袋式收尘器所收粉尘均返【可工艺系统或作为中间产品出售>物料走向»污染掉放一|生产工序I工艺污染预防技术一一J6B8火法麻密缙染丽B可杼技术组合国I;污染治理技术

    注意事项

    本文(铜冶炼工艺流程产污环节.docx)为本站会员(p**)主动上传,第壹文秘仅提供信息存储空间,仅对用户上传内容的表现方式做保护处理,对上载内容本身不做任何修改或编辑。 若此文所含内容侵犯了您的版权或隐私,请立即通知第壹文秘(点击联系客服),我们立即给予删除!

    温馨提示:如果因为网速或其他原因下载失败请重新下载,重复下载不扣分。




    关于我们 - 网站声明 - 网站地图 - 资源地图 - 友情链接 - 网站客服 - 联系我们

    copyright@ 2008-2023 1wenmi网站版权所有

    经营许可证编号:宁ICP备2022001189号-1

    本站为文档C2C交易模式,即用户上传的文档直接被用户下载,本站只是中间服务平台,本站所有文档下载所得的收益归上传人(含作者)所有。第壹文秘仅提供信息存储空间,仅对用户上传内容的表现方式做保护处理,对上载内容本身不做任何修改或编辑。若文档所含内容侵犯了您的版权或隐私,请立即通知第壹文秘网,我们立即给予删除!

    收起
    展开