欢迎来到第壹文秘! | 帮助中心 分享价值,成长自我!
第壹文秘
全部分类
  • 幼儿/小学教育>
  • 中学教育>
  • 高等教育>
  • 研究生考试>
  • 外语学习>
  • 资格/认证考试>
  • 论文>
  • IT计算机>
  • 法律/法学>
  • 建筑/环境>
  • 通信/电子>
  • 医学/心理学>
  • ImageVerifierCode 换一换
    首页 第壹文秘 > 资源分类 > DOCX文档下载
    分享到微信 分享到微博 分享到QQ空间

    机械行业职业教育技能大赛:答案与评分标准---“精雕杯”五轴数控加工技能大赛.docx

    • 资源ID:892563       资源大小:31.21KB        全文页数:6页
    • 资源格式: DOCX        下载积分:5金币
    快捷下载 游客一键下载
    账号登录下载
    三方登录下载: 微信开放平台登录 QQ登录
    下载资源需要5金币
    邮箱/手机:
    温馨提示:
    快捷下载时,如果您不填写信息,系统将为您自动创建临时账号,适用于临时下载。
    如果您填写信息,用户名和密码都是您填写的【邮箱或者手机号】(系统自动生成),方便查询和重复下载。
    如填写123,账号就是123,密码也是123。
    支付方式: 支付宝    微信支付   
    验证码:   换一换

    加入VIP,免费下载
     
    账号:
    密码:
    验证码:   换一换
      忘记密码?
        
    友情提示
    2、PDF文件下载后,可能会被浏览器默认打开,此种情况可以点击浏览器菜单,保存网页到桌面,就可以正常下载了。
    3、本站不支持迅雷下载,请使用电脑自带的IE浏览器,或者360浏览器、谷歌浏览器下载即可。
    4、本站资源下载后的文档和图纸-无水印,预览文档经过压缩,下载后原文更清晰。
    5、试题试卷类文档,如果标题没有明确说明有答案则都视为没有答案,请知晓。

    机械行业职业教育技能大赛:答案与评分标准---“精雕杯”五轴数控加工技能大赛.docx

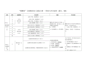
    “精雕杯”五轴数控加工技能大赛-一答案与评分标准(满分:100)任务序号检查事项评分细节答案评分标准1元素1叶轮:流道粗加工(1.5分)2工件1元素1叶轮:流道精加工(1分)3程序仿真元素1叶轮:叶片精加工(L5分)截图文件中须包含五个信息:1、模拟路径名称、NC代码;2、机床模拟完成进度条;截图文件中五个信息齐全即得全分:每项少一个信息扣0.2分。任务1:4(6分)元素2圆弧槽:精加工(1分)数控编程与仿真(115元素3定位凸台:侧壁精加工(1分)6元素4棱边结构:侧壁精加工(1分)3、工件模型;(元素1叶轮:流道粗加工、叶分)7工件2元素5圆弧槽:精加工(1分)4、夹具体模型;5、转台模型。片精加工,每项少一个信息扣0.3分)8程序仿真元素6键槽结构:侧壁精加工(1分)9(5分)元素7螺旋槽结构:粗加工(1分)IO元素8凸台结构:侧壁精加工(1分)完成测头跳动量的记录(0.5分)当前测头配置参数:1、测头跳动量:0003mm2、#1280:-0.015mm共4个采分点,每个采分点0.5分,按误差梯度配分。任务2:五轴数控加工(721测头标定(2分)完成测头的标定操作并记录数据(1分)1、误差W0.003mm(0.5分)2、0.003mm误差W0.005mm(0.3分)3、0.005mm误差WOQlmm(0.1分)4、误差0.0Imm(0分)完成测头标定量的验证,测量标准球直径(0.5分)3、#1270:0.009mm4、实测标准球直径:25.4005分)2五轴转台中心标定(3分)利用测头及标准球完成五轴转台中心标定,并记录数据当前五轴转台轴心参数1、A轴Y:-358.69012、A轴Z:365.67683、C轴X:-215.58834、C轴Y:-358.6901共4个采分点,每个采分点0.75分,按误差梯度配分。1、误差W0.005mm(0.75分)2、0.005mmiM0.01mm(0.5分)3、OQlmm误差0.025mm(0.2分)4、误差0.025mm(0分)3装配体检测(2分)装配总高度装配总高度尺寸109.4±0.1mm实际尺寸超出公差范围:(检测允差3um)1、实际尺寸满足公差要求(配分×1)2、(0.01-0.02)m(配分x.8)3、(0.02-0.03)m(配分x.5)4、(0.03-0.05)mm(配分×0.2)5、(0.05mm)(0分)工件1产品检测(30分)主观评判项目(5分)外观表面质量(1.5分)图纸相符程度碰撞、过切、欠切、轮廓不匹配等,一处扣03分,扣完即止(1分)锐边倒钝Co.2、去除毛刺每超一处扣62分,扣完即止(1.5分)表面无加工缺陷划伤、夹伤、振纹、抖纹、接刀、抬刀痕每一处扣0.3分,扣完即止(1分)其余粗糙度满足图纸要求其余粗糙度每超一处,扣0.2分,扣完即止粗糙度检测(2分)尺寸编号尺寸编号Ra0.2m每个编号粗糙度1分,按误差梯度配分。1、Ra0.2m(1分)2、0.2<Ra0.3m(0.6分)3、0.3<Ra0.4m(0.3分)4、Ra>0.4m(0分)三坐标尺寸检测(23分)尺寸编号(L5分)25(-0.053,-0.02)mm三坐标检测允差3m根据实际测量尺寸与图纸公差要求梯度配分。实际尺寸超出公差范围:1、实际尺寸满足公差要求(配分i)2、(5Um-10m)(配分x.8)3、(10m-15ym)(配分.5)4、(15m-20m)(配分*0.2)5、(>20m)(0分)尺寸编号(L5分)20(-0.053,-0.02)mm尺寸编号(1分)0.005mm尺寸编号(2分)5(+0.01,+0.03)mm尺寸编号(2分)51(+0.03,+0.05)mm尺寸编号(3分)0.01mm尺寸编号(3分)0.02mm尺寸编号(2分)60(+0.035,+0.05)mm尺寸编号(1分)0.01mm尺寸编号(1分)0.01mm尺寸编号(2分)55±0.02mm尺寸编号(3分)0.1mm工件2产品检测(35分)主观评判项目(5分)外观表面质量(1.5分)图纸相符程度碰撞、过切、欠切、轮廓不匹配等,一处扣03分,扣完即止(1分)锐边倒钝CO.2、去除毛刺每超一处扣02分,扣完即止(1.5分)表面无加工缺陷划伤、夹伤、振纹、抖纹、接刀、抬刀痕每一处扣0.3分,扣完即止。分)其余粗糙度满足图纸要求其余粗糙度每超一处,扣02分,扣完即止粗糙度检测(4分)尺寸编号Ra0.2m每个编号粗糙度1分,按误差梯度配分。1、Ra0.2m(1分)2、0.2VRaWO.3Hm(0.6分)3、0.3VRaWO.4Hm(0.3分)4、Ra>0.4m(0分)尺寸编号尺寸编号尺寸编号三坐标尺寸检测(26分)尺寸编号(15分)20(0,+0.033)mm三坐标检测允差3m根据实际测量尺寸与图纸公差要求梯度配分。实际尺寸超出公差范围:1、实际尺寸满足公差要求(配分i)2、(5m-10m)(配分x.8)3、(IOHnl-15Uln)(配分x.5)4、(15m-20m)(配分x.2)尺寸编号(1.5分)25(0,+0.033)mm尺寸编号(2分)80(+0.03,+0.05)mm尺寸编号(3分)0.02mm尺寸编号(3分)0.003mm尺寸编号(1分)54.4±0.02mm尺寸编号(2分)58(-0.03,-0.01)mm尺寸编号(2分)66±0.02mm4个尺寸,每个尺寸0.5分5、(>20m)(0分)尺寸编号(2分)4个尺寸,每个尺寸0.5分15(-0.03,-0.01)mm尺寸编号(1分)10±0.1mm尺寸编号(2分)4个尺寸,每个尺寸0.5分6(+0.03,+0.05)mm尺寸编号(3分)0.01mm尺寸编号(2分)3.28mm任务3:在机检测(111工件1在机检测(3分)尺寸编号(1分)以三坐标检测结果为依据评分根据在机检测与三坐标结果偏差范围梯度配分1、3m(配分*1)2、(3m-5m)(配分又0.8)3、(5m-8m)(配分x.5)4、(8Hm-15Um)(配分*0.2)2尺寸编号(1分)3尺寸编号(1分)4工件2尺寸编号(1分)5尺寸编号(1分)6尺寸编号(1分)分)7在机检测(8分)尺寸编号(1分)4个尺寸,每个尺寸0.25分5、15m(0分)检测报告中有多余尺寸项,单项扣0.5分8尺寸编号(1分)4个尺寸,每个尺寸0.25分9尺寸编号(1分)4个尺寸,每个尺寸0.25分10尺寸编号(2分)任务4:职业素1安全与职业素养公平竞赛,遵守赛场纪律,服从裁判(2分)严格遵守赛场纪律违纪扣2分,无违纪行为即得分2现场工具摆放整齐(1分)工具摆放于规定位置工具摆放于规定位置即得分养与安全操作(6分)3场地清洁,现场安全、文明生产(1分)场地整洁有序场地整洁即得分4遵守精雕机安全操作规程,安全操作精雕机(2分)遵守精雕机安全操作规程刀具损坏:扣0.5分加工中不关闭安全门:扣0.5分加工过程工件没夹紧造成掉落:扣0.5分

    注意事项

    本文(机械行业职业教育技能大赛:答案与评分标准---“精雕杯”五轴数控加工技能大赛.docx)为本站会员(p**)主动上传,第壹文秘仅提供信息存储空间,仅对用户上传内容的表现方式做保护处理,对上载内容本身不做任何修改或编辑。 若此文所含内容侵犯了您的版权或隐私,请立即通知第壹文秘(点击联系客服),我们立即给予删除!

    温馨提示:如果因为网速或其他原因下载失败请重新下载,重复下载不扣分。




    关于我们 - 网站声明 - 网站地图 - 资源地图 - 友情链接 - 网站客服 - 联系我们

    copyright@ 2008-2023 1wenmi网站版权所有

    经营许可证编号:宁ICP备2022001189号-1

    本站为文档C2C交易模式,即用户上传的文档直接被用户下载,本站只是中间服务平台,本站所有文档下载所得的收益归上传人(含作者)所有。第壹文秘仅提供信息存储空间,仅对用户上传内容的表现方式做保护处理,对上载内容本身不做任何修改或编辑。若文档所含内容侵犯了您的版权或隐私,请立即通知第壹文秘网,我们立即给予删除!

    收起
    展开