欢迎来到第壹文秘! | 帮助中心 分享价值,成长自我!
第壹文秘
全部分类
  • 幼儿/小学教育>
  • 中学教育>
  • 高等教育>
  • 研究生考试>
  • 外语学习>
  • 资格/认证考试>
  • 论文>
  • IT计算机>
  • 法律/法学>
  • 建筑/环境>
  • 通信/电子>
  • 医学/心理学>
  • ImageVerifierCode 换一换
    首页 第壹文秘 > 资源分类 > DOCX文档下载
    分享到微信 分享到微博 分享到QQ空间

    土建检测材料取样规则.docx

    • 资源ID:881771       资源大小:24.34KB        全文页数:4页
    • 资源格式: DOCX        下载积分:5金币
    快捷下载 游客一键下载
    账号登录下载
    三方登录下载: 微信开放平台登录 QQ登录
    下载资源需要5金币
    邮箱/手机:
    温馨提示:
    快捷下载时,如果您不填写信息,系统将为您自动创建临时账号,适用于临时下载。
    如果您填写信息,用户名和密码都是您填写的【邮箱或者手机号】(系统自动生成),方便查询和重复下载。
    如填写123,账号就是123,密码也是123。
    支付方式: 支付宝    微信支付   
    验证码:   换一换

    加入VIP,免费下载
     
    账号:
    密码:
    验证码:   换一换
      忘记密码?
        
    友情提示
    2、PDF文件下载后,可能会被浏览器默认打开,此种情况可以点击浏览器菜单,保存网页到桌面,就可以正常下载了。
    3、本站不支持迅雷下载,请使用电脑自带的IE浏览器,或者360浏览器、谷歌浏览器下载即可。
    4、本站资源下载后的文档和图纸-无水印,预览文档经过压缩,下载后原文更清晰。
    5、试题试卷类文档,如果标题没有明确说明有答案则都视为没有答案,请知晓。

    土建检测材料取样规则.docx

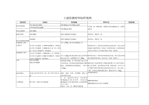
    土建检测材料取样规则检验项目验收批取样数量取样方法检测依据热轧带肋钢筋带E钢筋每批W30t5根500mm+1根700mm钢筋不同根(盘)钢筋切取,每根端头切取50Omm后,切取所需样品不带E钢筋每批W60t7根50Omm钢筋热轧光圆钢筋每批W60t碳素结构钢每批W60t2根长50Omm*宽20mm取样部位:钢材的一端低合金高强度结构钢每批60i2根长50Omm*宽20mm取样部位:钢材的一端普通混凝土用碎石和卵石以大型工具运输的,以400n?或60S为一验收批:以小型工具运输的,以200m'或3(X)t为一验收批,不足以上数量者以一验收批论。不少于80kg(最大粒径40mm)0取样部位均匀,取样前先将取样部位表面铲除,然后由各部位抽取大致相等的石子16份(在料堆的顶部、中部和底部各由均匀分布的五个不同部位取得)组成一组样品。普通混凝土用砂以大型工具运输的,以MOn?或600t为一验收批:以小型工具运输的,以200?或30Ot为一验收批,不足以上数量者以一验收批论。不少于30kg,同时委托混凝土配合比和砂浆配合比设计时,送检数量不少于90kg。取样部位均匀,取样前先将取样部位铲除,然后由各部位抽取大致相等的砂8份,混合均匀,组成一组样品。水泥散装水泥500l袋装水泥W200t送检数量212kg(用于委托混凝土配合比设计所用水泥,应在检验合格的验收批中随机抽取,送样数量按实际需要确定,一般不少于50kg)。袋装水泥:用水泥取样管,再随机选择20个以上的不同部位,插入适当深度,每次的样品应等量。散装水泥:从不少于3个车罐不同部位所取得的水泥样品拌合均匀后,放入洁净、干燥、不易受污染的防潮仪器中,数量不易少于12kg0烧结普通砖每3.5万块-15万块为一批,低于3.5万亦作为一批。强度:10块:泛霜、石灰爆裂、冻融、抗风化性能各5块。采用随机抽样法干压陶瓷砖整个项目、每种产品分别检测1,同一规格型号的砖,单砖面积N0.16mm2,取10块试样,单砖面积0.16mm2,至少取30块试样。且总取样面积不少于1m2。2.按同一工程、同一规格型号随机抽GBf4100-2015GB3810.2.3.4.7.9.11.12-2016取3.试样应与实际使用相符。烧结空心砖每3.5万块“5万块为一批。强度:5块;抗冻性:5块(无破损)。采用随机抽样法蒸压砌块每1万块为一批,不足1万块亦为一批。体积密度:3组(9块)强度:3组(9块)。采用随机抽样法。混凝土试件L每拌制1()()盘且不超过IoOm3的同配合比的混凝土,取样不得少于一次;2 .每工作班拌制的同一配比的混凝土不足10()盘时,取样不得少于1次;3 .当一次连续浇筑超过IoOom3时,同一配合比的混凝土每200«?取样不得少于1次。强度:3个试件为一组。应在混凝土浇筑地点随机抽取。建筑砂浆L同盘砂浆只应制作一组;2.不超过250m3砌体的同一类型、同一强度等级的砌筑砂浆,每台搅拌机至少抽检一次;3.检验水泥砂浆强度试块的组数,每一层建筑地面工程不少于1组。一组为3个70.7tnm*70.7*mm70.7mm立方体试块。在砂浆搅拌机出料口随机取样制作砂浆试块。湿拌砂浆.每50m3同配比的湿拌砂浆取样不少于1次;每一工作班同配比的湿拌砂浆不足50m3时,取样也不少于1次。30L(50kg)1.随机取样:2.从同一运输车中取样时在卸料量的1/4至3/4之间抽取干混砂浆年产IXIO4吨以下,不超过20Ot或Id的产量为一批:年产IXIO44XIO4吨,不超过40Ot或X的产量为一批;年产4XIO1K)Xlo4吨,不超过60Ot或Id的产量为一批;年产IoXlO4吨以上,不超过80Ot或Id的产量为一批:30kg1.随机取样;外窗(气密性能、水密性能、抗风压性能)整个项目3橙GB/T7106-2019门窗节能工程验收(门窗保温性能)整个项目1件GB/T8484-2020建筑外窗气密性(现场试验)整个项目一组3模JG/T211-2007GB/T31433-2015中空玻璃露点试验:取51OmmX36Onln15块遮阳系数试验:根据构造不同分别取最小50三X50nm,最大100un×100mm一块,(如5+12+6取1块5mm、1块6ran)GB/T11944-2012弹性体改性沥青防水卷材同一规格、同一类型IoooO肝为一批,不足10000肝按一批计算长2.0In全幅卷材一块在同批卷材中,任取一卷材,切除距外层卷头2500mm后,顺纵向切取长度2m的全副卷材一块。土方回填桩基回填,抽查桩基总数的10%,但不少于5组:基槽和管沟回填,每层按20-50m取样1组,但不应少于1组;基坑和室内填土,每层按IOP500m2取样一组,场地平整,每层按40(900m2取样一组,但不少于1组。依工程实际情况而定用环刀取样,采取现场随机抽样法。建筑生石灰每100t为一检测批。每批取4kg室内污染物环境检测按每个建筑单体具有代表性的房间进行抽检,抽检数量不得少于总房间数的5%,且不得少于3间。房间数量少于3间时,应逐一检测。幼儿园、学校教室、学生宿舍、老年人照料房屋设施室内装饰装修验收时,冢,甲醛、氨、苯、甲苯、二甲苯、TVOC的抽检量不少于房间总数的50%,且不得少于20间。房间数量不大于20间时,应全数检测。房间使用面积5011r时,设I个检测点;房间使用面积250m'且100HfB寸,设2个检测点;房间使用面积210011f且500时,设不少于3个检测点;房间使用面积250011T且1000时,设不少于5个检测点;房间使用面积2100011f时,分Iooonf的部分,每增加100Onf增设1,增加面积不足1000m'时按增加Iooon1'计算。高强度螺栓预拉力、扭矩系数制造厂和安装单位应分别以钢结构批为单位进行抗滑移系数试验。制造批可按分部(子分部)工程划分规定的工程量可2(XX)t为一批,不足2000可视为一批,选用两种及两种以上表面处理工艺时,每种处理工艺单独检验。现场处理的构件摩擦面应单独进行摩擦面抗滑移系数试验。抽取8套螺栓随机抽取

    注意事项

    本文(土建检测材料取样规则.docx)为本站会员(p**)主动上传,第壹文秘仅提供信息存储空间,仅对用户上传内容的表现方式做保护处理,对上载内容本身不做任何修改或编辑。 若此文所含内容侵犯了您的版权或隐私,请立即通知第壹文秘(点击联系客服),我们立即给予删除!

    温馨提示:如果因为网速或其他原因下载失败请重新下载,重复下载不扣分。




    关于我们 - 网站声明 - 网站地图 - 资源地图 - 友情链接 - 网站客服 - 联系我们

    copyright@ 2008-2023 1wenmi网站版权所有

    经营许可证编号:宁ICP备2022001189号-1

    本站为文档C2C交易模式,即用户上传的文档直接被用户下载,本站只是中间服务平台,本站所有文档下载所得的收益归上传人(含作者)所有。第壹文秘仅提供信息存储空间,仅对用户上传内容的表现方式做保护处理,对上载内容本身不做任何修改或编辑。若文档所含内容侵犯了您的版权或隐私,请立即通知第壹文秘网,我们立即给予删除!

    收起
    展开