欢迎来到第壹文秘! | 帮助中心 分享价值,成长自我!
第壹文秘
全部分类
  • 幼儿/小学教育>
  • 中学教育>
  • 高等教育>
  • 研究生考试>
  • 外语学习>
  • 资格/认证考试>
  • 论文>
  • IT计算机>
  • 法律/法学>
  • 建筑/环境>
  • 通信/电子>
  • 医学/心理学>
  • ImageVerifierCode 换一换
    首页 第壹文秘 > 资源分类 > DOCX文档下载
    分享到微信 分享到微博 分享到QQ空间

    E6.86金属幕墙工程检验批质量验收记录表.docx

    • 资源ID:880413       资源大小:21.21KB       
    • 资源格式: DOCX        下载积分:5金币
    快捷下载 游客一键下载
    账号登录下载
    三方登录下载: 微信开放平台登录 QQ登录
    下载资源需要5金币
    邮箱/手机:
    温馨提示:
    快捷下载时,如果您不填写信息,系统将为您自动创建临时账号,适用于临时下载。
    如果您填写信息,用户名和密码都是您填写的【邮箱或者手机号】(系统自动生成),方便查询和重复下载。
    如填写123,账号就是123,密码也是123。
    支付方式: 支付宝    微信支付   
    验证码:   换一换

    加入VIP,免费下载
     
    账号:
    密码:
    验证码:   换一换
      忘记密码?
        
    友情提示
    2、PDF文件下载后,可能会被浏览器默认打开,此种情况可以点击浏览器菜单,保存网页到桌面,就可以正常下载了。
    3、本站不支持迅雷下载,请使用电脑自带的IE浏览器,或者360浏览器、谷歌浏览器下载即可。
    4、本站资源下载后的文档和图纸-无水印,预览文档经过压缩,下载后原文更清晰。
    5、试题试卷类文档,如果标题没有明确说明有答案则都视为没有答案,请知晓。

    E6.86金属幕墙工程检验批质量验收记录表.docx

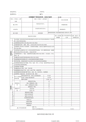
    福州市轨道交通*号线工程承包单位:合同号:监理单位:编号:金属幕墙工程检验批质验收记录表E6.86单位(子单位)工程名称分部(子部分)工程名称分项工程名称施工单位项目技术负责人检验批容量分包单位分包单位项目负责人检验批部位施工依据验收依据建筑装饰装修工程质量验收规范GB50210-2001验收项目及要求最小/实际抽样数量施工单位检查评定记录监理(建设)单位验收记录主控项目1金屈幕墙工程所使用的各种材料和配件必须符合设计要求及国家现行产品标准和工程技术规范的规定2金属幕墙的造型和立面分格必须符合设计要求3金属面板的品种、规格、颜色、光泽及安装方向应符合设计要求4金属幕墙主体结构上的预埋件、后置埋件的数量、位置及后置埋件的拉拔力必须符合设计要求5金属幕墙的金属框架立柱与主体结构预埋件的连接,立柱与横梁的连接,金属面板的安装必须符合设计要求,安装必须牢固6金属幕墙的防火、保温、防潮材料的设置必须符合设计要求,并应密实、均匀、厚度一致7金属框架及连接件的防腐处理必须符合设计要求8金属幕墙的防雷装置必须与主体结构的防雷装置可靠连接9各种变形缝、墙角的连接节点必须符合设计要求和技术标准规定10金属幕墙的板缝注胶应饱满、密实、连续、均匀、无气泡,宽度和厚度应符合设计要求和技术标准的规定11金属幕墙严禁渗漏一般项目1金属板收而应平整、洁净、色泽致2金属幕墙的压条应平直、洁净、接口严密、安装牢固3金属幕墙的密封胶缝应横平竖直、深浅一致、宽窄均匀、光滑顺直4金属幕墙上的滴水线,流水坡向应正确,顺直5每平方米玻璃表面质量明显划伤和长度100nlm的轻微划伤不允许长度10Omm的轻微划伤8条擦伤总面枳500nm6幕墙垂直度幕墙高度W30m1030m幕墙高度60m1560!«幕墙高度五900)20幕墙高度90m257幕墙水平度层高W3m3层高3m58幕墙表面平整度29板材立面垂直度210板材上沿水平度211相邻板材板角错位112阳角方正213培缝盲线摩314接缝高低差115接缝宽度1.施工单位检查结果施工员:项目专业质量检查员:年月日监理单位验收结论专业监理工程师:年月日

    注意事项

    本文(E6.86金属幕墙工程检验批质量验收记录表.docx)为本站会员(p**)主动上传,第壹文秘仅提供信息存储空间,仅对用户上传内容的表现方式做保护处理,对上载内容本身不做任何修改或编辑。 若此文所含内容侵犯了您的版权或隐私,请立即通知第壹文秘(点击联系客服),我们立即给予删除!

    温馨提示:如果因为网速或其他原因下载失败请重新下载,重复下载不扣分。




    关于我们 - 网站声明 - 网站地图 - 资源地图 - 友情链接 - 网站客服 - 联系我们

    copyright@ 2008-2023 1wenmi网站版权所有

    经营许可证编号:宁ICP备2022001189号-1

    本站为文档C2C交易模式,即用户上传的文档直接被用户下载,本站只是中间服务平台,本站所有文档下载所得的收益归上传人(含作者)所有。第壹文秘仅提供信息存储空间,仅对用户上传内容的表现方式做保护处理,对上载内容本身不做任何修改或编辑。若文档所含内容侵犯了您的版权或隐私,请立即通知第壹文秘网,我们立即给予删除!

    收起
    展开