欢迎来到第壹文秘! | 帮助中心 分享价值,成长自我!
第壹文秘
全部分类
  • 幼儿/小学教育>
  • 中学教育>
  • 高等教育>
  • 研究生考试>
  • 外语学习>
  • 资格/认证考试>
  • 论文>
  • IT计算机>
  • 法律/法学>
  • 建筑/环境>
  • 通信/电子>
  • 医学/心理学>
  • ImageVerifierCode 换一换
    首页 第壹文秘 > 资源分类 > DOCX文档下载
    分享到微信 分享到微博 分享到QQ空间

    景观耐候钢材料力学性能、强度设计参数、耐候钢景观部品类型及设计要求、角钢构件长细比修正系数K.docx

    • 资源ID:850831       资源大小:32.84KB        全文页数:5页
    • 资源格式: DOCX        下载积分:5金币
    快捷下载 游客一键下载
    账号登录下载
    三方登录下载: 微信开放平台登录 QQ登录
    下载资源需要5金币
    邮箱/手机:
    温馨提示:
    快捷下载时,如果您不填写信息,系统将为您自动创建临时账号,适用于临时下载。
    如果您填写信息,用户名和密码都是您填写的【邮箱或者手机号】(系统自动生成),方便查询和重复下载。
    如填写123,账号就是123,密码也是123。
    支付方式: 支付宝    微信支付   
    验证码:   换一换

    加入VIP,免费下载
     
    账号:
    密码:
    验证码:   换一换
      忘记密码?
        
    友情提示
    2、PDF文件下载后,可能会被浏览器默认打开,此种情况可以点击浏览器菜单,保存网页到桌面,就可以正常下载了。
    3、本站不支持迅雷下载,请使用电脑自带的IE浏览器,或者360浏览器、谷歌浏览器下载即可。
    4、本站资源下载后的文档和图纸-无水印,预览文档经过压缩,下载后原文更清晰。
    5、试题试卷类文档,如果标题没有明确说明有答案则都视为没有答案,请知晓。

    景观耐候钢材料力学性能、强度设计参数、耐候钢景观部品类型及设计要求、角钢构件长细比修正系数K.docx

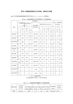
    附录A景观耐候钢材料力学性能、强度设计参数A.0.1景观用耐候钢材料应符合表A.0.1-1A.0.1-3的规定。表AOl-I耐候钢材的力学性能和工艺性能要求拉伸试验a180。弯曲试验弯心直径牌号下屈服强度不dReL(Nmm2)、于抗拉强度断后伸长率A%不小于<16>16-40>40-60>60Rm(Nmm2)16>16-40>4060>606>616>16Q235NH23522521521536051025252423aa2aQ295NH29528527525543056024242322a2a3aQ295GNH295285430-56()2424a2a3aQ355NH355345335325490-63022222120a2a3aQ355GNH355345490-6302222a2a3aQ415NH415405395520-680222220a2a3aQ460NH460450440570730202019a2a3aQ5(X)NH5004904806(M)760181615a2a3aQ55ONH550540530620780161615a2a3aQ265GNH265>41027aQ310GNH310>45026a注:为钢材厚度。a当屈服现象不明显时,可以采用Rpo.2表A.0.1-2耐候钢高强螺栓力学性能要求螺栓等级抗拉强度RaZMPa非比例延伸强度Ra02ZMPa断后伸长率A%断后收缩率Z%冲击吸收功AJ维氏硬度HV30洛氏硬度HRC国标830-103660>12456324929624-318.8S级O国标10.9S级1040-1240940104247312-36733-39注:当螺性的材料直径16mm时,根据用户要求,进行常温冲击试验。表A.0.1-3耐候钢强度设计值(NZmm2)钢号厚度t屈服强度抗拉强度抗剪强度承压强度Q235NHt1623521612529516<t4022520712040<t<60215198115t>60215198115Q295NHt1629527115734416<t<4028526215240<t60275253147t>60255235136Q355NHt<1635532718940216<t<4034531718440<t60335308179t>60325299173Q460NHt<1646041424045116<t<4045040523540<t<60440396230t>60430387224Q295GNH(热轧)t6295271157320t>6295271157Q295GNHL(热轧)t6295271157353t>6295271157Q345GNH(热轧)t6345317184361t>6345317184Q345GNHL(热轧)t6345317184394t>6345317184Q390GNH(热轧)t6390359208402t>6390359208Q295GNH(冷轧)t2.5260239139320Q295GNHL(冷轧)t<2.5260239139320Q345GNHL(冷轧)t2.5320294171369附录B耐候钢景观部品类型及设计要求B.0.1耐候钢景观构筑物部品类型及设计要求表BOl耐候钢景观构筑物部品类型及设计要求类型功能设计要求配合关系架廊架界定联系景观空间,提供观赏休息场所。具有安全性和美观性,尺度适宜常于广场和节点空间内设置,结合座椅布置。花架供攀藤类植物攀爬和悬挂盆栽类植物满足植物的生长需求,悬挂类连廊花架下方需留够空间供人通行侨联系分割空间,与水面互动符合桥梁设计的基本规范要求,近2m范围内水深大于0.5m时;两侧需设置栏杆,过游船的桥底应与常水位直径净空高度不应小于1.5m当尺寸较大时,可配合廊、亭和座椅进行设计。门分割空间,界定入设计应形态丰富具有趣味,互动性强可与景观雕塑、景观构筑物呼应形成对景装饰柱观赏、标识可单一浮雕或多个阵列排布常位于空间节点,如入口、广场等空间内部。座椅休息、观景座高0.350.45m,宽0.40.6m,座板倾角6。7。结合道路、节点空间、照明灯和绿植布置。垃圾箱收集垃圾高度0.60.8m,使用清洁便于投放配合座椅设置照明灯罩控制光影变化镂空部分滤光,形成空间标识场景多元栏杆栏板保护、限定安全坚固,符合规范配合无障碍设计标识系统指引、标明用于布告栏、导游图、指路标牌以及说明牌,标志醒目、内容清晰明确置于关键节点和道路交叉口B.0.2耐候钢侧壁挡墙部品类型及设计要求表B.0.2耐候钢侧壁挡墙部品类型及设计要求类型功能设计要求配合关系墙景观墙分为视觉焦点的独立景墙和形成一系列序列的连续景墙。主要功能为分隔组织空间、引导游览、造景等作用。供人观赏、遮挡视线,形成画面背景。利用耐候钢的延展性和强大的可塑性,在表面绘制笔画、浮雕、镂空。具有主体性、生态性、写意性和文化性。高度根据视觉感受确定。可配合藤整植物、进行合理种植,也可结合构筑物、水景,形成生态和美学共存的绿色景墙挡土墙支承路基填土或山坡土体、防止填土或土体变形失稳。同时,配合设计师材质多选用大于5mm的板,一般采用厚度5、6、8、10、12mm。骨架多选用根据高度变化有时也可作为景墙,可与桌椅凳进行景观地形、道路的限定。镀锌角钢或方钢。结合。围墙围护、限界根据地形设定围护、安全的要求,高度在1.82.2m之间。可结合盆花和垂直绿化的要求。附录C角钢构件长细比修正系数KC.0.1角钢构件长细比修正系数K:1两端双肢连接的主材长细比修正系数K二L2其他受压构件长细比修正系数按表COl-I计算;表COl-I受压构件长细比修正系数K序号杆件端部受力状况长细比长细比修正系数K适用构件举例1两端中心受压0<Lor<1201双肢连接的构件2一端中心另一端偏心受压O<Lor<12O0.75+30(Lr)1.一端双肢连接另端单肢连接的构件;2.交叉斜材3两端偏心受压0<Ur<1200.5+60(Lr)两端单肢连接的构件4两端无约束l2O<Lor<2OO1单个螺栓连接的交叉斜材和单斜材5一端有约束12O<Lor<2250.762-28.6(Lr)两个以上螺栓连接的交叉斜材6两端有约束120<lr<2500.615-46.2(Lr)两端均有两个以上螺栓连接的构件表C.0.1-2辅助材长细比修正系数K序号杆件端部受力状况长细比长细比修正系数K适用构件举例1两端偏心受压0<Lr<1201两端单肢连接的构件2两端无约束120L<r2501单个螺栓连接的交叉斜材和单斜材3一端有约束120Lor<2900.762-28.6(Lr)两个以上螺栓连接的交叉斜材4两端有约束120Lor3300.615-46.2(Lr)两端均有两个以上螺栓连接的构件

    注意事项

    本文(景观耐候钢材料力学性能、强度设计参数、耐候钢景观部品类型及设计要求、角钢构件长细比修正系数K.docx)为本站会员(p**)主动上传,第壹文秘仅提供信息存储空间,仅对用户上传内容的表现方式做保护处理,对上载内容本身不做任何修改或编辑。 若此文所含内容侵犯了您的版权或隐私,请立即通知第壹文秘(点击联系客服),我们立即给予删除!

    温馨提示:如果因为网速或其他原因下载失败请重新下载,重复下载不扣分。




    关于我们 - 网站声明 - 网站地图 - 资源地图 - 友情链接 - 网站客服 - 联系我们

    copyright@ 2008-2023 1wenmi网站版权所有

    经营许可证编号:宁ICP备2022001189号-1

    本站为文档C2C交易模式,即用户上传的文档直接被用户下载,本站只是中间服务平台,本站所有文档下载所得的收益归上传人(含作者)所有。第壹文秘仅提供信息存储空间,仅对用户上传内容的表现方式做保护处理,对上载内容本身不做任何修改或编辑。若文档所含内容侵犯了您的版权或隐私,请立即通知第壹文秘网,我们立即给予删除!

    收起
    展开