欢迎来到第壹文秘! | 帮助中心 分享价值,成长自我!
第壹文秘
全部分类
  • 幼儿/小学教育>
  • 中学教育>
  • 高等教育>
  • 研究生考试>
  • 外语学习>
  • 资格/认证考试>
  • 论文>
  • IT计算机>
  • 法律/法学>
  • 建筑/环境>
  • 通信/电子>
  • 医学/心理学>
  • ImageVerifierCode 换一换
    首页 第壹文秘 > 资源分类 > DOCX文档下载
    分享到微信 分享到微博 分享到QQ空间

    建筑工程大六角高强度螺栓连接分项工程质量管理.docx

    • 资源ID:847754       资源大小:52.77KB        全文页数:10页
    • 资源格式: DOCX        下载积分:5金币
    快捷下载 游客一键下载
    账号登录下载
    三方登录下载: 微信开放平台登录 QQ登录
    下载资源需要5金币
    邮箱/手机:
    温馨提示:
    快捷下载时,如果您不填写信息,系统将为您自动创建临时账号,适用于临时下载。
    如果您填写信息,用户名和密码都是您填写的【邮箱或者手机号】(系统自动生成),方便查询和重复下载。
    如填写123,账号就是123,密码也是123。
    支付方式: 支付宝    微信支付   
    验证码:   换一换

    加入VIP,免费下载
     
    账号:
    密码:
    验证码:   换一换
      忘记密码?
        
    友情提示
    2、PDF文件下载后,可能会被浏览器默认打开,此种情况可以点击浏览器菜单,保存网页到桌面,就可以正常下载了。
    3、本站不支持迅雷下载,请使用电脑自带的IE浏览器,或者360浏览器、谷歌浏览器下载即可。
    4、本站资源下载后的文档和图纸-无水印,预览文档经过压缩,下载后原文更清晰。
    5、试题试卷类文档,如果标题没有明确说明有答案则都视为没有答案,请知晓。

    建筑工程大六角高强度螺栓连接分项工程质量管理.docx

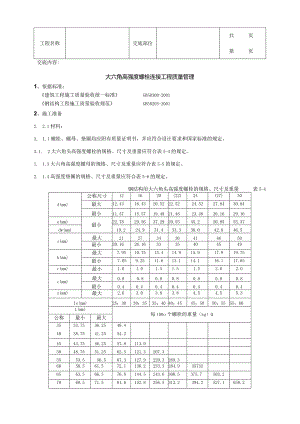
    工程名称交底部位共页第页交底内容:大六角高强度螺栓连接工程质量管理1、依据标准:建筑工程施工质量验收统一标准GB50300-2001钢结构工程施工质量验收规范GB50205-20012、施工准备2. 2.1材料:3. 1.l螺栓、螺母、垫圈均应附有质量证明书,并应符合设计要求和国家标准的规定。3.1. 2大六角头高强度螺栓的规格、尺寸及重量应符合表5-4的规定。1. 1.3大六角高强度螺母的规格、尺寸及重量应符合表5-5的规定。2. 1.4高强度垫圈的规格、尺寸及重量应符合表5-6的规定。钢结构用大六角头高强度螺栓的规格、尺寸及重量表5-4d(mm)公称尺寸121620(22)24(27)30最大12.4316.4320.5222.5224.5227.8430.84最小11.5715.5719.4821.4823.4826.1629.16e(mm)最小22.7829.5637.2939.5545.250.8555.37dw(mm)19.224.931.433.338.042.846.5s(mm)最大21273436414650最小20.1626.163335404549h(mm)最大7.9510.7513.414.915.917.919.75最小7.059.2511.613.114.116.117.65r(mm)最小1.01.01.51.51.52.02.0c(mm)最大0.80.80.80.80.80.80.8最小0.40.40.40.40.40.40.4z(mm)最大2.63.03.83.84.54.55.3Io(mm)25;3030;3535;4040;4545;5050;5555;601(mm)每100o个螺栓的重量(kg)Q公称最小最大354033.7538.7536.2541.2549.454.24543.7546.2557.8113.05048.7551.2562.5121.3207.35553.556.567.3127.9220.3269.36058.561.572.1136.2233.3284.9357326563.566.576.8144.5243.6300.5375.7503.27068.571.581.6152.8256.5313.2394.2527.1658.2工程名称交底部位共页第页交底内容:7573.576.586.3161.2269.5328.9407.1551.0687.58078.581.5169.5282.5344.5428.6570.2716.88583.2586.75177.8295.5360.1446.1594.1740.39088.2591.75186.1308.5375.8464.7617.9769.69593.2596.75194.4321.4391.4483.2641.8799.010098.25101.75202.8334.4407.0501.7665.7828.3110108.25111.75219.4360.4438.3538.8713.5886.9120118.25121.75236.1386.3469.6575.9761.3945.6130128132252.7412.3500.8612.9809.11004.2140138142438.3532.1650.0856.91062.8150148152464.2563.4687.1904.71121.5160156165490.2594.6724.2952.41180.1170166174625.9761.21000.21238.7180176184657.2798.31048.01297.4190186194688.4835.41095.81356.0200196204719.7872.41143.61414.7220216224782.2946.61239.21531.92402302441020.71334.71649.22602562641430.31766.5注:1.括号内的规格,尽可能不采用。2.虚线以上部分的螺纹长度,按10栏内的前面数值采用(亦允许螺杆上全部制出螺纹);虚线以下部分的螺纹长度,按10栏内的后面数值采用。3. dw的最大尺寸,等于S的实际尺寸。钢结构用高强度大六角螺母的规格、尺寸及重量表5-5d(mm)121620(22)24(27)30S(Inm)最大21273436414650最小20.1626.163335404549h(mm)最大12.317.120.723.624.227.630.7最大11.8716.419.422.322.926.329.1e(mm)最小22.7829.5637.2939.5545.2050.8555.37dw(mm)19.224.931.433.338.042.846.6C最大0.80.80.80.80.80.80.8(mm)最小0.40.40.40.40.40.40.4每1000个螺母的重量(kg)Q27.6861.51118.77146.59202.67288.51374.01注:1.括号内的规格,尽可能不采用。工程名称交底部位共页第页交底内容:Zdw的最大尺寸,等于$的实际尺寸。钢结构用富强度垫圈的规格、尺寸及重量表5-6公称直径(螺纹直径d)(mm)121620(22)24(27)30d(mm)最大13.4317.4321.5223.5225.5228.5231.62最小(公称)13172123252831d2(mm)最大(公称)25334042475256最小23.731.438.440.445.450.454.1t(mm)最大3.33.34.35.35.36.36.3最小2.52.53.54.54.55.55.5c(mm)最大1.61.62.22.22.22.92.9最小1.21.21.81.81.82.52.5每100O个垫圈的重量(kg)Q9.0315.9629.8439.3950.7172.0981.96注:括号内的尺寸,尽可能不采用。2.1.5不同等级的大六角头高强度螺栓的材料性能必须符合表5-7的规定。不同等级的大六角头高强度螺栓的材料性能表5-7性能等级抗拉强度。bNmm2(kgfmm2)屈服强度o0.2Nmm2(kgfmm2)伸长率65(%)收缩率(%)冲击韧性kJcm2(kgf.m/cm2)不小于10.9S10401240(106126)940(95)104259(6)8.8S830-1030(85105)660(68)124578(8)2.1.6不同规格的高强度螺栓的机械性能、拉力应符合表5-8的规定。不同规格大六角头高强度螺栓的机械性能、拉力表5-8公称直径d(mm)121620(22)24(27)30公称应力截面积As(mm2)84.3157245303353459561工程名称交底部位共页第页交底内容:性能等级10.9S拉力截荷N(kgf)87700-104500(894010700)163000-195000(16600-19800)255000-304000(26000-31000)315000-376000(32100-38300)367000438000(48600-58000)477000-569000(4860058000)583000-696000(59400-70900)8.8S70000-86800(7140-8850)I30000162000(13300-16500)203000252000(2070025700)251000-312000(25600-31800)293000364000(2990037000)381000-47.000(3880048200)466000-578000(47500-58900)2.1.7大六角头高强度螺栓的硬度应符合表5-9的规定。螺栓硬度表5-9性能等级维氏硬度HV30洛氏硬度HRC10.9S31236733398.8S249-29624-312.1.8大六角头高强度螺栓的连接副是由一个螺栓、二个垫圈、一个螺母组成,螺栓、螺母的垫圈应按表5T0规定配套使用。螺栓、螺母和垫圈的配套表5-10螺栓螺母垫圈10.9SIOHHRC34458.8S8HHRC35452.1.9大六角头高强度螺栓验收入库后应按规格分类存放。应防雨、防潮,遇有螺纹损伤或螺栓、螺母不配套时不得使用。2.1.10大六角头高强度螺栓存放时间过长,或有锈蚀时,应抽样检查紧固轴力,待满足要求后

    注意事项

    本文(建筑工程大六角高强度螺栓连接分项工程质量管理.docx)为本站会员(p**)主动上传,第壹文秘仅提供信息存储空间,仅对用户上传内容的表现方式做保护处理,对上载内容本身不做任何修改或编辑。 若此文所含内容侵犯了您的版权或隐私,请立即通知第壹文秘(点击联系客服),我们立即给予删除!

    温馨提示:如果因为网速或其他原因下载失败请重新下载,重复下载不扣分。




    关于我们 - 网站声明 - 网站地图 - 资源地图 - 友情链接 - 网站客服 - 联系我们

    copyright@ 2008-2023 1wenmi网站版权所有

    经营许可证编号:宁ICP备2022001189号-1

    本站为文档C2C交易模式,即用户上传的文档直接被用户下载,本站只是中间服务平台,本站所有文档下载所得的收益归上传人(含作者)所有。第壹文秘仅提供信息存储空间,仅对用户上传内容的表现方式做保护处理,对上载内容本身不做任何修改或编辑。若文档所含内容侵犯了您的版权或隐私,请立即通知第壹文秘网,我们立即给予删除!

    收起
    展开