欢迎来到第壹文秘! | 帮助中心 分享价值,成长自我!
第壹文秘
全部分类
  • 幼儿/小学教育>
  • 中学教育>
  • 高等教育>
  • 研究生考试>
  • 外语学习>
  • 资格/认证考试>
  • 论文>
  • IT计算机>
  • 法律/法学>
  • 建筑/环境>
  • 通信/电子>
  • 医学/心理学>
  • ImageVerifierCode 换一换
    首页 第壹文秘 > 资源分类 > DOCX文档下载
    分享到微信 分享到微博 分享到QQ空间

    变电站工程施工危险点辨识及预控措施.docx

    • 资源ID:83508       资源大小:47.03KB        全文页数:10页
    • 资源格式: DOCX        下载积分:5金币
    快捷下载 游客一键下载
    账号登录下载
    三方登录下载: 微信开放平台登录 QQ登录
    下载资源需要5金币
    邮箱/手机:
    温馨提示:
    快捷下载时,如果您不填写信息,系统将为您自动创建临时账号,适用于临时下载。
    如果您填写信息,用户名和密码都是您填写的【邮箱或者手机号】(系统自动生成),方便查询和重复下载。
    如填写123,账号就是123,密码也是123。
    支付方式: 支付宝    微信支付   
    验证码:   换一换

    加入VIP,免费下载
     
    账号:
    密码:
    验证码:   换一换
      忘记密码?
        
    友情提示
    2、PDF文件下载后,可能会被浏览器默认打开,此种情况可以点击浏览器菜单,保存网页到桌面,就可以正常下载了。
    3、本站不支持迅雷下载,请使用电脑自带的IE浏览器,或者360浏览器、谷歌浏览器下载即可。
    4、本站资源下载后的文档和图纸-无水印,预览文档经过压缩,下载后原文更清晰。
    5、试题试卷类文档,如果标题没有明确说明有答案则都视为没有答案,请知晓。

    变电站工程施工危险点辨识及预控措施.docx

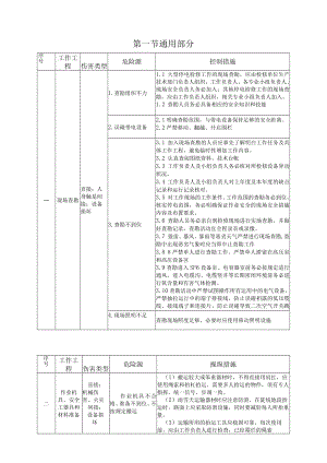
    第一节通用部分序号工作工程伤害类型危险源控制措施现场查勘直接:人身触是间接:设备损坏1.查勘组织不力1.1 大型停电检修工作的现场查勘,应由检修单位生产技术部门负责人组织,工作负责人、各专业小组负责人、现场安全负责人务必加入;其他停电检修工作的现场查勘,应由工作负责人组织,相关专业小组负责人加入。1.2 查勘人员务必具备相应的安全知识和技能2.误碰带电设备2.1明确查勘范围,与带电设备保持足够的安全距离。2.2严禁移动、翻越、开启围栏3.查勘不到位3.1 加入现场查勘的人员应事先了解明白工作任务及具体工作工程,避免临时性增加工作内容。3.2 认真查阅图纸资料,技术台帐3.3 工作负责人及小组负责人务必核对所检修设备异动状况。3.4 工作负责人及小组负责人对上年度及本年度的缺点记录和运行记录核对。3.5 对工作现场的工作条件、工作范围的查勘务必到位,核实停电范围,务必明确保证作业安全的现场安全措施内容及布置要求。3.6 查勘人员务必亲自到检修现场进行实地查勘,并做好查勘记录,查勘活动宜全程录音或录像。3.7 强雷、暴风、暴雨等恶劣天气严禁进行现场查勘,查勘中出现恶劣气象时应当即中止查勘工作3.8 8严禁单人进行查勘工作、严禁单人滞留在高压室和高压设备区3.9查勘进入SF6设备室、电容器室前务必按规定进行通风。进入电缆沟、电缆竖井等长期密闭环境前务必进行氧含量和有害气体检测。3.10查勘活动中严禁试图操作所有运用中的电气设备,严禁抽拉运行中的端子排接线,防止误碰袒露的低压缆线、接线端子和连接片,防止误碰导致二次空气开关跳闸。4.现场照明不足查勘现场照度足够,必要时应使用移动照明设施序号工作工程伤害类型危险源操纵措施二作业机具、安全工器具和材料准备直接:机械伤害、火灾间接:设备损坏作业机具不合格、准备不到位、不按规定搬运(I)搬运较大或笨重器材时,不得直接用肩扛,应使用绳索和抬杠抬运。需要多人抬运的物件,须有专人指挥,统一信号,步调一致。(2)雨雪天运输器材时应注意防滑,在陡坡地段抬运时,路面上应采取防滑设施,同时要减轻每人所抬重量。(3)运输所用的抬运工具应稳固可靠,每次使用前,应由工作负责人进行检查,已经霉烂的绳索不得使用。(4)用跳板或圆木装卸滚动物件时,应用绳索操纵物体,剩余物品要固定好,物件滚落前方严禁有人。(5)使用起重机装卸时,务必遵守起重机械安全管理规定。(6)作业机具工况良好,安全工器具合格,型号和数量满足工作要求。装箱前应事先检查确认,严禁带缺点使用。(7)严服M行机具管理制度,做好定期检修、维护和保养工作。(8)易燃易爆材料、危险化学品、有毒物件的搬运与存放应符合安全规定。-交通运输直接:人身伤害、设备损坏1.无证驾驶车辆严格驾驶员准驾车辆资格审查2.病车上路2.1严禁车辆带病上路2.2高温季节应重点检查轮胎温度、气压是否正常3.车辆超载、超高、超宽、超速3.1超高、超宽车辆进入变电站应有专人引导3.2装运设备、线盘、材料等简单滚(滑)动的物件,务必绑扎稳固,防止前后左右滚动。装运超长、超高物资,一律要有明显标志,接交通管理部门规定的时间、路线、速度行驶4.防振动措施不当采取适当的防振措施5.疲乏驾驶、酒后驾驶、服用违禁药物后驾驶严禁驾驶员疲乏驾驶、酒后驾驶和服用违禁药物后驾驶任何车辆四安全措施确认间接:人身伤害1.工作票不合格1.1工作票签发人、工作负责人认真填写工作票1.2工作票签发人和工作许可人要对工作票认真审核2.现场安全措施不完善、不正确工作负责人和工作许可人一起确认安全措施正确、完善后方可办理许可手续序号工作工程伤害类型危险源控制措施五工前交底间接:人身伤害,设船损坏1.不进行工前交底开工前务必进行工前交底2.工前交底交代不清工作负责人组织工作班成员认真学习工作票和进行安全技术交底,所有人员做到“四明白(作业任务明白、危险点明白、作业程序明白、安全措施明白)3.工作班成员不明白3.1随机进行“四明白抽查式询问.3.2工作班成员不明白时要主动询问六直接:触电伤害1.未正确复核安全措施复工时应得到工作负责人许可,取回工作票,工作负责人重新检查安全措施是否符合工作票的要求2.误入间隔2.1若无工作负责人或专责监护人带领,工作人员不得进入工作地点。2.2工作负责人在转移工作地点时,应向工作人员交代电范围、安全措施和本卷须知七工作终结:损电事触多接备、偏间设坏网故面1.临时安全措施未拆除1.1工作负责人务必认真检查临时安全措施已完全拆除。1.2工作负责人认真检查检修设备及场地无遗留物2.未按要求办理终结手续2.1工作负责人确认所有工作班成员已全部撤离现场2.2工作负责人与工作许可人共同验收检修设备已恢复至开工前状态八用厂场人实员作洞、现务、人场临电家服员习现业直接:触电伤害、设备损坏失去监护(1)开工前务必要同本单位其他人员一起加入工前交底会议O(2)每项工作务必征得工作负责人同意,务必在监护人(负责人、或由其指派的小组负责人)的监护之下进行作业(3)临时用工和实习人员不得独立作业、不得从事技术工作九施工电源.伤设不接电赢直触害备1.电源取用不当1.1施工电源的引接务必在站内指定地点且征得运行人员同意后进行1.2交流电源务必设漏电、短路保护装置,其跳闸电流应与上级空气开关或熔断器相匹配,严禁越过保护装置接电源,严禁插线取电、三相四线检修电源务必使用专用零线2.检修电源板配置不合理电源容量要满足工作需要3.拆接电源方法不当3.1正确接、拆交流电源,核对设备与电源电压是否一致3.2拆接电源时应断开电源开关,并悬挂“有人作业,严禁合闸警示标志牌,设专人负责监护4.电源线破损、规格不符4.1电源线线径、长度、绝缘满足要求4.2电源线路径合理,有防止辗、砸、压措施序号工作工程伤害类型危险源控制措施九施工电源直接:触电伤害、设备损坏5.搭接不规范电源线接头处务必用绝缘胶布包好十消防安全管理直接:火灾1.灭火设施配置、使用不当1.1现场应备有相应合格的灭火器材,位置适当,数量充实1.2工作人员应熟练使用灭火装置2.焊接操作不当(电焊、火焊)2.1乙快瓶务必直立放置,与明火保持IOm以上距离,并采取防曝晒措施2.2电焊人员应正确佩戴防护用品(面罩、防护镜、手套等)2.3氧气瓶和乙块瓶摆放保持5m以上距离2.4严格执行动火工作票制度3.滤油设备起火3.1所有滤油设备务必可靠接地3.2及时清理使用用过的滤油纸及油布,严禁乱扔3.3滤油现场严禁吸烟,严禁使用电焊、火焊3.4现场作业人员应熟悉常用消防器材的使用方法3.滤油设备起火3.1所有滤油设备务必可靠接地3.2及时清理使用用过的滤油纸及油布,严禁乱扔3.3滤油现场严禁吸烟,严禁使用电焊、火焊3.4现场作业人员应熟悉常用消防器材的使用方法十一起重工作直接:触电伤izj'、|口f自"、山、ES1.备损坏1.起重机具选用不当1.1根据被起吊物及环境状况选用适合的起重机具1.2起重机具检验证审查合格2.司吊人员无证操作司吊人员要具备相应资质3.吊绳选用不当务必选用合格、匹配的吊绳4.吊钩无防脱钩装置吊钩应有防止脱钩的保险装置,并保持装置完好5.操作方法不当5.1起重机作业前,施吊人和指挥人应相互沟通,并明确旗语、手势或口哨5.2指挥人员发出的指挥信号务必清楚、确切、辅助作业人员务必听从指挥5.3起吊重物时,吊臂及被吊物下严禁站人。必要时,在起吊范围内设置安全围栏序号工作工程伤害类型危险源控制措施十一起重工作直接:触电伤、oTtT、*a备损坏5.操作方法不当5.4起重机在进入起吊作业区时按确定的路径进入并由专人引导5.5在撑腿前要检查着力点,不能在电缆沟或其他不可着力点支撑吊车腿。并保证施吊过程中重心稳定5.6在带电设备周边起吊时与相邻带电设备保持足够安全距离(10kV,2m;35kV,3.5m;1.10kV,4m;220kV,6m),并设专人监护5.7起重机在施吊过程中应可靠接地5.8吊起的重物不得在空中长时间停留。在空中短时间停留时,操作人员和指挥人员均不得离开工作岗位。5.9起吊前应检查起重设备及其安全装置;重物吊离地面约IOem时应暂停起吊并进行全面检查,确认良好后方可正式起吊5.10起吊物应绑牢,并有防止倾倒措施。吊钩悬挂点应与吊物的重心在同一垂直线上,吊钩钢丝绳应保持垂直,严禁偏拉斜吊。1.1 11起重机严禁同时操作三个动作,在接近满负荷的状况下,不得同时操作两个动作,重物吊离地面IOCm时,应暂停起吊并进行全面检查,确认良好后方可正式起吊。5.12 钢丝绳防止打结、扭曲,穿过滑轮的钢丝绳不能有接头,钢丝绳不得与物体的棱角直接接触,应在棱角处垫以半圆管、木板或其他温和物。5.13 吊绳的夹角一般不大于90°,最大不超过120°十二电动机具使用直接;触电伤害、机械伤害1.操作不当1.1务必使用合格的电动机具1.2使用者务必具备相应的操作技能,并熟知操作手册1.3现场使用钻床、切割机、砂轮机、手提电钻等严禁戴手套1.4现场使用切割机、砂轮机时务必佩戴护目镜2.设备漏电2.1用电设备电源线绝缘良好;外壳良好、可靠接地2.2所取用的电源务必具有漏电、短路保护装置其次节HOkV及以上主变压器系统安装及大修序号工作工程伤害类型危险源控制措施施工器材搬运直接:触电伤害、机械伤害、设备损坏搬运方法不当(1)搬运长物件时,务必两人放倒搬运并与带电设备保持足够安全距离(2)搬运过程中应防止工作人员被物件撞击、挤压(3)搬运器材时,防止设备损坏入罩直接:氮气排放不(1)不得穿带有金属饰件的服装,务必穿洁器检坏罩,1即查吊时设备损坏、窒息充分净、枯燥的防滑胶底鞋(2)除已确认的工器具外,不得携带其他任何物品进入罩内(3)变压器应充分排氮(4)工作人员进入罩箱工作前须确认氮气已充分排放(5)进行内部检查时,通风和照明务必良好,并设专人监护;工作人员应穿无纽扣、无口袋的工作服、耐油防滑靴,带入的工具务必栓绳、登记、清点,严防工具及杂物遗留在器体内钟罩吊装.伤设损高坠物击接电、打直触害备坏空落体起、落罩方法不当(1)起重机使用方法和操作过程见本章通用部分第T-一栏(2)起吊前打好四方风绳,起、落过程中应有专人牵引,防止偏撞、碰撞器身(3)落罩时,严禁将身体任何部位置于罩箱内(4)高空指挥人员应将安全带系挂在稳固的构件上四安含性件1,附装中点坠设损物打触害接空、伤直高落备坏体击电1.吊装方法不当起重机使用方法和操作过程见本章通用部分第十一栏2.梯子的选、用2.1严禁使用金属梯2.2放倒搬运2.3应有防滑、防陷、防侧倾措施,并设专人扶持或绑扎3.高处坠物3.1上下传递工器具时务必使用专用绳索3.2高处使用工具要采取防坠落措施,避免坠物伤人

    注意事项

    本文(变电站工程施工危险点辨识及预控措施.docx)为本站会员(p**)主动上传,第壹文秘仅提供信息存储空间,仅对用户上传内容的表现方式做保护处理,对上载内容本身不做任何修改或编辑。 若此文所含内容侵犯了您的版权或隐私,请立即通知第壹文秘(点击联系客服),我们立即给予删除!

    温馨提示:如果因为网速或其他原因下载失败请重新下载,重复下载不扣分。




    关于我们 - 网站声明 - 网站地图 - 资源地图 - 友情链接 - 网站客服 - 联系我们

    copyright@ 2008-2023 1wenmi网站版权所有

    经营许可证编号:宁ICP备2022001189号-1

    本站为文档C2C交易模式,即用户上传的文档直接被用户下载,本站只是中间服务平台,本站所有文档下载所得的收益归上传人(含作者)所有。第壹文秘仅提供信息存储空间,仅对用户上传内容的表现方式做保护处理,对上载内容本身不做任何修改或编辑。若文档所含内容侵犯了您的版权或隐私,请立即通知第壹文秘网,我们立即给予删除!

    收起
    展开