欢迎来到第壹文秘! | 帮助中心 分享价值,成长自我!
第壹文秘
全部分类
  • 幼儿/小学教育>
  • 中学教育>
  • 高等教育>
  • 研究生考试>
  • 外语学习>
  • 资格/认证考试>
  • 论文>
  • IT计算机>
  • 法律/法学>
  • 建筑/环境>
  • 通信/电子>
  • 医学/心理学>
  • ImageVerifierCode 换一换
    首页 第壹文秘 > 资源分类 > DOCX文档下载
    分享到微信 分享到微博 分享到QQ空间

    大中型建筑公司施工技术工程测量管理制度.docx

    • 资源ID:830703       资源大小:17.37KB       
    • 资源格式: DOCX        下载积分:5金币
    快捷下载 游客一键下载
    账号登录下载
    三方登录下载: 微信开放平台登录 QQ登录
    下载资源需要5金币
    邮箱/手机:
    温馨提示:
    快捷下载时,如果您不填写信息,系统将为您自动创建临时账号,适用于临时下载。
    如果您填写信息,用户名和密码都是您填写的【邮箱或者手机号】(系统自动生成),方便查询和重复下载。
    如填写123,账号就是123,密码也是123。
    支付方式: 支付宝    微信支付   
    验证码:   换一换

    加入VIP,免费下载
     
    账号:
    密码:
    验证码:   换一换
      忘记密码?
        
    友情提示
    2、PDF文件下载后,可能会被浏览器默认打开,此种情况可以点击浏览器菜单,保存网页到桌面,就可以正常下载了。
    3、本站不支持迅雷下载,请使用电脑自带的IE浏览器,或者360浏览器、谷歌浏览器下载即可。
    4、本站资源下载后的文档和图纸-无水印,预览文档经过压缩,下载后原文更清晰。
    5、试题试卷类文档,如果标题没有明确说明有答案则都视为没有答案,请知晓。

    大中型建筑公司施工技术工程测量管理制度.docx

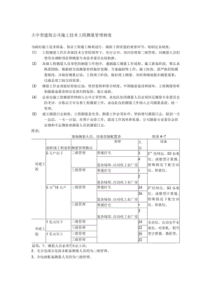
    大中型建筑公司施工技术工程测量管理制度为做好施工技术准备、保证工程施工顺利进行、确保工程质量的重要环节,特制定本制度。(1) 工程测量工作在各级技术主管的领导下,实行公司、项目经理部二级管理。对测量人员的使用及调配须征得测量专业技术委员会的批准。(2) 各级工程测量人员须坚持测量工作程序,遵循施工测量工作流程。施工准备阶段,要认真熟悉图纸,根据移交的测量资料做好复测、方案编制等工作;施工阶段,要严格控制测量精度,并做好测量记录;工程竣工阶段,做好竣工测量,及时准确地提出测量成果,以满足竣工验交的需要。(3) 测量工作必须做好原始记录,坚持复核和签字制度,不得随意涂改和损坏,工程测量资料和测量成果资料应妥善归档保管,装订成册。(4) 总承包施工的测量管理纳入公司正常管理。承包队伍的测量人员必须经过测量专业委员会的考评,合格后方可从事工程测量工作,承包队伍的测量工作纳入公司测量系统,统一管理。(5) 建立测量日志制度。工程测量是先导,测量工作必须有序,坚持填写测量日志,做到一天一总结,一天一计划,有利于安排工作,提高工作效率和质量。公司测量专业委员会将定期和不定期检查测量人员的测量日志。附表:现场测量人员、设备资源配置表附表4-7房建工程面积或工程造价测量管理模式类型人员设备5万户以下二级管理普通住宅32”经纬仪、S3水准仪、函数型计算器,特殊情况下配全站仪、铅垂仪。复杂场馆、自动化工业厂房4三级管理普通住宅1复杂场馆、自动化工业厂房25万10万户二级管理普通住宅242"经纬仪、S3水准仪、函数型计算器,特殊情况下配全站仪、铅垂仪。复杂场馆、自动化工业厂房26三级管理普通住宅1复杂场馆、自动化工业厂房3市政工程1亿元以下二级管理24全站仪、自动安平水准仪、对讲机、程序型计算器、微机等。三级管理22I亿元以上二级管理25三级管理22说明:1、测量人员必须?寺证上岗。2、无分包或分包商未配备测量人员的为二级管理。3、分包商配备测量人员的为三级管理。

    注意事项

    本文(大中型建筑公司施工技术工程测量管理制度.docx)为本站会员(p**)主动上传,第壹文秘仅提供信息存储空间,仅对用户上传内容的表现方式做保护处理,对上载内容本身不做任何修改或编辑。 若此文所含内容侵犯了您的版权或隐私,请立即通知第壹文秘(点击联系客服),我们立即给予删除!

    温馨提示:如果因为网速或其他原因下载失败请重新下载,重复下载不扣分。




    关于我们 - 网站声明 - 网站地图 - 资源地图 - 友情链接 - 网站客服 - 联系我们

    copyright@ 2008-2023 1wenmi网站版权所有

    经营许可证编号:宁ICP备2022001189号-1

    本站为文档C2C交易模式,即用户上传的文档直接被用户下载,本站只是中间服务平台,本站所有文档下载所得的收益归上传人(含作者)所有。第壹文秘仅提供信息存储空间,仅对用户上传内容的表现方式做保护处理,对上载内容本身不做任何修改或编辑。若文档所含内容侵犯了您的版权或隐私,请立即通知第壹文秘网,我们立即给予删除!

    收起
    展开