欢迎来到第壹文秘! | 帮助中心 分享价值,成长自我!
第壹文秘
全部分类
  • 幼儿/小学教育>
  • 中学教育>
  • 高等教育>
  • 研究生考试>
  • 外语学习>
  • 资格/认证考试>
  • 论文>
  • IT计算机>
  • 法律/法学>
  • 建筑/环境>
  • 通信/电子>
  • 医学/心理学>
  • ImageVerifierCode 换一换
    首页 第壹文秘 > 资源分类 > DOCX文档下载
    分享到微信 分享到微博 分享到QQ空间

    公司领料发料作业流程.docx

    • 资源ID:829851       资源大小:33.86KB        全文页数:2页
    • 资源格式: DOCX        下载积分:5金币
    快捷下载 游客一键下载
    账号登录下载
    三方登录下载: 微信开放平台登录 QQ登录
    下载资源需要5金币
    邮箱/手机:
    温馨提示:
    快捷下载时,如果您不填写信息,系统将为您自动创建临时账号,适用于临时下载。
    如果您填写信息,用户名和密码都是您填写的【邮箱或者手机号】(系统自动生成),方便查询和重复下载。
    如填写123,账号就是123,密码也是123。
    支付方式: 支付宝    微信支付   
    验证码:   换一换

    加入VIP,免费下载
     
    账号:
    密码:
    验证码:   换一换
      忘记密码?
        
    友情提示
    2、PDF文件下载后,可能会被浏览器默认打开,此种情况可以点击浏览器菜单,保存网页到桌面,就可以正常下载了。
    3、本站不支持迅雷下载,请使用电脑自带的IE浏览器,或者360浏览器、谷歌浏览器下载即可。
    4、本站资源下载后的文档和图纸-无水印,预览文档经过压缩,下载后原文更清晰。
    5、试题试卷类文档,如果标题没有明确说明有答案则都视为没有答案,请知晓。

    公司领料发料作业流程.docx

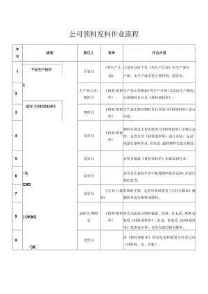
    公司领料发料作业流程序号流程责任人表单作业内容1计划员周生产计计划员及时下发周生产计划给生产部生下发生产指令划产部。由生产部主管分类归档、保存好。2I生产部主管/物料员材料领料单生产部主管根据周生产计划及实际生产情况,安排物料员开具材料领料单。墙写材料领料单3物料员材料领料单生产部主管对物料员开具的材料领料单进行审核。4-kINGOKNGOK仓管员材料领料单物料员将过主管审核的材料领料单交相应仓库,仓管员对材料领料单进行审核,无误,则进行备料作业,若有误,通知物料员进行修改。5仓管员仓管员根据材料领料单实施备料作业。6仓管员仓管员在备料作业中检视物料是否足够,并进行相应处理。7仓管员欠料日报表若物料不够,仓管员及时填写欠料日报表报物控员进行购料或催料。8仓管员/物料员材料领料单双方当面清点物料数量、质量。若无误,物料员签收材料领料单;有误,即更改材料领料单或多退少补。并各自取回相应联单。9仓管员按材料领料单的实际发料数量及时登记好材料收、发、存帐。

    注意事项

    本文(公司领料发料作业流程.docx)为本站会员(p**)主动上传,第壹文秘仅提供信息存储空间,仅对用户上传内容的表现方式做保护处理,对上载内容本身不做任何修改或编辑。 若此文所含内容侵犯了您的版权或隐私,请立即通知第壹文秘(点击联系客服),我们立即给予删除!

    温馨提示:如果因为网速或其他原因下载失败请重新下载,重复下载不扣分。




    关于我们 - 网站声明 - 网站地图 - 资源地图 - 友情链接 - 网站客服 - 联系我们

    copyright@ 2008-2023 1wenmi网站版权所有

    经营许可证编号:宁ICP备2022001189号-1

    本站为文档C2C交易模式,即用户上传的文档直接被用户下载,本站只是中间服务平台,本站所有文档下载所得的收益归上传人(含作者)所有。第壹文秘仅提供信息存储空间,仅对用户上传内容的表现方式做保护处理,对上载内容本身不做任何修改或编辑。若文档所含内容侵犯了您的版权或隐私,请立即通知第壹文秘网,我们立即给予删除!

    收起
    展开