欢迎来到第壹文秘! | 帮助中心 分享价值,成长自我!
第壹文秘
全部分类
  • 幼儿/小学教育>
  • 中学教育>
  • 高等教育>
  • 研究生考试>
  • 外语学习>
  • 资格/认证考试>
  • 论文>
  • IT计算机>
  • 法律/法学>
  • 建筑/环境>
  • 通信/电子>
  • 医学/心理学>
  • ImageVerifierCode 换一换
    首页 第壹文秘 > 资源分类 > DOCX文档下载
    分享到微信 分享到微博 分享到QQ空间

    ISO14001环境体系公司环境和风险机遇应对措施表.docx

    • 资源ID:825012       资源大小:24.55KB        全文页数:5页
    • 资源格式: DOCX        下载积分:5金币
    快捷下载 游客一键下载
    账号登录下载
    三方登录下载: 微信开放平台登录 QQ登录
    下载资源需要5金币
    邮箱/手机:
    温馨提示:
    快捷下载时,如果您不填写信息,系统将为您自动创建临时账号,适用于临时下载。
    如果您填写信息,用户名和密码都是您填写的【邮箱或者手机号】(系统自动生成),方便查询和重复下载。
    如填写123,账号就是123,密码也是123。
    支付方式: 支付宝    微信支付   
    验证码:   换一换

    加入VIP,免费下载
     
    账号:
    密码:
    验证码:   换一换
      忘记密码?
        
    友情提示
    2、PDF文件下载后,可能会被浏览器默认打开,此种情况可以点击浏览器菜单,保存网页到桌面,就可以正常下载了。
    3、本站不支持迅雷下载,请使用电脑自带的IE浏览器,或者360浏览器、谷歌浏览器下载即可。
    4、本站资源下载后的文档和图纸-无水印,预览文档经过压缩,下载后原文更清晰。
    5、试题试卷类文档,如果标题没有明确说明有答案则都视为没有答案,请知晓。

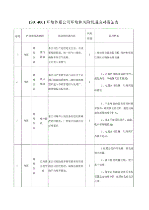
    ISO14001环境体系公司环境和风险机遇应对措施表.docx

    IS014001环境体系公司环境和风险机遇应对措施表序号内险和机遇来源风险和机遇内容风险级别管理措施1内部环境因素废气排放本公司生产过程是无尘室,有设置吸附管道,统一排气口排放,确保车间空气流程。公司无工业废气21.对处理设施进行点检、维护和保养,以地区而确保处理效课;2内部环境因素废水排放本公司产生的生活污水经过工业园的隔油隔渣池和三级化粪池处理后进入市政管道排入处理厂,能够确保达标排放。21 .定期清理隔油隔渣池和三级化粪池,以确保其正常使用;2 .定期安排检测,以确保达标排放3内部环境因求噪声排放本公司噪声大的设备有进行降噪改造和替换,厂界噪声排放符合标准要求。21 .产生噪音的设备要及时维护保养,确保其正常使用,避免出现损坏而导致噪音扩大。2 .设备尽量采取隔声、减振、吸声等降噪措施:3 .定期安排检测,以确保厂界噪音达标。4内部环境因素危险废弃物管理本公司危险废弃物有联系有资质的公司回收处理,确保危险废弃物不向外界排放。2L设置分类的垃圾桶,将危废独立放置;2 .设立危废放置区域,便于集中处理;3 .每年定期跟有资质的单位签署危废处理协议,交所有危废交其处理。5内部环境因素化学品管理本公司使用的化学品类别不多,但在存放和使用过程中可能会造成泄潜漏或挥发,导致污染环境31 .设置独立的化学品仓;2 .仓库设施需耍满足防火、防爆、防泄漏的要求;3 .在仓库内配置防泄漏措施和应急处理沙;6内部环境因素消防安全管理潜在的火灾发生可能造成对环境的影响41 .配置足够的消防设施(包括:消防栓、灭火器、应急灯、逃生指标牌等),并确保其有效生。2 .建立消防应急预案,并定期组织演练,确保消防事故发生时能够得到有效的处理和控制。7内部环境因素能源消耗全球进行低碳环保、节能减排行动,本公司的水、电的消耗过大11 .改进生产工艺,降低能源、资源消耗;2 .做好节能降耗的宣传,要求各部门节约用水电;8内部环境因素产品生命周期管理(原材料获取)产品未使用可重复利用的材料,导致资源枯竭2L技术创新,确保产品原材料能够重复利用;9内部环境因素产品生命周期管理(过程控本公司产品使用符合环保要求的原辅料,对生产过程也实施环保要求控制,已经确保了产品环保。机遇L本公司采购的物料需要供应商提供环保检测报告。2.本公司的产品每年定期实施环保检测。制)内部环境因素产品生命周期管理(产品报废)产品报废后处理不当,造成环境污染2本公司在产品上做好报废后有效处理的标识,告知使用者在产品报废后的处理参够符合法规要求。内部财务管理本公司用于环境管理的资金充足机遇本公司成立环境管理专项资金,确保环境管理投入的资金来源;内部人员管理人员素质参差不齐,环保意识不强,对岗位环境因素认识不足,控制方法不明确。2制定相应程序文件,组织员工参与岗位环境因素的识别,重耍环境因素的培训。内部企业文化公司未将环境管理的要求纳入企业文化的建设中1在各种会议的组织过程中,关注环境管理要求的落实。外部合规义务社会、政府、社会团体及当地居民不接受超标的污染排放3严格落实管理方案,确保本公司排放的工业废气、生活污水、厂界噪音都是达标的,每年至少安排监测一次。适用法律法规的识别、收集及宣传不够,相对应公司内部活动及环境因素不够明确,部分员工守法意识淡薄2加强识别、收集、定期更新,重要条款予以培训或纳入制度中。通过公司内部的合规性评价结果来看,本公司落实法规和相关方要求,未被有关部门处罚,在业界内享有很的机遇公司明确行政人事部负责收集有关的法律法规和相关方要求,并定期检查更新。每年至少安排一次合规性评价。声誉。外部相关方需求和期望客户要求本公司建立环境管理体系并有效地运行机遇持续不断的实施环境管理体系并接受第三方机构的认证审核,以确保IS014001证书有效客户要求本公司以产品生命周期来考虑减少对环境的影响机遇L公司修订(环境因素识别与评价控制程序),明确要求对环境因素的识别与评价要采购用产品生命周期法。2.组织各部门按照产品生命周期法重新识别和评价环境因素。政府监管部门(环保局、消防局等)要求本公司配置适宜的消防设施,并维护其有效性2L公司建立环保设施清单,对环保设施实施日常的维护和保养。2.定期更换损坏的环保设施。危险废弃物处理方要求本公司的危险废弃物能够按照国家危废名录要求做好为分类管理。2设立专门的危险废物放置区,在区域内对所有危险废弃物进行分类放置管理。审核机机要求本公司满足IS014001体系要求,持续改进环境管理体系,上一年度审核的不符合项目需要改善计划1审核发现的不符合则管理者代表责成责任部门负责改善外部其它本公司排放的空压机含油废水和危险废弃物如未经处理扩散至周边,对周边的地壤31 .将空压机的废水集中收集存放。2 .空压机的废水作为危废环境影响较大。交由有资质的单位处理。经济环境本公司位于珠海市。该区域经济较为发达,环境保护配套行为完善。本公司环境保护涉及的资源在区域内极易获得,对环境管理项目的监测能够就近处理。机遇定期与相关方联系,完善环境管理体系所需的资料并落实所需的检测特殊的气候(如台风、暴雨洪水、地震)等紧急情况2公司建立紧急情况的应急预案;对人员实施此类紧急情况处理预案的培训。本公司经营正常,企业盈利满足预期,财务雄厚,环境管理体系有效运行所需的资源能够及时提供机遇加大环境投入,确保环保资金充足本公司所处的位置区域内环保设施完善,政府职能部门应急联动机制合理,所处位置交通便利,便于紧急事故的救援与处置。机遇与周边相关部门紧密联系注1:评价风险和机遇考虑因素:发生概率/可能性、后果严重性、紧近性、影响深广度、解决难度、技术现状等注2:风险机遇评价结果划分5个等级:1风险很小,稍加留意;2风险较小,但应防范;3有风险,应改善;4.风险较大,须改善;5风险很大,立即整改。

    注意事项

    本文(ISO14001环境体系公司环境和风险机遇应对措施表.docx)为本站会员(p**)主动上传,第壹文秘仅提供信息存储空间,仅对用户上传内容的表现方式做保护处理,对上载内容本身不做任何修改或编辑。 若此文所含内容侵犯了您的版权或隐私,请立即通知第壹文秘(点击联系客服),我们立即给予删除!

    温馨提示:如果因为网速或其他原因下载失败请重新下载,重复下载不扣分。




    关于我们 - 网站声明 - 网站地图 - 资源地图 - 友情链接 - 网站客服 - 联系我们

    copyright@ 2008-2023 1wenmi网站版权所有

    经营许可证编号:宁ICP备2022001189号-1

    本站为文档C2C交易模式,即用户上传的文档直接被用户下载,本站只是中间服务平台,本站所有文档下载所得的收益归上传人(含作者)所有。第壹文秘仅提供信息存储空间,仅对用户上传内容的表现方式做保护处理,对上载内容本身不做任何修改或编辑。若文档所含内容侵犯了您的版权或隐私,请立即通知第壹文秘网,我们立即给予删除!

    收起
    展开