欢迎来到第壹文秘! | 帮助中心 分享价值,成长自我!
第壹文秘
全部分类
  • 幼儿/小学教育>
  • 中学教育>
  • 高等教育>
  • 研究生考试>
  • 外语学习>
  • 资格/认证考试>
  • 论文>
  • IT计算机>
  • 法律/法学>
  • 建筑/环境>
  • 通信/电子>
  • 医学/心理学>
  • ImageVerifierCode 换一换
    首页 第壹文秘 > 资源分类 > DOCX文档下载
    分享到微信 分享到微博 分享到QQ空间

    勘察企业不良行为记分标准(KC).docx

    • 资源ID:82247       资源大小:31.85KB        全文页数:6页
    • 资源格式: DOCX        下载积分:5金币
    快捷下载 游客一键下载
    账号登录下载
    三方登录下载: 微信开放平台登录 QQ登录
    下载资源需要5金币
    邮箱/手机:
    温馨提示:
    快捷下载时,如果您不填写信息,系统将为您自动创建临时账号,适用于临时下载。
    如果您填写信息,用户名和密码都是您填写的【邮箱或者手机号】(系统自动生成),方便查询和重复下载。
    如填写123,账号就是123,密码也是123。
    支付方式: 支付宝    微信支付   
    验证码:   换一换

    加入VIP,免费下载
     
    账号:
    密码:
    验证码:   换一换
      忘记密码?
        
    友情提示
    2、PDF文件下载后,可能会被浏览器默认打开,此种情况可以点击浏览器菜单,保存网页到桌面,就可以正常下载了。
    3、本站不支持迅雷下载,请使用电脑自带的IE浏览器,或者360浏览器、谷歌浏览器下载即可。
    4、本站资源下载后的文档和图纸-无水印,预览文档经过压缩,下载后原文更清晰。
    5、试题试卷类文档,如果标题没有明确说明有答案则都视为没有答案,请知晓。

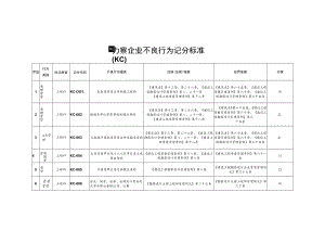
    勘察企业不良行为记分标准(KC).docx

    =i力察企业不良行为记分标准(KC)序当行为类别执法科室记分代码不良行为描述法律(法规)依据处罚依据分值1质理资管工程科KC-OO1.未取得资质证书承揽工程的建筑法第十三条、第二十六条,建设工程勘察设计管理条例第八、二十一条.建设工程质量管理条例第十八条建筑法第六十五条,建设工程质量管理条例第六十条,建设工程勘察设计管理条例第三十五条412质理资管工程科KC-002超越本单位资质等级承揽业务的建筑法第十三条、第二十六条,建设工程勘察设计管理条例第八、二十一条,建设工程质量管理条例第十八条建筑法第六十五条,建设工程质量管理条例第六十条,速设工程勘察设计管理条例第三十五条213后管理工程科KC-003以欺骗手段取得资质证书承揽业务的建筑法第十三条、第二十六条,爱设工程勘察设计管理条例第八、二十一条,建设工程质量管理条例第十八条建筑法第六十五条,建设工程质量管理条例第六十条,建设工程勘察设计管理条例第三十五条414质理资管工程科KC-004允许其他单位或个人以本单位名义承揽业务的建设工程质量管理条例第十八条,建设工程勘察设计管理条例第八条建设工程质量管理条例第六十一条215资管工程科KC-005以其他单位名义承揽业务的建设工程勘察设计管理条例第八条建设工程勘察设计企业资质管理规定第三十七条216资质管理工程科KC-006涂改、倒卖、出租、出借或以其他形式非法转让资格证书、注册勘察设计注册工程师管理规定第二十七条勘察设计注册工程师管理规定第三十条41证书和执业印章7费质管理工程科KC-007利用向发包单位及其工作人员行贿、提供回扣或者给予其他好处等不正当手段承揽的建筑法第十七条建筑法第六十八条418业务管理招标办KC-008以他人名义投标,利用伪造、转让、租借、无效的资质证书参加投标,或者请其他单位在自己编制的投标文件上代为签字盖章.弄虚作假,骗取中标的招标投标法第三十三条,工程建设项目勘察、设计招标投标办法第二十九条招标投标法第五十四条,工程建设项目勘察、设计招标投标办法第五十二条419业务管理招标办KC-009以联合体形式投标的,联合体成员又以自己名义单独投标,或者参加其他联合体投同一个标的工程建设项目勘察设计招标投标办法第二十七条工程建设项目勘察设计招标投标办法第五十一条211O业务管理工程科KC-O1.O不按照与招标人订立的合同履行义务,情节严重的招标投标法第四十八条招标投标法第六十条2111业务管理工程科KC-O1.1.将承揽的业务转包或者违法分包的建筑法第二十八条,建设工程质量管理条例第十八条,建设工程勘察设计管理条例第二十条建筑法第六十七条建设工程勘察设计管理条例第三十九条,建设工程质量管理条例第六十二条情节一般25分,情节严重41分12业务管理工程科KC-012不执行国家的勘察设计收费规定,以低于国家规定的最低收费标准进行不正当竞争建设工程勘察设计管理条例第二十条,建设工程勘察设计管理条例第三十五条,1113业务管理工程科KC-013超出勘察设计注册工程师管理规定所规定的执业范围中华人民共和国建筑法第十四条勘察设计注册工程师管理规定第三十条211安理质管质安科工程科KC-014未按法律、法规和工程建设强制性标准进行勘察的建设工程勘察设计管理条例第二十五条,建设工程质量管理条例第十九条,建建设工程勘察设计管理条例第四十条,建设工程质量管理条114设工程安全生产管理条例第十二条例第六十三条,建设工程安全生产管理条例第五十六条15安理质管质安科工程科KC-O15弄虚作假、提供虚假成果资料的建设工程质量管理条例第二十条、建设工程勘察设计管理条例第二十六条,建设工程勘察质量管理办法第十四、第二十四、第二十五条建设工程勘察质量管理办法第二十四条4116质安管理质安科工程科KC-016原始记录不按照规定记录或者记录不完整的建设工程勘察质量管理办法第十四条建设工程勘察质量管理办法第二十五条1117质安管理质安科工程科KC-017勘察文件没有责任人签字或者签字不全的建设工程勘察质量管理办法笫十三条建设工程勘察质量管理办法第二十五条1118质安管理质安科工程科KC-018不参加施工验槽的建设工程勘察质量管理办法第九条建设工程勘察质量管理办法第二十五条1119质安管理质安科工程科KC-019项目完成后,勘察文件不归档保存的建设工程勘察质量管理办法第十七条建设工程勘察质量管理办法第二十五条112O质安管理质安科工程科KC-020因勘察原因发生重大责任事故建设工程质量管理条例第十九条建设工程质量管理条例第七十二条4121业务管理招标办KC-021相互串通投标或者与招标人或招标代理串通投标的;招标投标法第三十二条招标投标法第五十三条情节一般25分,情节严重41分22业务管理招标办KC-022以向招标人或者评标委员会成员行贿的手段谋取中标的;招标投标法第三十二条招标投标法第五十三条情节一般25分,情节严重41分23业务管理招标办KC-023在投标活动中行贿的;招标投标法第三十二条招标投标法第五十三条情节一般25分,情节严重41分24业务管理招标办KC-024以他人名义投标或者以其他方式弄虚作假,骗取中标的招标投标法第三十三条,工程建设项目勘察、设计招标投标办法第二十九条招标投标法第五十四条,工程建设项目勘察、设计招标投标办法第五十二条情节一般25分,情节严重41分25业务管理招标办KC-025在投标活动中弄虚作假,未能骗取中标的招标投标法第三十三条,工程建设项目勘察、设计招标投标办法第二十九条招标投标法第五十四条,工程建设项目勘察、设计招标投标办法第五十二条情节一般25分,情节严重41分26业务管理招标办KC-026允许其他单位或个人以本单位名义投标的;招标投标法第三十三条,工程建设项目勘察、设计招标投标办法第二十九条招标投标法第五十四条,工程建设项目勘察、设计招标投标办法第五十二条情节一般25分,情节严重41分27业务管理工程科KC-027不按照与招标人订立的合同履行义务的;招标投标法第四十八条招标投标法第六十条情节一般25分,情节严重41分28业务管理工程科招标办KC-028拥有其他单位的某某市建设行业企业诚信管理IC卡或其他单位的企业电子证书招标投标法第三十二条、第三十三条,工程建设项目勘察、设计招标投标办法第二十九条招标投标法第五十三条、第五十四条,工程建设项目勘察'设计招标投标办法第五十二条情节一般25分,情节严重41分29业务管理招标办KC-029无故放弃中标候选人资格的中华人民共和国招标投标法实施条例第七十四条253O业务管理工程科KC-030中标后,勘察单位未按招标文件要求时间提交规定数额覆约保证金或其它形式履约担保的工程建设项目勘察设计招标投标办法第四十四条中华人民共和国招标投标法第四十六条103业务招标办KC-O31招标人发出中标通知书后,中标人一周内不到交易中心办理领取51管理中标通知书的32业务管理工程科KC-032签订合同时向招标人提出附加条件或者更改合同实质性内容的中华人民共和国招标投标法第四十六条中华人民共和国招标投标法第五十九条2533务理业管招标办KC-033评标委员会对投标文件提出串标嫌疑并作废标处理的年内第一次15分,第二次(及以上)26分34业务管理招标办KC-034在邀请招标项目中,确认接受邀请函后,不参加后续投标的1035业务管理招标办KC-035投标时,存在以下情况的:开标现场不按时递交证件原件、迟到、投标文件漏盖章、漏筌字,未按招标文件要求,法人代表或授权委托代理人不按时到场的年内第一次2分,第二次4分,第三次(及以上)6分36业务管理招标办KC-036扰乱开标现场秩序,不听劝阻的1037业务管理招标办KC-037电子标书与纸质标书的内容不相符的情节一般20分,情节严重41分38业务管理工程科招标办KC-038中标人将中标项目转让给他人的中华人民共和国招标投标法第四十八条中华人民共和国招标投标法第五十八条情节一般20分,情节严重41分39业务管理招标办KC-039捏造事实、伪造材料或者以非法手段取得证明材料进行投诉的中华人民共和国招标投标法实施条例第七十七条254O业务管理招标办KC-040自中标通知书发出之日起三十日内,中标人无正当理由不与招标人订立合同的中华人民共和国招标投标法第四十六条中华人民共和国招标投标法实施条例第七十四条2541业务管理招标办KC-041投标报名之后,无正当理由不参加投标的年内第一次15分,第二次(及以上)26分42业务管理招标办KC-042入围后不参加投标的;年内第一次15分,第二次(及以上)26分43业务管理招标办KC-043投标报价高于招标人设定的合理上限值,故意造成废标或以其他方式故意造成废标的;年内第一次15分,第二次(及以上)26分44业务管理招标办KC-044有其他招投标不良行为记录的245业务管理人事科工程科KC-045在申报职称、执业资格活动中弄虚作假的2/人次46业务管理建管科KC-046未按规定及时在诚信管理平台上录入或变更企业档案信息的;不按建设行政主管部门要求及时填报统计报表或提供企业有关信息资料的。2分/次

    注意事项

    本文(勘察企业不良行为记分标准(KC).docx)为本站会员(p**)主动上传,第壹文秘仅提供信息存储空间,仅对用户上传内容的表现方式做保护处理,对上载内容本身不做任何修改或编辑。 若此文所含内容侵犯了您的版权或隐私,请立即通知第壹文秘(点击联系客服),我们立即给予删除!

    温馨提示:如果因为网速或其他原因下载失败请重新下载,重复下载不扣分。




    关于我们 - 网站声明 - 网站地图 - 资源地图 - 友情链接 - 网站客服 - 联系我们

    copyright@ 2008-2023 1wenmi网站版权所有

    经营许可证编号:宁ICP备2022001189号-1

    本站为文档C2C交易模式,即用户上传的文档直接被用户下载,本站只是中间服务平台,本站所有文档下载所得的收益归上传人(含作者)所有。第壹文秘仅提供信息存储空间,仅对用户上传内容的表现方式做保护处理,对上载内容本身不做任何修改或编辑。若文档所含内容侵犯了您的版权或隐私,请立即通知第壹文秘网,我们立即给予删除!

    收起
    展开