欢迎来到第壹文秘! | 帮助中心 分享价值,成长自我!
第壹文秘
全部分类
  • 幼儿/小学教育>
  • 中学教育>
  • 高等教育>
  • 研究生考试>
  • 外语学习>
  • 资格/认证考试>
  • 论文>
  • IT计算机>
  • 法律/法学>
  • 建筑/环境>
  • 通信/电子>
  • 医学/心理学>
  • ImageVerifierCode 换一换
    首页 第壹文秘 > 资源分类 > DOCX文档下载
    分享到微信 分享到微博 分享到QQ空间

    高压旋喷主要施工方法.docx

    • 资源ID:811525       资源大小:55.36KB        全文页数:9页
    • 资源格式: DOCX        下载积分:5金币
    快捷下载 游客一键下载
    账号登录下载
    三方登录下载: 微信开放平台登录 QQ登录
    下载资源需要5金币
    邮箱/手机:
    温馨提示:
    快捷下载时,如果您不填写信息,系统将为您自动创建临时账号,适用于临时下载。
    如果您填写信息,用户名和密码都是您填写的【邮箱或者手机号】(系统自动生成),方便查询和重复下载。
    如填写123,账号就是123,密码也是123。
    支付方式: 支付宝    微信支付   
    验证码:   换一换

    加入VIP,免费下载
     
    账号:
    密码:
    验证码:   换一换
      忘记密码?
        
    友情提示
    2、PDF文件下载后,可能会被浏览器默认打开,此种情况可以点击浏览器菜单,保存网页到桌面,就可以正常下载了。
    3、本站不支持迅雷下载,请使用电脑自带的IE浏览器,或者360浏览器、谷歌浏览器下载即可。
    4、本站资源下载后的文档和图纸-无水印,预览文档经过压缩,下载后原文更清晰。
    5、试题试卷类文档,如果标题没有明确说明有答案则都视为没有答案,请知晓。

    高压旋喷主要施工方法.docx

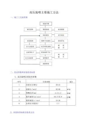
    高压旋喷主要施工方法一、施工工艺流程图二、技术参数和质量检查标准1、高压旋喷注浆技术参数序号注浆参数备注1注浆压力(MPa)20-24单双管喷法嘴2流量(Lmin)50-903喷嘴孔径(mm)2.2-2.44提升速度(cmmin)38.5-45.85旋转速度(rmin)18-306水灰比(质量比)1:12、质量检查标准及检查方法项目序号检查项目允许偏差或允许值检查方法单位数值主控项目1水泥及外掺剂质量符合出厂要求查产品合格证书或抽样送检2水泥用量设计要求查看流量计3桩体强度或完整性检验设计要求按规定方法4地基承载力设计要求按规定方法一般项目1钻孔位置mm5O用钢尺量2钻孔垂直度%1.5实测3孔深mm±200钻机深度表4注浆压力按设定参数指标查看压力表5桩体搭接mm>200用钢尺量6桩体直径mm50开挖后用钢尺量7桩身中心允许偏差0.2D开挖后桩顶下500mm处用钢尺量,D为桩径注:每天挖桩一根,要求挖至桩顶标高,确保检查及时、准确。三、高压旋喷主要施工方法(一)、施工准备根据现场情况,进行场地平整;严格按照设计要求及有关规范规定,进行图纸的技术交底工作,作好施工前安全文明教育;经业主及监理单位认可,选择合适的位置,进行试桩,以期确定以下技术参数:实际地质情况;喷嘴型号及规格;进尺及提升速度;注浆压力;注浆流量;水灰比值及水泥掺入量;成桩直径;成桩强度;熟悉图纸,作好图纸会审前期工作;加强与业主、监理单位的联系,掌握其施工时的具体要求;做好通水、通电及硬化道路工作;设立临时生活设施;检查机器运转情况并做好各易损件的筹备工作;按现场平面布置图选好地点挖水泥浆池及铺水泥堆放台;按顺序对旋喷桩进行编号。(二)、测量放样依据业主提供主轴线控制点及具体尺寸,运用导线控制法,使用DJ2光学经纬仪和钢尺进行主轴线的放样,其精度要求:距离中误差:±5mm,角度中误差:+10S;参照场地情况,将主轴线控制点引至不受破坏的位置,且加以保护;在复验合格的轴线基础上,进行桩位点的测定,其精度要求为±3(m;及时绘制测量复核签证,确保技术资料的完整性;(三)、注浆工艺高压旋喷桩注浆固结体的质量因素较多,当确定采用一定形式的高压旋喷注浆管法之后,注浆工艺是影响固结体的重要因素之一。1、旋喷高压旋喷注浆,均是自下而上,连续进行,若施工中出现了停机故障,待修好后,需向下搭接不小于500mm的长度,以保证固结体的整体性。由于天然地基的地质情况比较复杂,沿着深度变化大,有多种土层,其密实度、含水量、土粒组成和地下水状态等,有很大差异和不同,若采用单一的技术参数来旋喷注浆,则会形成直径大小极不匀称的固结体,导致旋喷直径不一致,影响承载力。因此,针对不同地质土层的特征,要采取相对的措施来注浆完成。特别对硬土及粘土部位,深部土层要适当放慢提升速度和旋转速度或提高旋喷压力等。2、复喷在不改变旋喷技术参数的条件下,对同一土层作重复注浆(喷到顶再下钻重喷该部位),能增加土体破坏有效长度,从而加大固结体的直径或长度并提高固结体强度,复喷时全部喷浆,复喷的次数愈多固结体直径加长的效果愈好。(四)、水泥用量的控制在喷浆提升过程中,控制水泥用量是关键。水泥的用量与喷浆压力、喷嘴直径、提升速度及水灰比等有直接关系,具体控制方法:1、若水泥量剩余措施如下:适当增加喷浆压力;加大喷嘴直径;减慢提升速度;2、若水泥量不够措施如下:保证桩径的情况下适当减少压力;喷嘴直径适当减少;保证桩体强度的情况下适当加快提升速度;加大水灰比值;针对本工程具体情况,每根桩分次进行搅拌,施工用水精确量取,确保定量的水和水泥比例进行拌制水泥浆,通过调整以上参数可保证水泥量满足设计要求;针对水泥浆下沉现象(水泥浆液密度较大),采取自桩顶向下3.Om进行复喷,可保证桩体上部水泥土强度。(五)、冒浆处理在旋喷过程中,往往有一定数量的土颗粒,随着一部分浆液沿着注浆管管壁冒出地面,通过对冒浆的观察,可以及时了解土层状况,判断旋喷的大致效果和断定参数合理性等,根据经验,冒浆(内有土粒、水及浆液)量小于注浆量20%为正常现象,超过20%或完全不冒浆时,应查明原因及时采取相应措施。1、流量不变而压力突然下降时,应检查部位的泄漏情况,必要时拨出注浆管,检查其封密性能;2、出现不冒浆或断续冒浆时,或系土质松软则视为正常现象,可适当进行复喷;如系附近有空洞、喑道,则应不提升注浆管,继续注浆直至冒浆为止,或拨出注浆管待浆液凝固后,重新注浆直至冒浆为止,必要时采用速凝浆液,便于浆液在注浆管附近凝固;3、减少冒浆的措施冒浆量过大的主要原因,一般是有效喷射范围与注浆不相适应,注浆量大大超过旋喷固结所需的浆量所致;提高旋喷压力(喷浆量不变);适当缩小喷嘴直径(旋喷压力不变);加快提升和旋转速度;对于冒出地面的浆液,可经过选择和调整浓度后进行前一根桩返浆回灌,以防止空穴现象。(六)、固结体控形固结体的形状,可以通过调节旋喷压力和注浆量,改变喷嘴移动方向和提升速度,予以控制。由于本工程设计固结体的形状为圆柱形,在施工中采用边提升边旋转注浆,考虑到深层部位的成形,在底部喷射时,加大喷射压力,做重复旋喷或降低喷嘴的旋转提升速度,而且针对不同土层(硬±)可适当加大压力和降低喷嘴的旋转提升速度,使固结体达到匀称,保证桩径差别不大。(七)、确保桩顶强度当采用水泥浆液进行喷射时,在浆液与土粒搅拌混合后的凝固过程中,由于浆液析水作用,一般均有不同程度的收缩,造成固结体顶部出现一个凹穴,凹穴的深度随地层性质、浆液的析水性、固结体的直径和成孔深度因素不同而不同。单管旋喷的凹穴深度一般为设计桩径的1-1.5倍。这种凹穴现象,对于地基加固是极不利的,必须采取有效措施予以清除。为防止因浆液凝固收缩而产生的凹穴现象,便于地基加固达到理想的效果,可采取超高旋喷(旋喷处理地基的顶面超过建筑基础底面,本工程设计能满足要求)、返浆回灌等措施。(八)、防止串孔的措施1、在施工过程中,各机组采取跳打的施工方法;2、在高压缩土层适当减小喷浆压力。3、加快提升速度和旋转速度。第四章、主要施工机械设备情况及进场计划一、主要施工机械情况合理选择施工设备是保证施工顺利的重要环节。设备型号数量选择的原则是:能满足设计对工程的技术和质量标准;适应地层特点和施工方法的要求;适应施工现场的场地的大小、场地内搬迁、工期要求、供水、供电条件等;适应本公司现有设备条件,以较小的设备投入来满足施工需要;较好地根据主机设备型号数量进行辅助设备和工程器具的选型和配套。二、主要施工机械计划根据本工程工期要求、场地条件和公司设备能力投入主要设备有:序号设备名称型号功率(KW)单位数量1钻机PH-5C50台32高压泵BWT100/30GPB-90型75台123泥浆泵3NL-93台104搅浆机JBOl1.5台105水准仪DS3部16经纬仪DJ2部17电焊机BX1-400套18气焊机套1五、加强质量点的控制高压旋喷注浆加固地基,属隐蔽工程,虽在施工时不能直接观察它的质量,但可通过施工过程中的各工序操作、工艺参数和浆液浓度等因素的实际执行情况和土层的各种反应(冒浆量大小和冒浆浓度,冒浆的通道位置,土体开裂状态),来控制高压旋喷注浆的质量。桩位由专业技术人员进行放样,并经监理人员复验合格;施工时,钻机就位必须在定位员的指挥下准确对准桩位,由质检员复核,监理工程师认可后,钻机方可开钻;施工完毕,及时做好施工记录,并在施工图上做标记;2、确保桩身垂直度钻机开钻前必须调平,依机架两边所吊线锤平行机架为准;钻进过程中,若因故钻机下陷倾斜,需及时调整;3、确保桩顶标局各桩位点放出后,按施工现场平整度划分若干个区,每个区用水准仪准确测出标高,算出其钻孔深度和空喷深度;每开钻前,应将深度盘指针对零,确保钻深准确性;钻头离桩端Im时,提前喷浆,防止桩底部因送浆距离较远不能准确到达,而缩短桩长;4、提高桩顶强度对桩头进行复喷;自桩顶向上超喷不小于1倍的桩径;5、防止缩径及夹泥针对密实度较高的土层,采用慢档高压提升和下沉;加适当的搅拌叶片;增大喷嘴作业半径;6、针对淤泥质粉质粘土层防患措施采取跳打的施工方法;减小旋喷压力;加快提升速度等;添加适量粉煤灰。7、确保桩体连续性喷浆时必须连续,不能间断;施工中一旦出现故障,待修好后,必须再向下搭接长度不小于50cm;8、材料质量控制水泥采用32.5级普通硅酸盐水泥,要求每批水泥有出厂合格证、化验单,并且对每批号水泥做进场抽样复验,袋装每200吨复验一次,合格后方可使用。禁止使用过期、雨淋、受潮、结块水泥;水泥浆液必须搅拌均匀,对超过初凝时间4小时的水泥浆液严禁使用。

    注意事项

    本文(高压旋喷主要施工方法.docx)为本站会员(p**)主动上传,第壹文秘仅提供信息存储空间,仅对用户上传内容的表现方式做保护处理,对上载内容本身不做任何修改或编辑。 若此文所含内容侵犯了您的版权或隐私,请立即通知第壹文秘(点击联系客服),我们立即给予删除!

    温馨提示:如果因为网速或其他原因下载失败请重新下载,重复下载不扣分。




    关于我们 - 网站声明 - 网站地图 - 资源地图 - 友情链接 - 网站客服 - 联系我们

    copyright@ 2008-2023 1wenmi网站版权所有

    经营许可证编号:宁ICP备2022001189号-1

    本站为文档C2C交易模式,即用户上传的文档直接被用户下载,本站只是中间服务平台,本站所有文档下载所得的收益归上传人(含作者)所有。第壹文秘仅提供信息存储空间,仅对用户上传内容的表现方式做保护处理,对上载内容本身不做任何修改或编辑。若文档所含内容侵犯了您的版权或隐私,请立即通知第壹文秘网,我们立即给予删除!

    收起
    展开