欢迎来到第壹文秘! | 帮助中心 分享价值,成长自我!
第壹文秘
全部分类
  • 幼儿/小学教育>
  • 中学教育>
  • 高等教育>
  • 研究生考试>
  • 外语学习>
  • 资格/认证考试>
  • 论文>
  • IT计算机>
  • 法律/法学>
  • 建筑/环境>
  • 通信/电子>
  • 医学/心理学>
  • ImageVerifierCode 换一换
    首页 第壹文秘 > 资源分类 > DOCX文档下载
    分享到微信 分享到微博 分享到QQ空间

    附表2:房屋建筑和市政工程勘察现场检査表.docx

    • 资源ID:809668       资源大小:17.45KB        全文页数:2页
    • 资源格式: DOCX        下载积分:5金币
    快捷下载 游客一键下载
    账号登录下载
    三方登录下载: 微信开放平台登录 QQ登录
    下载资源需要5金币
    邮箱/手机:
    温馨提示:
    快捷下载时,如果您不填写信息,系统将为您自动创建临时账号,适用于临时下载。
    如果您填写信息,用户名和密码都是您填写的【邮箱或者手机号】(系统自动生成),方便查询和重复下载。
    如填写123,账号就是123,密码也是123。
    支付方式: 支付宝    微信支付   
    验证码:   换一换

    加入VIP,免费下载
     
    账号:
    密码:
    验证码:   换一换
      忘记密码?
        
    友情提示
    2、PDF文件下载后,可能会被浏览器默认打开,此种情况可以点击浏览器菜单,保存网页到桌面,就可以正常下载了。
    3、本站不支持迅雷下载,请使用电脑自带的IE浏览器,或者360浏览器、谷歌浏览器下载即可。
    4、本站资源下载后的文档和图纸-无水印,预览文档经过压缩,下载后原文更清晰。
    5、试题试卷类文档,如果标题没有明确说明有答案则都视为没有答案,请知晓。

    附表2:房屋建筑和市政工程勘察现场检査表.docx

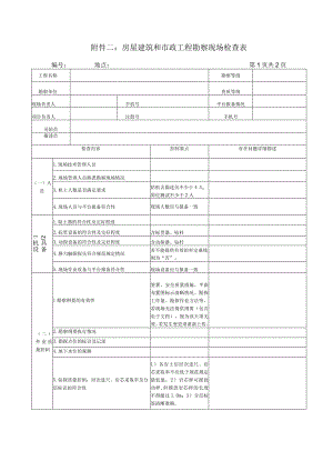
    附件二:房屋建筑和市政工程勘察现场检查表编号:地点:第1页共2页工程名称勘察等级勘察单位资质等级现场负责人手机号平台报备情况项目负责人注册号手机号司钻员描述员检查内容控制要点存在问题详细描述(一)人员1.现场技术管理人员2.现场管理人员熟悉勘察现场情况3.机上人数是否满足要求钻机含描述员不少于4人,原位测试不少于2人4.现场人员与平台报备符合性现场人数应与报备一致2)具备U机设1.取土器的符合性及完好程度2.标贯设备的符合性及完好程度含标贯器、钻杆3.动探设备的符合性及完好程度含动探器、钻杆4.静力触探探头符合规范规定情况若不能提供有效的率定曲线,则为“否”。5.现场作业设备与平台报备符合性现场设备应与报备一致(二)外业质量控制1勘察纲要的有效性签署、安全质量措施、平面布置图标示清晰情况、勘探工作量、勘探作业方法等。若现场无法提供纲要(包含电子文档),视为该大项无效。若发生变更须重新上传。2.勘察纲要执行情况3.勘探点位的标识及记录4.地下水位的观测5.钻探质量控制:回次进尺、岩芯采取率及分层标识的符合性1)各岩土层回次进尺、岩芯采取率不应低于规范规定最低值;2)岩芯样可摆扰动样,但摆放岩芯样的长度不得超过1.0m:3)分层标签清晰准确。房屋建筑和市政工程勘察现场检查表编号:地点:第2页共2页检查内容控制要点存在问题详细情况(三)外业质量控制6.钻孔记录表及岩芯描述符合情况7.原位测试方法的符合性和记录的完整性价探贯入速率、标贯方法等原位测试8.样品取样方法及质量、标识、包装存贮是否符合规范和技术要求土样标签是否清晰正确(四)外业安全控制1.安全技术交底覆盖所有作业人员2机具设备的安装、搬迁是否落塔架搬迁3现场作业人员的安全帽、工作服和工作鞋情况4.开孔时对地下管线等的调查5.终孔后是否按要求封孔按纲要执行管理平台上显示的异常情况描述其他需要补充的问题检查组意见和建议备注:检查组成员受检单位现场负责人(签字)日期:年月日

    注意事项

    本文(附表2:房屋建筑和市政工程勘察现场检査表.docx)为本站会员(p**)主动上传,第壹文秘仅提供信息存储空间,仅对用户上传内容的表现方式做保护处理,对上载内容本身不做任何修改或编辑。 若此文所含内容侵犯了您的版权或隐私,请立即通知第壹文秘(点击联系客服),我们立即给予删除!

    温馨提示:如果因为网速或其他原因下载失败请重新下载,重复下载不扣分。




    关于我们 - 网站声明 - 网站地图 - 资源地图 - 友情链接 - 网站客服 - 联系我们

    copyright@ 2008-2023 1wenmi网站版权所有

    经营许可证编号:宁ICP备2022001189号-1

    本站为文档C2C交易模式,即用户上传的文档直接被用户下载,本站只是中间服务平台,本站所有文档下载所得的收益归上传人(含作者)所有。第壹文秘仅提供信息存储空间,仅对用户上传内容的表现方式做保护处理,对上载内容本身不做任何修改或编辑。若文档所含内容侵犯了您的版权或隐私,请立即通知第壹文秘网,我们立即给予删除!

    收起
    展开