欢迎来到第壹文秘! | 帮助中心 分享价值,成长自我!
第壹文秘
全部分类
  • 幼儿/小学教育>
  • 中学教育>
  • 高等教育>
  • 研究生考试>
  • 外语学习>
  • 资格/认证考试>
  • 论文>
  • IT计算机>
  • 法律/法学>
  • 建筑/环境>
  • 通信/电子>
  • 医学/心理学>
  • ImageVerifierCode 换一换
    首页 第壹文秘 > 资源分类 > DOCX文档下载
    分享到微信 分享到微博 分享到QQ空间

    重点关注人才培养方案(2014.8)贾佳.docx

    • 资源ID:808314       资源大小:16.66KB        全文页数:2页
    • 资源格式: DOCX        下载积分:5金币
    快捷下载 游客一键下载
    账号登录下载
    三方登录下载: 微信开放平台登录 QQ登录
    下载资源需要5金币
    邮箱/手机:
    温馨提示:
    快捷下载时,如果您不填写信息,系统将为您自动创建临时账号,适用于临时下载。
    如果您填写信息,用户名和密码都是您填写的【邮箱或者手机号】(系统自动生成),方便查询和重复下载。
    如填写123,账号就是123,密码也是123。
    支付方式: 支付宝    微信支付   
    验证码:   换一换

    加入VIP,免费下载
     
    账号:
    密码:
    验证码:   换一换
      忘记密码?
        
    友情提示
    2、PDF文件下载后,可能会被浏览器默认打开,此种情况可以点击浏览器菜单,保存网页到桌面,就可以正常下载了。
    3、本站不支持迅雷下载,请使用电脑自带的IE浏览器,或者360浏览器、谷歌浏览器下载即可。
    4、本站资源下载后的文档和图纸-无水印,预览文档经过压缩,下载后原文更清晰。
    5、试题试卷类文档,如果标题没有明确说明有答案则都视为没有答案,请知晓。

    重点关注人才培养方案(2014.8)贾佳.docx

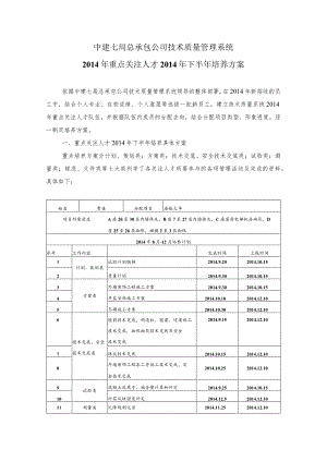
    中建七局总承包公司技术质量管理系统2014年重点关注人才2014年下半年培养方案依据中建七局总承包公司技术质量管理系统领导的整体部署,在2014年新招收的员工中,结合个人专业、在校成绩、个人意愿等选拔一批新员工,建立技术质量系统2014年重点关注人才队伍,并根据队伍内成员的分配去向,结合分配项目类型、形象进度,逐一制定培养方案。一、重点关注人才2014年下半年培养具体方案重点培养方案分计划、策划类;方案类;技术交底、安全技术交底类;试验类;测量类;规范、文件类等七大类列举了各关注人才所要参与的各项管理活动及完成的资料。具体如下:姓名贾佳分配项目海航大华项目形象进度A座20至30层内墙抹灰,B座7至27层内墙抹灰,C座屋面电梯机房砌筑,D座25至26层砌体,裙楼2至3层砌体2014年8月-12月培养计划序号工作内容完成时间上报时间1计划、策划类试验计划编制2014.9.202014.10.152质量计划2014.9.302014.10.153方案类外墙装饰工程施工方案2014.9.302014.10.154吊篮安拆施工方案2014.10.102014.12.105冬期施工方案2014.10.302014.12.106技术交底、安全技术交底类植筋技术交底,构造柱、圈梁、过梁施工技术交底,砌体砌筑技术交底及安全技术交底2014.9.152014.12.107抹灰技术交底2014.10.152014.12.108外墙装饰工程各工序施工技术交底、安金技术交底2014.10.252014.12.109试验类混凝土筑离子、碱含量计算和评定2014.9.252014.10.1510砂浆试块强度评定2014.12.52014.12.1011测量类沉降观测记录2014.11.252014.12.1012塔吊垂直度观测记录2014.11.202014.12.1013规范、文件类项目管理手册学习笔记、学习心得2014.11.52014.12.1014中建总公司质量管理条例2014.11.102014.12.1015中建七局项目管理考核办法2014.11.152014.12.10二、重点关注人才考核思路重点关注人员的考核分两部分进行。第一部分为公司总工、技术质量部去该项目检查时,查阅其工作记录,对其工作内容进行答辩以及了解项目其他成员对该重点关注人员的综合表现评价;第二部分为完成工作记录评价。要求完成的工作记录分2014年10月15日、12月10日两次递交到公司技术质量部。公司技术质量部组织对其完成内容的质量进行分析、评比,指出重点关注人才各项工作需要改正、改进和调整的地方,并予以反馈。对有发现抄袭、不认真、抱完任务心态去工作等现象的人,给予批评,情节严重的将取消重点关注人员资格。中建七局总承包公司技术质量部二。一四年九月一日

    注意事项

    本文(重点关注人才培养方案(2014.8)贾佳.docx)为本站会员(p**)主动上传,第壹文秘仅提供信息存储空间,仅对用户上传内容的表现方式做保护处理,对上载内容本身不做任何修改或编辑。 若此文所含内容侵犯了您的版权或隐私,请立即通知第壹文秘(点击联系客服),我们立即给予删除!

    温馨提示:如果因为网速或其他原因下载失败请重新下载,重复下载不扣分。




    关于我们 - 网站声明 - 网站地图 - 资源地图 - 友情链接 - 网站客服 - 联系我们

    copyright@ 2008-2023 1wenmi网站版权所有

    经营许可证编号:宁ICP备2022001189号-1

    本站为文档C2C交易模式,即用户上传的文档直接被用户下载,本站只是中间服务平台,本站所有文档下载所得的收益归上传人(含作者)所有。第壹文秘仅提供信息存储空间,仅对用户上传内容的表现方式做保护处理,对上载内容本身不做任何修改或编辑。若文档所含内容侵犯了您的版权或隐私,请立即通知第壹文秘网,我们立即给予删除!

    收起
    展开