欢迎来到第壹文秘! | 帮助中心 分享价值,成长自我!
第壹文秘
全部分类
  • 幼儿/小学教育>
  • 中学教育>
  • 高等教育>
  • 研究生考试>
  • 外语学习>
  • 资格/认证考试>
  • 论文>
  • IT计算机>
  • 法律/法学>
  • 建筑/环境>
  • 通信/电子>
  • 医学/心理学>
  • ImageVerifierCode 换一换
    首页 第壹文秘 > 资源分类 > DOCX文档下载
    分享到微信 分享到微博 分享到QQ空间

    表29钢结构基层检验批质量验收记录.docx

    • 资源ID:803917       资源大小:16.40KB        全文页数:2页
    • 资源格式: DOCX        下载积分:5金币
    快捷下载 游客一键下载
    账号登录下载
    三方登录下载: 微信开放平台登录 QQ登录
    下载资源需要5金币
    邮箱/手机:
    温馨提示:
    快捷下载时,如果您不填写信息,系统将为您自动创建临时账号,适用于临时下载。
    如果您填写信息,用户名和密码都是您填写的【邮箱或者手机号】(系统自动生成),方便查询和重复下载。
    如填写123,账号就是123,密码也是123。
    支付方式: 支付宝    微信支付   
    验证码:   换一换

    加入VIP,免费下载
     
    账号:
    密码:
    验证码:   换一换
      忘记密码?
        
    友情提示
    2、PDF文件下载后,可能会被浏览器默认打开,此种情况可以点击浏览器菜单,保存网页到桌面,就可以正常下载了。
    3、本站不支持迅雷下载,请使用电脑自带的IE浏览器,或者360浏览器、谷歌浏览器下载即可。
    4、本站资源下载后的文档和图纸-无水印,预览文档经过压缩,下载后原文更清晰。
    5、试题试卷类文档,如果标题没有明确说明有答案则都视为没有答案,请知晓。

    表29钢结构基层检验批质量验收记录.docx

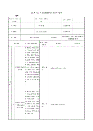
    表29钢结构基层检验批质量验收记录编号:单位(子单位)工程名称分部(子分部)工程名称分项工程名称施工单位项目经理检验批容量分包单位分包单位项目经理检验批部位施工依据施工方案及图纸验收依据建筑防腐蚀工程施工质量验收标准GB/T50224-2018验收项目设计要求及规范规定最小/实际抽样数量检查记录检查结果主控项日1钢材表面原始锈蚀等级1、SaI级:钢材表面应无可见的油脂和污垢,并且没有附着不牢的氧化皮、铁锈和油漆涂层等。2、Sa2级:钢材表面应无可见的油脂和污垢,并且氧化皮、铁锈和油漆涂层等附着物已基本清除,其残留物应牢固。3、Sa21/2级:钢材表面应元可见的油脂、污垢、氧化皮、铁锈和油漆涂层等附着物,任何残留的痕迹应仅是点状或条纹状的轻微色斑。最小:实际:观察比对各等级标准照片。2钢结构表面采用于工和动力工具除锈的质量1、St2级:钢材表面应无可见的油脂和污垢,且没有附着不牢的氧化皮、铁锈和油攘涂层等。2、St3级:钢材表面应元可见的油脂和污垢,且没有附着不牢的氧化皮、铁锈和油漆涂层等附着物。除锈等级应比St2更为彻底,底材显露部分的最小:实际:观察比对各等级标准照片。表面应具有金属本体光泽。般项目1钢结构衣面质量应洁净,并应无焊瘤、毛刺、裂纹、穿孔和咬边等焊接质量缺陷。最小:实际:观察检查或对比样板标准块法,表面洁净度可采用压敏黏带法评定2钢结构表面的粗糙度等级应符合设计规定。当设计无规定时,应符合现行国家标准建筑防腐蚀工程施工规范GB50212的有关规定。最小:实际:采用仪器检测、标准样板观察检食3涂装时间已经除锈的钢结构表面底层涂料的涂装时间,在相对湿度小于85%时不应超过5h最小:实际:检查施工记录施工单位检查结果班组长:分包单位项目质检员:项目部质检员:年月日监理单位验收结论专业监理工程师:年月日填表说明1、检验批容量填写:同一检验批内的面积数。2、最小/实际检查数量栏中,最小数量填写按检查数量栏中规定的检查数量。3、表头中“施工依据”栏目应依照实际的施工操作依据填写,如施工企业的操作规程、工法、施工工艺标准等。

    注意事项

    本文(表29钢结构基层检验批质量验收记录.docx)为本站会员(p**)主动上传,第壹文秘仅提供信息存储空间,仅对用户上传内容的表现方式做保护处理,对上载内容本身不做任何修改或编辑。 若此文所含内容侵犯了您的版权或隐私,请立即通知第壹文秘(点击联系客服),我们立即给予删除!

    温馨提示:如果因为网速或其他原因下载失败请重新下载,重复下载不扣分。




    关于我们 - 网站声明 - 网站地图 - 资源地图 - 友情链接 - 网站客服 - 联系我们

    copyright@ 2008-2023 1wenmi网站版权所有

    经营许可证编号:宁ICP备2022001189号-1

    本站为文档C2C交易模式,即用户上传的文档直接被用户下载,本站只是中间服务平台,本站所有文档下载所得的收益归上传人(含作者)所有。第壹文秘仅提供信息存储空间,仅对用户上传内容的表现方式做保护处理,对上载内容本身不做任何修改或编辑。若文档所含内容侵犯了您的版权或隐私,请立即通知第壹文秘网,我们立即给予删除!

    收起
    展开