欢迎来到第壹文秘! | 帮助中心 分享价值,成长自我!
第壹文秘
全部分类
  • 幼儿/小学教育>
  • 中学教育>
  • 高等教育>
  • 研究生考试>
  • 外语学习>
  • 资格/认证考试>
  • 论文>
  • IT计算机>
  • 法律/法学>
  • 建筑/环境>
  • 通信/电子>
  • 医学/心理学>
  • ImageVerifierCode 换一换
    首页 第壹文秘 > 资源分类 > DOCX文档下载
    分享到微信 分享到微博 分享到QQ空间

    表28混凝土基层检验批质量验收记录.docx

    • 资源ID:803860       资源大小:17.58KB        全文页数:3页
    • 资源格式: DOCX        下载积分:5金币
    快捷下载 游客一键下载
    账号登录下载
    三方登录下载: 微信开放平台登录 QQ登录
    下载资源需要5金币
    邮箱/手机:
    温馨提示:
    快捷下载时,如果您不填写信息,系统将为您自动创建临时账号,适用于临时下载。
    如果您填写信息,用户名和密码都是您填写的【邮箱或者手机号】(系统自动生成),方便查询和重复下载。
    如填写123,账号就是123,密码也是123。
    支付方式: 支付宝    微信支付   
    验证码:   换一换

    加入VIP,免费下载
     
    账号:
    密码:
    验证码:   换一换
      忘记密码?
        
    友情提示
    2、PDF文件下载后,可能会被浏览器默认打开,此种情况可以点击浏览器菜单,保存网页到桌面,就可以正常下载了。
    3、本站不支持迅雷下载,请使用电脑自带的IE浏览器,或者360浏览器、谷歌浏览器下载即可。
    4、本站资源下载后的文档和图纸-无水印,预览文档经过压缩,下载后原文更清晰。
    5、试题试卷类文档,如果标题没有明确说明有答案则都视为没有答案,请知晓。

    表28混凝土基层检验批质量验收记录.docx

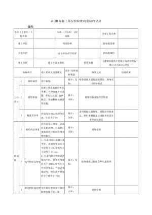
    表28混凝土基层检验批质量验收记录编号:单位(子单位)工程名称分部(子分部)工程名称分项工程名称施工单位项目经理检验批容量分包单位分包单位项目经理检验批部位施工依据施工方案及图纸验收依据建筑防腐蚀工程施工质量验收标准GB/T50224-2018验收项目设计要求及规范规定最小/实际抽样数量检查记录检查结果主控项目1基层强度设计强度:最小:实际:检查混凝土强度试验报告、现场采用仪器测试2基层质量混凝土基层表面应密实、平整,不得有地下水渗漏、不均匀沉陷、起砂、脱层、裂缝和蜂窝麻面等现象。最小:实际:观察检查或敲击法检查3魁蜜含水率在深度为20mm的厚度层内,不应大于6%最小:实际:采用现场仪器测量、现场取样称重法、塑料薄膜覆盖法或检查基层含水率试验报告股项目1基层的洁净度应符合设计规定,表面应无析出物、污染物、水泥渣和浮浆层等附着物和粉尘。最小:实际:观察检查2找平材料及厚度1、当采用细石混凝土找平时,其强度等级应大于或等于C30,厚度应大于或等于30un;2、当采用聚合物水泥砂浆找平时,其强度等级应大于20MPa,厚度应符合设计规定,当设计无规定时,每次找平厚度应小于或等于IOmm最小:实际:检查强度试验报告和尺量检查3基层阴阳角处理当在基层表面进行块材防腐蚀施工时,基最小:实际:观察检查层的阴阳角应做成直角;进行其他种类防腐蚀施工时,基层的阴阳角应做成圆角或45°斜面。4砌体结构抹面层水泥砂浆的质量应符合设计规定,表面应平整,不得有起砂、脱层、裂缝和蜂窝麻面等现象。最小:实际:观察检查或采用敲击检查5穿过防腐蚀层的预埋件和预留孔应符合设计规定。最小:实际:观察检查6基层表面的粗糙度应符合设计规定,当设计无规定时,应符合现行国家标准建筑防腐蚀工程施工规范GB50212的有关规定,经过处理的基层表雨应为均匀粗糙面。最小:实际:现场仪器检测7基层坡度应符合设计规定。其允许偏差应为坡长的±0.2%最大偏差应小于30mm最小:实际:观察、仪器检查或泼水试验检查8基层平整度1当防腐蚀层厚度大于或等于5mm时,允许偏差宜为4mm:2当防腐蚀层厚度小于5mm时,允许偏差宜为2mm最小:实际:采用2m直尺和模形尺检查或仪器检查施工单位检查结果班组长:分包单位项目质检员:项目部质检员:年月日监理单位验收结论专业监理工程师:年月日填表说明1、检验批容量填写:同一检验批内的面积数。2、最小/实际检查数量栏中,最小数量填写按检查数量栏中规定的检查数量。3、表头中“施工依据”栏目应依照实际的施工操作依据填写,如施工企业的操作规程、工法、施工工艺标准等。

    注意事项

    本文(表28混凝土基层检验批质量验收记录.docx)为本站会员(p**)主动上传,第壹文秘仅提供信息存储空间,仅对用户上传内容的表现方式做保护处理,对上载内容本身不做任何修改或编辑。 若此文所含内容侵犯了您的版权或隐私,请立即通知第壹文秘(点击联系客服),我们立即给予删除!

    温馨提示:如果因为网速或其他原因下载失败请重新下载,重复下载不扣分。




    关于我们 - 网站声明 - 网站地图 - 资源地图 - 友情链接 - 网站客服 - 联系我们

    copyright@ 2008-2023 1wenmi网站版权所有

    经营许可证编号:宁ICP备2022001189号-1

    本站为文档C2C交易模式,即用户上传的文档直接被用户下载,本站只是中间服务平台,本站所有文档下载所得的收益归上传人(含作者)所有。第壹文秘仅提供信息存储空间,仅对用户上传内容的表现方式做保护处理,对上载内容本身不做任何修改或编辑。若文档所含内容侵犯了您的版权或隐私,请立即通知第壹文秘网,我们立即给予删除!

    收起
    展开