欢迎来到第壹文秘! | 帮助中心 分享价值,成长自我!
第壹文秘
全部分类
  • 幼儿/小学教育>
  • 中学教育>
  • 高等教育>
  • 研究生考试>
  • 外语学习>
  • 资格/认证考试>
  • 论文>
  • IT计算机>
  • 法律/法学>
  • 建筑/环境>
  • 通信/电子>
  • 医学/心理学>
  • ImageVerifierCode 换一换
    首页 第壹文秘 > 资源分类 > DOCX文档下载
    分享到微信 分享到微博 分享到QQ空间

    表148钢构件(钢梯、平台及栏杆)组装检验批质量验收记录.docx

    • 资源ID:803850       资源大小:24.19KB        全文页数:4页
    • 资源格式: DOCX        下载积分:5金币
    快捷下载 游客一键下载
    账号登录下载
    三方登录下载: 微信开放平台登录 QQ登录
    下载资源需要5金币
    邮箱/手机:
    温馨提示:
    快捷下载时,如果您不填写信息,系统将为您自动创建临时账号,适用于临时下载。
    如果您填写信息,用户名和密码都是您填写的【邮箱或者手机号】(系统自动生成),方便查询和重复下载。
    如填写123,账号就是123,密码也是123。
    支付方式: 支付宝    微信支付   
    验证码:   换一换

    加入VIP,免费下载
     
    账号:
    密码:
    验证码:   换一换
      忘记密码?
        
    友情提示
    2、PDF文件下载后,可能会被浏览器默认打开,此种情况可以点击浏览器菜单,保存网页到桌面,就可以正常下载了。
    3、本站不支持迅雷下载,请使用电脑自带的IE浏览器,或者360浏览器、谷歌浏览器下载即可。
    4、本站资源下载后的文档和图纸-无水印,预览文档经过压缩,下载后原文更清晰。
    5、试题试卷类文档,如果标题没有明确说明有答案则都视为没有答案,请知晓。

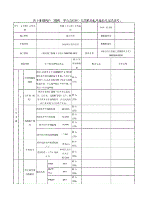
    表148钢构件(钢梯、平台及栏杆)组装检验批质量验收记录.docx

    表148钢构件(钢梯、平台及栏杆)组装检验批质量验收记录编号:单位(子单位)工程名称分部(子分部)工程名称分项工程名称施工单位项目经理检验批容量分包单位分包单位项目经理检验批部位施工依据钢结构工程施工规范GB50755-2012验收依据钢结构工程施工质量验收规范GB50205-2020验收项目设计要求及规范规定最小/实际抽样数量检查记录检查结果主控项目1拼接对接焊缝翁钢材、钢部件拼接或对接时所采用的焊缝质量等级应满足设计要求。当设计无要求时,应采用质量等级不低于二级的熔透焊缝,对直接承受拉力的焊缝,应采用一级熔透焊缝。最小:实际:2吊车梁(桁架)钢吊车梁的下翼缘不得焊接工装夹具、定位板、连接板等临时工件。钢吊车梁和吊车桁架组装、焊接完成后在自重荷载下不允许有下挠。最小:实际:3端部铳平精度两端铳平时构件长度±2.Omm最小:实际:两端铳平时零件长度+0.5mm最小:实际:铳平时的平面长度0.3mm最小:实际:铳平面对轴线的垂直度L/1500最小:实际:4外形尺寸构件连接处的截面几何尺寸+3.Omm最小:实际:受压构件(杆件)弯曲矢高L1000,且不应大于10.Omni最小:实际:1焊接H型钢组装精度截面高度h<500±2.0最小:实际:500<h<1000±3.0最小:实际:h>1000±4.0最小:实际:般项目截面宽度b±3.0最小:实际:腹板中心偏移2最小:实际:巽缘板垂直度AB/100,且不应大于3.0最小:实际:弯曲矢高(受压构件除外)L/1000,且不应大于10.0最小:实际:扭曲h250,且不应大于5.0最小:实际:腹板局部平面度fT64最小:实际:6<t<143最小:实际:TN142最小:实际:2焊接组装精度对口错边t10,且不大于3.0最小:实际:间隙a1.0最小:实际:搭接长度a±5.0最小:实际:缝隙1.5最小:实际:高度h±2.0最小:实际:垂直度b100,且不大于3.0最小:实际:中心偏差2.0最小:实际:型钢错位连接处1.0最小:实际:其他2.0最小:实际:箱形截面高度h±2.0最小:实际:宽度b±2.0最小:实际:垂直度b200,且不大于3.0最小:实际:3顶紧接触面设计要求顶紧的接触面应有75舟以上的面积密贴,且边缘最大间隙不最小:实际:应大于O.8mm4釉线交点错位柜架结构组装时,杆件轴线交点偏移不宜大于4.Omm最小:实际:5铳平面保护外露铳平面和顶紧接触面应有防锈保护。最小:实际:6外形尺寸钢平台、钢梯和防护钢栏杆平台长度和宽度±5.0最小:实际:平台两对角线差IL1-L2I6.0最小:实际:平台支柱高度±3.0最小:实际:平台支柱弯曲矢高5.0最小:实际:平台表面平面度(1m范围内)6.0最小:实际:梯梁长度L±5.0最小:实际:钢梯宽度b±5.0最小:实际:钢梯安装孔距离a±3.0最小:实际:钢梯纵向挠曲矢高L/1000最小:实际:踏步(棍)间距&±3.0最小:实际:栏杆高度±3.0最小:实际:栏杆立柱间距士5.0最小:实际:施工单位检查结果班组长:分包单位项目质检员:项目部质检员:年月日监理单位验收结论专业监理工程师:年月日填表说明1、检验批容量填写:同一检验批内,填写构件的总数2、最小/实际检查数量栏中,实际检查数量:按实填写且不少于最小数量。D广2:全数检查。2)端部铳平精度:按铳平面数量抽查10%,且不应少于3个。3)外形尺寸:全数检查。4)焊接H型钢组装精度:按钢构件数抽查10%,且不应少于3件。5)焊接组装精度:按钢构件数抽查10%,且不应少于3件。6)顶紧接触面:全数检查,用0.3mm的塞尺检查,其塞入面积应小于25%,边缘最大问隙不应大千0.8mmo7)轴线交点错位:按钢构件数抽查10%,且不应少于3件;每个抽查构件按节点数抽查10%,且不应少于3个节点。8)铳平面保护:全数检查9)外形尺寸:按钢构件数抽查10%,且不应少于3件。3、表头中“施工依据”栏目应依照实际的施工操作依据填写,如施工企业的操作规程、工法、施工工艺标准。

    注意事项

    本文(表148钢构件(钢梯、平台及栏杆)组装检验批质量验收记录.docx)为本站会员(p**)主动上传,第壹文秘仅提供信息存储空间,仅对用户上传内容的表现方式做保护处理,对上载内容本身不做任何修改或编辑。 若此文所含内容侵犯了您的版权或隐私,请立即通知第壹文秘(点击联系客服),我们立即给予删除!

    温馨提示:如果因为网速或其他原因下载失败请重新下载,重复下载不扣分。




    关于我们 - 网站声明 - 网站地图 - 资源地图 - 友情链接 - 网站客服 - 联系我们

    copyright@ 2008-2023 1wenmi网站版权所有

    经营许可证编号:宁ICP备2022001189号-1

    本站为文档C2C交易模式,即用户上传的文档直接被用户下载,本站只是中间服务平台,本站所有文档下载所得的收益归上传人(含作者)所有。第壹文秘仅提供信息存储空间,仅对用户上传内容的表现方式做保护处理,对上载内容本身不做任何修改或编辑。若文档所含内容侵犯了您的版权或隐私,请立即通知第壹文秘网,我们立即给予删除!

    收起
    展开