欢迎来到第壹文秘! | 帮助中心 分享价值,成长自我!
第壹文秘
全部分类
  • 幼儿/小学教育>
  • 中学教育>
  • 高等教育>
  • 研究生考试>
  • 外语学习>
  • 资格/认证考试>
  • 论文>
  • IT计算机>
  • 法律/法学>
  • 建筑/环境>
  • 通信/电子>
  • 医学/心理学>
  • ImageVerifierCode 换一换
    首页 第壹文秘 > 资源分类 > DOCX文档下载
    分享到微信 分享到微博 分享到QQ空间

    表141普通紧固件连接检验批质量验收记录.docx

    • 资源ID:803846       资源大小:15.94KB        全文页数:2页
    • 资源格式: DOCX        下载积分:5金币
    快捷下载 游客一键下载
    账号登录下载
    三方登录下载: 微信开放平台登录 QQ登录
    下载资源需要5金币
    邮箱/手机:
    温馨提示:
    快捷下载时,如果您不填写信息,系统将为您自动创建临时账号,适用于临时下载。
    如果您填写信息,用户名和密码都是您填写的【邮箱或者手机号】(系统自动生成),方便查询和重复下载。
    如填写123,账号就是123,密码也是123。
    支付方式: 支付宝    微信支付   
    验证码:   换一换

    加入VIP,免费下载
     
    账号:
    密码:
    验证码:   换一换
      忘记密码?
        
    友情提示
    2、PDF文件下载后,可能会被浏览器默认打开,此种情况可以点击浏览器菜单,保存网页到桌面,就可以正常下载了。
    3、本站不支持迅雷下载,请使用电脑自带的IE浏览器,或者360浏览器、谷歌浏览器下载即可。
    4、本站资源下载后的文档和图纸-无水印,预览文档经过压缩,下载后原文更清晰。
    5、试题试卷类文档,如果标题没有明确说明有答案则都视为没有答案,请知晓。

    表141普通紧固件连接检验批质量验收记录.docx

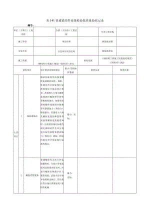
    表141普通紧固件连接检验批质量验收记录编号:单位(子单位)工程名称分部(子分部)工程名称分项工程名称施工单位项目经理检验批容量分包单位分包单位项目经理检验批部位施工依据钢结构工程施工规范GB50755-2012验收依据钢结构工程施工质量验收规范GB50205-2020验收项目设计要求及规范规定最小/实际抽样数量检查记录检查结果主控项日1成品进场众钢结构连接用高强度螺栓连接副的品种、规格、性能应符合国家现行标准的规定并满足设计要求。高强度大六角头螺栓连接副应随箱带有扭矩系数检验报告,扭剪型高强度螺栓连接副应随箱带有紧固轴力(预拉力)检验报告。高强度大六角头螺栓连接副和扭剪型高强度螺栓连接副进场时,应按国家现行标准的规定抽取试件且应分别进行扭矩系数和紧固轴力(预拉力)检验,检验结果应符合国家现行标准的规定。最小:实际:2螺栓实物复验普通螺栓作为永久性连接螺栓时,当设计有要求或对其质量有疑义时,应进行螺栓实物最小拉力载荷复验,试验方法可按本标准附录执行,其结果应符合现行国家标准紧固件机械最小:实际:性能螺栓、螺钉和螺柱GB/T3098.的规定。3匹配及间距连接薄钢板采用的自攻钉、拉柳钉、射钉等规格尺寸应与被连接钢板相匹配,并满足设计要求,其间距、边距等应满足设计要求。最小:实际:般项目1螺栓紧固永久性普通螺栓紧固应牢固、可靠,外露丝扣不应少于2扣。最小:实际:2外观质量自攻螺钉、拉柳钉、射钉等与连接钢板应紧固密贴,外观排列整齐。最小:实际:施工单位检查结果班组长:分包单位项目质检员:项目部质检员:年月日监理单位验收结论专业监理工程师:年月日填表说明1、检验批容量填写:同一检验批内,填写构件的总数2、最小/实际检查数量栏中,实际检查数量:按实填写且不少于最小数量。D成品进场:质量证明文件全数检查,抽样数量按进场批次和产品的抽样检验方案确定。2)螺栓实物复验:每一规格螺栓应抽查8个。3)匹配及间距:应按连接节点数抽查1%,且不应少于3个。4)螺栓紧固:应按连接节点数抽查10%,且不应少于3个。5)外观质量:按连接节点数抽查10%,且不应少于3个。3、表头中“施工依据”栏目应依照实际的施工操作依据填写,如施工企业的操作规程、工法、施工工艺标准。

    注意事项

    本文(表141普通紧固件连接检验批质量验收记录.docx)为本站会员(p**)主动上传,第壹文秘仅提供信息存储空间,仅对用户上传内容的表现方式做保护处理,对上载内容本身不做任何修改或编辑。 若此文所含内容侵犯了您的版权或隐私,请立即通知第壹文秘(点击联系客服),我们立即给予删除!

    温馨提示:如果因为网速或其他原因下载失败请重新下载,重复下载不扣分。




    关于我们 - 网站声明 - 网站地图 - 资源地图 - 友情链接 - 网站客服 - 联系我们

    copyright@ 2008-2023 1wenmi网站版权所有

    经营许可证编号:宁ICP备2022001189号-1

    本站为文档C2C交易模式,即用户上传的文档直接被用户下载,本站只是中间服务平台,本站所有文档下载所得的收益归上传人(含作者)所有。第壹文秘仅提供信息存储空间,仅对用户上传内容的表现方式做保护处理,对上载内容本身不做任何修改或编辑。若文档所含内容侵犯了您的版权或隐私,请立即通知第壹文秘网,我们立即给予删除!

    收起
    展开