欢迎来到第壹文秘! | 帮助中心 分享价值,成长自我!
第壹文秘
全部分类
  • 幼儿/小学教育>
  • 中学教育>
  • 高等教育>
  • 研究生考试>
  • 外语学习>
  • 资格/认证考试>
  • 论文>
  • IT计算机>
  • 法律/法学>
  • 建筑/环境>
  • 通信/电子>
  • 医学/心理学>
  • ImageVerifierCode 换一换
    首页 第壹文秘 > 资源分类 > DOCX文档下载
    分享到微信 分享到微博 分享到QQ空间

    表149钢构件预拼装检验批质量验收记录.docx

    • 资源ID:803836       资源大小:20.21KB        全文页数:4页
    • 资源格式: DOCX        下载积分:5金币
    快捷下载 游客一键下载
    账号登录下载
    三方登录下载: 微信开放平台登录 QQ登录
    下载资源需要5金币
    邮箱/手机:
    温馨提示:
    快捷下载时,如果您不填写信息,系统将为您自动创建临时账号,适用于临时下载。
    如果您填写信息,用户名和密码都是您填写的【邮箱或者手机号】(系统自动生成),方便查询和重复下载。
    如填写123,账号就是123,密码也是123。
    支付方式: 支付宝    微信支付   
    验证码:   换一换

    加入VIP,免费下载
     
    账号:
    密码:
    验证码:   换一换
      忘记密码?
        
    友情提示
    2、PDF文件下载后,可能会被浏览器默认打开,此种情况可以点击浏览器菜单,保存网页到桌面,就可以正常下载了。
    3、本站不支持迅雷下载,请使用电脑自带的IE浏览器,或者360浏览器、谷歌浏览器下载即可。
    4、本站资源下载后的文档和图纸-无水印,预览文档经过压缩,下载后原文更清晰。
    5、试题试卷类文档,如果标题没有明确说明有答案则都视为没有答案,请知晓。

    表149钢构件预拼装检验批质量验收记录.docx

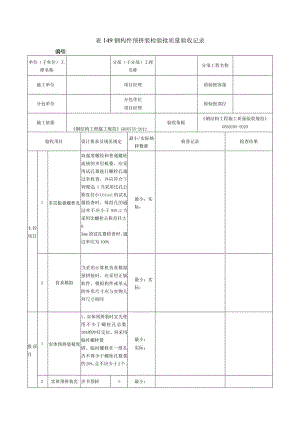
    表149钢构件预拼装检验批质量验收记录编号:单位(子单位)工程名称分部(子分部)工程名称分项工程名称施工单位项目经理检验批容量分包单位分包单位项目经理检验批部位施工依据钢结构工程施工规范GB50755-2012验收依据钢结构工程施工质量验收规范GB50205-2020验收项目设计要求及规范规定最小/实际抽样数量检查记录检查结果主控项目1多层板叠螺栓孔高强度螺栓和普通螺栓连接的多层板叠,应采用试孔器进行螺栓孔通过率检查,并应符合下列规定:1当采用比孔公称直径小LOlnnl的试孔器检查时,每组孔的通过率不应小于85%;2当采用比螺栓公称直径大0.3mm的试孔器检查时,通过率应为100%最小:实际:2仿真模拟当采用计算机仿真模拟预拼装时,应采用正版软件,模拟构件或单元的外形尺寸应与实物几何尺寸相同最小:实际:股项目1实体预拼装精度1、实体预拼装时宜先使用不少于螺栓孔总数10%的冲钉定位,再采用临时螺栓紧固。临时螺栓在一组孔内不得少于螺栓孔数量的20%,且不应少于2个。最小:实际:2实体预拼装允多节预拼÷最小:许偏差柱装单元总长5.0实际:预拼装单元弯曲矢高1/1500,且不大于10.0最小:实际:接口错边2.0最小:实际:预拼装单元柱身扭曲h/200,且不大于5.0最小:实际:顶紧面至任一牛腿距离+2.0最小:实际:梁、桁架跨度最外两端安装孔或两端支承面最外侧距离5T0最小:实际:接口截面错位2.0最小:实际:拱度设计要求起拱÷1/5000最小:实际:设计未要L/2000最小:实际:求起拱节点处杆件轴线错位4.0最小:实际:管构件预拼装单元总长+5.0最小:实际:预拼装单元弯曲矢高1/1500,且不大于10.0最小:实际:时:I错边t/10,且不大于3.0最小:实际:坡口间隙2-1最小:实际:构件TlM总体预拼装各楼住距+4.0最小:实际:相邻楼层梁与梁之间距离+3.0最小:实际:各层问可架两对角线之差Hi/2000,且不大于5.0最小:实际:任意两对角线之差Hi/2000,且不大于最小:实际:8.0施工单位检查结果班组长:分包单位项目质检员:项目部质检员:年月日监理单位验收结论专业监理工程师:年月日填表说明1、检验批容量填写:同一检验批内,填写构件的总数2、最小/实际检查数量栏中,实际检查数量:按实填写且不少于最小数量,最小数量填写:同类构件总数的10乐且不少于3件,被抽查构件中,每一类型焊缝按条数抽查5机且不少于1条;每条抽查1处,总抽查数不应少于10处。3、表头中“施工依据”栏目应依照实际的施工操作依据填写,如施工企业的操作规程、工法、施工工艺标准。

    注意事项

    本文(表149钢构件预拼装检验批质量验收记录.docx)为本站会员(p**)主动上传,第壹文秘仅提供信息存储空间,仅对用户上传内容的表现方式做保护处理,对上载内容本身不做任何修改或编辑。 若此文所含内容侵犯了您的版权或隐私,请立即通知第壹文秘(点击联系客服),我们立即给予删除!

    温馨提示:如果因为网速或其他原因下载失败请重新下载,重复下载不扣分。




    关于我们 - 网站声明 - 网站地图 - 资源地图 - 友情链接 - 网站客服 - 联系我们

    copyright@ 2008-2023 1wenmi网站版权所有

    经营许可证编号:宁ICP备2022001189号-1

    本站为文档C2C交易模式,即用户上传的文档直接被用户下载,本站只是中间服务平台,本站所有文档下载所得的收益归上传人(含作者)所有。第壹文秘仅提供信息存储空间,仅对用户上传内容的表现方式做保护处理,对上载内容本身不做任何修改或编辑。若文档所含内容侵犯了您的版权或隐私,请立即通知第壹文秘网,我们立即给予删除!

    收起
    展开