欢迎来到第壹文秘! | 帮助中心 分享价值,成长自我!
第壹文秘
全部分类
  • 幼儿/小学教育>
  • 中学教育>
  • 高等教育>
  • 研究生考试>
  • 外语学习>
  • 资格/认证考试>
  • 论文>
  • IT计算机>
  • 法律/法学>
  • 建筑/环境>
  • 通信/电子>
  • 医学/心理学>
  • ImageVerifierCode 换一换
    首页 第壹文秘 > 资源分类 > DOCX文档下载
    分享到微信 分享到微博 分享到QQ空间

    表122钢筋电弧焊检验批质量验收记录.docx

    • 资源ID:803803       资源大小:20.68KB        全文页数:5页
    • 资源格式: DOCX        下载积分:5金币
    快捷下载 游客一键下载
    账号登录下载
    三方登录下载: 微信开放平台登录 QQ登录
    下载资源需要5金币
    邮箱/手机:
    温馨提示:
    快捷下载时,如果您不填写信息,系统将为您自动创建临时账号,适用于临时下载。
    如果您填写信息,用户名和密码都是您填写的【邮箱或者手机号】(系统自动生成),方便查询和重复下载。
    如填写123,账号就是123,密码也是123。
    支付方式: 支付宝    微信支付   
    验证码:   换一换

    加入VIP,免费下载
     
    账号:
    密码:
    验证码:   换一换
      忘记密码?
        
    友情提示
    2、PDF文件下载后,可能会被浏览器默认打开,此种情况可以点击浏览器菜单,保存网页到桌面,就可以正常下载了。
    3、本站不支持迅雷下载,请使用电脑自带的IE浏览器,或者360浏览器、谷歌浏览器下载即可。
    4、本站资源下载后的文档和图纸-无水印,预览文档经过压缩,下载后原文更清晰。
    5、试题试卷类文档,如果标题没有明确说明有答案则都视为没有答案,请知晓。

    表122钢筋电弧焊检验批质量验收记录.docx

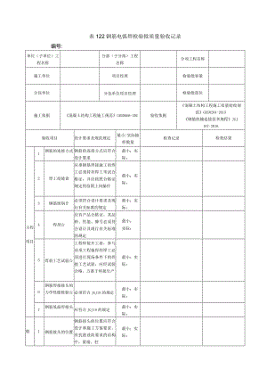
    表122钢筋电弧焊检验批质量验收记录编号:单位(子单位)工程名称分部(子分部)工程名称分项工程名称施工单位项目经理检验批容量分包单位分包单位项目经理检验批部位施工依据混凝土结构工程施工规范GB50666-20U验收依据混凝土结构工程施工质量验收规范GB50204-2015钢筋机械连接技术规程JGJ107-2016验收项目设计要求及规范规定最小/实际抽样数量检查记录检查结果主控项目1钢筋的连接方式钢筋的连接方式应符合设计要求最小:实际:2焊工技能食从事钢筋焊接施工的焊工必须持有焊工考试合格证,并应按照合格证规定的范围上岗操作最小:实际:3钢筋级别介必须符合设计要求及现行有关标准的规定最小:实际:4焊剂应有产品合格证,其品种、性能、牌号必须符合设计及现行有关标准的规定最小:实际:5焊前工艺试验工程焊接开工前,参与该项工程施焊的焊工必须进行现场条件下的焊接工艺试验,应经试验合格,方准于焊接生产最小:实际:6钢筋焊接接头的力学性能检验必须符合JGJ18的规定最小:实际:7钢筋低温焊接头应符合JGJ18的规定最小:实际:般1钢筋接头的位置钢筋接头的位置应符合设计和施工方案要求。有抗震设防要求的结构中,梁端、柱最小:实际:项目端箍筋加密区范围内不应进行钢筋搭接。接头末端至钢筋弯起点的距离不应小于钢筋直径的10倍。2接头焊缝外观质量焊缝表面应平整,不得有凹陷或焊瘤:焊缝接头区域不得有肉眼可见的裂纹;焊缝余高2mm4mm;最小:实际:3帮条沿接头中心线的纵向偏移0.3d最小:实际:4接头处弯折2最小:实际:5接头处钢筋轴线偏移不得大于钢筋直径的1/10,且不大于Imm最小:实际:6帮条焊、搭接焊、与钢板搭接焊焊缝宽度偏差+0.Id最小:实际:焊缝长度偏差-0.3d最小:实际:咬边深度0.5最小:实际:7在2d长焊缝表面上的气孔和夹渣2最小:实际:6最小:实际:8坡口焊、窄间隙焊、熔槽帮条焊在全部焊缝表面上的气孔和杂渣2最小:实际:6最小:实际:9钢筋的接头面积百分率当纵向受力钢筋采用机械连接接头或焊最小:实际:接接头时,同i连接区段内纵向受力钢筋的接头面积百分率应符合设计要求;当设计无具体要求时,应符合下列规定:1受拉接头,不宜大于50%;受压接头,可不受限制:2直接承受动力荷载的结构构件中,不宜采用焊接:当采用机械连接时,不应超过50%注:1接头连接区段是指长度为35d且不小于500mm的区段,d为相互连接两根钢筋的直径较小值。2同一连接区段内纵向受力钢筋接头面积百分率为接头中点位于该连接区段内的纵向受力钢筋截面面积与全部纵向受力钢筋截面面积的比值。10受力钢筋绑扎搭接接头当纵向受力钢筋采用绑扎搭接接头时,接头的设置应符合下列规定:1接头的横向净间距不应小于钢筋直径,且不应小于25mm;2同一连接区段内,纵向受拉钢筋的接头面积百分率应符合设计要求;当设计无具体要求时,应符合下列规定:1)梁类、板类及墙类构件,不宜超过25%;基础筏板,不宜超过50%o2)柱类构件,不宜最小:实际:超过50%.3)当工程中确有必要增大接头面积百分率时,对梁类构件,不应大于50%。注:1接头连接区段是指长度为1.3倍搭接长度的区段。搭接长度取相互连接两根钢筋中较小直径计算。2同一连接区段内纵向受力钢筋接头面积百分率为接头中点位于该连接区段长度内的纵向受力钢筋截面面积与全部纵向受力钢筋截面面积的比值。11箍筋的设置梁、柱类构件的纵向受力钢筋搭接长度范围内箍筋的设置应符合设计要求:当设计无具体要求时,应符合下列规定:1箍筋直径不应小于搭接钢筋较大直径的1/4;2受拉搭接区段的箍筋间距不应大于搭接钢筋较小直径的5倍,且不应大于100mm;3受压搭接区段的箍筋间距不应大于搭接钢筋较小直径的10倍,且不应大于200mm;4当柱中纵向受力钢筋直径大于25mm时,应在搭接接头两个端面外1OOmm范围内各设置二个箍筋,其间距宜为50mm。最小:实际:施工单位检查结果班组长:分包单位项目质检员:项目部质检员:年月H监理单位验收结论专业监理工程师:年月H

    注意事项

    本文(表122钢筋电弧焊检验批质量验收记录.docx)为本站会员(p**)主动上传,第壹文秘仅提供信息存储空间,仅对用户上传内容的表现方式做保护处理,对上载内容本身不做任何修改或编辑。 若此文所含内容侵犯了您的版权或隐私,请立即通知第壹文秘(点击联系客服),我们立即给予删除!

    温馨提示:如果因为网速或其他原因下载失败请重新下载,重复下载不扣分。




    关于我们 - 网站声明 - 网站地图 - 资源地图 - 友情链接 - 网站客服 - 联系我们

    copyright@ 2008-2023 1wenmi网站版权所有

    经营许可证编号:宁ICP备2022001189号-1

    本站为文档C2C交易模式,即用户上传的文档直接被用户下载,本站只是中间服务平台,本站所有文档下载所得的收益归上传人(含作者)所有。第壹文秘仅提供信息存储空间,仅对用户上传内容的表现方式做保护处理,对上载内容本身不做任何修改或编辑。若文档所含内容侵犯了您的版权或隐私,请立即通知第壹文秘网,我们立即给予删除!

    收起
    展开