欢迎来到第壹文秘! | 帮助中心 分享价值,成长自我!
第壹文秘
全部分类
  • 幼儿/小学教育>
  • 中学教育>
  • 高等教育>
  • 研究生考试>
  • 外语学习>
  • 资格/认证考试>
  • 论文>
  • IT计算机>
  • 法律/法学>
  • 建筑/环境>
  • 通信/电子>
  • 医学/心理学>
  • ImageVerifierCode 换一换
    首页 第壹文秘 > 资源分类 > DOCX文档下载
    分享到微信 分享到微博 分享到QQ空间

    砌体工程成品保护.docx

    • 资源ID:798519       资源大小:14.44KB       
    • 资源格式: DOCX        下载积分:5金币
    快捷下载 游客一键下载
    账号登录下载
    三方登录下载: 微信开放平台登录 QQ登录
    下载资源需要5金币
    邮箱/手机:
    温馨提示:
    快捷下载时,如果您不填写信息,系统将为您自动创建临时账号,适用于临时下载。
    如果您填写信息,用户名和密码都是您填写的【邮箱或者手机号】(系统自动生成),方便查询和重复下载。
    如填写123,账号就是123,密码也是123。
    支付方式: 支付宝    微信支付   
    验证码:   换一换

    加入VIP,免费下载
     
    账号:
    密码:
    验证码:   换一换
      忘记密码?
        
    友情提示
    2、PDF文件下载后,可能会被浏览器默认打开,此种情况可以点击浏览器菜单,保存网页到桌面,就可以正常下载了。
    3、本站不支持迅雷下载,请使用电脑自带的IE浏览器,或者360浏览器、谷歌浏览器下载即可。
    4、本站资源下载后的文档和图纸-无水印,预览文档经过压缩,下载后原文更清晰。
    5、试题试卷类文档,如果标题没有明确说明有答案则都视为没有答案,请知晓。

    砌体工程成品保护.docx

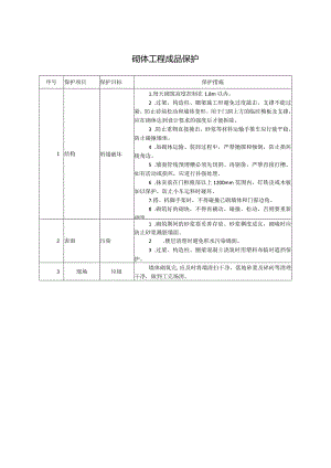
    砌体工程成品保护序号保护项目保护目标保护措施1结构坍塌破坏1 .每天砌筑高度控制在1.8m以内。2 .过梁、构造柱、圈梁施工时避免过度敲击,支撑不能过紧,防止砖块松动和墙体变形。用于门洞上方的临时模板及支撑,应在砌体达到设计要求的强度后才能拆除。3 .防止重物直接撞击,砂浆等材料运输手推车应行驶平稳,防止碰撞墙体。4 .加砌体运输、装卸过程中,严禁抛掷和倾倒,防止损坏棱角边。5 .墙面管线预埋槽必须先切割、再剔凿,严禁直接打槽。如有活动或损坏,应进行补强处理。6 .抹灰前在门框根部以上1200mm范围内,钉铁皮或木板加以保护,防止小车运料时碰坏。7 .搭、拆脚手架时,不得碰撞已砌墙体和门窗边角。8 .砌筑好的砌块,不得再撬动、碰撞、松动,否则要重新砌筑。2表面污染1 .砌筑期间的砂浆要妥善存放。砂浆稠度适宜,砌墙时应防止砂浆溅脏墙面。2 .楼层清理时避免积水污染墙面。3 .过梁、构造柱、圈梁混凝土浇筑时用塑料布临时遮挡保护。3现场垃圾墙体砌筑完,应及时将墙清扫干净,落地砂浆及碎砖等清理干净,做到工完场清。

    注意事项

    本文(砌体工程成品保护.docx)为本站会员(p**)主动上传,第壹文秘仅提供信息存储空间,仅对用户上传内容的表现方式做保护处理,对上载内容本身不做任何修改或编辑。 若此文所含内容侵犯了您的版权或隐私,请立即通知第壹文秘(点击联系客服),我们立即给予删除!

    温馨提示:如果因为网速或其他原因下载失败请重新下载,重复下载不扣分。




    关于我们 - 网站声明 - 网站地图 - 资源地图 - 友情链接 - 网站客服 - 联系我们

    copyright@ 2008-2023 1wenmi网站版权所有

    经营许可证编号:宁ICP备2022001189号-1

    本站为文档C2C交易模式,即用户上传的文档直接被用户下载,本站只是中间服务平台,本站所有文档下载所得的收益归上传人(含作者)所有。第壹文秘仅提供信息存储空间,仅对用户上传内容的表现方式做保护处理,对上载内容本身不做任何修改或编辑。若文档所含内容侵犯了您的版权或隐私,请立即通知第壹文秘网,我们立即给予删除!

    收起
    展开