欢迎来到第壹文秘! | 帮助中心 分享价值,成长自我!
第壹文秘
全部分类
  • 幼儿/小学教育>
  • 中学教育>
  • 高等教育>
  • 研究生考试>
  • 外语学习>
  • 资格/认证考试>
  • 论文>
  • IT计算机>
  • 法律/法学>
  • 建筑/环境>
  • 通信/电子>
  • 医学/心理学>
  • ImageVerifierCode 换一换
    首页 第壹文秘 > 资源分类 > DOCX文档下载
    分享到微信 分享到微博 分享到QQ空间

    机械制造企业安全标准化考评检查表现场检查.docx

    • 资源ID:793542       资源大小:147.74KB        全文页数:61页
    • 资源格式: DOCX        下载积分:5金币
    快捷下载 游客一键下载
    账号登录下载
    三方登录下载: 微信开放平台登录 QQ登录
    下载资源需要5金币
    邮箱/手机:
    温馨提示:
    快捷下载时,如果您不填写信息,系统将为您自动创建临时账号,适用于临时下载。
    如果您填写信息,用户名和密码都是您填写的【邮箱或者手机号】(系统自动生成),方便查询和重复下载。
    如填写123,账号就是123,密码也是123。
    支付方式: 支付宝    微信支付   
    验证码:   换一换

    加入VIP,免费下载
     
    账号:
    密码:
    验证码:   换一换
      忘记密码?
        
    友情提示
    2、PDF文件下载后,可能会被浏览器默认打开,此种情况可以点击浏览器菜单,保存网页到桌面,就可以正常下载了。
    3、本站不支持迅雷下载,请使用电脑自带的IE浏览器,或者360浏览器、谷歌浏览器下载即可。
    4、本站资源下载后的文档和图纸-无水印,预览文档经过压缩,下载后原文更清晰。
    5、试题试卷类文档,如果标题没有明确说明有答案则都视为没有答案,请知晓。

    机械制造企业安全标准化考评检查表现场检查.docx

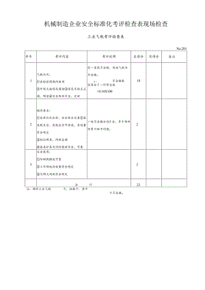
    机械制造企业安全标准化考评检查表现场检查工业气瓶考评检查表No.201序号考评内容考评说明应得分实得分备注1气瓶状况:在检验周期内使用外观无缺陷及腐蚀漆色及标志正确、明显安全附件齐全、完好任一条款不合格,则该气瓶为不合格。、不合格数实得分T一评价总数×0.54X100182储存要求:仓库状况良好,安全标志完善各类瓶及空、实瓶应分开存放,存放量符合规定标记明显,间距合理各类护具及消防器材齐全、可靠一处不合格扣0.5分,多个场所经累计取平均值。23安全使用:防倾倒措施可靠工作场地存放量符合规定与明火间距符合规定2合计22注:拥有工业气瓶个,抽查个,其中个不合格。序号考评内容考评说明应得分实得分备注1危险化学品应按其危险特性进行分类、分区、分库贮存,库房符合安全标准的要求一处不合格扣0.5分。22消防设施齐全,通道畅通一处不合格扣0.5分。23库内有隔热、降温、通风等措施一处不合格扣1分。24电气设施应使用相应等级的防爆性电器一处不合格扣0.8分。25按危险化学品的特性处理废弃物品或者包装容器无防爆工具扣1分。16库内有应急救援预案无应急救援预案扣1分。1合计IO注:共有危险化学品仓库处,全查。序号考评内容考评说明应得分实得分备注1油槽车需持有专用许可证,进入库区,务必装设专用排气阻火器一处不合格扣0.5分。22油罐无腐他、泄漏,梯子与扶栏符合安全要求一处不合格扣1分。33油罐上的液位计、呼吸阀齐全可靠、动作灵敏一处不合格扣2分。44罐体、胶质输油管等应有可靠的防雷接地与防静电接地一处不合格扣1分。25罐体与罐体之间或者其它建筑物、管网、干道应留有足够的间距一处不合格扣0.5分。26库房的电气设施均应防爆一处不合格扣0.5分。27油库内应按贮存物品的种类与数量,配置足够的消防器材与灭火设施,并有相应的报警装置一处不合格扣1分。28库内使用的工具应是不产生火花的防爆工具一处不合格扣0.5分。29库内外应有醒目的安全警示标志与油品的名称、特性、数量、灭火方法等一处不合格扣0.5分。1合计20序号考评内容考评说明应得分实得分备注1罐体有产品质量证明并经定期检验合格一处不合格扣该项目应得分值。22燃泵(压缩机)各紧固件牢固无泄漏13系统管道接头无泄漏,跨接线漆色可靠正确14充装秤灵敏、准确、定期校验15防火间距符合要求,站内无杂物16喷淋降温系统完好,随时能启用27电器开关照明属低压防爆设备18水封井及防火堤合格19安全阀定期校验2合计12序号考评内容考评说明应得分实得分备注1煤气站房设计与布置合理,煤气生产、净化、加压等设备符合要求,技术资料齐全一处不合格扣该项目应得分值。得分7下列,则该煤气站考评实得分为。分。0.42设备、管道上的防爆安全装置完好。各类水封可靠,并能定期检查与校核23各类仪器、信号、报警、自控、连锁、监测装置及事故照明齐全、准确,并定期检查与校核,各类安全色标清晰24煤气加压站、混合站、抽气机室(排送间)、煤斗间等电气安装符合防爆要求25检测分析仪表与化验用有毒、有害物品应有专人、专柜管理0.46定时化验水煤气及半水煤气发生炉的总管,煤气含氧量应小于0.6%,作业环境CO浓度务必小于30mgm,0.47机械设备的防护与PE线牢固可靠28带有水夹套的煤气炉及其汽水系统应符合锅炉压力容器的有关规定0.49运行及检测记录齐全0.4合计10序号考评内容考评说明应得分实得分备注1站房门窗向外开、站房内的值班室、休息室、办公室的门窗应向里开。玻璃使用磨砂或者涂白色油漆,也可搭设遮阳棚一处不合格扣该项目应得分值12设备设施:冷却水,润滑油供应正常;排气管路中无积炭;各级安全阀灵活可靠;定期化验精偏塔中易燃易爆物质的含量;凡与氧气接触的零件、工具应无油脂;无液氧泄漏现象。23压力容器符合要求;贮气囊装有压力自调系统,各类减压阀、自动调节阀应灵敏、可靠,能防止超压运行24氧气管道、阀门符合要求,充装设备有导除静电装置,且定期监测;氧气、氮气的放散管应引至室外安全地点25气瓶间数量不得超过2400个;空瓶与实瓶分区存放,间距大于L5m,并有指示牌;贮瓶间地坪务必平整、耐磨、防滑,且有防护链或者瓶卡等防倾倒措施26各岗位配置有COz灭火器,且定期检查并有记录;站内各要紧部位有“严禁烟火”的防火标志1合计10序号考评内容考评说明应得分实得分备注1本体外观检查:连接部位无裂纹、变形、过热泄漏等缺陷;外表面无严重腐蚀、漆色完好;相邻管道与构件无特殊。任意一条不合格,则判该台为不合格。不合格台数实得分一16.、丁、,虹评价总数×0.5×100162安全附件:压力表指示灵敏、刻度清晰、铅封完整,在检验周期内使用;安全阀铅封完好、动作可靠,检验周期内使用,工作状态合理,记录齐全;爆破片的工作压力、温度与工作参数相符,安装合理;液位计指示准确、有最高、最低液位标记,且安全可靠。3支承(座)应完好,基础可靠,无位移、沉降、倾斜开裂等缺陷,螺栓连接牢固4疏水器、排污(水)阀及其管道无泄漏,布局合理,对周围环境无污染5运行状况良好,无超载、超压、超温现象;无特殊振动声响现象;有定期巡回检查记录合计16注:拥有压力容器个,全查。序号考评内容考评说明应得分实得分备注l管理、技术资料完整、“三证”齐全1 .凡未注有标志的条款不合格,则推断该乙块发生站不合格。2 .凡注有标志的条款不规范或者不够完善,每台(处)扣0.3分,最多不超过3分。3 .多个乙块发生器按下列公式计算:不合格台数实得分5评价总数×0.6X100152管道、设备应严密可靠,放散管畅通完好3管道导除静电装置完好4各级回火防止器、水封有效可靠5电石库防潮、通风措施可靠6各类仪器、仪表定期检验7各类电气设施符合防爆等级要求8各级喷淋设施齐全可靠9低压乙块发生器平衡阀完好10各级连锁可靠,定期试验ll惰性气体置换系统完好、可靠、畅通12设备、设施PE线联结可靠13机械传动防护可靠合计15序号考评内容考评说明应得分实得分备注1锅炉“三证”(产品合格证、使用登记证、年度检验报告)齐全不符合任意一条则判为不合格。不合格台数242安全附件完好,安全阀、水位表、压力表齐全、灵敏、可靠,排污装置无泄漏、评价总数×0.8X1003按规定合理设置报警与连锁保护装置4给水设备完好,匹配合理5炉墙无严重漏风、漏烟,油、气、煤粉炉防爆式装置好6水质处理应能达到指标要求,炉内水垢在1.5mm下列7各类管道无泄漏,保温层完好无损,管道构架牢固可靠8其他辅机设备应符合机械安全要求合计24序号考评内容考评说明应得分实得分备注1各类出厂技术资料齐全一处不合格扣该项目应得分值,多台空压机取平均值。12机身、曲轴箱等要紧受力部件无影响强度与刚度的缺陷,所有紧固件务必牢靠并有防松措施23压力表、温度表(计)、安全阀、液位计(油标)等安全装置(附件)应完整、灵敏可靠,且在检测周期内使用34外露的联轴器、皮带传动装置等旋转部位务必设置防护罩或者护栏,螺杆式空压机保护盖务必关闭25配套的压缩空气管道无腐蚀,管内无积存杂物,管道漆色符合要求,并标有流向箭头,支架牢固可靠36电气设备符合安全要求,机组旁应设紧急停机按钮保护装置(开关)27空压机布置合理,空压机与墙、柱与设备之间留有足够的空间距离18空压机务必放在有足够通风的房间里、其区域内无灰尘、化学品、金属屑、油漆漆雾等2合计16注:拥有空压机台,全查。序号考评内容考评说明应得分实得分备注1漆色标记应明显,流向清晰一处不合格扣该项目应得分值。得分6下列,则该工业管道考评实得分为0分。22应有全厂管网平面布置图,标记完整,位置准确,管网设计、安装、验收技术资料齐全23管道完好,无严重腐蚀、无泄漏(3点1000m),防静电积聚措施可靠24埋地管道敷层完整无破旧,架空管道支架牢固合理2合计8注:工业管道米,全查。序号考评内容考评说明应得分实得分备注1道路畅通、堆码整齐、稳妥可靠一处不合格扣该项目应得分值,多个木料场所取平均值。22在通道入口处及重点部位应设置防火安全标志13消防设备齐全完备24电器设备应符合安全要求15不得堆放其它易燃物,锯末、刨花应及时清除16防火间距达到要求1合计8注:拥有木料场所处,全查。序号考评内容建筑面积(m2)不合格面积(m2)不合格率考评说明应得分实得分备注1耐火等级评定按不合格率计算:实得分二不合格面积评价总面积×0.4X100102危险建筑面积合计10注:拥有建筑物数量为座,总建筑面积约m2,全查。序号考评内容考评说明应得分实得分备注1电器设施达到防爆要求一处不合格扣该项目应得分值,多个涂装作业场所取平均值。32作业场所具有良好通风43作业场所涂料存量符合要求24消防设施完备、安全标志醒目35作业场所有隔离措施,防火间距、地面符合要求3合计15

    注意事项

    本文(机械制造企业安全标准化考评检查表现场检查.docx)为本站会员(p**)主动上传,第壹文秘仅提供信息存储空间,仅对用户上传内容的表现方式做保护处理,对上载内容本身不做任何修改或编辑。 若此文所含内容侵犯了您的版权或隐私,请立即通知第壹文秘(点击联系客服),我们立即给予删除!

    温馨提示:如果因为网速或其他原因下载失败请重新下载,重复下载不扣分。




    关于我们 - 网站声明 - 网站地图 - 资源地图 - 友情链接 - 网站客服 - 联系我们

    copyright@ 2008-2023 1wenmi网站版权所有

    经营许可证编号:宁ICP备2022001189号-1

    本站为文档C2C交易模式,即用户上传的文档直接被用户下载,本站只是中间服务平台,本站所有文档下载所得的收益归上传人(含作者)所有。第壹文秘仅提供信息存储空间,仅对用户上传内容的表现方式做保护处理,对上载内容本身不做任何修改或编辑。若文档所含内容侵犯了您的版权或隐私,请立即通知第壹文秘网,我们立即给予删除!

    收起
    展开