欢迎来到第壹文秘! | 帮助中心 分享价值,成长自我!
第壹文秘
全部分类
  • 幼儿/小学教育>
  • 中学教育>
  • 高等教育>
  • 研究生考试>
  • 外语学习>
  • 资格/认证考试>
  • 论文>
  • IT计算机>
  • 法律/法学>
  • 建筑/环境>
  • 通信/电子>
  • 医学/心理学>
  • ImageVerifierCode 换一换
    首页 第壹文秘 > 资源分类 > DOCX文档下载
    分享到微信 分享到微博 分享到QQ空间

    混凝土试块抗压强度试验报告-.docx

    • 资源ID:793164       资源大小:243.14KB        全文页数:32页
    • 资源格式: DOCX        下载积分:5金币
    快捷下载 游客一键下载
    账号登录下载
    三方登录下载: 微信开放平台登录 QQ登录
    下载资源需要5金币
    邮箱/手机:
    温馨提示:
    快捷下载时,如果您不填写信息,系统将为您自动创建临时账号,适用于临时下载。
    如果您填写信息,用户名和密码都是您填写的【邮箱或者手机号】(系统自动生成),方便查询和重复下载。
    如填写123,账号就是123,密码也是123。
    支付方式: 支付宝    微信支付   
    验证码:   换一换

    加入VIP,免费下载
     
    账号:
    密码:
    验证码:   换一换
      忘记密码?
        
    友情提示
    2、PDF文件下载后,可能会被浏览器默认打开,此种情况可以点击浏览器菜单,保存网页到桌面,就可以正常下载了。
    3、本站不支持迅雷下载,请使用电脑自带的IE浏览器,或者360浏览器、谷歌浏览器下载即可。
    4、本站资源下载后的文档和图纸-无水印,预览文档经过压缩,下载后原文更清晰。
    5、试题试卷类文档,如果标题没有明确说明有答案则都视为没有答案,请知晓。

    混凝土试块抗压强度试验报告-.docx

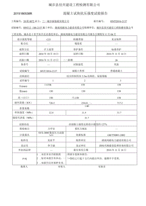
    城步县佳兴建设工程检测有限公司2015180538R混凝土试块抗压强度试验报告工程编号:20程0072业主:三一城步新能源有限公司报告编号:HNTI2016-2137试验编号:HNT12(H6-2137施工单位:湖南鸿源电力建设有限公司检测单位:城步县佳兴建设工程检测有限公司设计强度等级C25检测类别见证取样配合比塌落度成型方法手工成型养护条件标准养护成型日期2016年10月18日送样日期2016年11月14日试验口期2016年11月15日二二龄期28备查号试验温度室温试验编号HNT12016-2137混凝土类型普通混凝土结构部位综合控制用房5.5m结构柱、屋面梁板试件编号123长(mm)11150(150150宽(mm)150150150高(山口)150/7/,150150破坏荷载(KN)726.5:254.61_-,717.2折算系数1.00单块强度(MPa)32.411.431.7强度代表值(MPa)31.7试验结论该混凝土强度达到设计强度的127%检验地点力学室委托方地址计量器具SYE-2000数显压力试验11依据标准GB/T50081-2002取样员朱亚平取样单位湖南鸿源电力建设有限公司见证员李子涵见证单位湖南兴湘建设监理咨询有限公司外加剂品种报告签发日期2016年11月16日声明1 .未经本室书面批准2 .如对本报告有异议,一3 .本报告仅对来样负责。:得部分复制本报告。签收之日起十五日内提出申诉,逾期不予受理。工程名称:城步县十里平坦升压站委托单位:湖南鸿源电力建设有限公司报告日期程年U月06月批准人审核人实验员设计强度等级C25检测类别见证取样配合比塌落度成型方法手工成型养护条件标准养护成型日期2016年10月10日送样口期2016年11月07日试验日期2016年11月08日龄期28备查号试验温度室温试验编号HNT12016-2136混凝土类型普通混凝土结构部位综合控制用房3.6m结构柱、屋面梁板试件编号123长(mm)150150150宽(mm)150150150高(山口)1150150150破坏荷载(KN)729.5257.6717.2折算系数1.00单块强度(MPa)32.411.431.9强度代表值(MPa)31.9试验结论该混凝土强度达到设计强度的128%检验地点力学室委托方地址计量器具SYE-2000数显压力试验机依据标准GB/T50081-2002取样员朱亚平取样单位湖南鸿源电力建设有限公司见证员李子涵见证单位湖南兴湘建设监理咨询有限公司外加剂品种报告签发日期2016年11月09日声明2 .未经本室书面批准。不得部分复制本报告。3 .如对本报告有异议,于签收之日起十五日内提出申诉,逾期不予受理。4 .本报告仅对来样负责。批准人审核人实验员(05)2015180538R城步县佳兴建设工程检测有限公司混凝土试块抗压强度试验报告设计强度等级C25检测类别见证取样配合比塌落度成型方法手工成型养护条件标准养护成型日期2016年10月01日送样日期2016年10月28日试验口期2016年10月29日龄期28备查号试验温度室温试验编号HNT12016-2135混凝土类型普通混凝土结构部位综合控制用房地梁试件编号123长(mm)150150150宽(mm)150150150高(山口)1150fA1150150破坏荷载(KN)728.5257.6714.2折算系数1.00单块强度(MPa)32.411.431.9强度代表值(MPa)31.7试验结论该混凝土强度达到设计强度的126%检验地点力学室委托方地址计量器具SYE-2000数显压力试验机依据标准GB/T50081-2002取样员朱亚平取样单位湖南鸿源电力建设有限公司见证员李子涵见证单位湖南兴湘建设监理咨询有限公司外加剂品种报告签发日期2016年10月31日声明3.未经本室书面批准。不得部分复制本报告。2 .如对本报告有异议,于签收之日起十五日内提出申诉,逾期不予受理。3 .本报告仅对来样负责。批准人审核人实验员(05)2015180538R城步县佳兴建设工程检测有限公司混凝土试块抗压强度试验报告设计强度等级C25检测类别见证取样配合比塌落度成型方法手工成型养护条件同条件养护成型日期2016年10月10日送样日期2016年11月07日试验口期2016年11月08日龄期28备查号试验温度室温试验编号HNT12016-2136混凝土类型普通混凝土结构部位综合控制用房3.6m结构柱、屋面梁板试件编号123长(mm)150150150宽(mm)150150150高(山口)1150fA1150150破坏荷载(KN)701.5221.6698.2折算系数1.00单块强度(MPa)30.29.729.7强度代表值(MPa)29.7试验结论该混凝土强度达到设计强度的100%检验地点力学室委托方地址计量器具SYE-2000数显压力试验机依据标准GB/T50081-2002取样员朱亚平取样单位湖南鸿源电力建设有限公司见证员李子涵见证单位湖南兴湘建设监理咨询有限公司外加剂品种报告签发日期2016年11月09日声明4.未经本室书面批准。不得部分复制本报告。2 .如对本报告有异议,于签收之日起十五日内提出申诉,逾期不予受理。3 .本报告仅对来样负责。批准人审核人实验员(05)2015180538R城步县佳兴建设工程检测有限公司混凝土试块抗压强度试验报告设计强度等级C25检测类别见证取样配合比塌落度成型方法手工成型养护条件同条件养护成型日期2016年10月18日送样日期2016年11月14日试验口期2016年11月15日龄期28备查号试验温度室温试验编号HNT12016-2137混凝土类型普通混凝土结构部位综合控制用房5.5In结构柱、屋面梁板试件编号123长(mm)150150150宽(mm)150150150高(山口)1150150150破坏荷载(KN)701.5221.6698.2折算系数1.00单块强度(MPa)30.29.729.7强度代表值(MPa)29.7试验结论该混凝土强度达到设计强度的100%检验地点力学室委托方地址计量器具SYE-2000数显压力试验机依据标准GB/T50081-2002取样员朱亚平取样单位湖南鸿源电力建设有限公司见证员李子涵见证单位湖南兴湘建设监理咨询有限公司外加剂品种报告签发日期2016年11月16日声明5.未经本室书面批准。不得部分复制本报告。2 .如对本报告有异议,于签收之日起十五日内提出申诉,逾期不予受理。3 .本报告仅对来样负责。批准人审核人实验员(05)2015180538R城步县佳兴建设工程检测有限公司混凝土试块抗压强度试验报告设计强度等级C25检测类别见证取样配合比塌落度成型方法手工成型养护条件标准养护成型日期2016年09月20日送样日期2016年10月17日试验口期2016年10月18日龄期28备查号试验温度室温试验编号HNT12016-2134混凝土类型普通混凝土结构部位综合控制用房独立基础试件编号123长(mm)150150150宽(mm)150150150高(山口)1150fA1150150破坏荷载(KN)728.5257.6714.2折算系数1.00单块强度(MPa)32.411.431.7强度代表值(MPa)31.7试验结论该混凝土强度达到设计强度的127%检验地点力学室委托方地址计量器具SYE-2000数显压力试验机依据标准GB/T50081-2002取样员朱亚平取样单位湖南鸿源电力建设有限公司见证员李子涵见证单位湖南兴湘建设监理咨询有限公司外加剂品种报告签发日期2016年10月19日声明6.未经本室书面批准。不得部分复制本报告。2 .如对本报告有异议,于签收之日起十五日内提出申诉,逾期不予受理。3 .本报告仅对来样负责。批准人审核人实验员(05)2015180538R城步县佳兴建设工程检测有限公司混凝土试块抗压强度试验报告设计强度等级C25检测类别见证取样配合比塌落度成型方法手工成型养护条件标准养护成型日期2016年09月19日送样日期2016年10月18日试验口期2016年10月19日龄期28备查号试验温度室温试验编号HNT12016-2133混凝土类型普通混凝土结构部位综合控制用房独立基础试件编号123长(mm)150150150宽(mm)150150150高(山口)1150fA1150150破坏荷载(KN)728.5257.6714.2折算系数1.00单块强度(MPa)32.411.431.7强度代表值(MPa)31.7试验结论该混凝土强度达到设计强度的127%检验地点力学室委托方地址计量器具SYE-2000数显压力试验机依据标准GB/T50081-2002取样员朱亚平取样单位湖南鸿源电力建设有限公司见证员李子涵见证单位湖南兴湘建设监理咨询有限公司外加剂品种报告签发日期2016年10月20日声明7.未经本室书面批准。不得部分复制本报告。2 .如

    注意事项

    本文(混凝土试块抗压强度试验报告-.docx)为本站会员(p**)主动上传,第壹文秘仅提供信息存储空间,仅对用户上传内容的表现方式做保护处理,对上载内容本身不做任何修改或编辑。 若此文所含内容侵犯了您的版权或隐私,请立即通知第壹文秘(点击联系客服),我们立即给予删除!

    温馨提示:如果因为网速或其他原因下载失败请重新下载,重复下载不扣分。




    关于我们 - 网站声明 - 网站地图 - 资源地图 - 友情链接 - 网站客服 - 联系我们

    copyright@ 2008-2023 1wenmi网站版权所有

    经营许可证编号:宁ICP备2022001189号-1

    本站为文档C2C交易模式,即用户上传的文档直接被用户下载,本站只是中间服务平台,本站所有文档下载所得的收益归上传人(含作者)所有。第壹文秘仅提供信息存储空间,仅对用户上传内容的表现方式做保护处理,对上载内容本身不做任何修改或编辑。若文档所含内容侵犯了您的版权或隐私,请立即通知第壹文秘网,我们立即给予删除!

    收起
    展开