欢迎来到第壹文秘! | 帮助中心 分享价值,成长自我!
第壹文秘
全部分类
  • 幼儿/小学教育>
  • 中学教育>
  • 高等教育>
  • 研究生考试>
  • 外语学习>
  • 资格/认证考试>
  • 论文>
  • IT计算机>
  • 法律/法学>
  • 建筑/环境>
  • 通信/电子>
  • 医学/心理学>
  • ImageVerifierCode 换一换
    首页 第壹文秘 > 资源分类 > DOCX文档下载
    分享到微信 分享到微博 分享到QQ空间

    27.承包商管理制度(7-6).docx

    • 资源ID:79052       资源大小:21.18KB        全文页数:4页
    • 资源格式: DOCX        下载积分:5金币
    快捷下载 游客一键下载
    账号登录下载
    三方登录下载: 微信开放平台登录 QQ登录
    下载资源需要5金币
    邮箱/手机:
    温馨提示:
    快捷下载时,如果您不填写信息,系统将为您自动创建临时账号,适用于临时下载。
    如果您填写信息,用户名和密码都是您填写的【邮箱或者手机号】(系统自动生成),方便查询和重复下载。
    如填写123,账号就是123,密码也是123。
    支付方式: 支付宝    微信支付   
    验证码:   换一换

    加入VIP,免费下载
     
    账号:
    密码:
    验证码:   换一换
      忘记密码?
        
    友情提示
    2、PDF文件下载后,可能会被浏览器默认打开,此种情况可以点击浏览器菜单,保存网页到桌面,就可以正常下载了。
    3、本站不支持迅雷下载,请使用电脑自带的IE浏览器,或者360浏览器、谷歌浏览器下载即可。
    4、本站资源下载后的文档和图纸-无水印,预览文档经过压缩,下载后原文更清晰。
    5、试题试卷类文档,如果标题没有明确说明有答案则都视为没有答案,请知晓。

    27.承包商管理制度(7-6).docx

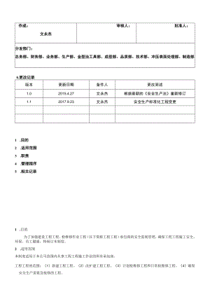
    作成:文永杰审核人:批准人:分发部门:总务部、财务部、业务部、生产部、金型治工具部、成型部、品质部、技术部、冲压表面处理部、制造部0.更改记录版本更新日期备件人更改简述1.02015.4.27文永杰根据最新的安全生产法重新修订1.12017.9.23文永杰安全生产标准化工程变更1 .目的2 .适用范围3 .职责4 .管理程序5 .相关记录1 .目的为了加强建设工程工程、检维修作业工程(以下简称工程工程)承包商的安全监视管理,确保工程工程施工安全、环保、员工健康,特制订本制度。2 .适用范围本制度适用于本公司范围内从事工程工程施工作业的所有承包商。工程工程的范围:(1)新建工程工程。(2)改扩建工程工程。(3)计划检维修工程和日常检维修工程。(4)确保安全生产需紧急抢修的工程。3 .职责3.1 安全生产委员会办公室负责公司承包商的归口管理。3. 2安全管理人员负责监视审查。4.管理程序4. 1承包商安全监视管理4.1.1 进入本公司的承包商应接受本公司的安全监视和管理,以及对其进行的包括施工机具安全状况在内的安全评审。4. 1.2承包商必需遵守国家及业主单位有关安全生产的方针、政策、法律、法规、制度和规定。4.1 .3本公司对所有承包商实行安全资质评审确认和准入制度。承包商在进入本公司承揽工程前必需经过安全行政部门的安全资质评审,并取得“工程工程承包商安全资格确认证书",见附件1。4.2 .4承包商在获得工程合同后,工程开通前,应与公司签订承包商施工安全协议书AQBZH-WJ/7-2,未签订安全协议书前,工程不得开工。4. 1.5承包商获得工程合同后,进入施工现场前,要组织施工人员接受安全生产委员会办公室组织的安全教育。教育后必需进行书面考试,合格率要达到100%,不合格者不得参与工程施工。4. 1.6承包商施工人员经安全教育、考试合格后进行安全承诺后,由本公司保安组发给“临时出入证”。出入施工现场和作业过程中必需佩戴“临时出入证”。4. 1.7施工过程中,承包商必需遵守本公司制度和规定,保护好环境。4. 1.8承包商应为施工人员配备必要的劳动防护用品、个体防护用品等有利于员工健康的必需品。4. 1.9施工过程中,本公司安全管理人员有权随时对承包商及其作业人员进行监视、检查。4.2 承包商应具备的安全资质4.3 .1承包商应具备所承建工程工程相应的(技术)资质。4.2.2承包商应建立比较完善安全管理网络,在本公司施工过程中必需设置安全管理人员。4.2.3承包商及其有关人员必需具备相应的资格证书。企业具有“安全生产许可证";法人代表及其委托代理人、安全管理人员具有政府安全行政部门颁发的“安全生产管理资格证";特别工种作业人员具有政府技术监视部门颁发的资格证。4.2.4承包商施工过程中使用的特种机械设备必需取得技术监视部门的使用许可证,并经过定期更审。4.2.5施工承包商应有2年以上的良好安全业绩。安全管理资料中应有2年以上重大安全事故管理状况档案,有事故发生率、“三违事故发生率的原始记录以及安全隐患治理状况档案。4.2.6所有总承包、专业分包和劳务分包的承包商都应实行安全管理,具有安全管理体系文件,并有效运行。4.3承包商的安全评审4.3.1承包商申请安全资质评审时应首先提供以下申报材料:(1)营业执照(原件及复印件);(2)安全生产许可证(原件及复印件);(3)参与施工的所有管理和作业人员登记表;(4)法人委托书;(5)法人代表或其委托代理人身份证复印件、安全管理资格证复印件、相片一张;(6)安全管理人员身份证狂印件、安全管理资格证复印件;(7)特别工种作业人员身份证复印件;(8)特种机械设备登记表及其使用许可证、最近一次复审报告复印件;(9)承包商安全管理制度,必需包括事故管理、安全检查、安全教育、隐患治理、安全考核等方面内容;(IO)承包商最近两年事故档案。4.3.2评审程序。4.3.2.1承包商材料经安全管理人员和行政部审核确认后,签署本单位审查看法和建议。4.3.2.2安全管理人员将材料复印件及“承包商安全资质审查表"报安全生产主要负责人审阅。4.3.2.3安全生产主要负责人审核后,签署综合审查结论。4. 3.2.4有以下状况之一的承包商不能获得安全资质确认,不得进入本公司范围内承揽工程工程和施工作业。(1)不能完全提供“4.3.1条"所述材料,或者提供的材料与事实不符的。(2)原在本公司范围内施工的承包商两年内发生死亡及以上事故的。(3)新进入本公司范围内的承包商两年内发生死亡及以上事故的。4.4 承包商在施工期间有以下变动,必需告知安全管理人员。4.5 .1企业注册名称变化的;4.4.2法人代表、委托代理人变更的:4.4.3工程安全生产主要负责人、安全管理人员变更的;4.4.4特别工种作业人员变更的;4.4.5特种机械设备变更的。4.5承包商在工程施工期间有一般工作人员变更,必需到安全生产委员会办公室办理备案手续,并按规定接受安全教育、进行安全承诺。4.6承包商在工程施工期间发生“4.3.2.4(2)款"事故的,将被收回安全资格确认证书,两年内不得进入本公司范围内承揽工程。4.7承包商在工程施工期间发生以下状况,将被勒令限期整改:4.7.1有4.4条、4.5条所述的变更但没有按规定备案的;4.7.2工作人员不佩戴临时出入证的;4.7.3机动车辆没有生产区域通行证的;4.7.4工作人员有违章行为的;4.7.5发生严重程度不足以收回安全资质确认证书的其他事故。4.4评价与续用4.4.1公司每年至少对本部门承包商进行一次评价,评价内容包括承包商职责与义务的落实状况、文明施工状况、安全管理状况等。4.4.2工程完工后,公司应对承包商安全生产做出评价,将安全生产表现评价送交施工单位,并汇入承包商档案。对确定为合格的承包商进行造册,形成合格承包商名录。4. 4.3安全生产评价合格的承包商方有资格继续承包公司其他工程。5. 4.5承包商档案管理承包商档案包括:资质证书狂印件、过去三年的安全生产业绩、安全生产管理机构、安全制度目录、特种作业人员证书复印件、安全生产表现评价报告、合格承包商名录及其他有6. 6相关记录承包商施工安全协议书合格承包商名录合格承包商档案

    注意事项

    本文(27.承包商管理制度(7-6).docx)为本站会员(p**)主动上传,第壹文秘仅提供信息存储空间,仅对用户上传内容的表现方式做保护处理,对上载内容本身不做任何修改或编辑。 若此文所含内容侵犯了您的版权或隐私,请立即通知第壹文秘(点击联系客服),我们立即给予删除!

    温馨提示:如果因为网速或其他原因下载失败请重新下载,重复下载不扣分。




    关于我们 - 网站声明 - 网站地图 - 资源地图 - 友情链接 - 网站客服 - 联系我们

    copyright@ 2008-2023 1wenmi网站版权所有

    经营许可证编号:宁ICP备2022001189号-1

    本站为文档C2C交易模式,即用户上传的文档直接被用户下载,本站只是中间服务平台,本站所有文档下载所得的收益归上传人(含作者)所有。第壹文秘仅提供信息存储空间,仅对用户上传内容的表现方式做保护处理,对上载内容本身不做任何修改或编辑。若文档所含内容侵犯了您的版权或隐私,请立即通知第壹文秘网,我们立即给予删除!

    收起
    展开