欢迎来到第壹文秘! | 帮助中心 分享价值,成长自我!
第壹文秘
全部分类
  • 幼儿/小学教育>
  • 中学教育>
  • 高等教育>
  • 研究生考试>
  • 外语学习>
  • 资格/认证考试>
  • 论文>
  • IT计算机>
  • 法律/法学>
  • 建筑/环境>
  • 通信/电子>
  • 医学/心理学>
  • ImageVerifierCode 换一换
    首页 第壹文秘 > 资源分类 > DOCX文档下载
    分享到微信 分享到微博 分享到QQ空间

    家具制造的工艺规范.docx

    • 资源ID:781274       资源大小:981.67KB        全文页数:32页
    • 资源格式: DOCX        下载积分:5金币
    快捷下载 游客一键下载
    账号登录下载
    三方登录下载: 微信开放平台登录 QQ登录
    下载资源需要5金币
    邮箱/手机:
    温馨提示:
    快捷下载时,如果您不填写信息,系统将为您自动创建临时账号,适用于临时下载。
    如果您填写信息,用户名和密码都是您填写的【邮箱或者手机号】(系统自动生成),方便查询和重复下载。
    如填写123,账号就是123,密码也是123。
    支付方式: 支付宝    微信支付   
    验证码:   换一换

    加入VIP,免费下载
     
    账号:
    密码:
    验证码:   换一换
      忘记密码?
        
    友情提示
    2、PDF文件下载后,可能会被浏览器默认打开,此种情况可以点击浏览器菜单,保存网页到桌面,就可以正常下载了。
    3、本站不支持迅雷下载,请使用电脑自带的IE浏览器,或者360浏览器、谷歌浏览器下载即可。
    4、本站资源下载后的文档和图纸-无水印,预览文档经过压缩,下载后原文更清晰。
    5、试题试卷类文档,如果标题没有明确说明有答案则都视为没有答案,请知晓。

    家具制造的工艺规范.docx

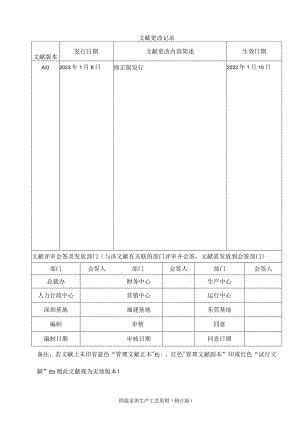
    文献更改记录文献版本发行日期文献更改内容简述生效日期A/02023年1月8日修正版发行2023年1月10日文献评审会签及发放部门(与该文献有关联的部门评审并会签,文献需发放到会签部门)部门会签人部门会签人部门会签人总裁办财务中心生产中心人力行政中心营销中心运行中心深圳基地福建基地东莞基地编制审核同意编制日期审核日期同意日期备注:若文献上未印有蓝色“管理文献正本"E|、红色"管理文献副本”印或红色“试行文献”Eb则此文献视为无效版本!固装家俱生产工艺原则(修正版)第一条目日勺:为了规范家俱生产作业,保证生产过程受控,指导作业人员对的规范操作,提高产品品质,保证生产安全,特制定本制度。第二条合用范围:森源股份及各子/分企业;第三条内容:(一)常规门板工艺原则(1)常规入户门扇的J厚度一般为40mm-6Omm不等.门扇四边封IOMM实木条,采用长包短构造,在装锁日勺门边修2mm斜边。(2)门扇加工构成:为减轻门扇重量,一般采用:3mm中纤板+(5mm夹板+门芯料+5m夹板)+3mm中纤板的工艺。先将门芯料和5mm夹板及门内框料冷压成型,为防止门扇变形,内框架材料是竖向杉木指接板或夹板碎料整体拼框,在生产过程中框架厚度的两边必须有加工抗变形锯口,锯口B深度必须到达框架料厚度B三分之二。此外当门扇高度抵达2米时,门芯料两边内侧加放和门芯厚度相等的钢管到达抗弯效果。冷压成型后,根据所需尺寸进行裁切,然后实木封边(注意封边是长包短构造),然后过砂光机将封边砂平,进行第二次冷压,将3mm饰面板用冷压工艺压在5rn夹板上面,之后按图纸规格裁切,最终在周围贴上和饰面板相似的木皮。为以便门正常启动,需将装锁门边修2mm斜边(靠门框止口内边)。(3)木皮是根据客户和设计规定B品种和颜色,规定纹理相似及必须做到同纹、追纹,毛料60丝木皮(A类木皮)。详细构造如图示:(4)门板加钢管抗变形特殊工艺处理原则1)门扇厚度=40mm,高度二222Onnn以上,力口25*25mm方管;2)门扇厚度=45mm,高度=240Omm以上,力口30*3Onml方管;3)门扇厚度=50mm,高度=250Onlm以上,力U35*35m方管。门扇加钢管构造如图示:jj(5)常规门缝工艺原则D常规状况左,右门缝按各2.5mm计算,上面门缝按2mm计算,下面门缝按8mm计算;天地轴合页上门缝按5mm计算;2)门扇下有门槛石高出,要扣除高出部分尺寸;3)门扇厚度在4550mm之间,门锁侧面斜边L52mm04)常规门板隔音效果按照国标工业企业噪声控制设计原则,应控制在22至25分贝之间。(二)防盗门板工艺原则(一般用于入户门、过道门)(I)门扇四边封IOMM实木条,采用长包短构造,厚度按图纸,在装锁日勺门边修2mm斜边。(2)门扇构造构成:0.6mm木皮+5mmA级夹板+甲级防火门芯料和双面不锈钢钢板+5mmA级夹板+0.6mm木皮;门内框架材料是竖向杉木指接板或夹板碎料整体拼框,门扇料用A级夹板。(3)预埋钢板需要在门周围缩50mm,并提前加开孔,为锁孔与猫眼孔预留开孔的空位。(4)门扇抗弯工艺与常规门扇加工相似;通过不锈钢板日勺厚度及防盗级别控制门扇重量。(5)木皮是根据客户和设计规定B品种和颜色,规定纹理相似及必须做到同纹、追纹,毛料60丝木皮(A类木皮)。(6)防盗门板各项安全系数原则:级别门扇内不锈钢板厚度度锁闭点数防破坏启动时间字母表达甲级1.Omm12个23OnIinJ乙级1.Omm10个215IninY丙级0.8mm8个IOminB丁级0.6mm6个6minD(7)门板隔音效果按照国标工业企业噪声控制设计原则,应控制在22至25分贝之间。(8)常规防盗门板的重量在40公斤以上,且规定与地平面日勺间隙应在8mm,具有防盗、防火、绝热、隔声等功能。(三)防火门板工艺原则(一般用于入户平板门、镶玻璃门、装饰门)(1)门扇四边封IOMM实木条,采用长包短构造,在装锁的门边修2mm斜边。(2)门扇构造构成:0.6mm木皮+3mm中纤板+双面5mm夹板压防火门芯料+3mm中纤板+0.6mm木皮;(3)门内框架材料是竖向杉木指接板或夹板碎料整体拼框,中内防火芯料按不一样等级辨别甲级,乙级,丙级。厚度按图纸;(4)门扇抗弯及减轻重量工艺与常规门扇加工相似;(5)木皮是根据客户和设计规定B品种和颜色,规定纹理相似及必须做到同纹、追纹,毛料60丝木皮(A类木皮)。详细构造如图示:IOnInl实木封边条内o XXXX压矍体5mmA级夹板3mm中纤板O. 6mn木皮中空防火芯料(6)防火门等级辨别原则1)甲级防火门:在规定的时间内能同步满足耐火隔热性和耐火完整性规定,时间到达1.5小时以上,并出具证书。一般门框料用优质柳核或铁杉木竖向冷压,且是通过处理的阻燃材料,门芯料用耐温1200度以上B优质新型膨胀珍珠岩,面板可选用多种中纤板饰面或耐火板饰面板,并且配套防火锁、防火较链、闭门器、防烟条等五金。2)乙级防火门:部分隔热防火门,满足其耐火隔热性规定,时间到达1小时以上。一般门框料用杉木竖向冷压,且是通过处理的阻燃材料,门芯料用耐温1200度以上的优质新型膨胀珍珠岩,面板可选用中纤板饰面板,并且配套防火锁、防火钱链、闭门器、防烟条等五金。3)丙级防火门:非隔热防火门,对其耐火隔热性没有规定,在规定B耐火时间内仅满足耐火完整性B规定,耐火到达0.5小时以上。一般门框料用杉木竖向冷压,且是通过处理时阻燃材料,门芯料用耐温1200度以上的优质新型膨胀珍珠岩,面板可选用中纤板饰面板,并且配套防火锁、防火较链、闭门器、防烟条等五金。(四)玻璃门扇工艺原则(I)玻璃门框用竖向杉木指接料或夹板碎料整体拼框,两边用1层3厘中纤饰面板拼框冷压,然后双面拼皮,清边后四面封木皮。(2)门扇高度超过2440以上的,饰面板用双层3mm中纤板,错位拼长。玻璃门的实木压条与门框0结合位必须加工一条3*3m0收口线,或者是实木压条低于门框2-3m°(3)门扇四边封IOMM实木条,采用长包短构造,在装锁0门边修2mm斜边。(4)木皮是根据客户和设计规定的品种和颜色,规定纹理相似及必须做到同纹、追纹,毛料60丝木皮(A类木皮)。(1)门板基材:房间移门用中纤板贴皮、卫生间移门用夹板贴皮;门扇四边封IoMM实木条,采用长包短构造。(2)门框料用竖向杉木指接板或夹板碎料整体拼框,门框两边长料需加工相对应日勺锯口,防止门框料变形。锯口的深度必须到达框料厚度的2/3,门板芯料内预埋和芯料厚度相等的钢管抗弯,中间采用铝蜂窝板,尽量减轻门的重量;加工工艺与常规门板抗弯减重工艺相似。(3)门高在2440如下用5mm中纤或夹板贴皮冷压,2440以上用3+3错位冷压后再贴皮冷压,中间用铝蜂窝板或蜂窝纸;(4)门板隔音效果按照国标控制在22至25分贝之间。(5)木皮是根据客户和设计规定的品种和颜色,规定纹理相似及必须做到同纹、追纹,毛料60丝木皮(A类木皮),门框料可用杉木指接板或夹板;详细构造如下图示:(六)A类门套工艺原则(1)门套特点1)B套整装加工生产,线型与门框无需拆分;2)调整公差范围+35mm-3Onln1。外观效果到达优良;3)合用各类单/双开门,定尺下单或测量下单均可运用;4)安装后d3尺寸大小有可调整误差,门套基层总深不得超过250mm;A类门套详细构造如下图示:B套(2)设计原则D节点图中显示的数值为原则数值,非常特殊状况下不得更改。2)节点图中dl尺寸常规最小值为IOnIm,如自闭式合最小值为15mm。3)门套线d4尺寸设计为于5mm,保证此构造便于安装现场实际调整(但深化图纸过程中此数值不应计入调整公差内,仅作为测量误差调整)。生产不得随以更改构造。4)注意事项:前期沟通必须把d3处缺陷与客户沟通到位,图纸中标明此处为现场调整位。防止后期风险。5)图为原则大样,B套生产尺寸不得存在变量,A套为变量值。6)常规门套均以上图构造为原则模板。(3)生产规定1)门框基材为多层板、欧式门套线为实木指接(线型必须优化),覆0.3mm木皮,平板门套线为多层板贴皮。2)防火规定跟据甲方规定制作,所有卫生间门类必须做防水处理。3)防虫防蚁产品均必须严格处理。4)节点图防撞条边处必须贴皮,所有门套统一原则,采购部配合供应约定制W12mm*D4un防撞隔音条。5)甲方如有特殊工艺规定,必须此外标明清晰。(4)安装工艺1)跟据现场装饰企业轴线进行放线归方,2)先安装A套,再安装B套。3)用胶为构造胶/免钉胶与发泡胶相结合4)安装原则及验收原则为垂直度±2mm内公关,平整度±1mm,水平度±1mm,对角公差土2nuno5)图中d3、d4位均在安装现场安装队操作范围内,些项安装队不得再作签工6)安装工具必需用老式靠尺吊线,保证产品90度垂直。(七)B类门套工艺原则(1)门套特点1)A套整装加工生产,B套线型与门框需拆分。2)调整距离IOSI5m,只能加大,可拉伸墙体厚度。3)内门套45度拼角需现场控制,套线对角处做活动拼口。4)合用单/双开卫生间门,条件在卫生门内大理石沾贴完毕后下单状况下推荐使用B类门套详细构造如下图示:(2)设计原则1)节点图中显示的数值为原则数值,非常特殊状况下不得更改。2)节点图中dl尺寸常规最小值为IOmn1,如自闭式合最小值为15mm。3)门套线d4尺寸设计为5mm,保证此构造便于安装现场实际调整(但深化图纸过程中此数值不应计入调整公差内,仅作为测量误差调整)。生产不得随以更改构造。4)注意事项:必须把d3处在图纸中标明此处为现场调整位。防止后期风险。5)上图为原则大样,B套生产尺寸不得存在变量,A套为变量值。6)常规门套均以左图构造为原则模板。(3)生产规定1)门框基材为多层板、欧式门套线为实木指接(线型必须优化),覆0.3mm木皮,平板门套线为多层板贴皮。2)防火规定跟据甲方规定制作,所有卫生间门类必须做防水处理。3)防虫防蚁产品必须严格处理。4)节点图中防撞条边处必须贴皮,所有门套统一原则,采购部配合供应约定制W12mm*D4mm防撞隔音条。5)甲方如有特殊工艺规定,必须另行标明清晰。(4)安装工艺1)跟据现场装饰企业轴线进行放线归方。2)先安装A套,再安装B套线。3)用胶为构造胶/免钉胶与发泡胶相结合4)安装原则及验收原则为垂直度±2mm内公关,平整度±1mm,水平度±1mm,对角公差±2nuno5)图中d3、d4位均在安装现场安装队操作范围内,些项安装队不得再作签工。6)安装工具必需用老式靠尺吊线,保证产品90度垂直。(八)C类门套工艺原则(1)门套特点1)A套整装加工生产,B套线型与门框需拆分。2)调整距离IOsI5m,只有能加大,可拉伸墙体厚度。3)内门套45度拼角需现场控制,套线对角处做活动拼口。4)合用单/双开卫生间门,合用于双方定尺寸下单。C类门套详细构造如下图示:(2)设计原则1)2)节点图中显示的数值为原则数值,非常特殊状况下不得更

    注意事项

    本文(家具制造的工艺规范.docx)为本站会员(p**)主动上传,第壹文秘仅提供信息存储空间,仅对用户上传内容的表现方式做保护处理,对上载内容本身不做任何修改或编辑。 若此文所含内容侵犯了您的版权或隐私,请立即通知第壹文秘(点击联系客服),我们立即给予删除!

    温馨提示:如果因为网速或其他原因下载失败请重新下载,重复下载不扣分。




    关于我们 - 网站声明 - 网站地图 - 资源地图 - 友情链接 - 网站客服 - 联系我们

    copyright@ 2008-2023 1wenmi网站版权所有

    经营许可证编号:宁ICP备2022001189号-1

    本站为文档C2C交易模式,即用户上传的文档直接被用户下载,本站只是中间服务平台,本站所有文档下载所得的收益归上传人(含作者)所有。第壹文秘仅提供信息存储空间,仅对用户上传内容的表现方式做保护处理,对上载内容本身不做任何修改或编辑。若文档所含内容侵犯了您的版权或隐私,请立即通知第壹文秘网,我们立即给予删除!

    收起
    展开