欢迎来到第壹文秘! | 帮助中心 分享价值,成长自我!
第壹文秘
全部分类
  • 幼儿/小学教育>
  • 中学教育>
  • 高等教育>
  • 研究生考试>
  • 外语学习>
  • 资格/认证考试>
  • 论文>
  • IT计算机>
  • 法律/法学>
  • 建筑/环境>
  • 通信/电子>
  • 医学/心理学>
  • ImageVerifierCode 换一换
    首页 第壹文秘 > 资源分类 > DOCX文档下载
    分享到微信 分享到微博 分享到QQ空间

    建筑设备工程验收记录表.docx

    • 资源ID:776926       资源大小:92.78KB        全文页数:24页
    • 资源格式: DOCX        下载积分:5金币
    快捷下载 游客一键下载
    账号登录下载
    三方登录下载: 微信开放平台登录 QQ登录
    下载资源需要5金币
    邮箱/手机:
    温馨提示:
    快捷下载时,如果您不填写信息,系统将为您自动创建临时账号,适用于临时下载。
    如果您填写信息,用户名和密码都是您填写的【邮箱或者手机号】(系统自动生成),方便查询和重复下载。
    如填写123,账号就是123,密码也是123。
    支付方式: 支付宝    微信支付   
    验证码:   换一换

    加入VIP,免费下载
     
    账号:
    密码:
    验证码:   换一换
      忘记密码?
        
    友情提示
    2、PDF文件下载后,可能会被浏览器默认打开,此种情况可以点击浏览器菜单,保存网页到桌面,就可以正常下载了。
    3、本站不支持迅雷下载,请使用电脑自带的IE浏览器,或者360浏览器、谷歌浏览器下载即可。
    4、本站资源下载后的文档和图纸-无水印,预览文档经过压缩,下载后原文更清晰。
    5、试题试卷类文档,如果标题没有明确说明有答案则都视为没有答案,请知晓。

    建筑设备工程验收记录表.docx

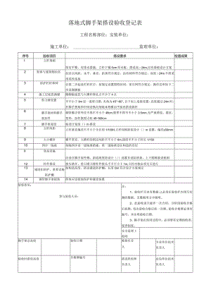
    落地式脚手架搭设验收登记表工程名称部位:安装单位:施工单位:监理单位:序号验收项目搭设要求检查成果I立杆基础坚实平整、有排水措施,立杆下铺5cm厚木板、搭设高24m,应有基础设计方案2架体与建筑物拉结拉结点间距、水平、垂直、距离符合规定,拉结材料符合规定,高度24m不准采用柔性连接3防护栏杆和网自第二步起设栏杆扶手,按规定设置围档封闭,密目网符合规定,操作层和如下二步设踢脚板4施工层底笆满铺踢脚板底笆与大横杆绑扎点不少于4点5剪刀撑设置不不小于9m设一道剪刀撑,夹角为45°60°,自下而上连接设置,高度超过24m时,在脚手拐角和中间沿纵向每隔6跨横向平面内搭设斜杆6脚手架材料脚手架扣件钢管脚手管外径不得不不小于48cm,壁厚不得不不小于3.5mm,无严重绣蚀、裂纹、变形、扣件紧固力矩4550N.m7脚手架宽度按设计宽度()m搭设8立杆间距立杆垂直偏差不不小于全长的1/100H,立杆间纵距按设计()m设置,偏差±50mm9大小横杆横平坚直、大横杆的固定间距不不小于6m,挠度不不小于杆长1/15010四步一隔离每隔四步设一道隔离措施,第一道隔离设在构造的首层Il登高设施应设在脚手架外侧,斜道坡度按设计(/)设置并设防滑条,上下爬梯装设稳固12杆件搭设接头错开,剪刀撑刀撑杆件接长不不不小于1m,立杆对接必须交叉进行13通道扣防护、重要设施防护棚按构造高度、搭设通道防护棚:长度Om符合设计方案规定14钢管脚手架接地四角应设接地保护和避雷装置验收意见:参与验收人员:注:1、验收栏目内有数据/J,必须在验收栏内填写实测的数据,无数据用文字阐明。2、此验收表只能作一次合用,分阶段验收合格后挂牌,每次验收合格后挂一次牌。验收合格牌必须有编号,并注明验收日期。3、脚手架在使用过程中,必须要有定期的检查、保养制度。安全监理工程师脚手架总高度验收日期维修负责人专业单位技术负责人验收时搭设高度合格牌编号搭设班组和负责人总包单位技术负责人扣件式钢管脚手架验收登记表工程名称部位:安装单位:施工单位:监理单位:序号验收项目搭设要求检验记录结果I施工方案搭设方案审批手续齐全,并绘制施工图,设计计算内容齐全、详细、精确2架体制作架体悬挂点按方案制作,设计合理,埋设固定牢固并有对应验收资料,悬挂点间距中2m3材质制作架体的钢材、焊条应有材料质保书,有防绣处理,无开裂、严重变形4脚手板脚手板铺设严密,板厚50mm以上5架体防护脚手架外侧应装设置杆,设双道防护栏杆、踢脚板、密目网封闭。脚手架底部与机构之间封闭严密,底部用平网紧贴脚手底部兜严,外层再采用密目网兜包验收意见:验收人员:注:1、验收栏目内有数据小J,必须在验收栏内填写实测的数据,无数据用文字阐明。2、此验收表只能作一次使用,分阶段验收合格后挂牌,每次验收合格后挂一次牌。验收合格牌必须有编号,并注明验收日期。3、脚手架在使用过程中,必须要有定期的检查、保养制度。安全监理工程师验收数量验收日期专业维修人员专业单位技术负责人合用高度合格牌编号搭设班组负责人总包单位技术负责人悬挑式脚手架验收登记表工程名称部位:安装单位:施工单位:监理单位:序号验收项目搭设要求检验结果1施工方案搭设方案审批手续齐全并绘制施工图,多层悬挑设计计算内容齐全、精确、焊接部分应有验收资料2悬挑梁和悬挑架悬挑梁、悬挑架与构造连接牢固,悬挑梁应采用刚性框架河刚性节点3架体稳定梁上应焊短管作底座,立杆插入固定,并绑扫地杆4脚手板、防护栏杆底笆应铺满、首层与构造之间隔离严密、栏杆高度1.2m,密目网、操作层如下层踢脚板齐全5杆件间距立杆间距按1.5m布置(单层1.51.8m)立杆垂直偏差全长WOOH,接长交叉进行6层间防护作业层下设置隔离措施(四步一隔离)7脚手架材料钢管、外径(48mm),壁厚不少于3.5mm,无严重绣蚀、裂纹变形8扣件扣件要有生产许可证、扣件检测资料、紧固力矩4550N.m9大小横杆搭设要做到横平坚直、大横杆固定间距才6m、牢度才杆长1/15010剪刀撑每组剪刀撵跨越立杆根数为57根(6m)夹角45°60°,杆件接长不应在同一平面验收意见:验收人员:注:1、骏收栏目内有数据的,必须在验收栏内填写实测的数据,无数据用文字阐明。2、此验收表只能作一次使用,分阶段验收合格后挂牌,每次验收合格后挂一次牌。验收合格牌必须有编号,并注明验收日期。3、脚手架在使用过程中,必须要有定期的检查、保养制度。安全监理工程师悬挑架总高度验收日期维修负责人专业单位技术负责人验收时高度合格牌编号搭设班组负责人总包单位技术负责人高处作业吊篮验收登记表(手动与电动)工程名称部位:安装单位:施工单位:监理单位:序号验收项目搭设规定检查成果1软件资料方案审批手续齐全,设计计算内容齐全、详细、能指导施工,方案设计符合JG"5032-93高处作业吊篮规定、厂家生产的产品、合格证、许可证使用阐明书等齐全2制作组装挑梁与建筑物锚固牢固,应采用纵向水平杆将挑梁连成整体,配置质量符合设计规定并有可靠措施,挑梁应设置抗倾覆措施,吊篮长、宽符合设计规定3安全装置升降机安全锁、手扳葫芦保险卡齐全有效,吊篮应设专用保险绳,吊钩保险有限,钢丝绳符合使用规定,漏电保护器敏捷可靠4脚手板脚手扳铺满,木质厚度50mm以上,采用钢板应是防滑的花纹钢板,无绣蚀5防护双道栏杆,高1.2m和踢脚板靠建筑物栏杆不低于0.8m,外侧用密目网封闭,单片吊篮两端要封头处理,多层作业应设防护顶板,厚度50mm6空载试验升降运行平衡,过程中无碰擦、安全装置敏捷可靠验收意见:验收人员:注:1、验收栏目内有数据的,必须在验收栏内填写实测的数据,无数据用文字阐明。2、此验收表只能作一次使用,分阶段验收合格后挂牌,每次验收合格后挂一次牌。验收合格必须有编号,并阐明验收日期。3、脚手架在使用过程中,必须要有定期的检查、保养制度。安全监理工程师验收数量验收日期组装维修人员专业单位技术负责人使用高度合格牌编号验收人员纵包单位技术负责人门式钢管脚手架验收登记表工程名称部位:安装单位:施工单位:监理单位:序号验收项目搭设规定检查成果1施工方案方案设计符合规范规定,设计内容详细、齐全60m以上要有设计计算书,审批手续齐全2架体基础25m如下设5cm厚木板,高度在2540m时,原土扎实后铺15Cm道砧扎实后再铺木板或槽钢,45m高度按设计规定:脚手架底部纵横向加设扫地杆3架体稳定架体内外侧交叉支撑,尺寸间距与门架匹配并与立杆锁牢:连墙件设置架高45m如下垂直W6m、水平W8m,每二层设一处:架高4560m时,垂直W4m,水平W6m,每层设一处,连墙件应采用钢性连接,承载力不不不小于IOKN,连接点应靠近门架横梁,转角处河一字型或闭合脚手两端增设拉接。水平在架高45m如卜.时,每二步门架设置一道:架高4560m时,水平架高度应每一步门架设置一道(采用挂扣式脚手板可步设水平架):脚手架搭设与主题高度相适应,一次搭设高度不超过最上层拉接点二步以上(自由高度4m),脚手垂直偏差W600/H和50mm;首层门架的立杆垂直偏差2三,水平偏差5mm,上下门架立杆对齐,对中偏差3mm4剪刀撑脚手高度超过20m时,每隔四步设一道剪刀撵连接封闭,宽度为48m时,角度45°60°:剪刀掾接长采用搭接,长度50cm,用二个扣件,剪刀撑与脚手同步搭设5杆锁牢不一样产品的门架和零部件不得混用,上下门架组装,须设连接棒和锁臂:门型架内外侧均应设置交叉支撑,并与立杆锁牢6脚手板作业层应连接满铺挂扣式脚手板、搭钩与横梁扣紧,用滑动挡板锁牢,采用其他脚手板应绑扎牢固不准有探头板7架体防护按临边防护规定设置双道栏杆,操作层和如下二层设踢脚板、密目网全封闭8材质规格质量符合规范规定,合格证等资料齐全、门架平面弯曲4mm,立杆中到中间距误差±5mm其他配件弯曲3mm,无裂纹和严重绣蚀验收高度搭设班组验收人员专业单位技术负责人脚手总高度合格牌号维护人员总包单位技术负责人验收意见安全监理工程师验收日期9通道门架得钢梯扣在相邻上下两步门架得横杆上,并用防滑挡板与横杆锁牢固安全防护措施搭设验收登记表工程名称部位:安装单位:施工单位:监理单位:序号验收项目验收要求部位检验结果1楼梯匚1、电梯井道口应设双道防护栏杆,高度1.2m,底部宜设不低于18Cm挡脚板;电梯井管笼井道口,应设固定棚门、网格间距W15cm,底部设不低于18Cm挡脚板,电梯井道I1内每隔两层IOm设一道安全平网,网与井壁间隙AIOCm2预留洞口,竖向洞口边长在1.5m以上的洞口,四面设防护栏杆,洞口下设安全平网或加一层密目网,平面洞口短边25cm,必须设置有一定强度的固定牢固的板:竖向下边低于80Omm的窗台等洞口须设1.2m栏杆3基槽、坑井除设置必要的防护措施外,夜间应设置红灯示警4阳台、楼层、屋面等临边双道防护栏高度1.2m,底部设不低于18CmlrJ挡脚板,坡度不小于1:2.2屋面栏杆高度1.5m并加挂安全立网,栏杆长度不小于2m应增设栏杆柱5通道防坠棚、机械设备和操作防护棚等临边应有专门搭设方案、杆件搭接长度符合规定,架体自成独立系统不得与脚手连接,防护棚搭设尺寸应满足上方坠落物的半径以外规定。施工高度在24m如下可搭设单层防护棚(宜采用5cm木板),双层防护棚如设置在人员密集区应采用5cm木板与竹笆,双层棚之间60Omm验收人员注:搭设防护设施的材质必须符合使用规定,防护栏杆的上杆应能承受任何方向IooON外力,各类防护设施,应尽量做到定型、原则化、提高防备水平的能力。此表可作单项防护设施验收和平时检查使用负责人日期安全监理工程师日期横板支撑系统验收登记表工程名称部位:安装单位:施工单位:监理单位:序号验收项目验收要求检点记录成果1施工方案方案完整,绘有施工详图,指导施工,支撑系统设计计算、审批手续齐全,作业前应进行安全交底,交底资料完整2支撑材料支撑立柱材料:木杆应用松木或杉木,有效直径不得80mm,并去皮,不得采用易变形、折裂、枯节的木材:如采用钢管,管子外径不得不不小于48X3.5的钢管,无严重绣蚀、裂纹、变形

    注意事项

    本文(建筑设备工程验收记录表.docx)为本站会员(p**)主动上传,第壹文秘仅提供信息存储空间,仅对用户上传内容的表现方式做保护处理,对上载内容本身不做任何修改或编辑。 若此文所含内容侵犯了您的版权或隐私,请立即通知第壹文秘(点击联系客服),我们立即给予删除!

    温馨提示:如果因为网速或其他原因下载失败请重新下载,重复下载不扣分。




    关于我们 - 网站声明 - 网站地图 - 资源地图 - 友情链接 - 网站客服 - 联系我们

    copyright@ 2008-2023 1wenmi网站版权所有

    经营许可证编号:宁ICP备2022001189号-1

    本站为文档C2C交易模式,即用户上传的文档直接被用户下载,本站只是中间服务平台,本站所有文档下载所得的收益归上传人(含作者)所有。第壹文秘仅提供信息存储空间,仅对用户上传内容的表现方式做保护处理,对上载内容本身不做任何修改或编辑。若文档所含内容侵犯了您的版权或隐私,请立即通知第壹文秘网,我们立即给予删除!

    收起
    展开