欢迎来到第壹文秘! | 帮助中心 分享价值,成长自我!
第壹文秘
全部分类
  • 幼儿/小学教育>
  • 中学教育>
  • 高等教育>
  • 研究生考试>
  • 外语学习>
  • 资格/认证考试>
  • 论文>
  • IT计算机>
  • 法律/法学>
  • 建筑/环境>
  • 通信/电子>
  • 医学/心理学>
  • ImageVerifierCode 换一换
    首页 第壹文秘 > 资源分类 > DOCX文档下载
    分享到微信 分享到微博 分享到QQ空间

    加工车间铆焊班风险管控信息排查清单.docx

    • 资源ID:776300       资源大小:18.42KB        全文页数:3页
    • 资源格式: DOCX        下载积分:5金币
    快捷下载 游客一键下载
    账号登录下载
    三方登录下载: 微信开放平台登录 QQ登录
    下载资源需要5金币
    邮箱/手机:
    温馨提示:
    快捷下载时,如果您不填写信息,系统将为您自动创建临时账号,适用于临时下载。
    如果您填写信息,用户名和密码都是您填写的【邮箱或者手机号】(系统自动生成),方便查询和重复下载。
    如填写123,账号就是123,密码也是123。
    支付方式: 支付宝    微信支付   
    验证码:   换一换

    加入VIP,免费下载
     
    账号:
    密码:
    验证码:   换一换
      忘记密码?
        
    友情提示
    2、PDF文件下载后,可能会被浏览器默认打开,此种情况可以点击浏览器菜单,保存网页到桌面,就可以正常下载了。
    3、本站不支持迅雷下载,请使用电脑自带的IE浏览器,或者360浏览器、谷歌浏览器下载即可。
    4、本站资源下载后的文档和图纸-无水印,预览文档经过压缩,下载后原文更清晰。
    5、试题试卷类文档,如果标题没有明确说明有答案则都视为没有答案,请知晓。

    加工车间铆焊班风险管控信息排查清单.docx

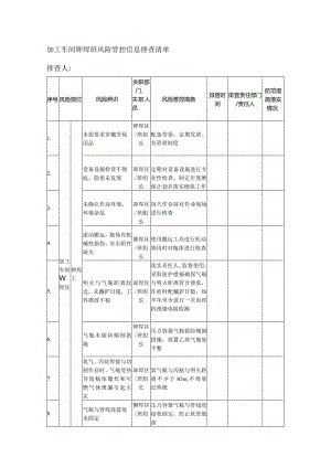
    加工车间钾焊班风险管控信息排查清单排查人:序号风险部位风险辨识失职部门、失职人员风险管控措施排查时间排查责任部门/责任人防范措施落实情况1.加工车间W焊区钾焊工未按要求穿戴劳保用品钾焊区/班组长配备劳保,定期发放、有管理制度2.设备设施检查不彻底,隐患未发现卸焊区/班组长定期对设备设施进行专业性检查,制定年度维保计划并落实维保工作3.未确认作业环境,环境杂乱卸焊区/班蛆长每天作业前对作业现场进行检查4.滚动搬运,瓶体有机械性损伤,安全附件缺失佛焊区/班组长使用搬运工具进行托动,领用时对瓶体进行检查5.明火与气瓶距离较近,未戴护目镜,工件摆放不稳卸焊区/班组长落实责任人、监督使用,采取防护措施确保气瓶与明火距离符合要求,作业时配戴护目镜,每半年至少进行一次电焊机绝缘电阻检测6.气瓶未做防倾倒措施钾焊区/班组长压力容器气瓶做防倾倒措施,放置乙块气瓶处平整7.氧气、丙烷焊接与切割作业时,气瓶受热导致瓶体爆炸和可燃气体泄漏引起火灾卸焊区/班组长氧气瓶与丙瓶与明火距离不少于IOm,不得靠近热源8.气瓶与管线连接处未固定狮焊区/班组压力容器气瓶与管线连接要固定,防止软管脱落序号风险部位风险辨识失职部门、失职人员风险管控措施排查时间排查责任部门/责任人防范措施落实情况长9.焊机电源线、电缆与焊机连接处裸露卸焊区/班组长焊机电源线、电缆与焊机连接处裸露接线板有防护罩10.电焊设备一次线绝缘破损,二次线接头过多或搭接在可燃气体管道上,导致人员触电卸焊区/班组长定期检查一次线绝缘,二次回路接点,无电气裸露,接头采用电缆耦合器,且不超过3个。每半年到电焊机绝缘电阻进行一次检测11.工作结束后未断电设备异常运行,地面湿滑,有杂物卸焊区/班组长落实责任人、监督管理12.打磨工打磨作业未按要求穿戴劳保用品翎焊区/班组长配备劳保,定期发放、有管理制度13.设备设施检查不彻底,隐患未发现卸焊区/班组长定期对设备设施进行专业性检查,制定年度维保计划并落实维保工作14.未确认作业环境,环境杂乱钾焊区/班组长每天作业前对作业现场进行检查15.未戴防尘口罩,防噪声耳塞,未定期进行绝缘电阻检测,砂轮片破损卸焊区/班组长作业时配戴防尘口罩、防噪声耳塞;每季至少进行一次手持工具的绝缘电阻检测,定期更换砂轮片16.手持工具防护罩、盖、手柄松动、破损卸焊区/班组长定期进行维护紧固17.手持打磨工具橡钟焊每三个月进行一次序号风险部位风险辨识失职部门、失职人员风险管控措施排查时间排查责任部门/责任人防范措施落实情况套软线破损,长度超6m,有接头区/班组长绝缘电阻检测,定期进行维保18.工作结束后未断电设备异常运行,地面湿滑,有杂物卸焊区/班组长落实责任人、监督管理

    注意事项

    本文(加工车间铆焊班风险管控信息排查清单.docx)为本站会员(p**)主动上传,第壹文秘仅提供信息存储空间,仅对用户上传内容的表现方式做保护处理,对上载内容本身不做任何修改或编辑。 若此文所含内容侵犯了您的版权或隐私,请立即通知第壹文秘(点击联系客服),我们立即给予删除!

    温馨提示:如果因为网速或其他原因下载失败请重新下载,重复下载不扣分。




    关于我们 - 网站声明 - 网站地图 - 资源地图 - 友情链接 - 网站客服 - 联系我们

    copyright@ 2008-2023 1wenmi网站版权所有

    经营许可证编号:宁ICP备2022001189号-1

    本站为文档C2C交易模式,即用户上传的文档直接被用户下载,本站只是中间服务平台,本站所有文档下载所得的收益归上传人(含作者)所有。第壹文秘仅提供信息存储空间,仅对用户上传内容的表现方式做保护处理,对上载内容本身不做任何修改或编辑。若文档所含内容侵犯了您的版权或隐私,请立即通知第壹文秘网,我们立即给予删除!

    收起
    展开