欢迎来到第壹文秘! | 帮助中心 分享价值,成长自我!
第壹文秘
全部分类
  • 幼儿/小学教育>
  • 中学教育>
  • 高等教育>
  • 研究生考试>
  • 外语学习>
  • 资格/认证考试>
  • 论文>
  • IT计算机>
  • 法律/法学>
  • 建筑/环境>
  • 通信/电子>
  • 医学/心理学>
  • ImageVerifierCode 换一换
    首页 第壹文秘 > 资源分类 > DOCX文档下载
    分享到微信 分享到微博 分享到QQ空间

    几种射频通信接收机原理框图及优缺点.docx

    • 资源ID:774431       资源大小:85.25KB        全文页数:6页
    • 资源格式: DOCX        下载积分:5金币
    快捷下载 游客一键下载
    账号登录下载
    三方登录下载: 微信开放平台登录 QQ登录
    下载资源需要5金币
    邮箱/手机:
    温馨提示:
    快捷下载时,如果您不填写信息,系统将为您自动创建临时账号,适用于临时下载。
    如果您填写信息,用户名和密码都是您填写的【邮箱或者手机号】(系统自动生成),方便查询和重复下载。
    如填写123,账号就是123,密码也是123。
    支付方式: 支付宝    微信支付   
    验证码:   换一换

    加入VIP,免费下载
     
    账号:
    密码:
    验证码:   换一换
      忘记密码?
        
    友情提示
    2、PDF文件下载后,可能会被浏览器默认打开,此种情况可以点击浏览器菜单,保存网页到桌面,就可以正常下载了。
    3、本站不支持迅雷下载,请使用电脑自带的IE浏览器,或者360浏览器、谷歌浏览器下载即可。
    4、本站资源下载后的文档和图纸-无水印,预览文档经过压缩,下载后原文更清晰。
    5、试题试卷类文档,如果标题没有明确说明有答案则都视为没有答案,请知晓。

    几种射频通信接收机原理框图及优缺点.docx

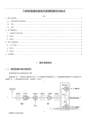
    几种射频通信接收机原理框图及优缺点目录1 .超外差接收机11.1. 典型的超外差式接收机11.2. 优点:21.3. 缺点:22 .零中频接收机21. 1.射频信号处理过程22. 2.优点:33. 3.缺点:33 .数字中频接收机33. 1.工作过程34. 2.优点:45. 3.缺点:44 .名词解释41 .超外差接收机1.1. 典型的超外差式接收机典型的超外差式接收机如下图振荡器产生一个始终比接收信号高一个中频频率的振荡信号,在混频器将振荡信号与接收信号相减产生一个新的频率即中频,这就是“外差”。射频信号处理过程:射频信号经天线接收后,经过带通滤波器BPFl的频带选择和低噪声放大器LNA放大,通过混频器MiXer将射频信号先下变频到中频,在中频段对信号进一步进行信道选择(带通滤波器BPF2)和放大(AMP);再使用解调器DemOd(IQ解调)将中频信号解调为基带信号BaSeband。1.2.优点:1 .在射频链路进行频带选择,在中频链路进行信道选择。提高滤波器Q值,易于设计实现。2 .合理分配增益,避免单级过高的增益造成放大器自激。此外较低的中频放大器更易设计。3 .方便AD采样。4 .由于采用“差频”作用,外来信号必须和振荡信号相差为预定的中频才能进入电路,而且选频回路、中频放大谐振回路又是一个良好的滤波器,其他干扰信号就被抑制了,从而提高了选择性。1.3. 缺点:组合频率干扰较多,特别是镜像干扰,位于射频信号相对本振频率的镜像频率处的干扰信号将会通过混频器下变频到中频频带,且无法用信道选择滤波器进行滤除,恶化了接收信号质量。解决办法:1 ,采用镜像抑制滤波器。2,采用正交混频器,正交混频也叫复数混频,本振只有正或负频率分量,混频后只有(LRF+f_L0)或(LRFfLO).3,采用高中频技术,通过增高中频频率使得镜像频率远离射频通带。2.零中频接收机2.1. 射频信号处理过程射频信号经天线接收后,经过带通滤波器BPF的频带选择和低噪声放大器LNA放大,通过解调器DemOd(IQ解调)将射频信号直接下面变频到基带,对基带信号进行低通滤波LPF,然后放大(AMP)02.2. 优点:1 .不存在镜像干扰。2 .结构简单,所需元器件数量少,易于集成,低功耗。2. 3.缺点:1 .本振泄露,由于混频器的本振频率与射频信号频率相同,本振信号容易泄露到射频链路中产生干扰,甚至通过接收天线反向辐射到空间中,形成对邻近信道的干扰;2 .直流偏置,本振自混频产生的直流分量进入基带,恶化信号的信噪比,甚至使基带放大器饱和,影响动态范围。1.1 /Q不平衡(IQimbalance),在射频处做IQ混频,IQ失配问题更严重。链路增益分配过于集中还可能会增加放大器自激的可能性。4 .闪烁噪声(1/。5 .偶次谐波(evenharmonic)3 .数字中频接收机3.1. 工作过程数字中频接收机是在超外差接收机的基础上,将第二次下变频和之后模拟基带处理部分数字化,即在中频直接A/D采样的接收机结构。射频信号处理过程:射频信号经天线接收后,经过带通滤波器BPFl的频带选择和低噪声放大器LNA放大,通过混频器MiXer将射频信号先下变频到中频,在中频段对信号进一步进行信道选择(带通滤波器BPF2)和放大(AMP);然后将第一中频信号送入ADC,对输出的数字信号进行数字下变频解调(DigitalDemod)03.2. 优点:对于超外差接收机,数字中频接收机的优点是通过数字处理方法,可避免在模拟基带处理中可能产生的I/Q两路不平衡的问题。3.3. 3.缺点:对ADC性能要求较高,需要高性能ADC:1 .根据接收机的中频频率,要求ADC达到相应的采样率。2 .根据接收机的前级增益,要求ADC具有足够的分辨率和噪声性能。3 .根据接收机对镜频等杂散的抑制度,要求ADC具有足够的线性度。4 .根据接收机的动态范围,要求ADC具有充足的动态范围。5 .根据接收机的信道带宽,要求ADC需要有大于该带宽的带宽。4 .名词解释1)滤波器Q值:品质因数Q值是滤波器的品质因数,定义为中心频率除以滤波器带宽。滤波器品质因数,用滤波器的中心频率F(单位HZ)与3dB带宽B(单位HZ)的比值来表达,即Q=FB描述了滤波器分离信号中相邻频率成分能力。品质因数Q越大,表明滤波器的分辨能力越高,即越能选出单一的频率。2)相对带宽:信号带宽与中心频率之比。3)自激振荡:自激震荡是指不外加激励信号而自行产生的恒稳和持续的振荡。如果在放大器的输入端不加输入信号,输出端仍有一定的幅值和频率的输出信号,这种现象就是自激振荡。4)本振泄露(LoL:LocalOscillatorLeakage):本振指本地振荡器L0。RF混频器有两个输入端口和一个输出端口,如图所示。理想混频器将产生一个输出,它是两个输入的乘积。就频率而言,该输出的频率应当是FIN+FLO以及FIN-FLO,不含其它项。如果任一输入不在驱动状态下,则不会有输出。AA-I-JLLtIhIFeeFLoFlo图.理想混频器'n在图中,FIN被设置为基带频率为IMHZ的FBB,FLO被设置为本振频率为500MHZ的FLO。如果是理想混频器,它将产生一个输出,其中包含两个信号音,频率分别为499MHZ和501MHzo然而,如下图所示,真实混频器的输出还将产生未混频的FBB和FLO。未混频的FBB处产生的能量可以忽略不计,因为它远离所需的输出,并且将被混频器输出之后的RF组件滤除。未混频的FLO就是泄露的本振信号,其产生的能量就是一个问题,它非常接近或在所需的输出信号内,并且很难或无法通过滤波去除,因为滤波也会滤除所需的信号。可驱动混频器的本振(LO)已经泄漏到混频器的输出端口。1.O还有其他途径可以泄漏到系统输出端,例如通过电源或跨越硅本身。无论本振如何泄漏,其泄漏都可被称为LOL。AAJ4I/卜IIFBBFloFBBFloA:W56通信射频肓源无源撼缰无级RC图.真实混频器5)镜像频率:上面提到的本振频率FLO与输入信号频率FIN通过混频器产生两个输出FIN+FLO以及FlN-FLO,它们关于FLo对称,如果只需要FIN-FLO,那么FIN+FLO就是镜像频率。6)直流偏置:为了理解直流偏置的起源和影响,我们可以参照图四的接收通道进行说明。如图四(a)所示,本振口,混频器口,LNA之间的隔离度不好,L0(本振信号)可以直接通过LNA和混频器,我们叫做“本振泄露”,这种现象是由于芯片内部的电容及基底耦合的,耦合的L。信号经过LNA到达混频器,和输入的Lo信号混频,叫做“自混频”这样会在C点产生直流成分;近似的情况如(b),从LNA出来的信号耦合到混频器的本振输入口,从而产生了直流分量。UNA-D>-I三I1.O*wt:J1.otslCBgcCOSCOuqI(>1.NAT5g产x_IADCIntorforor1.o"0JICOSC>Lot图四自混金a游犒I瑞万港SEL空,密域7)直流分量有什么害处?答:直流分量会导致A/D的低几比特失效(被直流分量淹没)。解决办法有两种,要么在A/D采样之前利用模拟电路进行补偿,要么在采样后在数字域进行去DCo

    注意事项

    本文(几种射频通信接收机原理框图及优缺点.docx)为本站会员(p**)主动上传,第壹文秘仅提供信息存储空间,仅对用户上传内容的表现方式做保护处理,对上载内容本身不做任何修改或编辑。 若此文所含内容侵犯了您的版权或隐私,请立即通知第壹文秘(点击联系客服),我们立即给予删除!

    温馨提示:如果因为网速或其他原因下载失败请重新下载,重复下载不扣分。




    关于我们 - 网站声明 - 网站地图 - 资源地图 - 友情链接 - 网站客服 - 联系我们

    copyright@ 2008-2023 1wenmi网站版权所有

    经营许可证编号:宁ICP备2022001189号-1

    本站为文档C2C交易模式,即用户上传的文档直接被用户下载,本站只是中间服务平台,本站所有文档下载所得的收益归上传人(含作者)所有。第壹文秘仅提供信息存储空间,仅对用户上传内容的表现方式做保护处理,对上载内容本身不做任何修改或编辑。若文档所含内容侵犯了您的版权或隐私,请立即通知第壹文秘网,我们立即给予删除!

    收起
    展开