欢迎来到第壹文秘! | 帮助中心 分享价值,成长自我!
第壹文秘
全部分类
  • 幼儿/小学教育>
  • 中学教育>
  • 高等教育>
  • 研究生考试>
  • 外语学习>
  • 资格/认证考试>
  • 论文>
  • IT计算机>
  • 法律/法学>
  • 建筑/环境>
  • 通信/电子>
  • 医学/心理学>
  • ImageVerifierCode 换一换
    首页 第壹文秘 > 资源分类 > DOCX文档下载
    分享到微信 分享到微博 分享到QQ空间

    图纸规范.docx

    • 资源ID:769175       资源大小:18.18KB        全文页数:2页
    • 资源格式: DOCX        下载积分:5金币
    快捷下载 游客一键下载
    账号登录下载
    三方登录下载: 微信开放平台登录 QQ登录
    下载资源需要5金币
    邮箱/手机:
    温馨提示:
    快捷下载时,如果您不填写信息,系统将为您自动创建临时账号,适用于临时下载。
    如果您填写信息,用户名和密码都是您填写的【邮箱或者手机号】(系统自动生成),方便查询和重复下载。
    如填写123,账号就是123,密码也是123。
    支付方式: 支付宝    微信支付   
    验证码:   换一换

    加入VIP,免费下载
     
    账号:
    密码:
    验证码:   换一换
      忘记密码?
        
    友情提示
    2、PDF文件下载后,可能会被浏览器默认打开,此种情况可以点击浏览器菜单,保存网页到桌面,就可以正常下载了。
    3、本站不支持迅雷下载,请使用电脑自带的IE浏览器,或者360浏览器、谷歌浏览器下载即可。
    4、本站资源下载后的文档和图纸-无水印,预览文档经过压缩,下载后原文更清晰。
    5、试题试卷类文档,如果标题没有明确说明有答案则都视为没有答案,请知晓。

    图纸规范.docx

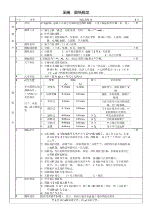
    图册、图纸规范序号内容规范及要求备注图册部分1封面必须标明:项目名称方案阶段图纸名称、公司名称制作日期(年、月)另见2图纸目录1)编号法则“楼层一功能区域一号码“(FlDT001)2)标明图纸规格。3)图纸部分的排列顺序:位置图、总平面布置图、墙体尺寸图、天花图、地铺图、电路控制图、立面图、节大样图。3图纸说明1)施工作做说明。2)设计说明。4图标或图例1)空调、上下水、电路、灯具、消防等。另见5图纸部分1)位置图2)总平面布置图3)墙体尺寸图4)天花图5)地铺图6)电路控制图7)立面图8)节点大样图图纸部分1图幅图签L图幅分为三种:Al、A2、A3o2.图签以标准文件为准。另见2文字标注1)字体标准采用幼圆体。2)字体大小根据各自在图中的位置而定,共分为三类标注:a.图纸名称,b功能区域名称,c.材料做法标准,按其大小而定,其比例系数为(5)a-(4)b-(3)c,此比例系数应图纸比例尺的大小而相应变化。3尺寸标注1)内尺寸比例21.5)外尺寸比例x34线型设置平立面图上的墙体画法:(ANS131)灰色填充柱子、承重墙、减力墙填实线型图幅颜色适用范围另见A2A31粗实线0.45mm0.3mm剖切符号、图纸名称下戈峨2标准实线0.35mm0.25mm墙线、外轮廓线、图框外框线3中实线0.2mm0.15mm立面门窗及可见结构线或檐、台口轮廓线4细实线0.13mm0.09mm尺寸标注线及引出线,可见轮廓线中次要线5最细线0.05mm0.05mm灰色填充及细部刻画6折断线0.09mm0.05mm灰色长距离画面断开7点划线0.09mm0.05mm灰色中心线定位轴线8虚线0.09mm0.05mm灰色用于不可见轮廓5图标符号1)定位轴线:定位轴线编号在水平方向采用阿拉伯数字,由左向右注写;在垂直方向的采用大写汉语拼音字母(但不得使用I、O及Z三个字母)由下向上注写。2)剖面的割切线:剖视方向-一般向图面的上方或左方。剖切线尽量不穿越图面上的线条,剖线需转折时以一次为限。3)折断线:图形的构件用曲线折断,其他一律采用直线折断,折断线必须经过全部被折断的图面。4)引出线:采用细直线,直角折线、斜折线,前端标注点采用圆点。5)多层结构引出线:必须通过被引出的各层,并须保持垂直方向,文字说明的次序,应与构造层一致,一般由上而下,由左而右,每层上应有标记点。6)样图索引标志及样图标志。7)局部剖面的样图索引标志。8)立面标向符号9)尺寸标注线10)标高另见6绘制要求1)平立面对照绘制。2)图面尺寸标注要完整齐全。3)材料标注,采用公司专用材料代号,并且要与材料清单上对应一致(另参见公司设计选材代号表)。4)常用节点图齐全。7图纸签审所有图都要有制图人、设计、审核人签字并盖有公司的图纸专用章。另见公司CAD标准文件:Fcad标准文件。

    注意事项

    本文(图纸规范.docx)为本站会员(p**)主动上传,第壹文秘仅提供信息存储空间,仅对用户上传内容的表现方式做保护处理,对上载内容本身不做任何修改或编辑。 若此文所含内容侵犯了您的版权或隐私,请立即通知第壹文秘(点击联系客服),我们立即给予删除!

    温馨提示:如果因为网速或其他原因下载失败请重新下载,重复下载不扣分。




    关于我们 - 网站声明 - 网站地图 - 资源地图 - 友情链接 - 网站客服 - 联系我们

    copyright@ 2008-2023 1wenmi网站版权所有

    经营许可证编号:宁ICP备2022001189号-1

    本站为文档C2C交易模式,即用户上传的文档直接被用户下载,本站只是中间服务平台,本站所有文档下载所得的收益归上传人(含作者)所有。第壹文秘仅提供信息存储空间,仅对用户上传内容的表现方式做保护处理,对上载内容本身不做任何修改或编辑。若文档所含内容侵犯了您的版权或隐私,请立即通知第壹文秘网,我们立即给予删除!

    收起
    展开