欢迎来到第壹文秘! | 帮助中心 分享价值,成长自我!
第壹文秘
全部分类
  • 幼儿/小学教育>
  • 中学教育>
  • 高等教育>
  • 研究生考试>
  • 外语学习>
  • 资格/认证考试>
  • 论文>
  • IT计算机>
  • 法律/法学>
  • 建筑/环境>
  • 通信/电子>
  • 医学/心理学>
  • ImageVerifierCode 换一换
    首页 第壹文秘 > 资源分类 > DOCX文档下载
    分享到微信 分享到微博 分享到QQ空间

    土建交接检验检验批质量验收记录.docx

    • 资源ID:768359       资源大小:20.98KB        全文页数:2页
    • 资源格式: DOCX        下载积分:5金币
    快捷下载 游客一键下载
    账号登录下载
    三方登录下载: 微信开放平台登录 QQ登录
    下载资源需要5金币
    邮箱/手机:
    温馨提示:
    快捷下载时,如果您不填写信息,系统将为您自动创建临时账号,适用于临时下载。
    如果您填写信息,用户名和密码都是您填写的【邮箱或者手机号】(系统自动生成),方便查询和重复下载。
    如填写123,账号就是123,密码也是123。
    支付方式: 支付宝    微信支付   
    验证码:   换一换

    加入VIP,免费下载
     
    账号:
    密码:
    验证码:   换一换
      忘记密码?
        
    友情提示
    2、PDF文件下载后,可能会被浏览器默认打开,此种情况可以点击浏览器菜单,保存网页到桌面,就可以正常下载了。
    3、本站不支持迅雷下载,请使用电脑自带的IE浏览器,或者360浏览器、谷歌浏览器下载即可。
    4、本站资源下载后的文档和图纸-无水印,预览文档经过压缩,下载后原文更清晰。
    5、试题试卷类文档,如果标题没有明确说明有答案则都视为没有答案,请知晓。

    土建交接检验检验批质量验收记录.docx

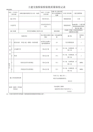
    土建交接检验检验批质量验收记录10010201单位(子单位)工程名称双峰县德泽嘉苑住宅小区一标段分部(子分部)工程名称电梯/电力驱动的曳引式或强制式电梯分项工程名称土建交接检验施工单位项目负责人检验批容量1部分包单位分包单位项目负责人检验批部位Ioolo201土建交接检验检验批质量验收记录_001施工依据智多星电梯施工组织计划验收依据电梯工程施工质量验收规范GB50310-2002验收项目设计要求及规范规定最小/实际抽样数量健i噪检查结果主控项目1机房内部、井道土建(钢架)结构布置必须符合电梯土建布置图要求1/1符合图纸要求2主电源开关第4.2.2条1/1共1处,全部检查,合格1处3井道第4.2.3条全1共1处,全部检查,合格1处般项目1机房还应符合的规定第4.2.4条全1共1处,全部检查,合格1处100%2井道还应符合的规定第4.2.5条全1共1处,全部检查,合格1处100%施工单位检查结果专业工长(施工员):项目专业质量检查员:年月日监理(建设)单位验收结论专业监理工程师(建设单位项目专业负责人):年月日注:本表内容的填写需依据现场验收检验批检查原始记录。填写说明一、填写依据1电梯工程施工质量验收规范GB50310-2002.2建筑工程施工质量验收统一标准GB50300-2013o二、检验批划分可按设计区域、单元划分,一般一部电梯划分为一个检验批。三、GB50310-2002规范摘要主控项目4.2.1 机房(如果有)内部、井道土建(钢架)结构及布置必须符合电梯土建布置图的要求。4.2.2 主电源开关必须符合下列规定:1主电源开关应能够切断电梯正常使用情况下最大电流。2对有机房电梯该开关应能从机房入口处方便地接近。3对无机房电梯该开关应设置在井道外工作人员方便接近的地方,且应具有必要的安全防护。4.2.3 井道必须符合下列规定:1当底坑底面下有人员能到达的空间存在,且对重(或平衡重)上未设有安全钳装置时,对重缓冲器必须能安装在上未设有安全钳装置时,对重缓冲器必须能安装在(或平衡重运行区域的下边必须)一直延伸到坚固地面上的实心桩墩上。2电梯安装之前,所有层门预留孔必须设有高度不小于1.2In的安全保护围封,并应保证有足够的强度。3当相邻两层门地坎间的距离大于IIm时,其间必须设置井道安全门,井道安全门严禁向井道内开启,且必须装有安全门处于关闭时电梯才能运行的电气安全装置。当相邻轿厢间有相互救援用轿厢安全门时,可不执行本款。一般项目4.2.4 机房(如果有)还应符合下列规定:1机房内应设有固定的电气照明,地板表面上的照度不应小于2001X。机房内应设置一个或多个电源插座。在机房内靠近入口的适当高度处应设有一个开关或类似装置控制机房照明电源。2机房内应通风,从建筑物其他部分抽出的陈腐空气,不得排入机房内。3应根据产品供应商的要求,提供设备进场所需要的通道和搬运空间。4电梯工作人员应能方便地进入机房或滑轮间,而不需要临时借助于其他辅助设施。5机房应采用经久耐用且不易产生灰尘的材料建造,机房内的地板应采用防滑材料。注:此项可在电梯安装后验收。6在一个机房内,当有两个以上不同平面的工作平台,且相邻平台高度差大于05m时,应设置楼梯或台阶,并应设置高度不小于0.9m的安全防护栏杆。当机房地面有深度大于0.5m的凹坑或槽坑时,均应盖住。供人员活动空间和工作台面以上的净高度不应小于1.8mo7供人员进出的检修活板门应有不小于0.8m×0.8m的净通道,开门到位后应能自行保持在开后位置。检修活板门关闭后应能支撑两个人的重量(每个人按在门的任意02mX0.2m面积上作用IOooN的力计算),不得有永久性变形。8门或检修活板门应装有带钥匙的锁,它应从机房内不用钥匙打开。只供运送器材的活板门,可只在机房内部锁住。9电源零线和接地线应分开。机房内接地装置的接地电阻值不应大于4Q。10机房应有良好的防渗、防漏水保护。4.2.5井道还应符合下列规定:1井道尺寸是指垂直于电梯设计运行方向的井道截面沿电梯设计运行方向投影所测定的井道最小净空尺寸,该尺寸应和土建布置图所要求的一致,允许偏差应符合下列规定:1)当电梯行程高度小于等于30m时为0+25mm;2)当电梯行程高度大于30m且小于等于60m时为0+35mm;3)当电梯行程高度大于60m且小于等于90m时为0+50mm;4)当电梯行程高度大于90m时,允许偏差应符合土建布置图要求。2全封闭或部分封闭的井道,井道的隔离保护、井道壁、底坑底面和顶板应具有安装电梯部件所需要的足够强度,应采用非燃烧材料建造,且应不易产生灰尘。3当底坑深度大于2.5m且建筑物布置允许时,应设置一个符合安全门要求的底坑进口;当没有进入底坑的其他通道时,应设置个从层门进入底坑的永久性装置,且此装置不得凸入电梯运行空间。4井道应为电梯专用,井道内不得装设与电梯无关的设备、电缆等。井道可装设采暖设备,但不得采用蒸汽和水作为热源,且采暖设备的控制与调节装置应装在井道外面。5井道内应设置永久性电气照明,井道内照度应不得小于501x,井道最高点和最低点0.5m以内应各装一盏灯,再设中间灯,并分别在机房和底坑设置一控制开关。6装有多台电梯的井道内各电梯的底坑之间应设置最低点离底坑地面不大于0.3m,且至少延伸到最低层站楼面以上2.5m高度的隔障,在隔障宽度方向上隔障与井道壁之间的间隙不应大于150mmo当轿顶边缘和相邻电梯运动部件(轿厢、对重或平衡重)之间的水平距离小于0.5m时,隔障应延长贯穿整个井道的高度。隔障的宽度不得小于被保护的运动部件(或其部分)的宽度每边再各加0.1m。7底坑内应有良好的防渗、防漏水保护,底坑内不得有积水。8每层楼面应有水平面基准标识。

    注意事项

    本文(土建交接检验检验批质量验收记录.docx)为本站会员(p**)主动上传,第壹文秘仅提供信息存储空间,仅对用户上传内容的表现方式做保护处理,对上载内容本身不做任何修改或编辑。 若此文所含内容侵犯了您的版权或隐私,请立即通知第壹文秘(点击联系客服),我们立即给予删除!

    温馨提示:如果因为网速或其他原因下载失败请重新下载,重复下载不扣分。




    关于我们 - 网站声明 - 网站地图 - 资源地图 - 友情链接 - 网站客服 - 联系我们

    copyright@ 2008-2023 1wenmi网站版权所有

    经营许可证编号:宁ICP备2022001189号-1

    本站为文档C2C交易模式,即用户上传的文档直接被用户下载,本站只是中间服务平台,本站所有文档下载所得的收益归上传人(含作者)所有。第壹文秘仅提供信息存储空间,仅对用户上传内容的表现方式做保护处理,对上载内容本身不做任何修改或编辑。若文档所含内容侵犯了您的版权或隐私,请立即通知第壹文秘网,我们立即给予删除!

    收起
    展开