欢迎来到第壹文秘! | 帮助中心 分享价值,成长自我!
第壹文秘
全部分类
  • 幼儿/小学教育>
  • 中学教育>
  • 高等教育>
  • 研究生考试>
  • 外语学习>
  • 资格/认证考试>
  • 论文>
  • IT计算机>
  • 法律/法学>
  • 建筑/环境>
  • 通信/电子>
  • 医学/心理学>
  • ImageVerifierCode 换一换
    首页 第壹文秘 > 资源分类 > DOCX文档下载
    分享到微信 分享到微博 分享到QQ空间

    《房屋建筑制图统一标准》.docx

    • 资源ID:757437       资源大小:733.77KB        全文页数:32页
    • 资源格式: DOCX        下载积分:5金币
    快捷下载 游客一键下载
    账号登录下载
    三方登录下载: 微信开放平台登录 QQ登录
    下载资源需要5金币
    邮箱/手机:
    温馨提示:
    快捷下载时,如果您不填写信息,系统将为您自动创建临时账号,适用于临时下载。
    如果您填写信息,用户名和密码都是您填写的【邮箱或者手机号】(系统自动生成),方便查询和重复下载。
    如填写123,账号就是123,密码也是123。
    支付方式: 支付宝    微信支付   
    验证码:   换一换

    加入VIP,免费下载
     
    账号:
    密码:
    验证码:   换一换
      忘记密码?
        
    友情提示
    2、PDF文件下载后,可能会被浏览器默认打开,此种情况可以点击浏览器菜单,保存网页到桌面,就可以正常下载了。
    3、本站不支持迅雷下载,请使用电脑自带的IE浏览器,或者360浏览器、谷歌浏览器下载即可。
    4、本站资源下载后的文档和图纸-无水印,预览文档经过压缩,下载后原文更清晰。
    5、试题试卷类文档,如果标题没有明确说明有答案则都视为没有答案,请知晓。

    《房屋建筑制图统一标准》.docx

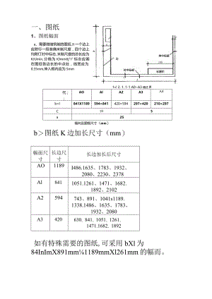
    坤中标志/”边对中标志1«! 2. 1. 1-1 A0A3 模式Ifl面一、图纸1、图纸幅面a、需要微缩筑制的图纸.Jt一个边上应附行一段准确米制尺度,四个边上均附仃对中标志,米制尺度的总长应为KJUmin,分格为IOmmXj111标志应画在图纸各边长的中点处,线宽应为0.35mm,伸入框内应为5mm代;尺AOAlA2A3A4b×l841X1189594×841420×594297×420210×297C105a25福向及图框尺寸(mm)b图纸K边加长尺寸(mm)幅面尺寸长边尺寸长边加长后尺寸AO1189I486.1635、1783、1932、2080、2230、2378Al8411051.1261、1471、1682.1892、2102A2594743、891、1041s1189.1338.1486、1635、1783、1932、2080A3420630、841、1051、1261、1471.1682、1892如有特殊需要的图纸,可采用bXl为84InImX891mm1189mmXl261mm的幅而。C、图纸以短边做为垂直边称为横式,以短边做为水平边称为立式。一般A0A3图纸宜采用横式;必要时,也可采用立式。5一个工程设计中,每个专业所使用的图纸,一般不宜多于两种幅面,不含11录及表格所采用的A4幅而。图2.1.12AO-A3立式幡面图2.L13AA立式幅面2、标题栏与会签栏a、标题栏应根据工程需要选择确定其尺寸、格式及分区。签字区应包含实名列和签名列。涉外工程的标题栏内,各项主要内容的中文下方应附力.译文,设计单位的±方或左方"中华人民共和国”字样O油计单位名林区工程名称区妥字区ftW.图名区签字区工程名称M图9区图名区设计单位名称区5?200b、会签栏应按仃图的格式绘制,其尺寸应为100inm×2Onun,栏内1填写会签人员所代表的专业、姓名、FI期(年、月、H);个会签栏不够时,可另加个,两个会签栏列;不需会签的图纸可不设会签栏。3、图纸编排顺序图2, 2, 2标题栏IOC图2. 2. 3会签栏a、H程图纸应按专业顺序编报般应为图纸目录、总图、建筑图、结构图、给水排水图、暖通空调图、电气图等。b、各专业的图纸,应该按图纸内容的主次关系、逻辑关系,有序排列。二、图线A图线的宽度b,宜从卜列线宽系列中选取:20.1.4,10.0.7、0.5、0.35。A每个图样,应根据复杂程度。比例大小,先选定基本线宽b,再选卜浓中相应线宽组。A同张图纸内,相同比例的各图样,应选用相同的找宽组。«3.0.1线宽组(Em)线宽比线宽组b2.01.1LC0.70.5.0.33O45人1.00.70.5U.3;O.250.180.250.50,3aU.25"(UHfl,l霸夔e绘的图纸,不酊采用仇】8mm及更纲的线宽.2同一深图纸内,各不同线宽中的细线可统米用较姗的线第41的细线.A图纸的图也和标题栏线,可采用卜.表的线宽表3.0.4图根线、标题栏线的宽度(mm)相向代g国惬线标题村外根线标题栏分格线、会爸栏线AO,Al1.40,70.35A2.AS.A4.n0.70.35A相互平行的图线,其间隙不宜小广其中的粗线宽度,FL不宜小10.7mm.虚线、点划线或双点划线的线段长度和间隙宜各11柑等。A点划线或双点划线,当在较小或形中绘制存困难时,可用实线代替。点划线或双点划线的两端,不应是点。点划线发点划线交接或点划线点其它图线交接时,应是线段交接。»虚线与虚线交接或虚线叮乂它图线交接时,应是线段交接。A图纹不得与文K数字或符号出士、混淆,不可避免时,应首先保证文3等的清晰。三、字体A图纸上所需书'。的文字、数字或符号等,均应卷画清晰、字体端正、排列整齐;标点符号应清楚正确。A文字的字高,应从如卜系列中选用:3.5、5、7、10、14、20mm如需竹写更大的字,其高度应按J2的比值递增。于辨认。AIS样及说明中的汉字,/采用长仿宋体,宽度可高度的关系应符合卜表的规定。大标题、图册封面、地形图等的汉字,也可IW;成其他字体,莉府易长仿宋体字高宽关系(Inm)-*IJ201410753.5字宽14107S3.52.5A汉丁的简化了Iq写,必须符合国务院公布的汉子简化方案和有关规定。A数量:的数值注写,应采用正体阿拉伯数字。各种计吊;单位凡前面力.最值的,均应采用Ia家颁布的单位符号;口;。单位符号心采用正体字母OA分数、百分数和比例数的注写,的采用阿拉伯数字和数学符号,例如:四分之二百分之二I五和比:卜应分别写成3/4、25%和120A当注写的数字小于1时,必须写出个位的“0”,小数点应采用圆点,齐基准线写,例如0.0LA拉丁字母、阿拉伯数字与岁月数。的书写为排列,闷符合下表的规定。A拉J不用、阿拉俏数字与罗川数字如需七成斜体,其斜度应是从字的底线逆时针向上倾斜75度。斜体字的高度与宽度应与相应的直体字相等。A拉J字母、阿拉丁数字,罗弓数字的字高,应不小卜2.5mm。A长仿宋汉字、拉丁字母、阿拉伯数字与罗马数字示例见技术制图字体(GB/T1469193)。书写格式一般字体节字体大写字母高度hh小写字母高度710h10Hh笔面宽度1/lOhl,14h字母旬即NIoh2/1411上下行基准线最小间距15/IOh2114h词间距610h6/1-411表.拉J字母、阿粒伯数字与罗马数字书写规则四、比例A图样的比例,应为图形与实物相对应的线性尺寸之比。比例的大小,是指其比值的大小,如1:50大Jl:100oA比例的符弓为“',比例应为阿拉伯数字去小,如1、1:2、I100等。A比例宜注写在图名的右侧,N的显准线应取平;比例的字点宜比图名的字高小,或二5。(如布知)G平惠国II(X)2/1A绘图所用的L匕例,应根据图样的用途与破绘对父的复杂程度,从卜浓中选用,并优先用表中常用比例。田3.。.3比例的注写结绘图所用的比例常用比例1:1s1:2、1:5、1:10、1:20、1:50、1:100.LI50、1:200.1500、1:1000.1:2000.1:5000、1:10000.120000150000、IlOoOO0、可用比例1:3、1:4、14!邛独0卜25、1:30、1:40.1:60.180、1:250、1:300、1:400V1600>般怙况下,个图样应选用种比例,根据专业制图需要,同-MffTir选用两种比例。A特姝怙况卜.也可自选比例,这时除应注出绘图比例外,还必须在适当位置绘制出相应的比例尺。五、符号1、剖切符号As剖视的剖切符号应符合下列规定:A剂视的剖切符号应由剖切位的线及投射方向线组成,均应以对I实线绘制剖切位置线的长度宜为aIOmm:投射方向线应垂直于剖切位置线,长度应短于剖切位比线,立为46mm。绘制时.剖视的剖切符号不应叮其它图线相接触.A剖视剖切符号的编号直采用阿拉伯数字,按顺序由左至右、由卜.至上连续编排,并应注写在剖视方向线的端部。A需裳轧折的剖切位置线,应在的Ija的外侧加注、该符号相同的编,0图6.1.1例视的剖切符号B、断面的剖切符号应符介下列规定:A断面的剖切符号应只用剖切位置线衣东,并应以粗实线绘制,长度宜为6-1OmmoA断面剖切符匕的编>宜采用阿拉司数字,按顺序连续编排,并标)写在剖切位北线的M:编号所在的侧应为该断面的剖视方向°C、剖而图或断面图,如H被剖切图样不在同张图内,可在剖切位宜线的另侧注明其所在图纸的编明也可以在图上集中说虬lu22、索引符号与详图符号A、图样中的某局部或构件,如需另见详图,应以索引符号索弓I。索引符号是由直径为1Omm的圆和水平直径组成,圆及水TH径均附以细实线绘制。索引符号应按下列规定编写:A索引记的详图,如与被索引的洋图同/1一张图纸内,应在索时符号的卜"圆中用阿拉伯数字注明该详图的编M并在F半圆中间画一段水平细实线。A索引出的详图,如。被索引的详图不。张图纸内,应在索引符号的卜.半园中用阿拉伯数字注明该详图的编号,在索引符号的下、r阈中用阿拉伯数字注明该详图所在图纸的编号。数?较多时,可加文?标注UA索弓I山的详图,如采用标准图,应在索引符号水平直径的延长线上加注该 标准图册的编号。图6.2.1索引符号B、索引符号如用于索引剖视详图,应在被剖切的部件绘制剖切位置线,并以引出线引出索引符号,引出线所在的侧应为投射方向。索引符号的编写同上页的规定。为6. 2. 2用于索引剖面详图的索引符号C、零件、钢筋、杆件、设备等的编号,以汽径为4Smm(同一图样应保持致)的细实线圆表示,北编号应用阿拉伯数字按顺序编写。零件、钢筋等的编号D、详图的位罚和编号,应以详图符号表示。详图符号的圆应以IH径为14mm粗实线绘制,详图应按卜.列规定编号:A详图4被索引的图样同在一张图纸内时,应在详图符号内用阿拉伯数字注明详图的编,3与被索引的图样同在一张图纸内的详图符号A详图与被索引的图样不在一张图纸内,应用细实线在详图符号内画一水平ft径,在上半冏中注明详图编号,在下半圆中注明被索引的图纸的编号。与被索引的图样不在一张图纸内的详图符号3、引出线A引出线应以细实纹绘制,宜采用水平方向的直线、与水平方向成30°、45°、60°、900的立线,或经上述角度”折为水平线。文为说明立注写在水平线上方,也可注寸在水平线的上部索引详图的引H线,应。水平直径线相连接。i文字说明)(b)图6,3.1引出线A同时引出几个相同部分的引出线,宜互桐平行,也可画成集中于一点的放射线。(文中说明)/7(文字说WJ)图6.3.2共用力出缓A多层构造或多层管道共用用;I线,应通过被引出的文字说注写在水平线的上方,或注写在水平线的端部,说叨的顺序应由上至下,并应叮被说叨的层次相互一致:如层次为横向排序,则由上至下的说明顺序应冼至右的层次相互一图63.3多层构施引出线4、其他符号A对称符号由对称线和两端的两对平行线组成对称线用细点网线绘制$、F行线用细实线绘制,Jl长度宜为810mm,每对的间距宜为27mm:对称线垂直平分两对平行线,两端超J平行线宜为23mm.A连接符号应以折断线表示需连接的部位。两部位相距过远时,折断线两端靠图样侧应标注大写拉丁?三以示连接编号。两个被连接的图样必须用详图的字耳编号。A指北针的形状立如图所小,其限I的江径立为24mm用细实线绘制;指针尾部的宽度宜为3mm,指针头部应注“北”或"N*字。需用较大直径绘制指北针时,指针尾部宽度宜为有径的1/8。图6.4.1对称符号图6.4.2煌接符号用6.4.3指北针六、定位轴线A定位轴线应用细点面线绘制。A定位轴线殷应编明编号应注写在轴线端部的网内。网应用

    注意事项

    本文(《房屋建筑制图统一标准》.docx)为本站会员(p**)主动上传,第壹文秘仅提供信息存储空间,仅对用户上传内容的表现方式做保护处理,对上载内容本身不做任何修改或编辑。 若此文所含内容侵犯了您的版权或隐私,请立即通知第壹文秘(点击联系客服),我们立即给予删除!

    温馨提示:如果因为网速或其他原因下载失败请重新下载,重复下载不扣分。




    关于我们 - 网站声明 - 网站地图 - 资源地图 - 友情链接 - 网站客服 - 联系我们

    copyright@ 2008-2023 1wenmi网站版权所有

    经营许可证编号:宁ICP备2022001189号-1

    本站为文档C2C交易模式,即用户上传的文档直接被用户下载,本站只是中间服务平台,本站所有文档下载所得的收益归上传人(含作者)所有。第壹文秘仅提供信息存储空间,仅对用户上传内容的表现方式做保护处理,对上载内容本身不做任何修改或编辑。若文档所含内容侵犯了您的版权或隐私,请立即通知第壹文秘网,我们立即给予删除!

    收起
    展开